2.63M
Категория:
Инженерная графика
Primary Thickness Plywood
1.
2.
3.
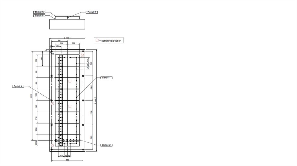
1360
2920
680
1460
4.
5.
95
0
-3
≤4
English
Русский
Правила