336.42K
Категория:
Инженерная графика
Похожие презентации:
Выносные элементы на чертеже
Выносные элементы. Лекция 3
Нанесение размеров и их предельные отклонения. Выносные элементы
Нанесение размеров и их предельные отклонения. Выносные элементы
Нанесение размеров и их предельные отклонения. Выносные элементы
Нанесение размеров и их предельные отклонения. Выносные элементы
Нанесение размеров и их предельные отклонения. Выносные элементы
Виды, разрезы, сечения, штриховка, выносные элементы на чертежах
Изображения: виды, разрезы, сечения, выносные элементы (ЕСКД ГОСТ 2.305-2008)
Autodesk inventor сложный разрез. Выносной элемент. Основная надпись. Подготовка и выполнение твердых копий
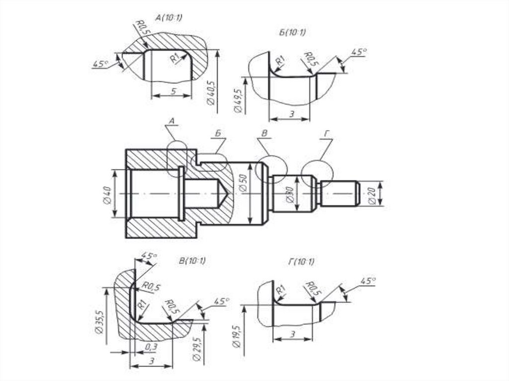
Выносные элементы
1.
2.
3.
Выносные элементы
English
Русский
Правила