1.44M
Категория:
Промышленность
Похожие презентации:
Особенности собственных нужд ГЭС и ГАЭС. (Лекция 6)
Особенности собственных нужд АЭС с реакторами ВВЭР. (Лекция 4)
Особенности собственных нужд АЭС с реакторами БН. (Лекция 5)
Реконструкция электрической части системы собственных нужд Балаковской АЭС
Общая энергетика. Лекции ГТУ ПСУ АЭС ГЭС
Система паропроводов собственных нужд
Системы собственных нужд электростанций и подстанций. (Лекция 1)
Особенности собственных нужд газомазутных ТЭС с ПТУ. (Лекция 3)
Схема управления преобразователями собственных нужд ПСН. Электровоз 2ЭС6
ГЭС
Собственные нужды АЭС и ГЭС
1.
2.
3.
4.
5.
6.
7.
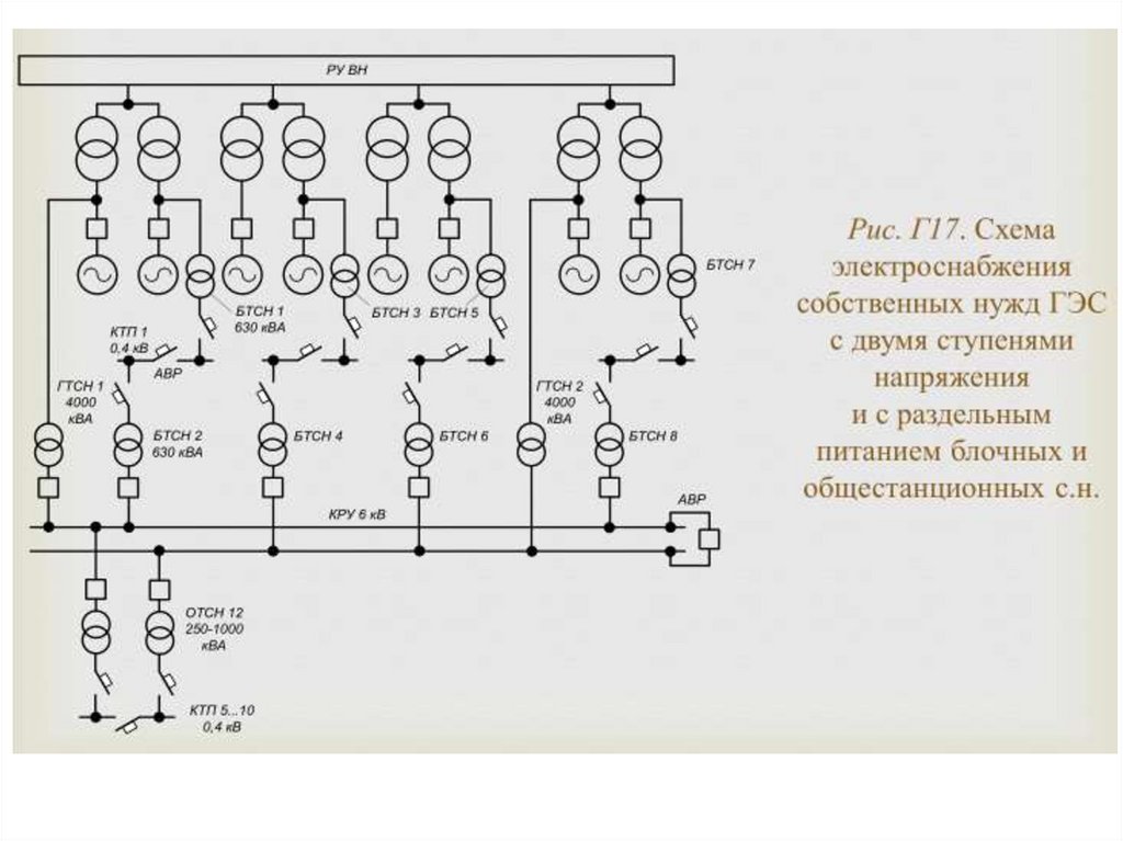
Присоединение БТСН в структурной схеме ГЭС
English
Русский
Правила