315.00K
Категория: МеханикаМеханика

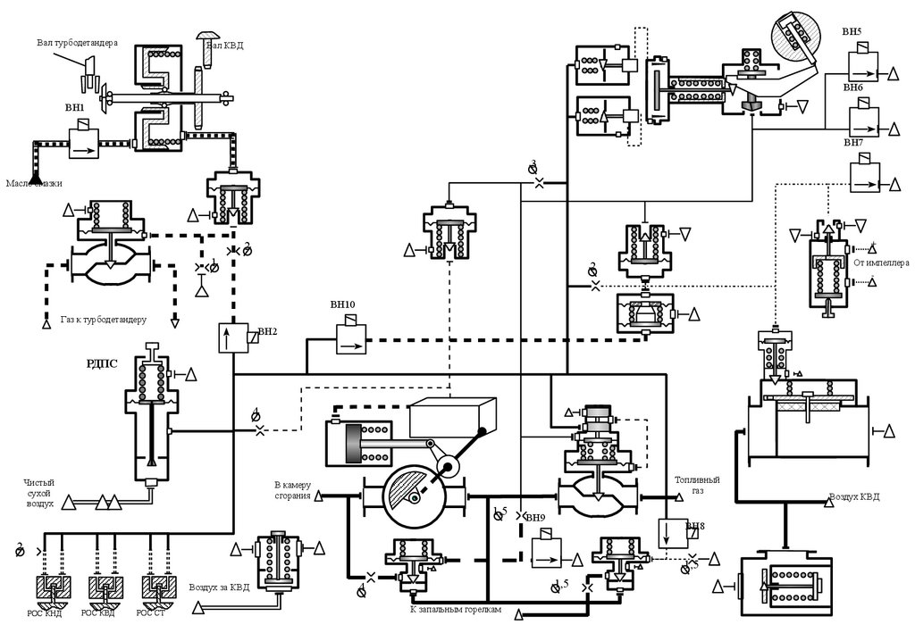
Вал турбодетандера

1.

ВН5
Вал турбодетандера
Вал КВД
ВН6
ВН1
ВН7
3
Масло смазки
+
2
1
От импеллера
-
2
ВН10
Газ к турбодетандеру
ВН2
РДПС
4
Чистый
сухой
воздух
Топливный
газ
В камеру
сгорания
1,5
ВН9
ВН8
2
1,5
Воздух за КВД
РОС КНД
РОС КВД
РОС СТ
1,5
4
К запальным горелкам
Воздух КВД
English     Русский Правила