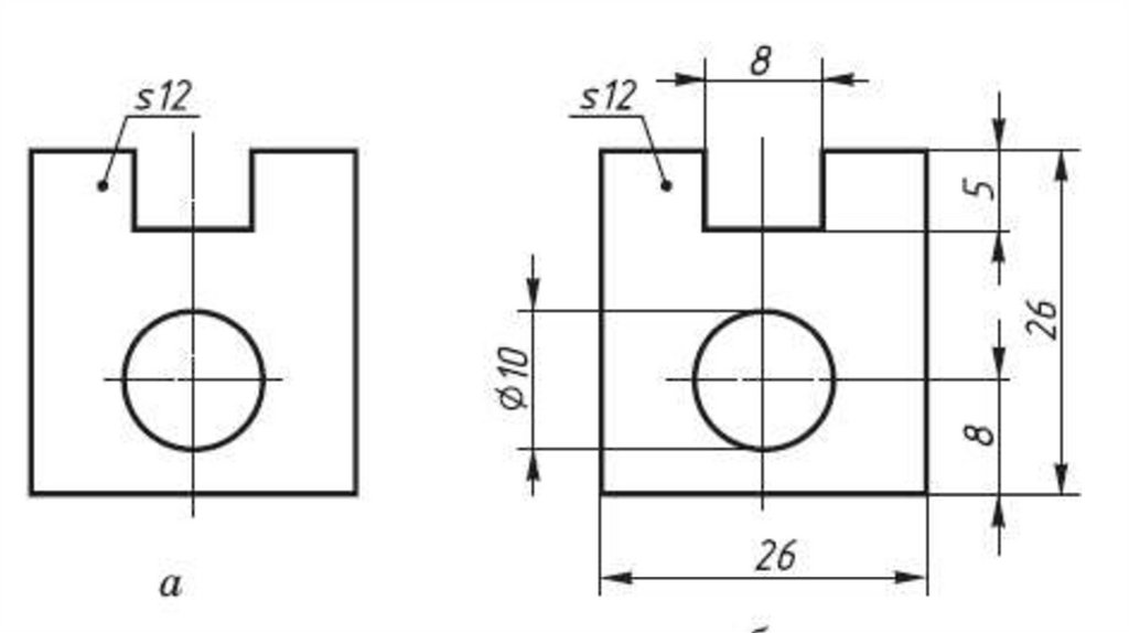
Графическое изображение деталей изделий из конструкционных материалов
495.86K

Графическое представление деталей и изделий из конструкционных материалов

1. Графическое изображение деталей изделий из конструкционных материалов

ГРАФИЧЕСКОЕ ИЗОБРАЖЕНИЕ
ДЕТАЛЕЙ ИЗДЕЛИЙ ИЗ
КОНСТРУКЦИОННЫХ
МАТЕРИАЛОВ
English     Русский Правила