2. Соединения деталей
12. 1. Резьба
Параметры резьбы:
Конструктивные элементы резьбы:
Классификация резьбы:
Резьбы крепежные:
Примеры условного обозначения метрической резьбы:
Задание: Подобрать размеры проточки для метрической резьбы:
Примеры условного обозначения дюймовой резьбы:
Примеры условного обозначения трубной резьбы:
Резьбы ходовые
Примеры условного обозначения трапецеидальной резьбы:
Примеры условного обозначения упорной резьбы:
ГОСТ 2.311-68 Изображение резьбы
Задание. Выполнить резьбовое соединение стержня с корпусом на глубину 15 мм. На месте вида слева выполнить сечение.
Задание. Проставить на главном виде и виде слева обозначение резьбы:
5.54M

Соединения деталей

1. 2. Соединения деталей

2.

• Разъемные соединения – соединения деталей, которые
можно многократно разъединять и соединять, не
деформируя при этом ни соединяемые, ни крепежные
детали.
• Неразъемные соединения – соединения, которые могут
быть разобраны лишь при повреждении хотя бы одной из
образующих соединения деталей.

3.

Болтовые
Шпоночные
Сварные
Шпилечные
Шлицевые
Паяные
Винтовые
Штифтовые
Клееные
Трубные
Зубчатые
Заклепочные
и др.
и др.
и др.

4. 12. 1. Резьба

• Винтовая
линия
резьбы

линия,
образованная на боковой поверхности
реального или воображаемого прямого
кругового цилиндра или прямого кругового
конуса точкой, перемещающейся таким
образом, что отношение между ее осевым
перемещением и соответствующим угловым
перемещением постоянно, но не равно нулю
или бесконечности.

5.

6. Параметры резьбы:

• Наружный диаметр резьбы D(d) – диаметр
воображаемого цилиндра, описанного вокруг вершин
наружной резьбы или впадин внутренней резьбы. Этот
диаметр принимают за номинальный диаметр.

7.

• Внутренний диаметр резьбы D1 (d1) – диаметр
воображаемого цилиндра, описанного вокруг
впадин наружной резьбы или вершин внутренней
резьбы.

8.

Профиль резьбы – контур сечения резьбы
плоскостью, проходящей через ось изделия.

9.

• Шаг резьбы (Р) – расстояние по линии, параллельной
оси резьбы между средними точками ближайших
одноименных боковых сторон профиля резьбы,
лежащими в одной осевой плоскости по одну сторону
оси резьбы.
• Ход резьбы (Рh=Р Z) – расстояние по линии,
параллельной оси резьбы, между любой исходной
средней точкой на боковой стороне резьбы и средней
точкой, полученной при перемещении исходной
средней точки по винтовой линии на угол 360°
Однозаходная резьба
Трехзаходная резьба

10. Конструктивные элементы резьбы:

11.

• Фаска, z выполняется на конце стержня и в начале
отверстия до нарезания резьбы и представляет
собой коническую поверхность, образующая
которой составляет с осью резьбы угол 45º.

12.

• Сбег резьбы, x – участок с резьбой неполного
профиля

13.

• Недорез резьбы, a образуется, если выполняют
резьбу до некоторой поверхности, не
позволяющей доводить инструмент до упора к
ней.

14.

• Проточка выполняется при необходимости
изготовления резьбы полного профиля без сбега,
для вывода инструмента.

15. Классификация резьбы:

• По назначению – крепежная, ходовая,
специальная.
• По форме профиля – треугольного,
трапецеидального,
прямоугольного,
полукруглого.

16.

• По виду поверхности – цилиндрическая
или коническая.

17.

• По расположению
внутренняя.

наружная
или

18.

• По числу заходов – однозаходная и
многозаходная.

19.

• По направлению винтовой линии – правая
(по часовой стрелке) и левая (против
часовой стрелки).

20. Резьбы крепежные:

• Применяются для неподвижного соединения
деталей.

21.

• Резьба метрическая применяется на болтах,
шпильках, винтах, гайках и т. д.
• Она имеет теоретический профиль в виде
равностороннего треугольника с углом при
вершине 60°. Форма впадины может быть как
закругленной, так и плоскосрезанной.
• Профиль метрической резьбы по ГОСТ 9150-81

22.

• Резьба имеет для каждого номинального диаметра
один крупный и несколько мелких шагов.
• D = 20 мм.
• Крупный шаг 2,5
• Мелкий шаг 2; 1,5; 1; 0,75; 0,5

23. Примеры условного обозначения метрической резьбы:

М16
резьба метрическая, номинальный диаметр 16 мм,
шаг крупный 2 мм, правая.
М16×1,5 резьба метрическая, номинальный диаметр 16 мм,
шаг мелкий 1,5 мм, правая.
М16×Ph3P1,5
резьба метрическая двухзаходная, номинальный
диаметр 16 мм, шаг 1,5 мм, ход 3 мм, правая.
резьба метрическая двухзаходная, номинальный
М16×Ph3P1,5-LH диаметр 16 мм, шаг 1,5 мм, ход 3 мм, левая.
МК16×1,5
резьба метрическая коническая номинальный
диаметр 16 мм, шаг 1,5 мм, правая.

24. Задание: Подобрать размеры проточки для метрической резьбы:

25.

Шаг резьбы – крупный, определяем по таблице
3 мм

26.

27.

Шаг резьбы – крупный, определяем по таблице
3 мм

28.

• Дюймовая резьба используются при ремонте
старого или импортного оборудования.
• Профиль резьбы – равнобедренный треугольник с
углом при вершине 55º.Вершины и впадины плоско
срезаны.
• Дюймовая резьба характеризуется количеством
витков резьбы на длине, равной 1″.
• 1″ = 25,4 мм (11 витков)

29.

• Резьба дюймовая коническая с углом профиля 60º
(по ГОСТ 6111-52) применяется в резьбовых
соединениях топливных, масляных, водяных и
воздушных трубопроводов машин и станков.

30. Примеры условного обозначения дюймовой резьбы:

1''
цилиндрическая дюймовая резьба с
диаметром 25, 4 мм.
К 3/8″ ГОСТ 6111-52
коническая дюймовая резьба (диаметр
измеряется в основной плоскости).

31.

• Резьба трубная применяется для соединения
водо- и газопроводных труб.
• Профиль резьбы – равнобедренный треугольник с
углом при вершине 55º. Вершины и впадины
закруглены.
• Профиль резьбы трубной цилиндрической по
ГОСТ 6357-81

32. Примеры условного обозначения трубной резьбы:

• измеряется в дюймах, при этом знак дюйма не
ставится.
• G1 – резьба трубная цилиндрическая
• R1 – резьба трубная коническая наружная
• Rс1 – резьба трубная коническая внутренняя

33. Резьбы ходовые

• Применяются для взаимного перемещения
деталей.

34.

• Резьба трапецеидальная применяется на винтах,
передающих возвратно-поступательное движение.
• Профиль резьбы – равнобокая трапеция с углом
30º при боковых сторонах.
• Профиль трапецеидальной резьбы по ГОСТ 948481

35. Примеры условного обозначения трапецеидальной резьбы:

Tr40×6 - резьба трапецеидальная, номинальный диаметр 40 мм,
шаг резьбы 6 мм, однозаходная, правая.
Tr40×9(Р3)LH - резьба трапецеидальная трехзаходная,
номинальный диаметр 40 мм, шаг резьбы 3 мм,
ход резьбы 9 мм, левая.

36.

• Резьба
упорная
применяется
на
винтах,
подверженных
односторонне
направленным
усилиям (например, в домкратах).
• Профиль резьбы – неравнобокая трапеция с углами
3º и 30º при боковых сторонах.
• Профиль упорной резьбы по ГОСТ 10177-82

37. Примеры условного обозначения упорной резьбы:

S80×4 - резьба упорная, номинальный диаметр 80 мм,
шаг резьбы 4 мм, однозаходная, правая.
S80×20(Р10)LH - резьба упорная, номинальный диаметр 80 мм,
шаг резьбы 10 мм, ход резьбы 20 мм,
двухзаходная, левая.

38.

• Резьба
прямоугольная
применяется
в
соединениях,
где
не
должно
быть
самоотвинчивания под действием приложенной
нагрузки.
• Профиль резьбы не стандартизован. На чертеже
указывают все размеры, необходимые для
изготовления резьбы.

39.

• Резьбы специальные имеют стандартный профиль, но
размеры диаметра или шага отличны от принятых по
стандарту.
• Сп М34×1,5
• Диаметр резьбы 30; 36 – I ряд;
• Диаметр резьбы 33 – II ряд;
• Диаметр резьбы 32; (35) – III ряд.

40. ГОСТ 2.311-68 Изображение резьбы

• устанавливает правила изображения и нанесения
обозначения резьбы на чертежах всех отраслей
промышленности и строительства.

41.

• 2. Резьбу изображают:
• на стержне – сплошными толстыми линиями по
наружному диаметру и сплошными тонкими по
внутреннему диаметру.
• Сплошную тонкую
линию проводят на
расстоянии не менее 0,8 мм и не более величины
шага резьбы.

42.

• На
изображениях,
полученных
проецированием
на
плоскость,
параллельную оси стержня, сплошную
тонкую линию по внутреннему диаметру
резьбы проводят на всю длину резьбы без
сбега,
а
на
видах,
полученных
проецированием
на
плоскость,
перпендикулярную к оси стержня, по
внутреннему диаметру резьбы проводят
дугу,
приблизительно
равную
¾
окружности, разомкнутую в любом месте.

43.

Задание. На виде слева изобразить резьбу (согласно п. 9 фаска не изображается):

44.

• в отверстии – в разрезах показывают
сплошными основными линиями по
внутреннему
диаметру
резьбы
и
сплошными тонкими линиями – по
наружному диаметру.

45.

• На разрезах, параллельных оси
отверстия, сплошную тонкую линию
по наружному диаметру резьбы
проводят на всю длину резьбы без
сбега, а на изображениях, полученных
проецированием
на
плоскость,
перпендикулярную к оси отверстия, по
наружному диаметру резьбы проводят
дугу, приблизительно равную ¾
окружности, разомкнутую в любом
месте.

46.

Задание. На виде слева изобразить резьбу (согласно п. 9 фаска не изображается)

47.

• 9. Фаски на стержне с резьбой и в
отверстии с резьбой, не имеющие
специального конструктивного назначения,
в
проекции
на
плоскость,
перпендикулярную к оси стержня или
отверстия, не изображают.
• Сплошная тонкая линия изображения
резьбы на стержне должна пересекать
линию границы фаски.

48.

• 5. Штриховку в разрезах и сечениях проводят до
линии наружного диаметра резьбы на стержнях и до
линии внутреннего диаметра в отверстии, т.е. в обоих
случаях до сплошной основной линии.
Задание Выполнить указанное сечение Нанести штриховку в разрезе и сечении:

49.

• 4. Линию, определяющую границу резьбы,
наносят на стержне и в отверстии с резьбой в
конце полного профиля резьбы (до начала сбега).
Границу резьбы проводят до линии наружного
диаметра резьбы и изображают сплошной
основной линией.
Задание. Провести границу резьбы. Проставить размер длины резьбы с полным
Профилем (без сбега) согласно п. 6:

50.

• 6. Размер длины резьбы с полным профилем на стержне и
в отверстии указывают как правило без сбега.
• Размер длины резьбы со сбегом указывают, как показано
ниже.
• Сбег резьбы изображают сплошной тонкой прямой
линией.
Задание. Провести границу резьбы. Проставить размер длины резьбы (со сбегом):

51.

• 11. На разрезах резьбового соединения в
изображении на плоскости, параллельной его
оси, в отверстии показывают только часть
резьбы, которая не закрыта резьбой стержня.

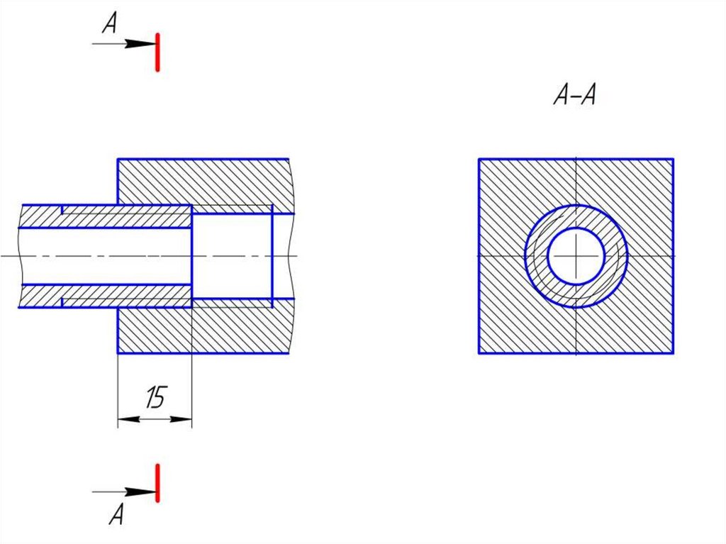
52. Задание. Выполнить резьбовое соединение стержня с корпусом на глубину 15 мм. На месте вида слева выполнить сечение.

53.

54.

55.

56.

57.

•12. Обозначения резьб указывают по соответствующим
стандартам на размеры и предельные отклонения резьб и
относят их для всех резьб, кроме конических и трубной
цилиндрической, к наружному диаметру.

58. Задание. Проставить на главном виде и виде слева обозначение резьбы:

English     Русский Правила