Карагандинский технический университет имени Абылкаса Сагинова
Чтение сборочного чертежа изделий
Порядок чтения чертежа общего вида
Соединение
Деталирование чертежа общего вида
Последовательность выполнения деталирования
3.4 Требования к рабочим чертежам деталей
Цепной способ простановки размеров
Координатный способ простановки размеров
Комбинированный способ простановки размеров
Чертеж общего вида изделия «Блок направляющий»
1 Изучение основной надписи Обозначение - БН.002.000.000 СБ Наименование –Блок направляющий Стадия – учебный Масштаб – 1:2
Перечень деталей, входящих в изделие
Количество изображений
Рабочий чертеж детали сборочной единицы
Рабочий чертеж детали сборочной единицы
Рабочий чертеж детали «Ось»
Рабочий чертеж детали «Планка»
8.17M

Чтение и деталирование сборочного чертежа изделий

1. Карагандинский технический университет имени Абылкаса Сагинова

Дисциплина Инженерная графика
Лекция 7
«Чтение и деталирование сборочного чертежа изделий»
для бакалавров всех образовательных программ
ст. преп. Рахымбаева Г.Ж.
1

2.

План лекции
1. Назначение конструкторских документов
2. Чтение сборочного чертежа изделий
3. Условности и упрощения на сборочных чертежах
4. Элементы деталей
4 Разъемные и неразъемные соединения
5. Основные параметры резьбы.
5.Резьбовые соединения
6. Изображение и обозначение резьбы
7.Деталирование чертежа общего вида
8.Последовательность выполнения деталирования
9.Требования к рабочим чертежам деталей
10. Назначение баз
11. Нанесение размеров на рабочих чертежах деталей
2

3.

Назначение чертежа общего вида
Процесс создания конструкторской документации на выпускаемые изделия
состоит из двух основных частей: разработки проектных конструкторских
документов и разработки рабочих конструкторских документов.
Обязательными графическими документами являются: на стадии
создания проектной документации – чертеж общего вида; на стадии создания
рабочей документации – чертеж деталей и сборочный чертеж изделия.
Чертеж общего вида – это документ, определяющий конструкцию изделия,
взаимодействие его основных составных частей и поясняющий принцип работы
изделия.
Чертежи общих видов предназначены для обработки конструкции изделий, а
чертежи сборочные – для их сборки (изготовления) и контроля.
3

4.

Для изучения различных устройств и механизмов, необходимо уметь
выполнять и читать чертежи и схемы, грамотно излагать технические решения
при разработке любого изделия, устройства.
Это позволит успешно функционировать и развиваться любому современному
промышленному производству.
4

5.

Формирование
производства,
основывается
на
внедрении
новых
видов техники, позволяющей рационально организовывать технологический процесс.
диагностика состояния и
динамики
технологических
процессов
и
оборудования
проведение техникоэкономического
анализа предприятия
оказание
оперативных услуг
и
организация
технологических
процессов
Производство
анализ и оценка
альтернативных
вариантов
технологических
чертежей.
обеспечение и
контроль
эффективного
использования
оборудования, сырья
5

6. Чтение сборочного чертежа изделий

Прочесть сборочный чертеж (СБ) (чертеж общего вида (ВО)) – это значит
выяснить назначение изделия, устройство и принцип его работы, представить форму
и размеры изделия в целом и каждой детали в отдельности, разобраться во взаимном
расположении и их перемещении, способах соединения между собой и др.
6

7.

Ассоциограмма
Основная
надпись
Техническая
характеристи
ка
Порядок сборки и
разборки
Вид смазки
Чтение чертежа общего
вида
Виды соединений
Изображения
Спецификация
7

8. Порядок чтения чертежа общего вида

1. Изучить содержание основной надписи: название изделия, обозначение чертежа,
масштаб, массу изделия, стадию разработки и предприятие – изготовитель.
2. Изучить назначение и принцип работы изделия и каждой составной части.
3. Определить общее количество изображений, название и назначение каждого
изображения (виды, разрезы, сечения, выносные элементы).
4. Изучить спецификацию (сводную таблицу): определить общее количество изделий,
название каждой детали, выявить оригинальные, стандартные, покупные, типовые и
прочие изделия, по номеру позиции найти каждую деталь на всех изображениях,
определить форму, конструктивные особенности и материал изделия.
5. Установить характер соединения деталей между собой, сопрягаемые детали
поверхности.
6. Установить вид смазки сопрягаемых поверхностей, каналы подачи смазки.
7. Установить порядок разборки-сборки изделия, мысленно расчленив его на
сборочные единицы и отдельные детали, в том числе в составе этих сборочных единиц.
8

9.

Условности и упрощения на сборочных чертежах
При чтении ВО и сборочных чертежей (СБ) необходимо учитывать
упрощения и условности изображения деталей, предусмотренные ГОСТ 2.305-68*
и ГОСТ 2.109-73*.
Сварное, паянное, клееное и т.п. изделие из однородного материала в сборе с
другими изделиями в разрезе и сечении штрихуется как монолитное тело (с
одними параметрами штриховки); граница между деталями такого изделия
показывается сплошными основными линиями.
9

10.

Одинаковые
равномерно
расположенные элементы (отверстия,
болты и др.) допускается показывать не
все, а только 1-2 из них.
Допускается
на
показывать
конструктивные
элементы
(фаски,
скругления, проточки, углубления,
выступы, накатки, насечки, зазоры
между стержнем и отверстием),
надписи на табличках, шкалах, а также
детали (крышки, щиты, кожухи,
маховики
и
т.п.),
если
они
загораживают внутренние формы или
видимые части изделия.
10

11.

В продольном сечении болты, шайбы, винты, штифты, шпонки, оси, валы и
др. показывают неразрезанными.
Для группы крепежных деталей (болты, гайки, шайбы и др.) к одному и
тому же месту крепления допускается делать одну общую линию-выноску. Если
номера позиций деталей указаны повторно, то линия-выноска такой детали
делается с двойной полкой.
11

12.

Изделия, изготовленные из прозрачного материала,
изображаются как непрозрачные.
Изделия, расположенные за винтовой пружиной,
показанной лишь сечением витков, изображают до
зоны, условно закрываемой пружиной.
Индивидуальные сборочные чертежи в разрезах
изображают собранные детали в неразрезанном виде
(а).
На сборочном чертеже подвижные части
размещены в экстремальных условиях. Второе крайнее
или промежуточное положение таких подвижных
механизмов показано тонкими пунктирными линиями с
двумя точками (б)
12

13.

Элементы деталей
Особенностью чтения чертежа общего вида является наличие в нем
упрощений на некоторые элементы деталей.
Части детали, имеющие определённое назначение, являются элементами
детали. Различают конструктивные и технологические элементы деталей.
Под конструктивным элементом детали понимают местные изменения ее
формы или поверхности для придания ей дополнительных свойств при
изготовлении, сборке или эксплуатации.
Технологические элементы обеспечивают удобство изготовления детали и её
сборки с другими деталями или связаны с особенностями изготовления детали и её
элементов.
Формы деталей в целом и в отдельных элементах должны быть рациональны и
технологичны,
т.е.
должны
образовываться
сочетанием
элементарных
геометрических тел, требующих для изготовления и обработки их поверхности
минимальное количество простейших производственных операций.
.
13

14.

Конструктивные и технологические элементы многообразны. Форма и
материал каждого элемента детали определяются выполняемыми
функциями.
Они могут выполнять роль опор детали при обработке (центровые
отверстия), обеспечивать удобство сборки деталей (фаски, проточки),
создавать возможность свободного выхода инструмента, например, при
нарезании резьбы, зубьев зубчатого колеса.
Элементы деталей подразделяются на простые и сложные. Форму
простого элемента образует отсек одной поверхности. Формы простых
элементов часто совпадают с формами основных геометрических тел.
Изображение сложного элемента образуется из нескольких простых
элементов.
Любая деталь может быть представлена как совокупность элементов,
сгруппированных определённым образом в одно целое.
14

15.

Примерами простых элементов могут служить цилиндр, конус, плоскость,
сфера, тор; сложных - центровые отверстия, шпоночные пазы , Т-образные пазы
15

16.

Отдельные элементы, которые наиболее часто встречаются в деталях,
полученных механической обработкой:
фаска — скошенная кромка цилиндрического стержня или плиты. Используется в
технологических, технических, а также в декоративных и эргономических целях.
лыска — плоский участок на поверхности цилиндра, выполненный обычно с двух
противоположных сторон для охвата гаечным ключом;
галтель — криволинейная поверхность плавного перехода от меньшего сечения
вала к большему, служит для уменьшения концентрации напряжений, упрочнения
конструкции;
торец — поперечная грань стержня, бруска;
отверстие — пустоты цилиндрической, конической или гранной формы в теле
детали. Отверстия бывают сквозные и глухие, гладкие и резьбовые, одинакового
сечения по всей длине или ступенчатые, с проточками;
шпоночный паз — углубление на валу, предназначенное для установки шпонки;
16

17.

17

18.

В различных отраслях производства большое распространение имеют
разъемные соединения деталей машин, осуществляемые при помощи резьбы
различных профилей (треугольного, трапециевидного, прямоугольного и др.).
Резьба - поверхность, образованная при винтовом движении плоского
контура по цилиндрической или конической поверхности.
Резьбу образуют на цилиндрическом или коническом стержне нарезанием
канавок с сечением определенного профиля или накаткой.
Резьбы обеспечивают прочность, а в некоторых случаях и герметичность
соединений.
Часть резьбы, образованную при одном повороте профиля вокруг оси,
называют витком.
По применению резьбы делятся на следующие группы: крепежные —
метрические, конические; трубные и ходовые — упорные и трапецеидальные.
18

19.

Элементы резьбы
В процессе изготовления резьбы могут иметь место следующие
технологические элементы:
Сбег резьбы — участок неполного профиля в зоне перехода резьбы в гладкую
часть детали.
Недовод резьбы — величина ненарезанной части поверхности детали между
концом сбега и опорной поверхностью детали.
Недорез резьбы — участок поверхности детали, включающий сбег резьбы и
недовод.
Фаска — поверхность, образованная скосом торцевой кромки материала.
Проточка — участок поверхности детали, предназначенный для устранения
недореза резьбы за счет уменьшения диаметра стержня для наружной резьбы и
увеличения диаметра отверстия для внутренней резьбы, обеспечивающий выход
резьбообразующего инструмента.
19

20.

Технологические элементы резьбы
20

21. Соединение

Разъемное - соединения, составные части
которых могут быть отсоединены друг от
друга без повреждений и деформаций
Неразъемное - соединения, составные части
которых могут быть отсоединены друг от
друга с повреждением поверхностей или
деформацией
Подвижное - соединения, составные части
которых при работе имеют возможность
перемещаться друг относительно друга.
Неподвижное - соединения, при котором
изделие находится без движения.

22.

Неразъемные соединения
Клепаное
Паяное
Сварное
сшивное
клеевое

23.

Разъемные соединения
Болтовое
Шпилечное
Штифтовое
Винтовое
Шлицевое

24.

Подвижные соединения
Предназначены для передачи усилия и движения.
Колесо зубчатое
Шпоночное
Шпонка
Шлицевое

25.

Изображение и обозначение наружной резьбы
На стержне – сплошными толстыми линиями по наружному диаметру и
сплошными
тонкими
линиями

по
внутреннему
диаметру
резьбы.
На изображениях, полученных проецированием на плоскость, параллельную оси
стержня, сплошную тонкую линию проводят на всю длину резьбы без сбега (включая
фаску), а на изображениях, полученных проецированием на плоскость,
перпендикулярную к оси стержня, проводят дугу, приблизительно равную ¾
окружности, разомкнутую в любом месте.
Резьбу обозначают в соответствии со стандартами на размеры и предельные
отклонения резьбы.
Обозначение всех типов резьбы, кроме конической и трубной цилиндрической,
относят к наружному диаметру.
25

26.

Изображение и обозначение внутренней резьбы
В отверстии – сплошными толстыми линиями по внутреннему диаметру и
сплошными тонкими линиями – по наружному диаметру резьбы
На разрезах и сечениях, параллельных оси отверстия, сплошную тонкую
линию проводят от фаски на всю длину резьбы без сбега, а на изображениях,
полученных проецированием на плоскость, перпендикулярную к оси отверстия,
проводят дугу, приблизительно равную ¾ окружности
26

27.

Изображение и обозначение трубной резьбы
Трубная цилиндрическая резьба обозначается символом G, измеряется в
дюймах. Например, G 1'' соответствует трубе, имеющей условный проход
(внутренний диаметр трубы), равный 25 мм, т. е. примерно 1". Наружный
же диаметр трубной резьбы 1" равен 33,25 мм, т. е. больше на две толщины стенки,
поэтому обозначение трубной (и конической) резьбы осуществляется с помощью
линии-выноски со стрелкой и полкой.
Коническая трубная резьба обозначается символом K, например K 1/2".
27

28. Деталирование чертежа общего вида

На основании чертежа общего вида разрабатывается рабочая документация:
чертежи отдельных деталей, сборочный чертеж, спецификация, монтажный и
габаритный чертежи.
Процесс выполнения рабочих чертежей деталей по результатам прочтения
сборочного чертежа называется деталированием.
28

29. Последовательность выполнения деталирования

1. Отметить в спецификации все оригинальные детали, так как стандартные,
нормализованные и покупные изделия из деталировки исключаются.
2. Найти деталь на всех изображениях, изучить ее внутреннюю и наружную форму,
конструктивные особенности и размеры.
3. Выбрать главный вид. Это может быть вид, разрез или соединение частей вида и
разреза. Положение детали на главном виде рабочего чертежа может не
соответствовать ее положению на сборочном чертеже.
4. Детали, представляющие собой тела вращения (валы, оси, пальцы, втулки и т.д.) на
главных видах располагаются горизонтально.
5. Определить необходимое (минимальное и исчерпывающее полное для
понимания предмета) количество изображений и их сущность.
6. Выбрать формат чертежа и масштаб изображения.
7. Вычертить деталь в соответствии с ГОСТ 2.109-73.
29

30. 3.4 Требования к рабочим чертежам деталей

1. Количество изображений определить по ГОСТ 2.305-68*
2. Формат определить по ГОСТ 2.301-68*
3. Масштаб изображения на чертежах выбрать по ГОСТ 2.302-68*
4. Основную надпись выполнить по ГОСТ 2.104-68*
5. Типы линий определить по ГОСТ 2.303-68*
6. Графическое изображение материалов определить по ГОСТ 2.306-68*
7. Проставить размеры по ГОСТ 2.307-68*
30

31.

Назначение баз
Конструктивный элемент детали, от которого ведется отсчет размеров детали,
называется базой. В зависимости от назначения различают следующие базы:
Конструкторские базы используются для определения положения элементов в
детали: а) детали в детали; б) детали в сборочной единице; в) сборочной единицы в
изделии.
Технологические базы определяют положение детали при обработке
Измерительная (главная) база – это база, от которой производится отсчет
размеров при изготовлении и контроле готового изделия.
Вспомогательные базы
помогают отсчитывать размеры второстепенных
элементов детали.
Сборочные базы – это базы, относительно которых ориентируют детали при
сборке изделия.
Выбор
размерных баз определяет способ нанесения размеров: цепной,
координатный, комбнированный
31

32. Цепной способ простановки размеров

Цепной способ заключается в последовательном нанесении размеров,
образующих как бы цепочку, определяющую последовательность обработки
отдельных частей деталей.
Размеры А1 ,А2, А3, А4, А5, А6 наносят по одной линии, цепочкой, один за
другим
32

33. Координатный способ простановки размеров

Координатный способ заключается в нанесении размеров от одной базы.
Размеры, назначаемые от одной базы, представляют собой координаты,
указывающие расстояние от одной базы до плоскостей, линий и точек детали.
Размеры Б1, Б2, Б3, Б4, Б5, Б6 наносят от одной и той же базовой поверхности
33

34. Комбинированный способ простановки размеров

Комбинированный способ заключается в сочетании цепного и координатного
способов, простановка размеров осуществляется цепным и координатным методом
одновременно.
Этот метод наиболее оптимален. Он позволяет изготовлять более точно те
элементы детали, которые этого требуют.
34

35.

Чтение сборочного чертежа изделия
«Блок направляющий»
35

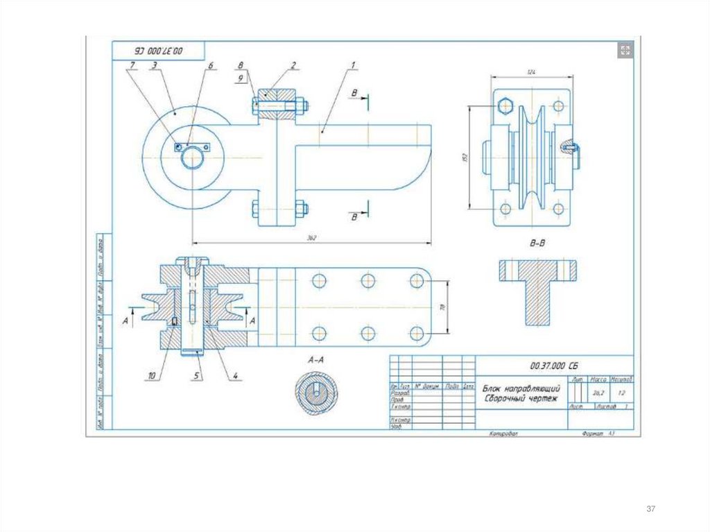
36. Чертеж общего вида изделия «Блок направляющий»

36

37.

37

38. 1 Изучение основной надписи Обозначение - БН.002.000.000 СБ Наименование –Блок направляющий Стадия – учебный Масштаб – 1:2

(уменьшенный)
Масса изделия – 16,200
Разработчик – КарТУ, кафедра, группа
38

39.

Назначение и принцип работы изделия
Направляющий блок применяется
в подъемных машинах. Назначение
блока - изменять направление
стального
каната
троса.
Трос направляется роликом
3, свободно вращающегося
на оси 5, которая неподвижно
закреплена в вилке 2 планкой 6,
входящей в паз оси 5 и укрепленной
к вилке 2 болтами 7. Внутри
блока 3 запрессована сменная
втулка 4, закрепленная от поворота
винтом 10. В отверстие с резьбой
оси 5 подводится густая смазка
для трущихся поверхностей
втулки 4 и оси 5
39

40.

40

41.

Перечень деталей, входящих в изделие
1- Кронштейн
2- Вилка
3 – Блок
4 - Планка
5- Ось
6,7 - Болты
8-Гайка
9- Втулка (Прессмасленка)
41

42. Перечень деталей, входящих в изделие

Направляющий блок применяется в подъемных машинах. Назначение блока изменять направление стального каната -троса
1-Ролик
2- Вилка
3-Кронштейн
4 - Планка
5- Ось
6,7-Винт
8-Гайка
9-Пресс- масленка
42

43. Количество изображений

Общее количество изображений– 6,
из них
Основные виды - 3:
Главный вид,
Вид сверху,
Вид слева,
Местный вид -1 А,
Сечение -2 Б-Б, В-В.
43

44.

Деталирование
44

45.

Сборочный чертеж сборочной единицы «Ролик»
45

46. Рабочий чертеж детали сборочной единицы

Ролик
46

47.

47

48. Рабочий чертеж детали сборочной единицы

Втулка
48

49. Рабочий чертеж детали «Ось»

Ось
49

50. Рабочий чертеж детали «Планка»

50

51.

Список литературы
1.Королев Ю.И. Инженерная графика: учебное пособие для студентов вузов,
обучающихся по направлениям подготовки и специальностям в области техники и
технологий/ Ю. И. Королев, С. Ю. Устюжанина; Научно - методический Советом
по начертательной геометрии, инженерной и компьютерной графике. – 2013
2. Б.И. Абильгазин, Поверникова С.Д. Основы машиностроительного черчения в
инженерной графике: Учебное пособие / Б.И. Абильгазин., С.Д. Поверникова;
Карагандинский государственный технический университет.- Караганда: Изд-во
КарГТУ,2017.-102с.
3. Рахымбаева Г. Ж., Абильгазин Б. И., Касылкасова А.О., Омирбекова А.О.;
Инженерня графика в примерах и заданиях. НАО «Карагандинский технический
университет имени Абылкаса Сагинова» - Караганда: Изд-во НАО «КарТУ имени
Абылкаса Сагинова», 2023. - 65 С.
4.Б.И. Абильгазин, С.Р. Сихимбаев, А.Н. Синчуков, С.М. Цой
Краткий
лекционный курс по Начертательной геометрии: учебное пособие.- Алматы:
Изд-во Эверо,2018.-92с. .
51
English     Русский Правила