Запрос на испытания
Цель испытания
Информация о испытании согласно нормативному документу: «Технические требования к кронштейнам элементов тормозной системы»
Описание модели
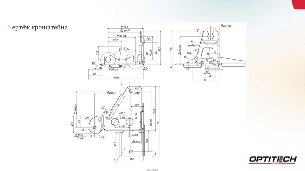
Чертёж кронштейна
1.44M
Категория: МеханикаМеханика

Запрос на испытания. RGM / GFE 83 / Тормозная система / Кронштейн модуля ABS. Проверка физической надёжности

1. Запрос на испытания

RGM / GFE 83 / Тормозная система / Кронштейн модуля ABS
Проверка физической надёжности
restricted

2. Цель испытания

RGM / GFE 83 / ТОРМОЗНАЯ СИСТЕМА / КРОНШТЕЙН МОДУЛЯ ABS
Цель испытания
Согласно нормативному документу, кронштейн должен требуемом положении электронный блок контроля устойчивости. Таким образом, необходимо провести физические
испытания для проверки надёжности кронштейна гидроагрегата в сборе в соответствии с документами заказчика:
Нормативный документ – требования к кронштейну компонента тормозной системы 31 - 03 - 050 / - - D, p. 6.2;
Методика испытаний – Испытание на вибрационную устойчивость подсистемы на вибростенде 37-01-005.
В архиве, вместе с настоящим запросом, прилагаются:
План валидации в формате Excel (Validation_plan_Bracket_assy_ABS_unit_8450180030.XLSX);
CAD-модель кронштейна в сборе (8450180030.CATPart).
restricted

3. Информация о испытании согласно нормативному документу: «Технические требования к кронштейнам элементов тормозной системы»

RGM / GFE 83 / ТОРМОЗНАЯ СИСТЕМА / КРОНШТЕЙН МОДУЛЯ ABS
Информация о испытании согласно нормативному документу:
«Технические требования к кронштейнам элементов тормозной системы»
Стендовые испытания:
При использовании вибростенда, прикладывается ускорение величиной 1g с частотой от 0 to 100 Hz с шагом 1 Hz вдоль трёх осей X, Y, Z с установленным блоком или
эквивалентной массой. Положение акселерометров указано на чертеже кронштейна (при возбуждении вдоль Х измерение происходит вдоль Х). Для проведения испытания
необходимо использовать не менее двух акселерометров. Точка контроля вибрации располагается на подставке или на жёсткой опоре вблизи точки крепления испытуемого
компонента.
Этот акселерометр используется для:
Контроля поведения испытуемой детали в ходе испытания,
Для описания характеристик вибрации испытательной опоры.
Представляет собой трёхосный акселерометр очень малой массы, который крепится на монтажной плите в области максимальной амплитуды перемещения при вибрации
на первой собственной частоте этой плиты.
Примечание:
В зависимости от специфики испытания может возникнуть необходимость в размещении нескольких контрольных акселерометров.
Датчик управления необходимо будет перемещать, особенно при определении характеристик вибрации опоры.
Критерии: отсутствие поломок и трещин на испытуемом кронштейне.
Оборудование, используемое при испытаниях:
Основной испытательный стенд (SRAP - Симулятор движения с ускорением панели вибростенда). Это вибростол с тремя степенями свободы (перемещение по XZ и
вращение вокруг Y), который воспроизводит вибрационные дорожные события.
Имитатор подвески двигателя (SISMO). Представляет собой вибростол с 6 степенями свободы (перемещение и вращение по XYZ). Для этого типа стенда
применяется процедура испытаний, описанная в P.E. 31-07-502.
Примечание: Переход от методов SRAP или SISMO на более доступный стенд с электродинамическим возбуждением согласовывается дополнительно.
restricted

4. Описание модели

RGM / GFE 83 / ТОРМОЗНАЯ СИСТЕМА / КРОНШТЕЙН МОДУЛЯ ABS
Описание модели
Точки крепления
кронштейна
restricted

5. Чертёж кронштейна

restricted
English     Русский Правила