Федеральное агентство железнодорожного транспорта Приволжский государственный университет путей сообщения
Цель и задачи дипломного проекта
Система микропроцессорной горочной автоматической централизации ГАЦ МН
Блок БИЗПД
КЗП-ИЗД
Заключение
Спасибо за внимание!
1.52M
Похожие презентации:

Разработка системы контроля заполнения путей подгорочного парка для горки станции «К»»

1. Федеральное агентство железнодорожного транспорта Приволжский государственный университет путей сообщения

Дипломный проект
на тему: «Разработка системы контроля
заполнения путей подгорочного парка
для горки станции «К»»
Выполнила: Сальникова Кристина Олеговна
Руководитель: д.т.н. профессор Тарасов
Евгений Михайлович

2. Цель и задачи дипломного проекта

Цель
проекта

разработка
системы
контроля
заполнения путей для сортировочной горки станции ‹‹К››.
Задачи проекта:
технико-эксплуатационную
-Проанализировать
характеристику работы станции;
Цель и
и задачи
задачи
Цель
дипломного
проекта
проекта
-разработать
алгоритм
работы
системы
контроля
заполнения путей;
-разработать оборудование системой контроля заполнения
путей подгорочного парка станции «К».
2

3.

Схема плана и
профиля
сортировочной
горки «К»
3

4.

Система КСАУ СП
4

5. Система микропроцессорной горочной автоматической централизации ГАЦ МН

Система
микропроцессорно
й горочной
автоматической
централизации
ГАЦ МН
Структурная схема ГАЦ МН
Шлюзовой шкаф
5

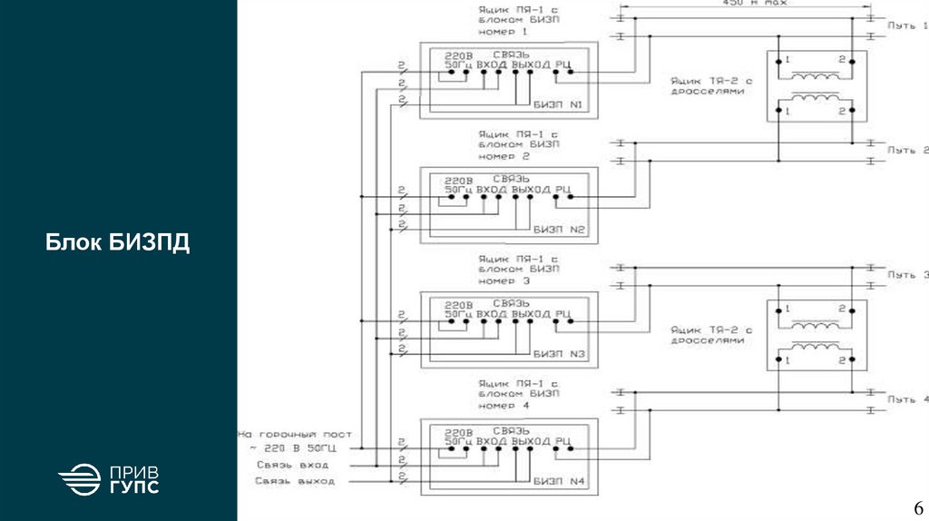
6. Блок БИЗПД

6

7. КЗП-ИЗД

Поле
Вых
Вх.
Связь БИЗП
№1
Вых
Вх.
Связь БИЗП
№5
Вх.
Вых
Связь БИЗП
№2
Вх.
Вых
Связь БИЗП
№6
Вх.
Вых
Связь БИЗП
№3
Вх.
Вых
Связь БИЗП
№7
КЗП-ИЗД
Вх.
Вых
Связь БИЗП
№9
Вых
Вх.
Связь БИЗП
№13
Вх.
Вых
Связь БИЗП
№10
Вх.
Вых
Связь БИЗП
№14
Вх.
Вых
Связь БИЗП
№11
Вх.
Вых
Связь БИЗП
№15
Связь
выход
Связь вход
Вх.
Вых
Связь БИЗП
№4
Связь
выход
Связь вход
Вх.
Вых
Связь БИЗП
№8
Связь
выход
Связь вход
Вх.
Вых
Связь БИЗП
Связь
№12
выход
Связь вход
Вх.
Вых
Связь БИЗП
№16
Пост ГАЦ
А
В УЗИП F1
С
D
А
В
С УЗИП F2
D
А
В УЗИП F3
С
D
А
В УЗИП F4
С
D
Ethernet
220 В 50 Гц
7

8. Заключение

В результате выполнения дипломного проекта :
- была проанализирована технико-эксплуатационная
характеристика работы станции;
- разработан алгоритм работы системы контроля
заполнения путей;
разработано
оборудование
системы
контроля
заполнения путей подгорочного парка станции «К».
Перерабатывающая способность горки увеличилась на
5%.После внедрения новой технологии было достигнуто
сокращение
времени
простоя
вагонов.
8

9. Спасибо за внимание!

English     Русский Правила