«Проведение диагностики и ремонт монитора BENQ FP91G X»
Внешний вид монитора BENQ FP91G X
Конденсатор ECAP (К50-35) 1000мкФ 16В±20%
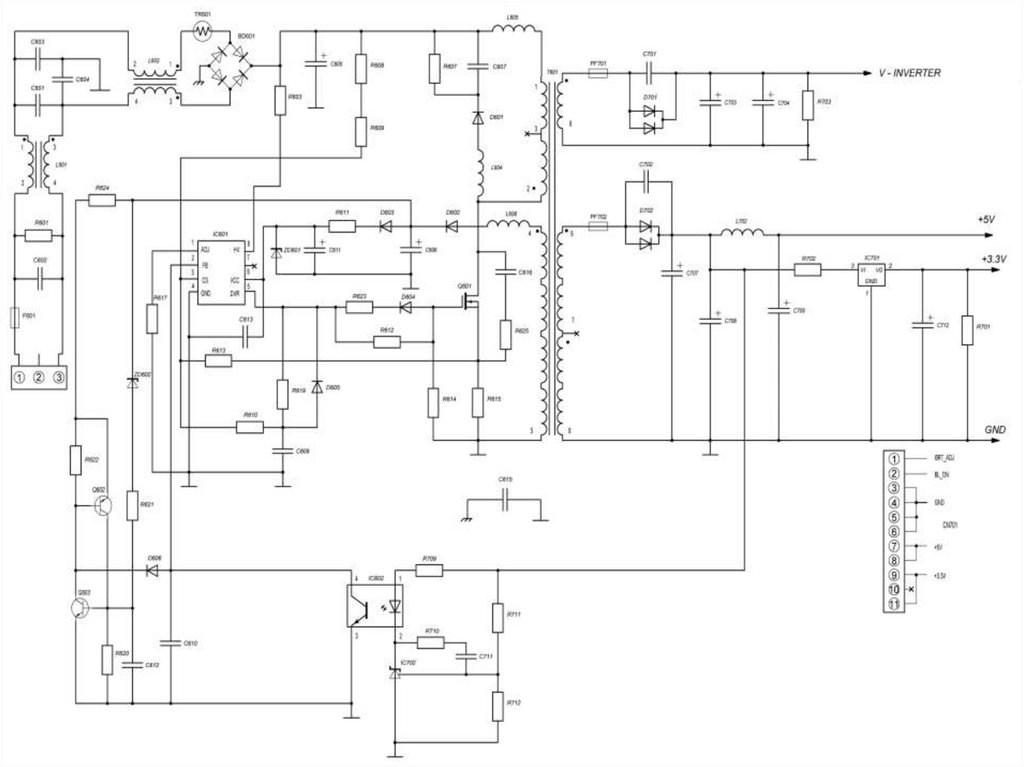
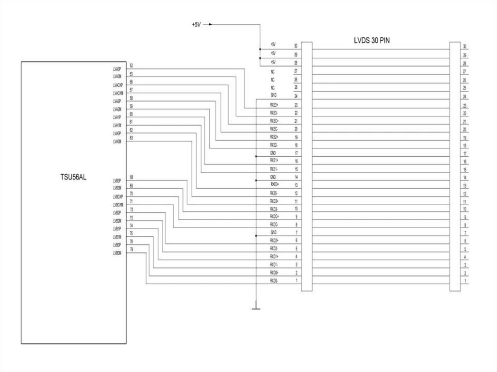
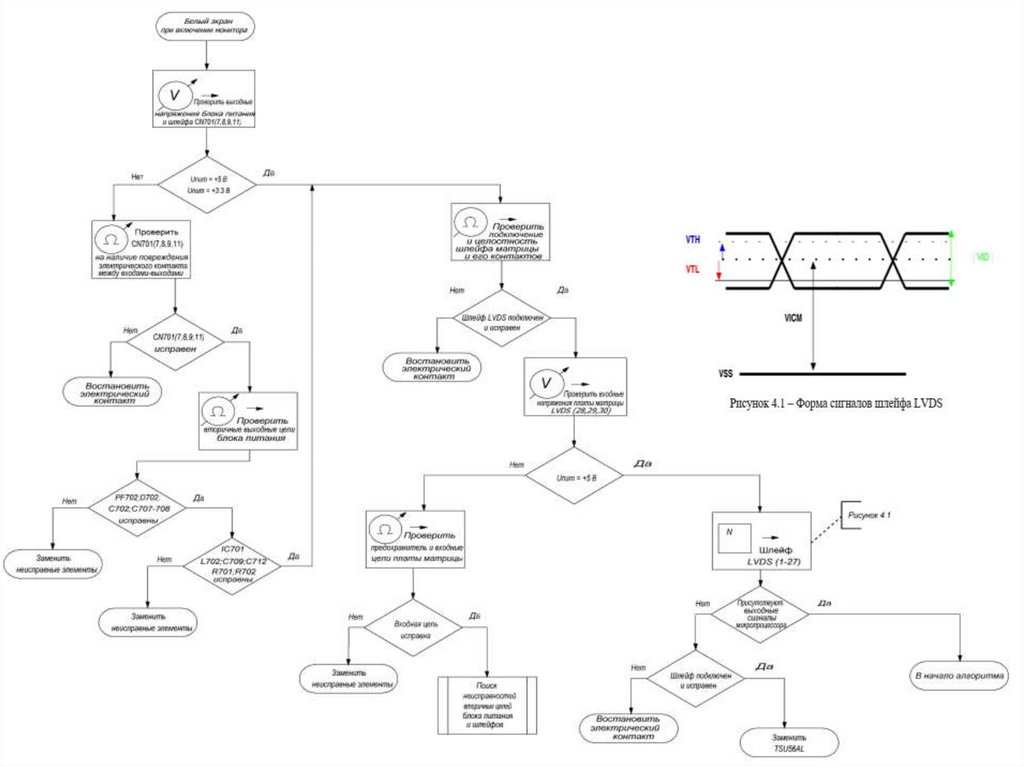
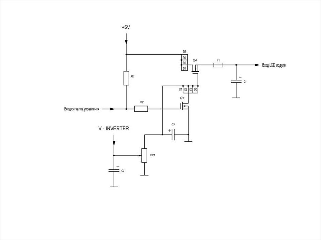
Процесс ремонта
Используемое при ремонте оборудование:
Используемая при ремонте оснастка
Используемые материалы
Экономический раздел
Доклад окончен Спасибо за внимание
7.96M
Категория: ЭлектроникаЭлектроника

Проведение диагностики и ремонт монитора BENQ FP91G X

1. «Проведение диагностики и ремонт монитора BENQ FP91G X»

Дипломная работа
Выполнил:
студент группы РТ-454
Абрамов И.А.
2020 год

2. Внешний вид монитора BENQ FP91G X

3.

Целью дипломной работы является:
проведение диагностики и ремонт монитора
BENQ FP91G X.
Для достижения данной цели необходимо выполнить
следующие задачи:
- Изучить справочную литературу к монитору BENQ
FP91G X
- Составить алгоритм поиска неисправности и
использовать его для нахождения неисправности
- Осуществить устранение выявленных неисправностей
- Выполнить расчёты для экономического обоснования
проекта

4.

5.

6.

7.

8.

9. Конденсатор ECAP (К50-35) 1000мкФ 16В±20%

10. Процесс ремонта

11. Используемое при ремонте оборудование:

Цифровой осциллограф
Hantek DSO5102P
Цифровой мультиметр
Richmeters 113D
Паяльная станция Lukey 702

12. Используемая при ремонте оснастка

Отвёртка Bernstein 4-633
Браслет антистатический
71П-79
Лупа ЛП-1-4х
Кисточка JAKEMY JM-Z08

13. Используемые материалы

Припой ПОС-61
Флюс ЛТИ-120
Изопропиловый спирт

14. Экономический раздел

Полная себестоимость ремонта монитора
составила 1582,35 руб.
Цена ремонта монитора с учётом налогообложения
составила 2532,25 руб.

15. Доклад окончен Спасибо за внимание

English     Русский Правила