Единая система конструкторской документации ЕСКД
Общие правила оформления чертежей
Основные чертежные форматы ГОСТ 2.301- 68 ЕСКД.
Масштабы ГОСТ 2.302- 68 ЕСКД.
Линии ГОСТ 2.303-68
4.76M

Единая система конструкторской документации ЕСКД

1.

1

2. Единая система конструкторской документации ЕСКД

*Единая система
конструкторской
документации
ЕСКД
2

3.

*ЕСКД - комплекс стандартов,
устанавливающих взаимосвязанные
нормы и правила по разработке,
оформлению и обращению
конструкторской документации, (при
проектировании, изготовлении,
эксплуатации, ремонте и др.).

4.

ЕСКД ГОСТ 2.304-81
Индекс категории стандарта
Номер комплекса стандартов
Номер группы стандартов
Порядковый номер стандарта в группе
Две последние цифры - год утверждения стандарта
4

5. Общие правила оформления чертежей

5

6.

ГОСТ 2.104-2006 ЕСКД. Основные надписи
и дополнительные графы
Их выбирают в зависимости от содержания
чертежа.
Форма 1- основная надпись для чертежей и схем,
первый лист – СГР1
Форма 2 - текстовые документы – СГР2
Форма 2а - последующие листы чертежей и схем
Основную надпись располагают в правом
нижнем углу конструкторских документов.
6

7.

Форма 1
СГР1. Проекционное черчение
СГР2(л.1). Разъёмные соединения
Н=7
Н=7(5) h=5(3.5)
дополнительная графа
7

8.

Графа 1 — Наименование изделия:
Указывается наименование детали, сборочной единицы или
комплекта.
Графа 2 — Обозначение документа:
Уникальный код, идентифицирующий чертеж или другой
документ.
Графа 3 — Материал:
Наименование и марка материала детали, а также номер
стандарта или технических условий, регламентирующих его
свойства.
Графа 4 — Литера:
Литера, присвоенная документу, отражающая его категорию
или стадию разработки.
Графа 5 — Масса изделия:
Физическая масса детали или сборки.
Графа 6 — Масштаб:
Соотношение размеров изображения8 на чертеже к размерам
реального объекта.

9.

Графа 7 — Порядковый номер листа:
На документах, состоящих из одного листа, графу не
заполняют.
Графа 8 — Общее количество листов документа:
Графу заполняют только на первом листе.
Графа 9 — Наименование или различительный индекс
предприятия, выпускающего документ:
Графу не заполняют если различительный индекс
содержится в обозначении документа.
Графа 10 — Характер работы, выполняемой лицом,
подписывающим документ:
Свободную строку заполняют по усмотрению разработчика,
например «Начальник отдела», «Начальник лаборатории»,
«Рассчитал».
Графа 11 — Фамилии лиц подписывающих документ;
Графа 12 — Подписи лиц подписывающих документ;
Графа 13 — Дата подписания документа.
9

10.

Форма 2
СГР2 (л.2). Спецификация
Форма 2а
10

11.

Основные надписи строительных чертежей
11

12.

ГОСТ 21.1101-2013. Система проектной
документации для строительства. (СПДС)
Форма 3 - для листов основных комплектов
рабочих чертежей и основных чертежей проектной
документации - СГР3, СГР7.
Масштабы на чертежах не указывают
Форма 4 - для чертежей строительных изделий и
конструкций (первый лист) – СГР4, СГР5, СГР6
12

13.

Форма 3
СГР3. Проекции с числовыми отметками
СГР7. Архитектурно-строительный чертёж
1 - Обозначение документа
2 – Наименование предприятия или района,
частью которого является сооружение
3 – Наименование сооружения
13

14.

Форма 4
ГР4. Конструкция деревянная
ГР5. Конструкция железобетонная
ГР6. Конструкция металлическая
14

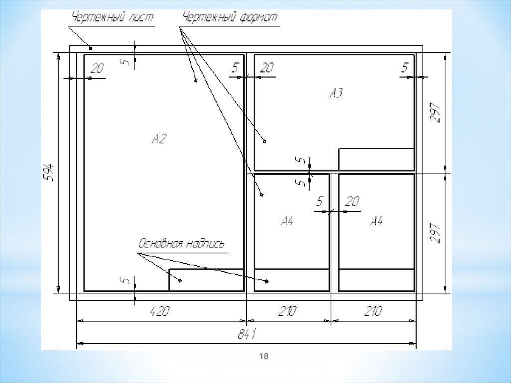
15. Основные чертежные форматы ГОСТ 2.301- 68 ЕСКД.

Основные чертежные форматы
ГОСТ 2.301- 68
А0 - 841 1189 мм;
А1 - 594 841 мм;
А2 - 420 594 мм;
А3 - 297 420 мм;
А4 - 210 297 мм – располагается только
вертикально
А5 - 149 × 210 мм.
15

16.

Форматы А0 – А3
Формат А4 имеет такое же оформление
16

17.

Оформление чертежных форматов
17

18.

18

19. Масштабы ГОСТ 2.302- 68 ЕСКД.

Масштабы
ГОСТ 2.302- 68
Масштабы уменьшения – 1:2; 1:2,5; 1:4; 1:5; 1:10; 1:15;
1:20; 1:50; 1:100; 1:200; 1:400; 1:500; 1:800; 1:1000
(При проектировании генеральных планов крупных
объектов допускается применять масштабы 1:2000;
1:5000; 1:10000; 1:20000; 1:25000; 1:50000).
Натуральная величина – 1:1
Масштабы увеличения – 2:1; 2,5:1; 4:1; 5:1; 10:1;
20:1; 40:1; 50:1; 100:1
19

20. Линии ГОСТ 2.303-68

Сплошная толстая основная линия –
линии видимого контура и контура сечения.
Толщина сплошной основной линии S
может колебаться в пределах 0,5 – 1,4 мм.
Толщина всех тонких линий, независимо от
их начертания S/2 – S/3.
20

21.

Основные назначения линий на чертежах
1) сплошная толстая основная - линии
видимого контура линии контура сечения
(на формате А3 - А4 S = 0.6 – 0.8) ;
2) сплошная тонкая - линии размерные и
выносные, линии-выноски, линии штриховки,
линии контура наложенного сечения;
3) тонкая осевая–
линии осевые и центровые
21

22.

4) штриховая – линии
невидимого контура
5) сплошная волнистая – линии
разграничения вида и разреза,
линии разрыва, обрыва
6) сплошная тонкая с изломами
– линии длинного обрыва
7) разомкнутая (утолщённая) от S
до 1,5*S – линии сечений
22

23.

Применение различных типов линий на чертеже
23

24.

ГОСТ 2.304-81
Шрифт
Стандарт устанавливает следующие
величины шрифта:
1.8; 2,5; 3,5; 5; 7; 10; 14; 20; 28; 40 –
это высота прописных букв и цифр (Н).
Высота строчных букв (h)
определяется размером предыдущего
шрифта.
Пример: Н=7; h=5
24

25.

25

26.

Для графического условного обозначения материала
изделия в сечении выполняется штриховка, тип которой
устанавливает ГОСТ 2.306-68 ЕСКД
26

27.

Планирование площади листа. Определив число изображений, выбирают масштаб
изображений и формат. Затем размечают поле чертежа: проводят осевые и центровые
линии и наносят тонкими линиями ориентировочные контуры будущих изображений.
Их располагают так, чтобы оставить необходимое место для нанесения размеров,
текстовых надписей и т. п. Поле чертежа нужно использовать рационально.

28.

3
2
Тонкое ребро –
не режется
1
1-горизонтальный
2-фронтальный
3-профильный
Вид спереди
28

29.

Фронтальный
Горизонтальный
29

30.

Соединение половины вида Соединение части вида
и половины разреза
и части разреза
фронтальный
30
фронтальный

31.

Соединение половины вида и половины разреза
Относительно оси
симметрии режется
правая или нижняя
половины
31

32.

Соединение вида и разреза.
Фронтальный разрез
32

33.

МЕСТНЫЙ РАЗРЕЗ
Служит для выяснения устройства предмета лишь в
отдельном, ограниченном месте
Вал не имеющий сквозного
центрального отверстия вдоль
не режется. Достаточно
выполнить только местные
разрезы.
33

34.

Наклонный разрез – секущая плоскость не
параллельна плоскостям проекций. Наклонный
разрез всегда обозначается.
34

35.

Нанесение размеров
Минимальное расстояние
от контура детали до первой
размерной линии 10 мм.
Минимальное расстояние
между последующими
размерными линиями 7-10 мм.
Выносные линии должны
выступать за концы стрелок
размерной линии на 1…5 мм.
Высота цифр числового
значения размера 3,5; 5 мм
35

36.

36

37.

37

38.

Сложный ступенчатый разрез
фронтальный
38

39.

Ломаный разрез
Ломаный - это разрез, полученный при сечении предмета
не параллельными, а пересекающимися плоскостями.
Фронтальная плоскость
Вид спереди
Секущие плоскости пересекаются. Секущие плоскости условно
поворачивают вокруг линии пересечения до совмещения с плоскостью
параллельной одной из плоскостей проекций.
39

40.

Сложный ломаный – только ломаный
40

41.

Классификация разрезов
41
English     Русский Правила