Этапы синтеза конечных автоматов (КА)
В настоящее время процесс синтеза КА принято подразделять на следующие 7 этапов:
Структурный синтез С-автомата
216.50K
Категория: МатематикаМатематика

6в Этапы синтеза КА

1. Этапы синтеза конечных автоматов (КА)

2. В настоящее время процесс синтеза КА принято подразделять на следующие 7 этапов:

0. Этап блочного синтеза.
При синтезе достаточно сложного автомата его часто
разбивают на отдельные блоки
1. Предварительный этап.
Формируется (часто словесно) условия работы автомата:
- определяются условия его взаимодействия с другими
устройствами или какими-либо объектами,
- выявляются необходимые входные и выходные сигналы
автомата, их количество
- намечается общий закон появления выходных сигналов в
зависимости от воздействия на входы автомата.
(Начальные языки описания КА)

3.

2. Синтез абстрактного автомата
Происходит
выявление
законов
функционирования
автомата, т.е. определяются функции переходов и выходов.
Формальное описание автомата должно быть представлено
одним из стандартных способов (таблицы, граф, матрица).
(С. Клинни, В.М. Глушков, Б.А. Трахтенброт)
3. Минимизация числа внутренних состояний КА
Метод Ауфенкампа и Хона – полностью определённые КА.
Этапы 1-3 принято называть Этапами абстрактного синтеза

4.

4. Кодирование
Кодирование внутренних состояний, входных и выходных
сигналов.
5. Синтез структурного автомата
- Структурная схема КА – ЭП + КС
- Канонические уравнения (КУ)
- Функциональная схема КА (ФС)
Синтез автоматов без памяти – метод однотактового
эквивалента.
Этапы 4-5 принято называть Этапами структурного синтеза

5.

6. Моделирование
- Проведение электрических и других расчетов
- Составление принципиальной схемы устройства
(САПР)
- Компьютерное моделирование работы автомата.
7. Изготовление изделия
- Составление монтажных схем
- Реализация изделия (аппаратная или ПРОГРАММНАЯ)
- Оформление технической документации (ТЗ)
Этапы 6-7 принято называть Этапами технического синтеза
Этапы 1-5 принято называть Этапами логического синтеза

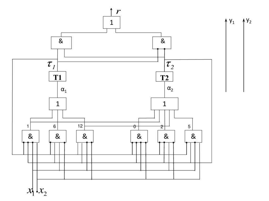
6. Структурный синтез С-автомата

Структурная схема автомата
r1
x1 x2
КС2
1
Т1
2
КС1
Т2
2
1
y1 y2

7.

r
y1
1
&
&
1
2
Т1
Т2
α2
α1
1
1
6
&
&
x1 x2
1
12
&
0
5
2
&
&
&
y2
English     Русский Правила