1.49M
Категория: МеханикаМеханика

Указание на чертежах допуска формы

1.

ГОСТ 2.308-79
М Е Ж Г О С У Д А Р С Т В Е Н Н Ы Й
С Т А Н Д А Р Т
ЕДИНАЯ СИСТЕМА КОНСТРУКТОРСКОЙ ДОКУМЕНТАЦИИ
УКАЗАНИЕ НА ЧЕРТЕЖАХ
ДОПУСКОВ ФОРМЫ
И РАСПОЛОЖЕНИЯ ПОВЕРХНОСТЕЙ
И здание официальное
Стдортннфосш
ХМ7
контроль строительства

2.

УДК 744.43:006.354
М
Е
Ж
Г
О
Группа Т52
С
У
Д
А
Р
С
Т
В
Е
Н
Н
Ы
Й
С Т А Н Д А Р Т
Единая система конструкторской документации
У К А ЗАН ИЕ НА ЧЕРТЕЖ А Х Д О П У С К О В Ф О Р М Ы
И РА СП ОЛОЖ ЕНИ Я П ОВЕРХНОСТЕЙ
Unified system lor design documentation.
Representation of limits o f forms and
surface lay-out on drawings
ГОСТ
2 .3 0 8 -7 9
Взамен
ГОСТ 2.308-68
МКС 01.080.30
Постановлением Государственного комитета СССР но станларгам от 4 января 1979 г. № 31 дата введения
установлена
01.01.80
Настоящий стандарт устанавливает правила указания допусков формы и расположения
поверхностей на чертежах изделий всех отраслей промышленности.
Термины и определения допусков формы и расположения поверхностей — по ГОСТ 24642—81.
Числовые значения допусков формы и расположения поверхностей — по ГОСТ 24643—81.
Стандарт полностью соответствует СТ СЭВ 368—76.
(И змененная редакция, И зм. .N® 1).
I. О Б Щ И Е Т Р Е Б О В А Н И Я
1.1.
Допуски формы и расположения поверхностей указывают на чертежах условными обо­
значениями.
Вид допуска формы и расположения поверхностей должен быть обозначен на чертеже знаками
(графическими символами), приведенными в таблице.
Издание официальное

Перепечатка воспрещена
Никите (август 2007г.) с Ишенением Л& /. утвержденным в августе I9S4 г. (НУС 12—84).
© Издательство стандартов. 1979
£> Стандартинформ. 2007

3.

ГОСТ 2.308-79 С. 2
Г р у п п а до п у ск» »
В иц д о п у с к а
Допуск формы
З н ак
Допуск иря мол и ценности

Допуск ПЛОСКОСТНОСТИ
СП
Допуск крутости
о
Допуск цилиндричности

Допуск профиля продольного сечения
Допуск параллельности
Допуск расположения
/
/
Допуск перпендикулярности
Допуск наклона
Допуск соосности
Допуск симметричности
Позииионный допуск
Допуск пересечения осей
Суммарные допуски формы и
расположения
Допуск радиального биения
Допуск торцового биения
Допуск биения в заданном направлении
Допуск полного радиального биения
■ф
-
X
/

Допуск полного торцового биения
Допуск формы заданного профиля
г \
Допуск формы заданной поверхности
Формы и размеры знаков приведены в приложении 1.
Примеры указания на чертежах допусков формы и расположения поверхностей приведены в
приложении 2.
П р и м е ч а н и с. Суммарные допуски формы и расположения поверхностей, для которых нс установ­
лены отдельные графические знаки, обозначают знаками составных допусков в следующей последовательнос­
ти: знак допуска расположения, знак допуска формы.
Например:
/ / /и
_1_
£ 7
^

— знак суммарного допуска параллельности и плоскостности;
— знак суммарного допуска перпендикулярности и плоскостности;
— знак суммарного допуска наклона и плоскостности.

4.

С. 3 ГОСТ 2.308-79
1.2. Допуск формы и расположения поверхностей допускается указывать текстом в техничес­
ких требованиях, как правило, в том случае, если отсутствует знак вида допуска.
1.3. При указании допуска формы и расположения поверхностей в технических требованиях
текст должен содержать:
вид допуска:
указание поверхности или другого элемента, для которого задается допуск (для этого исполь­
зуют буквенное обозначение или конструктивное наименование, определяющее поверхность);
числовое значение допуска в миллиметрах;
указание баз. относительно которых задается допуск (для допусков расположения и суммарных
допусков формы и расположения);
указание о зависимых допусках формы или расположения (в соответствующих случаях).
1.4. При необходимости нормирования допусков формы и расположения, не указанных на
чертеже числовыми значениями и не ограничиваемых другими указанными в чертеже допусками
формы и расположения, в технических требованиях чертежа должна быть приведена общая запись
о неуказанных допусках формы и расположения со ссылкой на ГОСТ 25069—8 Г или другие
документы, устанавливающие неуказанные допуски формы и расположения.
Например: I. Неуказанные допуски формы и расположения — по ГОСТ 25069—81.
2. Неуказанные допуски соосности и симметричности — по ГОСТ 25069—81.
(Введен дополнительно, Изм. № 1).
2. НАНЕСЕНИЕ ОБОЗНАЧЕНИЙ ДОПУСКОВ
2.1.
При условном обозначении данные о допусках формы и расположения поверхностей
указывают в прямоугольной рамке, разделенной на две и более части (черт. I, 2), в которых
помещают:
в первой — знак допуска по таблице;
во второй — числовое значение допуска в миллиметрах;
в третьей и последующих — буквенное обозначение базы (баз) или буквенное обозначение
поверхности, с которой связан допуск расположения (пп. 3.7; 3.9).
/ /
о ,Г
Черт. 2
Черт. 1
2.2. Рамки следует выполнять сплошными тонкими линиями. Высота цифр, букв и знаков,
вписываемых в рамки, должна быть равна размеру шрифта размерных чисел.
Графическое изображение рамки приведено в приложении 1.
2.3. Рамку (располагают горизонтально. В необходимых случаях допускается вертикальное
расположение рамки.
Не допускается пересекать рамку какими-либо линиями.
2.4. Рамку соединяют с элементом, к которому относится допуск, сплошной тонкой линией,
заканчивающейся стрелкой (черт. 3).
Ч
Черт. 3
Соединительная линия может быть прямой или ломаной, но направление отрезка соедини­
тельной линии, заканчивающегося стрелкой, должно соответствовать направлению измерения
отклонения. Соединительную линию отаодят от рамки, как показано на черт. 4.
* С 1 января 2004 г. введен в действие ГОСТ 30893.2—2002 (здесь и далее).

5.

ГО С Т 2 .3 0 8 - 7 9 С. 4
Черт. 4
В необходимых случаях допускается:
проводить соединительную линию от второй (последней) части рамки (черт. 5а);
заканчивать соединительную линию стрелкой и со стороны материала детали (черт. 56).
Черт. 5
2.5.
Если допуск относится к поверхности или ее профилю, то рамку соединяют с контурной
линией поверхности или ее продолжением, при этом соединительная линия не должна быть
продолжением размерной линии (черт. 6, 7).
Черт. 6
Черт. 7
2.6.
Если допуск относится к оси или плоскости симметрии, то соединительная линия должна
быть продолжением размерной линии (черт. 8а, 6). При недостатке места стрелку размерной линии
допускается совмещать со стрелкой соединительной линии (черт. 8й).

6.

С. 5 ГОСТ 2.308-79
Если размер элемента уже указан один раз, то на других размерных линиях данного элемента,
используемых для условного обозначения допуска формы и расположения, его не указывают.
Размерную линию без размера следует рассматривать как составную часть условного обозначения
допуска формы или расположения (черт. 9).
Черт. 10
2.7. Если допуск относится к боковым сторонам резьбы, то рамку соединяют с изображением
в соответствии с черт. 10а.
Если допуск относится к оси резьбы, то рамку соединяют с изображением в соответствии с
черт. 106.
2.8. Если допуск относится к обшей оси (плоскости симметрии) и из чертежа ясно, для каких
поверхностей данная ось (плоскость симметрии) является обшей, то рамку соединяют с осью
(плоскостью симметрии) (черт. Па. 6).
Черт. 11
2.9. Перед числовым значением допуска следует указывать:
символ 0 , если круговое ИЛИ цилиндрическое поле допуска указывают диаметром (черт. 12а);
символ /?, если круговое или цилиндрическое поле допуска указывают радиусом (черт. 126);
символ Г, если допуски симметричности, пересечения осей, формы заданного профиля и
заданной поверхности, а также позиционные допуски (для случая, когда поле позиционного допуска
ограничено двумя параллельными прямыми или плоскостями) указывают в диаметральном выра­
жении (черт. 12а);
символ 7/2 для тех же видов допусков, если их указывают в радиусном выражении (черт. 12г);
слово «сфера» и символы 0 или R. если поле допуска сферическое (черт. 126).
©\Ф0,2
а
© | R 0,11
б
I-5-I ТОЛ
б
1-5-1 г/га ;
г
|-ф-| ссрерд ФО,1
д
Черт. 12
2.10.
Числовое значение допуска формы и расположения поверхностей, указанное в рамке
(черт. 13а). относится ко всей длине поверхности. Если допуск относится к любому участку
поверхности заданной длины (или площади), то заданную длину (или площадь) указывают рядом
с допуском и отделяют от него наклонной линией (черт. 13 6. «), которая не должна касаться
рамки.

7.

ГОСТ 2.308-79 С. 6
Если необходимо назначить допуск на всей длине поверхности и на заданной длине, то допуск
на заданной длине указывают под допуском на всей длине (черт. 13,?).
1-1 0.11
\-\0.1/Ю 0\
а

CJ 0,1/200* 100
0,06
/ / 0,01/100
Черт. 13
(Измененная редакция. Изм. № 1).
2.11.
Если допуск должен относиться к участку, расположенному в определенном месте
элемента, то этот участок обозначают штрихпункл ирной линией и ограничивают размерами
согласно черт. 14.
Чо7 \
С
Черт. 14
2.12.
Если необходимо задать выступающее пале допуска расположения, то после числового
значения допуска указывают символ ® .
Контур выступающей части нормируемого элемента ограничивают тонкой сплошной линией,
а длину и расположение выступающего поля допуска — размерами (черт. 15).
1-ф 90,1 @ |
V/,
-А -
■ф- 90,1 @
-i-
% са
©
Черт. 15
2.13.
Надписи, дополняющие данные, приведенные в рамке допуска, следует наносить над
рамкой, под ней или как показано на черт. 16.
В о гн ут ост ь
CD 0 ,0 2 \не допускается
V /7 ////
Черт. 16
(Измененная редакция, Изм. № I).
2.14.
Если для одного элемента необходимо задать два разных вида допуска, то допускается
рамки объединять и располагать их согласно черт. 17 (верхнее обозначение).
Если для поверхности требуется указать одновременно условное обозначение допуска формы
или расположения и ее буквенное обозначение, используемое для нормирования другого допуска,
то рамки с обоими условными обозначениями допускается располагать рядом на соединительной
линии (черт. 17, нижнее обозначение).

8.

С. 7 ГОСТ 2.308-79
2.15.
Повторяющиеся одинаковые или разные виды допусков, обозначаемые одним и тем же
знаком, имеющие одинаковые числовые значения и относящиеся к одним и тем же базам,
допускается указывать один раз в рамке, от которой отходит одна соединительная линия, развет­
вляемая затем ко всем нормируемым элементам (черт. 18).
2.16.
Допуски формы и расположения симметрично расположенных элементов на симмет­
ричных деталях указывают один раз.
3. ОБОЗНАЧЕНИЕ БАЗ
3.1. Базы обозначают зачерненным треугольником, который соединяют при помощи соеди­
нительной линии с рамкой. При выполнении чертежей с помощью выводных устройств ЭВМ
допускается треугольник, обозначающий базу, не зачернять.
Треугольник, обозначающий базу, должен быть равносторонним, высотой, приблизительно
равной размеру шрифта размерных чисел.
3.2. Если базой является поверхность или ее профиль, то основание треугольника располагают
на контурной линии поверхности (черт. 19а) или на ее продолжении (черт. 19<Т). При этом
соединительная линия не должна быть продолжением размерной линии.
Черт. 19
3.3.
Если базой является ось или плоскость симметрии, то треугольник располагают на конце
размерной линии (черт. 18).
В случае недостатка места стрелку размерной линии допускается заменять треугольником,
обозначающим базу (черт. 20).
Черт. 20

9.

ГОСТ 2.308-79 С. 8
Если базой является общая ось (черт. 21 а) или плоскость симметрии (черт. 216) и из чертежа
ясно, для каких поверхностей ось (плоскость симметрии) является обшей, то треугольник распола­
гают на оси.
Чсрг. 21
(Измененная редакция, Игм. № 1).
3.4.
Если базой является ось центровых отверстий, то рядом с обозначением базовой оси
делают надпись «Ось центров* (черт. 22).
Допускается обозначать базовую ось центровых отверстий в соответствии с черт. 23.
ZO
Ось
ц ент р о в
Черт. 22
3.5.
Если базой является определенная часть элемента, то ее обозначают штрихпунктнрной
линией и ограничивают размерами в соответствии с черт. 24.
Если базой яапяется определенное место элемента, то оно должно быть определено размерами
согласно черт. 25.
3.6. Если нет необходимости выделять как базу ни одну из поверхностей, то треугольник
заменяют стрелкой (черт. 26).
3.7. Если соединение рамки с базой или другой поверхностью, к которой относится отклоне­
ние расположения, затруднительно, то поверхность обозначают прописной буквой, вписываемой в
третью часть рамки. Эту же букву вписывают в рамку, которую соединяют с обозначаемой
поверхностью линией, заканчивающейся треугольником, если обозначают базу (черт. 27а). или
стрелкой, если обозначаемая поверхность не является базой (черт. 216). При этом букву следует
располагать параллельно основной надписи.

10.

С . 9 ГОСТ 2 .3 0 8 - 7 9
//
Черт. 27
3.8. Если размер элемента уже указан один раз. то на других размерных
линиях данного элемента, используемых для условного обозначения
базы, его не указывают. Размерную линию без размера следует рассмат­
ривать как составную часть условного обозначения базы (черт. 28).
3.9. Если два или несколько элементов образуют объединенную базу
и их последовательность не имеет значения (например, они имеют общую
ось или плоскость симметрии), то каждый элемент обозначают самостоя­
тельно и все буквы вписывают подряд в третью часть рамки (черт. 25. 29).
3.10. Если необходимо задать допуск расположения относительно
комплекта баз, то буквенные обозначения баз указывают в самостоя­
тельных частях (третьей и далее) рамки. В этом случае базы записывают
в порядке убывания числа степеней свободы, лишаемых ими (черт. 30).
4. УКАЗАНИЯ Н О М И Н А Л Ь Н О Г О Р А С П О Л О Ж Е Н И Я
4.1. Линейные и угловые размеры, определяющие номинальное расположение и (или) номи­
нальную форму элементов, ограничиваемых допуском, при назначении позиционного допуска,
допуска наклона, допуска формы заданной поверхности или заданного профиля, указывают на
чертежах без предельных отклонений и заключают в прямоугольные рамки (черт. 31).
b-от в Ф
Черт. 31

11.

ГОСТ 2.308-79 С. 10
5.
ОБОЗНАЧЕНИЕ ЗАВИСИМЫХ ДОПУСКОВ
5.1. Зависимые допуски формы и расположения обозначают условным знаком (Я), который
помещают:
после числового значения допуска, если зависимый допуск связан с действительными разме­
рами рассматриваемого элемента (черт. 32а);
после буквенного обозначения базы (черт. 32£) или без буквенного обозначения в третьей
части рамки (черт. 32«>), если зависимый допуск связан с действительными размерами базового
элемента;
после числового значения допуска и буквенного обозначения базы (черт. 32#) или без
буквенного обозначения (черт. 32^). если зависимый допуск связан с действительными размерами
рассматриваемого и базового элементов.
(§)[ Фо.оч @ |Х
J 0,01* I А © I
\©\ФО,ОЧ($)\А (£)
6
в
± Щ № |® |
)
Т
Черт. 32
5.2.
независимым.
Если допуск расположения или формы не указан как зависимый, то его считают

12.

С . 11 ГО С Т 2 .3 0 8 -7 9
ПРИЛОЖ ЕНИЕ I
Обязательное
ФОРМА И РАЗМЕРЫ ЗНАКОВ

13.

ГОСТ 2.308-79 С. 12
ПРИЛОЖ ЕНИЕ 2
Справочное
ПРИМЕРЫ УКАЗАНИЯ НА ЧЕРТЕЖАХ ДОПУСКОВ ФОРМЫ
И РАСПОЛОЖЕНИЯ ПОВЕРХНОСТЕЙ
Вил д оп уска
У к а зан и я д о п у с к о в ф о р м ы и р ас п ол о ж ен и и
у сл ов н ы м о б о зн ач е н и ем
П о я сн ен и с
Допуск прямолинейности образую­
щей конуса 0.01 мм.
1. Допуск прямоли­
нейности
— Ф0,08@
Допуск прямолинейности оси от­
верстия 0 0.08 мм (допуск зависимый).
0,75
0,1/ЮО
Допуск прямолинейности поверх­
ности 0.25 мм на всей длине и 0.1 мм на
длине 100 мм.
-\0.05\
2. Допуск плоскост­
ности
-\о,1
Допуск прямолинейности поверх­
ности в поперечном направлении
0,05 мм. в продольном направлении
0.1 мм.
Допуск плоскостности поверхности
0,1 мм.
ПГ 0,1
I
1
г-1
С7\0,1/Ю0*Ю0
Допуск плоскостности поверхности
0.1 мм на плошали 100 х 100 мм.
c j \ 0,1
Допуск плоскостности поверхностей
относительно общей
прилегающей
плоскости 0.1 мм.
U J
I___ I

14.

С. 13 ГОСТ 2.308-79
Вил д оп уска
У к а зан и я д о п у с к о в ф о р м ы и р а с п о л о ж ен и я
у сл ов н ы м о б о зн ач е н и ем
П о ясн е н и е
Допуск плоскостности каждой по­
верхности 0.01 мм.
0
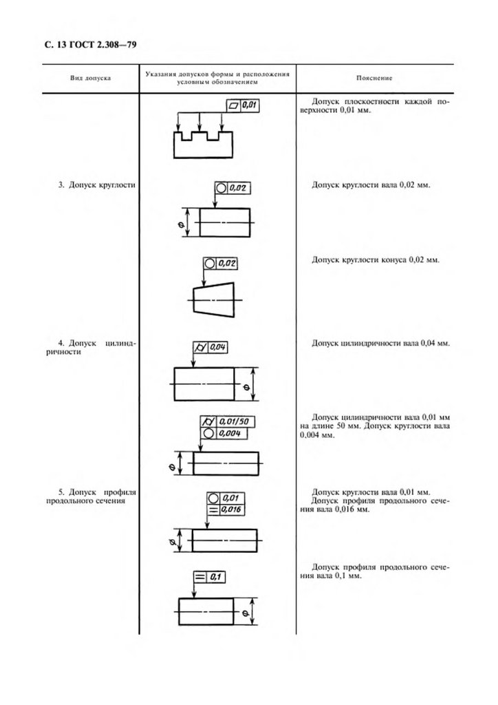
3. Допуск круглосги
0 ,0 2
I
Допуск круглосги вала 0,02 мм.
_________
Допуск круглосги конуса 0,02 мм.
4. Допуск
ричносги
цклинд-
& \о .о ч
/ У 0 ,0 1 /5 0 |
о 0,004 I
Допуск иилиндричности вала 0,04 мм.
Допуск цилиндричносги вала 0,01 мм
на длине 50 мм. Допуск круглосги вала
0.004 мм.
>
5. Допуск профиля
продольного сечения
о 0,01
0,016
Допуск круглосги вала 0.01 мм.
Допуск профиля продольного сече­
ния вала 0,016 мм.
Допуск профиля продольного сече­
ния вала 0,1 мм.

15.

ГОСТ 2.308-79 С. 14
Вил д оп уска
6. Допуск
лсльности
У к а зан и я д о п у с к о в ф о р м ы и р ас п о л о ж ен и я
у сл о в н ы м о б о ш а м с н и с м
о я сн сп и е
Допуск параллельности поверхности
относительно поверхности А 0,02 мм.
Допуск параллельности обшей при­
легающей плоскости поверхностей от­
носительно поверхности А 0.1 мм.
Допуск параллельности каждой по­
верхности относительно поверхности А
0.1 мм.
Допуск параллельности оси отверс­
тия относительно основания 0.05 мм.
Допуск параллельности осей отверс­
тий в обшей плоскости 0.1 мм.
Допуск перекоса осей отверстий
0.2 мм.
Бата — ось отверстия А.
Допуск параллельности оси отверс­
тия
относительно оси
отверстия
Л0О.2 мм.

16.

С. 15 ГОСТ 2.308-79
Вил д оп уска
7. Допуск
дмкулярности
У к а зан и я д о п ус кои ф о р м ы и р ас п о л о ж ен и я
у сл ан н ы м о б о зн ач е н и ем
П о я сн сн и е
Допуск перпендикулярности поверх­
ности относительно поверхности А
0,02 мм.
Допуск перпендикулярности оси от­
верстия относительно оси отверстия А
0.06 мм.
Допуск перпендикулярности оси вы­
ступа
относительно
поверхности
/100.02 мм.
Допуск перпендикулярности оси вы­
ступа относительно основания 0.1 мм.
Допуск перпендикулярности оси вы­
ступа в поперечном направлении 0,2 мм.
в продольном направлении 0.1 мм.
Бата — основание.
Допуск перпендикулярности оси от­
верстия
относительно поверхности
00,1 мм (допуск зависимый).

17.

ГОСТ 2.308-79 С. 16
Нил д оп уска
8. Допуск наклона
У к а зан и я допуском ф о р м ы и р ас п о л о ж ен и я
у сл ов н ы м о б о зн ач е н и ем
П ояснение
Допуск наклона поверхности отно­
сительно поверхности А 0.08 мм.
Допуск наклона оси отверстия отно­
сительно поверхности А 0,08 мм.
9. Допуск соосности
Допуск соосности отверстия относи­
тельно отверстия 00,08 мм.
Допуск соосности двух отверстий от­
носительно их обшей оси 00,0! мм (до­
пуск зависимый).
10. Допуск симмет­
ричности
Допуск симметричности паза Т
0.05 мм.
База — плоскость симметрии поверх­
ностей А.
Допуск симметричности отверстия Т
0.05 мм (допуск зависимый).
База — плоскость симметрии поверх­
ностей А.

18.

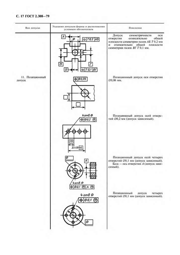
С . 17 ГО С Т 2 .3 0 8 -7 9
Вил д оп уска
У к а зан и я д о п у с к о в ф о р м и и р ас п о л о ж ен и я
у сл ов н ы м о б о ш а м с н и с м
о я сн сп и с
Допуск
симметричности
оси
отверстия
относительно
общей
плоскости симметрии пазов АГ> Т 0.2 мм
и относительно обшей плоскости
симметрии пазов ВГ ТО. I мм.
11. Позиционный
допуск
Позиционный допуск оси отверстия
00.06 мм.
ЧотВ.Ф
Щ ф 0.2 ©
- А
Позиционный допуск осей отверс­
тий 00,2 мм (допуск зависимый).
-
^нЬф<&
З а 15Ь 5
Позииионный допуск осей четырех
отверстий 0 0 .1 мм (допуск зависимый).
База — ось отверстия А (допуск зави­
симый).
Позииионный
допуск
четырех
отверстий 0 0 .1 мм (допуск зависимый).

19.

ГОСТ 2.308-79 С. 18
Вил д оп уска
У к а зан и я д о п у с к о в ф о р м ы и р ас п о л о ж ен и я
у сл ов н ы м о б о зн ач е н и ем
Г
П о я сн сн и е
Позиционный допуск трех резьбовых
отверстий 00,1 мм (допуск зависимый)
на участке, расположенном вне детали и
выступающем на 30 мм от поверхности.
\
Зо/п8М12-6Н
12. Допуск
чения осей
пересе­
Допуск пересечения осей отверстий
Т 0,06 мм.
13. Допуск радиаль­
ного биения
Допуск радиального биении вала от­
носительно оси конуса 0.01 мм.
Допуск радиального биения поверх­
ности относительно обшей оси повер­
хностей А и /> 0.1 мм.
Допуск радиального биения участка
поверхности относительно оси отверс­
тия А 0,2 мм.
Допуск рцдиатьного биения отверс­
тия 0.01 мм.
Первая база — поверхность А. Вторая
база — ось поверхности Б.
Допуск торцового биения относи­
тельно тех же баз 0.016 мм.

20.

С. 19 ГОСТ 2.308-79

21.

ГОСТ 2.308-79 С. 20
Вил д оп уска
У к а зан и я д о п у с к о в ф о р м ы и р ас п о л о ж ен и я
у сл о в н ы м о б о зн ач е н и ем
П о я сн сн и е
20. Суммарный до­
пуск параллельности и
плоскостности
Суммарный допуск параллельности
и плоскостности поверхности относи­
тельно основания 0.1 мм.
21. Суммарный до­
пуск
перпендикуляр­
ности и плоскостности
Суммарный допуск перпендикуляр­
ности и плоскостности поверхности от­
носительно основания 0.02 мм.
22. Суммарный до­
пуск наклона и плос­
костности
Суммарный допуск наклона и плос­
костности поверхности относительно
основания 0.05 мм.
Примечания:
1.
В приведенных примерах допуски соосности, симметричности, позиционные, пересечения осей,
формы заданною профили и заданной поверхности указаны в диаметральном выражении.
Допускается указывать их в радиусном выражении, например:
@1 R№ \
M r /2 M 2 S
В ранее выпушенной документации допуски соосности, симметричности, смешения осей от номиналь­
ною расположении (позиционного допуска), обозначенные, соответственно, знаками_|— ;
\ + или
текстом в технических требованиях, следует понимать как допуски в радиусном выражении.
2. Указание допусков формы и расположения поверхностей в текстовых документах или в технических
требованиях чертежа следует приводить по аналогии с текстом пояснений к условным обозначениям допусков
формы и расположения, приведенным в настоящем приложении.
При этом поверхности, к которым относятся допуски формы и расположения или которые приняты за
базу, следует обозначать буквами или приводить их конструкторские наименования.
Допускается вместо слов «допуск зависимый» указывать знак (Я) и вместо указаний перед числовым
значением символа 0 ; R: Т: Т /2 запись текстом, например: «позиционный допуск оси 0.1 мм в диаметральном
выражении» или «допуск симметричности 0,12 мм в радиусном выражении».
3. Во вновь разрабатываемой документации запись в технических требованиях о допусках овальности,
конусообразное!и. бочкообразности и седлообразности должна быть, например, следующей: «Допуск оваль­
ности поверхности А 0,2 мм (полуразность диаметров)».
В технической документации, разработанной до 1 января 1980 г., предельные значения овальности,
конусообразности. бочкообразности и седлообразности определяют как разность наибольшею и наименьшего
диаметров.
(Измененная редакция. Изм. № 1).
ГОСТ 2.308-79
English     Русский Правила