14.29M
Категория: ПромышленностьПромышленность

Лекции ССАТ 2025-9семестр Ходкевич

1.

Ходкевич Антон Геннадьевич
Станционные системы
автоматики и телемеханики
3-я часть
ОмГУПС 2025

2.

Лекция 1
Унифицированные релейные
централизации на примере БМРЦ
2

3.

В 1947-48 гг. была разработана маршрутно-релейная
централизация (МРЦ), автоматизирующая установку
маршрутов при нажатии кнопок начала и конца маршрута. При
этом в системе требовалось 46 реле на одну централизованную
стрелку.
В 50-е годы была создана маршрутно-релейная централизация
блочного типа (БМРЦ), в которой были типизированы
элементы схем в виде функциональных релейных блоков
(стрелки, светофора, пути и др.), что предопределило
увеличение расхода реле на одну централизованную стрелку
до 48.
3

4.

БМРЦ
БМРЦ – Блочная система маршрутно-релейной централизации
была разработана институтом ГТСС в 1960 году на основе
унифицированной электрической централизации.
В БМРЦ основная релейная аппаратура располагается в
отдельных типовых блоках, что позволяет:
- Сократить объём монтажных работ;
- Проверить и отрегулировать блоки на заводе;
- Сократить время проектирования.
БМРЦ рекомендована к применению на участковых и
промежуточных станциях с числом стрелок более 30 и
значительным объёмом поездной и маневровой работы.
4

5.

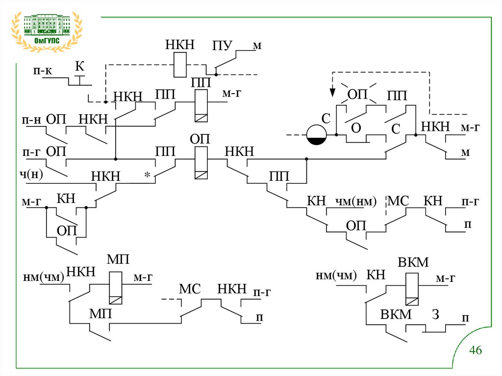
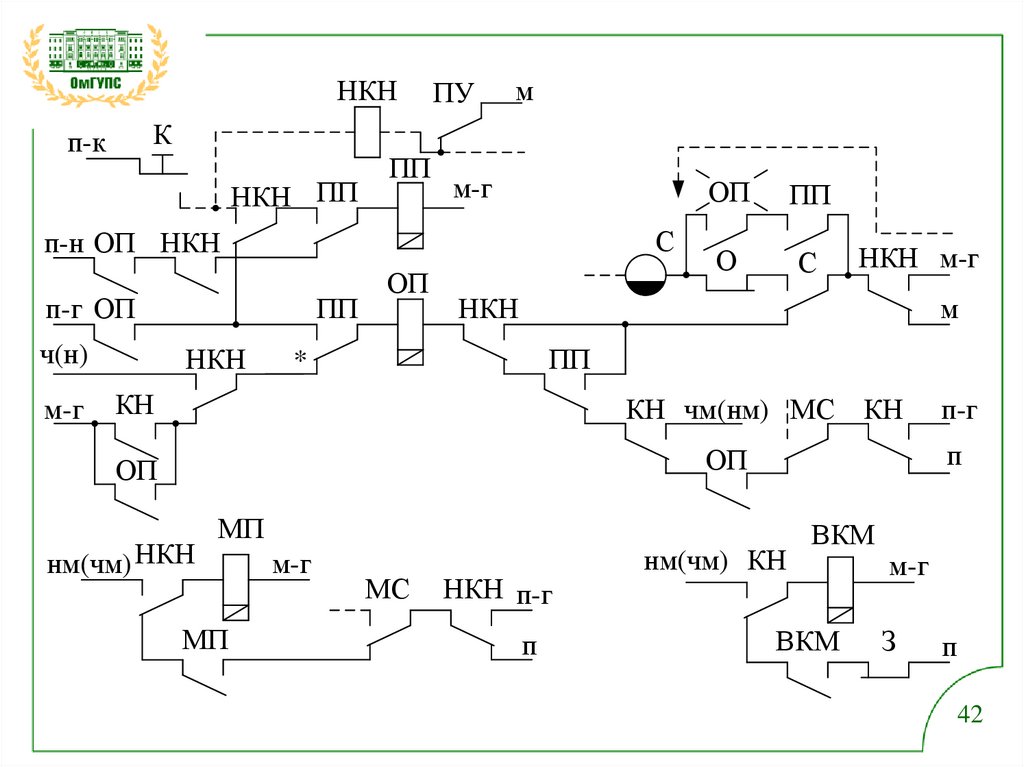
БМРЦ
Преобладающее число стрелок сети РЖД оборудованы
системой БМРЦ.
При разработке в 80-е годы унифицированной системы
(УЭЦМ) на реле нового поколения типа РЭЛ решались задачи
исключения в схемах ненадежных электролитических
конденсаторов, усиления замыкания стрелок, что
сопровождалось увеличением числа реле до 64 на стрелку.
Стандартизация блоков с использованием шлангового монтажа
была в основе разработки системы ЭЦИ, где на одну стрелку
приходилось 88 реле. Система ЭЦИ рекомендована для
применения на крупных станциях.
5

6.

БМРЦ
Функциональным аналогом ЭЦИ по основным схемным
решениям является система ЭЦ-12, рекомендованная МПС для
применения на станциях с числом стрелок до 20. На таких
станциях число реле на стрелку достигает показателя 128.
Расход реле на стрелку
140
120
100
80
60
40
20
0
128
88
24
36
48
64
6

7.

Статистика ЗСЖД
Всего станций 286, в том числе
142
МПЦ
РПЦ
Релейные ЭЦ
5,9%
2,4%
91,7%
БМРЦ
ЭЦ малых
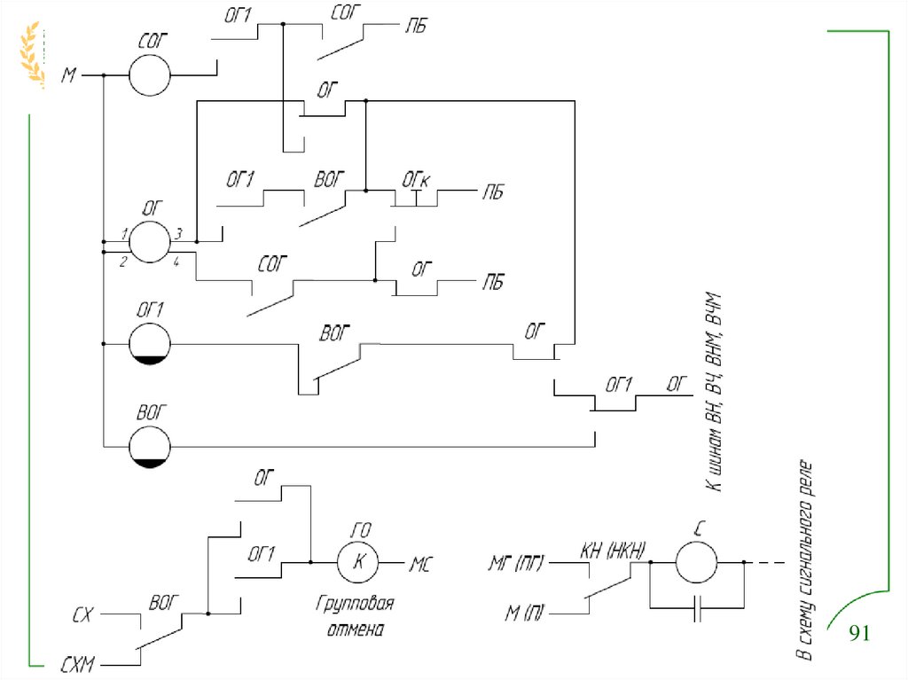
станций
4
ЭЦК
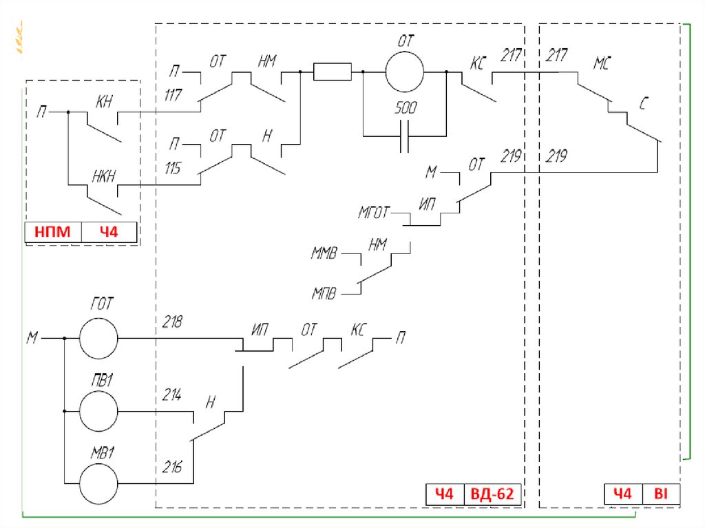
14
УЭЦ-М
ЭЦИ
РПЦ
1
5
ЭЦ-МПК
2
4
РПЦ Диалог
1
МПЦ-ЭЛ
2
8
МПЦ-И
6
МПЦ-2
97
Ebilock-950
160
140
120
100
80
60
40
20
0
50%
7

8.

БМРЦ
В качестве метода изучения системы выберем вариант
сопоставления шагов алгоритма
с работой принципиальных схем
Для примера возьмем путевое развитие
Ч4
14 1уп
НД
1пп
1
НП
Н
5
НДП
М3
М1
М9
3
М13
М7
1
7 М5
15
13
М11
Ч2 II П
Ч1
9



Ч3

11
Рассмотрим маневровый маршрут с 4П на участок НП
ДСП нажимает кнопки начала и конца маршрута.
8

9.

БМРЦ
Расставим кнопки на пульте
Кнопки нужны для всех светофоров, а также для приёмоотправочных путей если маршрут заканчивается на пути.
Элементарный маневровый маршрут строится до первого
попутного или за последний встречный.
Маневровая кнопка
Поездная кнопка
Ч4
НД
НП
Н
5
НДП
М3
М1
М9
3
М13
М7
1
7 М5
15
13
Ч1
9

М11
Ч2
Ч3
11
9

10.

В общем случае задачу дешифрации действий ДСП на аппарате
управления и воздействия в конечном итоге на
исполнительную группу решает
МАРШРУТНЫЙ НАБОР
Схема маршрутного набора содержит четыре функциональных
межблочных цепи:
1 – кнопочных реле НКН и КН;
2 – автоматических кнопочных реле АКН;
3 – управляющих стрелочных реле ПУ, МУ;
4 – схема соответствия СС.
Название выводов блоков имеет формат ХХ
Первая цифра – означает начало 1 и конец 2 ориентации блока
Вторая цифра – номер межблочной цепи.
10

11.

Структура взаимодействия реле маршрутного набора
Мi
Шины
i
Реле
направлений
(АКН) К
К (АКН)
НКН
(ВП)
Мk
КН
ПУ (МУ)
ВНМ
ВКМ
(ВП)
Перевод
стрелок
ПК (МК)
НМ
МС
КС
М
З
КМ
11

12.

Блочный план горловины
Ч4
НД
5
НДП
НП
Н
М9
3
М3
1
7 М5
Ч1
9
MIII
С
3 У
НДП
СП
3-5СП
ВД
Н
НП
MIII
MII
СП
С
MIII
СП
13
7 У 1-7СП
НСС
М5
НСС НМI
Ч1
НПМ
СП
ВД
С
СП
MII

С
П
IIП
15
НСО
Ч2
НПМ

У 11СП
11
М11
НМIIП НСС
С
Ч4
НПМ
ВД
ВII
15СП
13СП
М13
НСО НМI
ВД
ВII
П
М1
НПМ
5
MII
М9
П

М7
НМIIП НМIIАП
С
MI
СП С
9
1
9СП
М3
НПМ
УП
С
ВI
11
М11
УП
ВД
Ч3

ВД
НД
Ч2
М13
М7
М1
15
13
ВI
П

Ч3
НПМ
12

13.

Блочный план горловины
Блоки не показанные на БПГ:
1. НМIД – один на 6 блоков НМ1, содержит 6 кнопочных реле
повторителей кнопок управления.
2. НН – для фиксации типа и направления задаваемых
маршрутов (блок направлений).
3. БДШ-20 – для включения угловых кнопочных реле в блоках
НСС; содержит схемы диодной развязки.
13

14.

Лекция 2
Работа БМРЦ при задании маршрута
14

15.

БМРЦ последовательность работы
1. Нажатие начальной кнопки ДСП.
2. Включение начального кнопочного реле, УК.
3. Включение реле направлений.
4. Включение противоповторного реле.
5. Нажатие конечной кнопки ДСП.
6. Включение конечного кнопочного реле.
7. Включение вспомогательного конечного реле
8. Включение реле АКН.
9. Включение вспомогательных промежуточных реле.
10. Включение реле ПУ, МУ.
11. Выключение начальных и конечных кнопочных реле.
12. Перевод стрелок.
13. Замыкание схемы соответствия
14. Установка маршрута исполнительной группой
15

16.

БМРЦ последовательность работы
14. Установка маршрута исполнительной группой
14.1 Включение реле начального и конечного реле
исполнительной группы.
14.2 Включение нужных реле КС
14.3 Выключение нужных маршрутных реле
14.4 Выключение нужных замыкающих реле
15. Выключение вспомогательных конечных и
промежуточных реле и ПУ, МУ.
16. Включение сигнального реле (Открытие светофора)
17. Выключение противоповторных реле.
18. Фиксация движения поезда по маршруту (1М и2М)
19. Размыкание секций (реле З)
16

17.

Схема кнопочных реле БМРЦ
В БМРЦ фиксация нажатия маршрутных кнопок с помощью
кнопочных реле имеет три вида исполнения, соответствующих
блокам НМI, НМIIП (НМIIАП) и НПМ.
1. Схема кнопочных реле БМРЦ (блок НМI)
2. Для маршрутной кнопки одиночного маневрового
светофора (блок НМI) устанавливается два кнопочных
реле: начальное НКН и конечное КН.
3. При нажатии кнопки с проверкой наличия полюса П-К
встаёт под ток и самоблокируется реле К.
4. Контактами реле К в схему подключается существующая на
данный момент шина направлений: Т-НМ (Т-ЧМ) – если
кнопка нажималась впервые, НМ (ЧМ) – если кнопка
нажималась в качестве конечной.
17

18.

Схема кнопочных реле БМРЦ
5. В результате срабатывает и самоблокируется реле: НКН
(КН).
6. В законченном наборе реле НКН (КН) выключаются после
срабатывания реле ПУ (МУ), в незаконченном – путем снятия в
цепи самоблокировки полюса П-Н, для чего на аппарате
нажимается групповая кнопка отмены набора ОНК.
7. Повторное открытие светофора в окончательно замкнутом
маршруте предусматривается путем нажатия только начальной
кнопки. В этом случае реле ПУ, МУ не работают, сброс реле
НКН происходит после разрыва цепи тыловым контактом
сигнального реле МС (блок светофора М1).
18

19.

Схема кнопочных реле БМРЦ
8. Автоматическое включение кнопочных реле светофора,
являющегося промежуточным на трассе задаваемого маршрута,
осуществляется контактами реле АКН.
9. В случае использования блока НМI для вариантной кнопки.
Нажатие кнопки М1К в качестве вариантной ведёт к
срабатыванию реле НКН от полюса Т-НМ, переходу его на
цепь самоблокировки и тем самым фиксации первой части
варианта. Своим контактом реле НКН включает реле КН от
шины Н, Ч, ЧМ, подаваемой на верхний зажим блока,
отмеченный знаком*. Реле КН переходит на цепь
самоблокировки, подготавливая вторую часть варианта.
19

20.

Схема кнопочных реле БМРЦ
3
1
К
К
п
М1К
п-к
М1
м
п-н АКН
т-нм
п-н
нм
НКН
К
МС
МП
К
К
Ч1
Ч1ПК
п-н
*
*
КН
п-к
п-г НКН
НКН
НКН
п
НКН ОП п-н
М1 МI
п-н
АКН
м
НКН
1 НСО
ПУ
п-н КН
КН
ПУ
М1 НМI
ВК
НКН
М1 НМIД
МУ
Ч1МК
м
МУ
3 НСО
МС
КН
КН
п-г
п
КН
ОП КН
п-н
Ч1 НПМ
20

21.

Схема кнопочных реле БМРЦ
(блок НМIIП (НМIIАП))
В общем случае требуется затрата четырех кнопочных реле:
двух начальных и двух конечных.
Анализ их включения показывает, что цепь начального реле
одного светофора ориентирована в ту же сторону, что и цепь
конечного реле светофора противоположного направления.
Это обстоятельство позволило при разработке блоков НМIIП
(НМIIАП) применить в них по одному кнопочному реле,
каждое из которых используется как начальное в своем блоке и
заимствуется в качестве конечного для другого. Необходимая
развязка цепей осуществляется шинами направлений.
В
остальном режимы работы кнопочных реле остаются такими
же, как у одиночного маневрового светофора.
21

22.

Схема кнопочных реле БМРЦ (блок НПМ)
Схемный узел блока содержит однонаправленную цепь
включения поездного и маневрового кнопочных реле, каждое
из которых является общим в своей категории маршрутов по
светофору и за светофор (НКН и КН). (Наименования являются
неудачными, так как в них не отражается очередность нажатия
кнопок и род задаваемого маршрута.)
Работа блока обеспечивается одноконтактными кнопками, и
потребность в реле К отсутствует.
22

23.

Схема кнопочных реле БМРЦ (блок НМП)
1. При
нажатии
поездной
кнопки
включается
и
самоблокируется реле НКН. Цепь самоблокировки
содержит контакт общего противоповторного реле ОП
если кнопка использовалась как начальная, и контакт
вспомогательного конечного поездного реле ВК, если
кнопка нажималась как конечная.
2. При нажатии маневровой кнопки срабатывает и
самоблокируется
реле
КН.
Цепь самоблокировки
проходит через фронтовой контакт ОП в маршрутах по
светофору и через тыловой контакт ОП в маршрутах за
светофор. Режимы выключения кнопочных реле остаются
такими же, как и для блоков НМI, НМIIП и НМIIАП.
23

24.

Схема кнопочных реле БМРЦ
3
1
К
К
п
М1К
п-к
М1
м
п-н АКН
т-нм
п-н
нм
НКН
К
МС
МП
К
К
Ч1
Ч1ПК
п-н
*
*
КН
п-к
п-г НКН
НКН
НКН
п
НКН ОП п-н
М1 МI
п-н
АКН
м
НКН
1 НСО
ПУ
п-н КН
КН
ПУ
М1 НМI
ВК
НКН
М1 НМIД
МУ
Ч1МК
м
МУ
3 НСО
МС
КН
КН
п-г
п
КН
ОП КН
п-н
Ч1 НПМ
24

25.

Схема реле направлений БМРЦ
1. В унифицированных системах в соответствии с четырьмя
родами маршрутов предусматриваются четыре реле
направлений. С их помощью включается питание в шины
направлений, определяющих порядок работы фиксаторов
границ элементарных маршрутов (ПП, ВК, МП, ВКМ, ВП).
В БМРЦ схемный узел направлений оформлен в блоке НН
он содержит четыре основных и два вспомогательных реле:
П – поездного приема, О – поездного отправления,
ПМ – маневрового приема, ОМ – маневрового отправления,
ВПМ – вспомогательного к ПМ, ВОМ – вспомогательного к
ОМ.
Наименования реле являются неудачными, так как если в
одной горловине реле определяет прием, то в другой –
25
отправление

26.

Схема реле направлений БМРЦ
1
Н
М1
Н(Н,Н1,Н2)
Ч1

Ч2

НКН
НМ(М1,Н1,Н2)
НКН
п-б
п-б
НКН
КН
НКН
КН
*
*
ПМ
НКН
п-б
КН
НКН
КН
НКН
вчм
*
*
ОМ
вч
ВОМ
м
П*
Ч(Ч,Ч1,Ч2)
НКН
п-б
п
ВПМ
м
*
ВПМ
ВПМ
ОМ
О*
*
ВОМ
ВОМ
ПМ
п
п
О*

м
Шины
направлений
П
Ч
Н1
Н2
ЧМ(М2,Ч1,Ч2)
внм
вн
М2
2
П
ПМ
ПМ
ОМ
О
м
ОМ
О
Комбинация контактов
реле П, О, ПМ, ОМ
П
ОН
п
п-к
ВПМ
ВОМ
ПМ
О
ОМ
26

27.

Лекция 3
Работа БМРЦ при задании маршрута
27

28.

Схема реле направлений БМРЦ
Включение реле направлений осуществляется контактами
начальных кнопочных реле сигнальных блоков по шинам ВН,
ВЧ, ВНМ, ВЧМ в соответствии с родом задаваемых
маршрутов.
В поездных маршрутах получает питание реле П или О, в
маневровых – ВПМ или ВОМ, которые включают
соответственно реле ПМ или ОМ.
Для правильного функционирования полюса П-К, контакты
кнопочных реле блока НМI включаются по правилу: НКН – в
шину своего реле направления, КН – в шину противоположного
реле направления. Схема основных
реле
направлений
построена по принципу их взаимного исключения, так что при
активном состоянии множества кнопочных реле в процессе
выполнения маршрута под током будет находиться только
одно реле направления.
28

29.

Схема реле направлений БМРЦ
1. Сработав, реле направления своим контактом подключает
определённый полюс питания (шину) в маршрутном
наборе.
2. Шина должна сохраняться на период включения всех
противоповторных и вспомогательных реле по трассе
маршрута. Для обеспечения этого предусматривается
подпитка реле направления на время работы всех
кнопочных реле, участвующих в наборе. Контакты реле,
обеспечивающих подпитку, обозначены знаком *.
3. С выключением кнопочных реле – приходит в исходное
состояние и реле направления. Если при этом конечная
кнопка передерживается, то сохраняется цепь подпитки
через контакты, отмеченные знаком **
29

30.

Схема реле направлений БМРЦ
Всего в БМРЦ предусматривается 17 шин, образующих
условно три группы.
1. Полюса питания Т-Н, Т-Ч, Т-НМ, Т-ЧМ, использующие
тыловые контакты реле направлений.
2. Образуют девять шин, использующие фронтовые контакты
реле направлений, в том числе и в комбинациях.
3. Полюса питания ИН, ИЧ, ИНМ, ИЧМ, участвующие в
режиме вспомогательного управления.
При нажатии кнопки отмены маршрутного набора питание
снимается только в шинах второй группы.
30

31.

2-1
2-10
2-9
2-7
2-11
2-13
ВПМ
ВПМ
ВПМ
ВОМ
ВОМ
ВОМ
П
О
ПМ
ВПМ
ОМ
СМБ
2-3
2-5
ВОМ
О
ОМ
ПМ
П
П
П
О
ОМ
2-15
ПМ
Включение ламп
направлений
на табло
2-17
ПМ
СХ
ОМ
2-19
2-20 СХ
О
2-16
2-21
2-14
СМБ
ПМ
ОМ
П
О
1-16
Н,Ч
1-1
Н,Ч,НМ
1-3
Н,НМ
1-5
Н
1-7
НM
1-9
ЧM
О
1-11
Ч
ОM
1-13
Ч,ЧМ
1-15
Н,Ч,ЧМ
2-12
НН
2-18
СМБ
О
О
П
ПM
1-10 СМБ
П
1-2
Ф
О
Т
ПM
П
Т-Ч
2-2
Т-Н
2-4
Для начальных Т-ЧМ
кнопочных
Т-НМ
ОМ
ОM
ПМ
2-6
2-8
1-4
ВОМ
П
Для включения
противоповторных
ВПМ
ПМ
О
ОМ
П
31
1-19

32.

Схема реле направлений БМРЦ
Отдельную позицию занимает кнопочный полюс П-К, который
предназначен для исключения выполнения основного
маршрута при прокладке вариантного, набранного быстрым
нажатием кнопок. Полюс П-К подается в схемы включения
реле К и существует на момент нажатия поочередно двух
кнопок.
32

33.

К алгоритму задания маршрута
Ч4
НД
НП
Н
5
НДП
М3
М1
М9
3
М13
М7
1
7 М5
15
13
Ч1
9

М11
Ч2
Ч3
11
Рассмотрим маневровый маршрут с 4П на участок НП
ДСП нажимает маневровую кнопку 4П - Ч4К
Включается начальное кнопочное реле КН в блоке НПМ
светофора Ч4.
33

34.

К алгоритму задания маршрута
Ч4
НД
5
НДП
НП
Н
М9
3
М3
15
13
М13
М7
Ч1
9
7 М5
1
М1
Ч3

11
М11
Ч4
СПБГ
Ч2
КН 1-15
ВII
1-15
МС
КН
пк
ОП
КН
1-9
1-9
Ч4К
МУ
КН
2-8
Ч4
1-1
НПМ
СМБ
1-16
15
НСО
34

35.

Включение реле направлений в блоке НН.
Наш маршрут является четным маневровым
35

36.

Включение реле направлений в блоке НН.
36

37.

Включение реле направлений в блоке НН.
Формируется шина ЧМ, и сохраняется полюс ПК до нажатия
второй кнопки
37

38.

Включение углового кнопочного реле в блоке
Ч4
НСС съезда 1/3.
НД
5
НДП
М3
НП
Н
М9
3
15
13
М13
М7
1
М1
Ч2
7 М5
Ч1
9
Ч3

11
М11
ВД
ВI
П

ВД
НД
УП
MIII
С
3 У
НДП
СП
3-5СП
ВД
Н
НП
MIII
MII
СП
С
MIII
СП
13
7 У 1-7СП
НСС
М5
НСС НМI
Ч1
НПМ
СП
ВД
С
СП
MII

С
П
IIП
15
НСО
Ч2
НПМ

У 11СП
11
М11
НМIIП НСС
С
15СП
13СП
М13
НСО НМI
ВД
ВII
П
М1
НПМ
5
MII
М9
М7
НМIIП НМIIАП
С
MI
СП С
9
1
9СП
М3
НПМ
УП
С
Ч4
НПМ
ВД
ВII
ВI
П

Ч3
НПМ
38

39.

Включение углового кнопочного реле в блоке
НСС съезда 1/3.
пг
НКН
1-5
НМIIП
М9
пг
КН
1-5
НМП
Ч2
МУ
пг
НКН
1-5
1-15
ПУ
УК
пг
Ч4
КН
м
БДШ-20
пг
1/3
НСС
НМП
39

40.

Дальше по алгоритму –
включение противоповторного реле
В БМРЦ к фиксаторам границ элементарных маршрутов
относятся реле:
маневровое противоповторное МП,
поездное противоповторное ПП,
общее противоповторное ОП,
вспомогательное конечное маневровое ВКМ,
вспомогательное конечное поездное ВК,
вспомогательное промежуточное ВП.
Реле МП, ВКМ, ВП входят в схемный узел блока НМ1,
реле МП, ВКМ – блоков НМIIП, НМIIАП,
реле ПП, ОП, ВКМ, ВК – блока НПМ.
40

41.

Схемы фиксаторов границ элементарных
маршрутов БМРЦ
Их включение осуществляется по одному и тому же алгоритму:
должно быть под током соответствующее кнопочное реле и
образована соответствующая шина направления.
После обесточивания кнопочного реле они самоблокируются:
реле МП и ОП по цепи, содержащей тыловой контакт
сигнального реле;
реле ВКМ и ВК по цепи, содержащей фронтовой контакт
замыкающего реле последней секции маршрута,
реле ВП − замыкающего реле секции перед светофором.
Следовательно, реле МП, ОП выключаются после
срабатывания сигнального реле, а реле ВКМ, ВК, ВП после
замыкания маршрута.
41

42.

НКН
ПУ
м
К
п-к
НКН ПП
ПП
м-г
С
п-н ОП НКН
п-г ОП
ч(н)
м-г
ПП
НКН
ОП
ОП
ПП
О
С
НКН
м
ПП
*
КН
КН чм(нм) МС
ОП
ОП
нм(чм) НКН
МП
МС
НКН п-г
п
КН
п-г
п
МП
м-г
НКН м-г
нм(чм) КН
ВКМ
ВКМ
м-г
З
п
42

43.

Схемы фиксаторов границ элементарных
маршрутов БМРЦ
В блоке НПМ предусмотрено общее для поездных и
маневровых маршрутов противоповторное реле ОП с
введением в схемах поездных передвижений дополнительного
признака с помощью реле ПП.
Реализация отдельных схем для реле ПП и МП по образцу
одиночного маневрового светофора невозможна по следующим
соображениям.
В случае включения поездного сигнала на два разрешающих
огня и при перегорании одной из ламп, повторным длительным
нажатием начальной кнопки можно обеспечить неверную
сигнализацию одной разрешающей лампой.
43

44.

Реле НКН будет все время под током (реле ПУ, МУ не
работают), постоянно присутствовать шина направления, а
противоповторное реле непрерывно получать питание, не
переходя на цепь самоблокировки. Тогда, несмотря на
обесточенное огневое реле, сигнальная цепь будет находиться в
рабочем состоянии.
Схема с общим противоповторным реле ОП и поездным ПП
исключает неверную сигнализацию.
Посылка питания в сигнальную цепь требует активного
состояния обоих противоповторных реле. При длительном
нажатии кнопки реле ПП будет заблокировано через ее контакт,
а однажды выключенное сигнальным
реле общее
противоповторное не получит питания от шины направления,
так как этому будет мешать разомкнутый контакт ПП,
отмеченный знаком*. Следовательно, поступление питания в
сигнальную цепь не состоится.
44

45.

Лекция 4
Работа БМРЦ при задании маршрута
45

46.

НКН
ПУ
м
К
п-к
НКН ПП
ПП
м-г
С
п-н ОП НКН
п-г ОП
ч(н)
м-г
ПП
НКН
ОП
ОП
ПП
О
С
НКН
м
ПП
*
КН
КН чм(нм) МС
ОП
ОП
нм(чм) НКН
МП
МС
НКН п-г
п
КН
п-г
п
МП
м-г
НКН м-г
нм(чм) КН
ВКМ
ВКМ
м-г
З
п
46

47.

Включение противоповторных реле
Наш маршрут является четным маневровым по светофору Ч4
Значит в блоке НПМ светофора Ч4 нужно включить только
противоповторное реле ОП по шине ЧМ
47

48.

Включение конечного кнопочного реле
ДСП нажимает кнопку М1
В блоке НПМ включается конечное кнопочное реле КН и
вспомогательное конечное маневровое ВКМ от шины ЧМ
ЧМ
Н
ВКМ
мг
КН
ВКМ
КН
пк
ВД
ОП
З
СМБ
М1К
ПУ
КН
2-8
Н, М1 НПМ
п
СМБ
1-11
7
НСС
48

49.

Проключение трассы маршрута
Включение реле АКН промежуточных светофоров
Автоматические кнопочные реле АКН устанавливаются в
блоках промежуточных маневровых светофоров для
включения кнопочных реле этих светофоров.
При задании маршрута они получают питание со стороны
блока начального светофора через контакты
противоповторного и начального кнопочного реле, а со
стороны блока конечного светофора через контакты
вспомогательного конечного и конечного кнопочного по
второй межблочной цепи.
49

50.

Проключение трассы маршрута
Настройка схемы в углах съездов осуществляется с помощью
реле УК.
Сработав, реле АКН самоблокируется с проверкой
включённого состояния кнопочных реле промежуточного
блока.
50

51.

Схема АКН
51

52.

Схема АКН для нашего маршрута
ПУ
СМБ
п
АКН
СМБ
МУ
НКН
1-1
МП
СМБ
п
п
АКН п
АКН
АКН
КН
НКН
КН
ПУ
ПУ
1-1
НКН
КН
1-11
2-1
2-2
1-2
1-2 КН
R
ОП
2-1 МИ
АКН
13
НСО
М13
НМI
15
НСО
НПМ
Ч4
52

53.

Дальше по алгоритму – включение
вспомогательных промежуточных реле
Если мимо маневрового светофора проходит поездной или
маневровый маршрут встречного направления, то в блоке этого
светофора включается реле ВП (в блоке не работают реле МП и
ВКМ).
В цепи ВП проверяется включение кнопочных реле обоих
элементарных маршрутов.
Контактами реле ВП включаются цепи реле ПУ, МУ.
Контактами реле ВП, МП (ОП), ВКМ сложный маршрут
делится на ряд элементарных.
53

54.

Маршрут с 4П на НП
Ч4
НД
НП
Н
5
НДП
М3
М1
М9
3
М13
М7
1
7 М5
15
13
Ч1
9

М11
Ч2
Ч3
11
Наш маршрут делится на два элементарных: с 4П до М9 и от
М9 за М1.
54

55.

Маршрут с 4П на НП
В блоке НМI светофора М13, в блоке НМIIАП светофора М7
включаются реле ВП по шине ЧМ.
ЧМ
1-16
ВП
КН
ВП
СМБ
НКН
М13
НМI
55

56.

Маршрут с 4П на НП
В блоке НМIIАП светофора М7 включаются реле ВКМ по
шине ЧМ.
В блоке НМIIП светофора М9 включаются реле МП по шине
ЧМ.
ЧМ
ЧМ
2-16
2-14
ВКМ
СМБ
КН
М7
НМIIАП
МП
СМБ
КН
М9
НМIIП
56

57.

Маршрут с 4П на НП
В блоке НПМ светофора М1 включаются реле ВКМ по шине
ЧМ.
ЧМ
Н
ВКМ
мг
КН
ВКМ
КН
пк
ВД
ОП
З
СМБ
М1К
ПУ
КН
2-8
Н, М1 НПМ
п
СМБ
1-11
7
НСС
57

58.

Дальше по алгоритму –
включение реле ПУ, МУ
Реле ПУ, МУ устанавливаются в блоках НСО и НСС. Схема
включения строится в пределах одного элементарного
маршрута соединением блоков по третьей цепи.
Реле ПУ, МУ включаются после срабатывания реле ОП, МП,
ВКМ в маневровых маршрутах и ОП, ВК, ВП - в поездных.
Контактами реле ВП включаются цепи реле ПУ, МУ.
58

59.

Схема стрелочных управляющих реле БМРЦ
9
у
7
М5
5
11
М3
ПУ1
п МУ
ПУ1
М7
М9
УК
УК
м
ПУ2
МУ
ПУ1
НКН
п
МУ
МП
ПУ2
МУ1
МУ1
ВКМ
м
ВП
ПУ1
ВП
НМ1 М3
НМI М7
НСС 5/7
НСОх2 11
59

60.

Маршрут с 4П на НП
Стрелка 15 блок НСО – реле МУ
Стрелка 13 блок НСО – реле ПУ
МУ
1-17
П
ВКМ
2-17
2-13
М7 НМIIАП
13
ОП
2-1 МИ
1-3
15
2-3
R
ПУ
ПУ
МУ
1-3
НСО
НПМ
Ч4
НСО
60

61.

Маршрут с 4П на НП
Съезд 1/3 блок НСС – реле МУ.
МУ
УК
П 1-21 ВКМ
R
1-3
2-3
1-3
1-3
МП
1-21 МИ
М9 НМIIП
ПУ
1/3 НСС
Н, М1 НПМ
61

62.

Лекция 5
Работа БМРЦ при задании маршрута
62

63.

Дальше по алгоритму –
Схема соответствия
Схема соответствия завершает работу маршрутного набора,
запуская реле исполнительной группы.
Включение реле Н (НМ)
при задании маршрута
осуществляется
со
стороны
начала
контактом
противоповторного реле с проверкой отсутствия замыкания
первой секции за сигналом, со стороны конца – контактом
вспомогательного конечного реле.
Между этими контактами как раз и заключается схема
соответствия. (исключение срабатывания начального реле Н
(НМ) опережающим темпом по отношению к конечному реле
КМ.)
63

64.

Схема соответствия
9
7
М5
5
11
М3
М7
М9
ИНМ
НМ
п
м
М3
МУ
З
НКН
МI
М3 НМI
5-11 СП
ПК
ПУ2
МП
НМ
5/7 НСС
5
ПУ
ПК
МУ
МК
11 НСО
C
11
С
ВКМ
м
М7 НМI
КПН ВУ1
п ОНК
п
ВУ
ВУК
ВУ
ВУ
ВУ1
ВУ1
ИЗ
ОН
ИЧ
м
п
ИН
ОН
ИЧМ
м
пк
КПН
м
ИНМ
НН
64

65.

Схема соответствия
В схеме соответствия проверяется исполнение команд на
перевод стрелок, т.е. соответствие между замкнутым контактом
стрелочного управляющего реле и замкнутым контактом
адекватного стрелочного контрольного реле (ПУ – ПК, МУ –
МК).
В случае установки поездного маршрута реле Н включается
только в блоке открываемого сигнала.
В составном маневровом маршруте реле Н включаются во всех
блоках попутных маневровых светофоров контактами реле
МП.
65

66.

Маршрут с 4П на НП
Ч4
НД
НП
Н
5
НДП
М3
М1
М9
3
М13
М7
1
7 М5
15
13
Ч1
9

М11
Ч2
Ч3
11
Наш маршрут делится на два элементарных: с 4П до М9 и от
М9 за М1.
66

67.

Маршрут с 4П до М9
ИЧМ
2-18
1-19
ВЗ
МК
15
1-15
С
МУ
1-18 2-9
КН
ПП
ОП
1-9
СПБ
1-4
15 НСО
НПМ
Ч4
НМ
З
ВД-62
НМ СМБ
Ч4
67

68.

Маршрут от М9 за М1
1-4
ПУ
2-4
С
5
5/7 НСС
1-4 ВЗ
ПК
2-4
КН
2-21
2-19
3
2-15
2-21
2-17
2-19
Н
П
1-4 МП
НМIIП М9
3-5СП СП
Н
М
М9 МII
68

69.

Дальше по алгоритму –
Включение нужных реле КС
Схема КС является общей для поездных и маневровых
маршрутов, она строится по плану станции путем
последовательного соединения всех реле КС, входящих в
элементарный маршрут.
Реле КС устанавливается по одному в каждом блоке СП и УП
По два на каждый блок П
По одному на каждый блок MI, MII, MIII, ВД.
По одному на каждый подход к станции на стативах
свободного монтажа.
69

70.

Дальше по алгоритму –
Включение нужных реле КС
Нормально реле КС без тока и включаются при установке
маршрута через контакты противоповторного реле и встают на
самоблокировку.
В цепи КС проверяются:
Свободность секций СП и бесстрелочных участков УП
Положение стрелок по маршруту ПК, МК.
Отсутствие
лобовых
маршрутов
(ЧИ,
НИ)
на
приемоотправочный путь станци.
Отсутствие взреза стрелок, положение охранных стрелок,
свободность негабаритных участков, отсутствие местного
управления стрелками.
70

71.

Маршрут с 4П на НП
Ч4
НД
НП
Н
5
НДП
М3
М1
М9
3
М13
М7
1
7 М5
15
13
Ч1
9

М11
Ч2
Ч3
11
В нашем первом элементарном маршруте 3 блока содержащих
реле КС.
Во втором четыре реле КС.
71

72.

Маршрут с 4П до М9
Ч4
НД
5
НДП
НП
Н
М3
М1
М9
3
15
13
М13
М7
1
7 М5
Ч1
9
Ч3

11
М11
КС
Ч2
КС
Р
2-1
1-1 ВЗ
ПК
1-11
1-1
ОН
КС
П
НКН
ОТ
15СП
СП
15
С
ВД-62
1-11
С
2-7
Ч4
П
2-11
НПМ
2-7
ОП
Ч4
СПБ
ВI
72

73.

Маршрут от М9 за М1
Ч4
НД
5
НДП
НП
Н
М9
3
М3
М13
М7
1
М1
15
13
7 М5
Ч2
Ч1
9
Ч3

11
М11
КС
2-1
Н
КС
П 1-11
мп
1-11
П
ОТ
М9
МII
НМIIП
М9
73

74.

Лекция 6
Работа БМРЦ при задании маршрута
74

75.

Дальше по алгоритму –
Выключение нужных реле М,
и как следствие выключение замыкающих реле
В системе БМРЦ маршрутное реле участвует как в замыкании
маршрута, так и в последующем его размыкании.
Территориально маршрутные реле устанавливаются в блоках
СП и УП. Схемы этих блоков симметричны.
Схема маршрутных реле занимает 3, 4 и 5 цепи межблочных
соединений исполнительной группы.
75

76.

Ч4
НД
НП
Н
5
НДП
М3
М1
М9
3
М13
М7
1
7 М5
15
13
Ч1
9

М11
Ч2
Ч3
11
В нашем маршруте участвуют 4 стрелочные секции – 15СП,
13СП, 3-5СП, 1-7СП.
И один бесстрелочный участок - блок УП.
В каждом из этих блоков по два маршрутных реле.
Поскольку маршрут четный, то первым по ходу движения
будет реле 2М, вторым 1М.
76

77.

Выключение
Выключение
нужных
релереле
З М
Сложным является включение реле 1М и 2М, но это позже.
77

78.

Дальше по алгоритму –
Выключение вспомогательных конечных и
промежуточных реле и ПУ, МУ
Аналогично выключается ВКМ в светофоре М7.
78

79.

79

80.

Дальше по алгоритму –
Включение сигнального реле (Открытие
светофора)
1.
2.
3.
4.
5.
В цепи сигнального реле проверяется:
Включение реле КС.
Фактическое замыкание секций в маршруте.
Отсутствие искусственного размыкания.
Отсутствие лобовых маршрутов.
Дополнительно в поездных маршрутах – свободность пути
приема.
Подключение сигнальной цепи в начале маршрута происходит
контактом противоповторного реле.
В конце маневрового маршрута контактом конечного
маневрового (для поездного безусловно)
80

81.

Дальше по алгоритму –
Включение сигнального реле (Открытие
светофора)
Для исключения срабатывания поездного сигнального реле по
цепи маневрового маршрута при ложном включении КМ
предусмотрена защита полюсами питания:
Со стороны начала поездного маршрута подается полюс
минус.
Со стороны начала маневрового маршрута подается полюс
плюс.
81

82.

В нашем примере будут включены сигнальные
реле светофора Ч4 – МС и светофора М9.
82

83.

В нашем примере будут включены сигнальные
реле светофора Ч4 – МС и светофора М9.
Включение сигнальных реле разрывает цепь самоблокировки
противоповторных реле.
83

84.

Дальше по алгоритму –
Фиксация движения поезда по маршруту (1М и2М)
Размыкание секций (реле З)
Размыкание происходит посекционно по мере освобождения
секций.
84

85.

В каждом блоке СП и УП
На границе изолированных участков происходит транспозиция
3 и 4 цепи межблочных соединений для того чтобы
использовать одни и те же контакты при размыкании
маршрутов обоих направлений.
Размыкание происходит в два этапа


85

86.

Этапы размыкания
1. 1М Проверяется размыкание предыдущей и занятие
собственной секции (3 и 4 цепи межблочных соединений).
2. 2М Проверяется освобождение собственной и занятие
следующей секции (5 цепь).
86

87.

Пример для нашего маршрута
87

88.

Лекция 7
Отмена, разделка
и искусственное размыкание
88

89.

Отмена маршрута
Отмена неготового маршрута производится нажатием на
кнопку отмена набора «ОН»
89

90.

Отмена маршрута
Отмена готового, но не использованного маршрута
производится двумя действиями:
1. Нажимается групповая кнопка «Отмены маршрута» ОГк
После нажатия кнопки на выносном табло красным миганием
загорится групповая ячейка «ОТМЕНА», что подтверждает
начало процесса отмены.
2. Нажимается кнопка светофора приготовленного маршрута.
При этом срабатывает кнопочное реле и переключает цепь
сигнального реле с полюса плюс «П» на плюс групповой
«ПГ», который снимается первым действием и сигнальное
реле выключается. Если просто нажать кнопку открытого
светофора то срабатывание кнопочного не приведет к
перекрытию.
90

91.

Отмена маршрута
91

92.

Отмена маршрута
Выключение сигнального реле запускает схему включения
реле ОТ в блоке светофора с выдержкой времени в
зависимости от состояния участка приближения (реле ИП):
6 сек при свободном участке приближения;
1 мин для маневрового маршрута;
3-4 минуты для поездного маршрута.
Выдержка необходима для исключения перевода стрелок под
составом, в случае если поезд находящийся на участке
приближения не смог остановиться до сигнала и проехал
запрещающее показание.
92

93.

Отмена
маршрута
Такой блок
для каждой выдержки,
это пример для реле ГОТ, такой же
есть для ПВ1 и МВ1

1 мин
3-4 мин
93

94.

Отмена маршрута
94

95.

Реле разделки
Схема реле разделки включена по 6 цепи межблочных
соединений:
Совместно с реле ОТ для отмены неиспользованного
маршрута;
Совместно с реле РИ для искусственного размыкания
частично использованного маршрута.
Выделение части цепи Р производится контактами начальных
(Н, НМ) и конечных реле КМ.
95

96.

Реле разделки для нашего маршрута
Для отмены второй части маршрута ДСП делает те же
действия для светофора М9.
96

97.

Реле разделки
97

98.

Реле искусственного размыкания
Искусственная разделка применяется в двух случаях:
1. Неисправность напольных устройств – РЦ или потеря
контроля положения стрелки. Так после прохода состава
цепь маршрутных реле не даст создать – (ВЗ↓, П↓, СП↓).
2. Отказ схемы отмены маршрута.
На каждую секцию (блок СП, УП, П) устанавливается
опломбированая кнопка ИРк и реле РИ.
На станцию устанавливается одна общая кнопка ГИРк для
получения выдержки времени 3 мин (блок БСВШ)
включающий реле ИВ аналогично реле ОВ
98

99.

Алгоритм искусственного размыкания
1. ДСП нажимает кнопки ИРк всех секций, которые нужно
разомкнуть.
2. ДСП нажимает групповую кнопку ГИРк.
99

100.

Алгоритм искусственного размыкания
100

101.

Реле искусственного размыкания
СМБ
СПБ
1-4 2М
СП1
Р
СП
СМБ-Л
КС
Р
КС


СПБ

СМБ
КС
1-5 2М

ИРК
РИ
ПИВ
РИ СМБ
1-9
1М 2-5
СП1
КС
24

2М СПБ
СП1

КС
З
СМБ
Р
СПБ
СП1
СПБ-Р
1-6
СМБ
СП
РИ
Р
2-6
РИ
1-14
СПБ-ИВ
101

102.

Размыкание неиспользованных частей
маневровых маршрутов при угловых заездах
В блоках маневровых светофоров реле ОТ используется не
только для отмены маршрута, но и для автоматического
размыкания неиспользованной части маршрута при угловых
заездах.
Рассмотрим пример: угловой заезд с 1П на 3П короткой
подвижной единицей.
102

103.

Принцип автоматического размыкания
При начале обратного движения включится реле ОТ в блоке
светофора М16:
1. Поезд одновременно находится на 10СП и 12СП и открыт
сигнал М16
103

104.

Принцип автоматического размыкания
104

105.

Принцип автоматического размыкания
105

106.

Лекция 8
Индикация на табло,
вспомогательное управление
и дополнительные функции ЭЦ
106

107.

Индикация на табло
В БМРЦ 7 цепь соединения блоков исполнительной группы
предназначена для индикации установленного маршрута
(белая полоса)
8-я - Для индикации занятости участков (красная полоса)
На табло стрелочный участок с одной стрелкой отображается
тремя ячейками.
107

108.

Индикация на табло
Полюс КСХ появляется только
при нажатии на кнопку «КС» на
пульте для контроля положения
стрелок.
Во время искуственной разделки
ячейки мигают от полюса СМ.
108

109.

Вспомогательное управление
Применяется в случаях, когда схема соответствия по какимлибо причинам не собирается (например, потерян
электрический контакт в контактной системе реле 3-его класса
надежности или не сработала схема стрелочных управляющих
реле и т.п.).
109

110.

Алгоритм режима вспомогательного
управления:
1. Стрелки ставятся в надлежащее положение с помощью
стрелочных коммутаторов.
2. Нажимаются групповая кнопка ВУК и с удержанием ее –
начальная и конечная кнопки.
3. В результате работают все необходимые реле маршрутного
набора и специальная схема, формирующая вспомогательную
шину управления: одну из серии ИН, ИЧ, ИНМ, ИЧМ.
Появление ее в блоке с активным состоянием начального узла
ведет к срабатыванию реле Н (НМ) в
обход
схемы
соответствия. Кнопка ВУК отпускается.
110

111.

Алгоритм режима вспомогательного
управления:
4. Конечное маневровое реле исполнительной группы КМ
включается вспомогательным
реле
набора ВКМ с
проверкой свободности от замыкания последней секции в
маршруте. Сработав, оно самоблокируется и
после
размыкания секции возвращается в исходное состояние.
КПН ВУ1
п ОНК
п
ВУ
ВУК
ВУ
ВУ
ВУ1
ВУ1
ИЗ
ОН
ИЧ
м
п
ИН
ОН
ИЧМ
м
пк
КПН
м
ИНМ
НН
111

112.

Схема электрообогрева приводов
В практике были отмечены случаи потери электрического
соединения на контактах автопереключателей СЭП при
образовании на них наледей. Чаще всего это наблюдается в
сезоны резкого колебания температур окружающего воздуха.
Чтобы сохранить работоспособность ЭЦ в таких случаях
включается электрообогрев приводов. Обогревающими
элементами служат резисторы мощностью 25 Вт, которые
крепятся по одному над контактной системой левого и правого
автопереключателей СЭП.
112

113.

Схема электрообогрева приводов
Электрообогрев осуществляется от общей магистрали 220 В с
проводами ПХЭ, ОХЭ. В магистраль через групповые муфты
включаются трансформаторы ТрЭ типа ПОБС-5А, со
вторичных обмоток которых напряжение 26 В подается по
паре проводов отдельно на обогревающие резисторы каждого
привода. На один трансформатор можно подключить
резисторы не более пяти приводов.
Нормально магистраль выключена и включается по
потребности специальной кнопкой, размещенной на аппарате
управления дежурного по станции (ДСП).
113

114.

Схема электрообогрева приводов
ТО-144
114

115.

Схема электрообогрева приводов
ПХЭ
Групповая муфта
ОХЭ
Пост ЭЦ
R1
А
Трэ
R1
R1
R2
R2
R2
СЭП 1
СЭП 2
СЭП 3
Трансформаторный
ящик
LАБ=565м
Б
IАБ=1,14 А
I Б =0,57А
LБВ=95м
IБВ=0,57А
В
I В=0,36 А
115

116.

Схема пневмоочистки стрелок
Чтобы обеспечить работу устройств ЭЦ в период метелей,
прибегают
к
автоматической
очистке
стрелок
с
использованием струи сжатого воздуха.
Устройства
пневмоочистки
содержат
силовую
и
электрическую части.
Силовую часть составляют:
- компрессорная;
- воздухо-напорная магистраль;
- воздухосборники (содержит два электропневматических
клапана (ПЭПК и МЭПК), обеспечивающих при
срабатывании доступ сжатого воздуха в распределительные
трубы с соплами, уложенные между остряками и рамными
рельсами).
116

117.

Схема пневмоочистки стрелок
Компрессорная
СЭП
ТЯ
Воздухосборник
117

118.

Схема пневмоочистки стрелок
118

119.

Схема пневмоочистки стрелок
Электрическую часть составляют:
кнопки включения системы и выбора режимов ее работы;
приборы, формирующие импульсы и интервалы на своих
выходах и обеспечивающие последовательное подключение
ЭПК стрелок;
кабельные линии, соединяющие пост ЭЦ с электроприводами
и воздухосборниками.
119

120.

Схема пневмоочистки стрелок
П
М
ОС
ОВК
ОС
R
0
1
ЭШИ
АП
МЭПК
С
П
ОС
ПЭПК
ЭШИ
27
СЭП
М
М
ОВК – кнопка включения пневмоочистки;
ОС – реле очистки стрелок;
ЭШИ – обмотка электронного шагового искателя.
120

121.

Схема пневмоочистки стрелок
Кнопка ОВК нажимается по потребности.
Реле ОС работает
генератора.
в
режиме
релейного
импульсного
ЭШИ отвечает за перемещение щетки искателя при каждом
такте нахождения под током обмотки тем самым замыкая цепь
пневмоочистки на ту или иную стрелку.
На каждую стрелку необходим один прямой провод, а «минус»
– общий для всей горловины.
121

122.

Лекция 9
Дополнительные функции ЭЦ
122

123.

Схема местного управления стрелкой в ЭЦ
малых станций
Если появляется потребность в маневрах, то стрелки,
участвующие в них, изымаются с центрального управления и
передаются на местное управление с организацией движения
по ручным сигналам.
В горловине станции устанавливается щиток местного
управления, которым пользуется руководитель маневров, а на
пульте ДСП предусматривается кнопка передачи МУК.
Задача по передаче управления сводится к отключению
обмотки стрелочного управляющего реле СУП стрелки
двойного управления от центральных проводов Л1, Л2 и
подключению ее к проводам местной кабельной сети без каких
либо изменений в рабочей и контрольной цепях.
123

124.

Схема местного управления стрелкой в ЭЦ
малых станций
Такое
переключение
осуществляется
с
помощью
децентрализующего реле МД при соблюдении некоторых
условий по безопасности движения поездов.
Реле разрешения маневров РМ срабатывает, если:
Стрелка двойного управления находится в плюсовом
положении и свободна от подвижного состава;
Охранные стрелки занимают охранное положение, исключая
любой выезд в район маневров;
отсутствуют враждебные маршруты.
Рассмотрим эти условия на примере передачи стрелки 9 на
местное управление
124

125.

Схема местного управления стрелкой в ЭЦ
малых станций
Пост ЭЦ
ПК
МД
ПРМ
ВМ
П
РШ
М
Электропривод
FU1
П
СК1

IПЧ3
8
9
СК1 Л4
СК2 М
СК1 СК2
МК
FU2
СА
5
СУП СУП
РП
СУП
Н
3
7
ОБ
1
РМ
РП
К
FU3
МД
СУП
Пульт-табло
С
ПК
МК
ВМ
З
МС
РМ
Ж
СЗ
НПЗ
П
ВМ
ЧПЗ
ЧОЗ
8ПК
1/3ПК
9ПК
РП
РМ
К
ПРМ
ВМ
9ПК
П
3-9СП
КЛ
П
М
РМ
5/7ПК
П
РМ
БК
СУП
К
3-9СП
МСП
МД
МД
МУ
МУК
41 31 21 11
42 32 22 12
43 33 23 13
44 34 24 14
45 35 25 15
46 3626 16
СК2 Л3
ВМ
ПРМ
100
R
Б
М
ПРМ
К
РМ
ПЯ
Щиток местного
М
управления
4000 125

126.

Схема местного управления стрелкой при
БМРЦ
В маневровом районе станции устанавливается специальная
маневровая колонка, а на аппарате ДСП – кнопка разрешения
маневров.
Задачи по двойному управлению стрелкой основывается на
подключении к управляющей цепи электропривода только
одного органа управления (центрального или местного) без
каких-либо изменений в рабочей и контрольной цепях.
126

127.

Схема местного управления стрелкой при
БМРЦ
Соответствующие переключения осуществляются контактами
местного исключающего реле МИ, если соблюдаются условия
по безопасности маневров:
- нахождение передаваемых стрелок и их рукояток на
маневровой колонке в плюсовом положении;
- установка ходовых стрелок по направлению движения;
- установка охранных стрелок в положение, исключающее
выезд в район маневров;
- отсутствие враждебных маршрутов.
Рассмотрим эти условия на примере передачи стрелки 18 на
местное управление для осуществления маневров с
использованием вытяжки и приемоотправочных
127
путей IIП и 4П

128.

М2 Вытяжка

Н4
IIП
18 МК 16
М4 6
2
М8
2МК
П РМК
6МК 16ПК 18ПК

НИ
16-18З
Д
РМК
МИ
РМ
НКМ
М
ВЛ МСХ
К
РМЛ
МИ
К
Табло
РВ
4П П
МУС
РМ
П
Д
СХ
М
18ПК 6СП 16-18СП
СХМ
РВ
МИ
РМ
РВ
М
РВ
Д
РМ
РВ
С
Д
18СМУ
18ПК
ТР
18СМУ
ОХКС
М
РМ 18СМУ
РВ
МИ
Д
МИ
МИК
П
Пост ЭЦ
М
Д
Схема местного
управления
стрелкой при
БМРЦ
МК
(+)VD1
Стр.р.
VD2
(-)
R
ПХКС
ТР
РВ
МС М 18МК
МС М
М8 МIII
Н4 ВI
18ПК
15
НСО
16
15
ПС117

МИ
16
Л1
Л2
Стрелка 18
РМК
15
МИ
НСО
16
МИ
17
П
З
Ж

РМК
17
Стрелочная
кнопка
МК
ТП ПК
Б
ОХКС
Д
18СМУ
2СП ТМ
К стрелке 2
Стрелочная
кнопка
МК
ТП ПК
К
МИ
Стрелка 2
(аналогично для стрелки 6)
18СМУ
П МУС
ПЯ стрелки 18
18В
15
16-18З МИ 16-18СП М
ПС117
16
Л1
Л2
128

129.

Лекция 10
Дополнительные функции ЭЦ
129

130.

Схема местного управления стрелкой при
БМРЦ
При нажатии кнопки РМК срабатывает реле РМК, которое
отключает маршрутный набор (блоки НСО) от схем
управления стрелками маневрового района и, воздействуя на
пусковые блоки ПС, обеспечивает автоматическую установку
их в требуемое положение.
Состоявшийся перевод стрелок и отсутствие враждебных
маршрутов контролируется реле РМ.
Реле РМ подключает к маневровой колонке стрелочное
местное управляющее реле 18СМУ и выключает реле МИ.
130

131.

Схема местного управления стрелкой при
БМРЦ
Обесточившись, реле МИ переводит блок стрелки 18 на
управление с маневровой колонки, разрывая цепи управления
блоками ПС стрелок 2, 6 и 16, включает на табло центрального
поста мигающим светом красную лампочку РМЛ, а на колонке
местного управления – ровным светом зеленую лампочку
положения стрелки 18 и красную восприятия.
Руководитель маневров переводит рукоятку РВ в положение,
разрешающее маневры. На колонке гаснет красная лампочка
восприятия и загорается белая, а на посту ЭЦ срабатывает
реле РВ, своими контактами оно включает на табло ДСП
красную лампочку ВЛ и готовит цепь включения
децентрализующего реле Д.
131

132.

Схема местного управления стрелкой при
БМРЦ
Если стрелочная рукоятка на маневровой колонке находится в
плюсовом положении (18СМУ), то реле Д получает питание,
срабатывает и окончательно формирует цепь воздействия на
блок ПС стрелки 18, включает местное управляющее
сигнальное реле МУС и переводит лампочку РМЛ на табло
ДСП в режим непрерывного горения, что указывает на
окончание передачи стрелки 18 на местное управление.
Общее для маневрового района сигнальное реле МУС
используется для включения дополнительных обмоток
сигнальных реле светофоров М2, М4, М8 и Н4. При этом на
светофорах М2 и М4 обеспечивается постоянное горение
белых огней, а на светофорах М8 и Н4 – в зависимости от
положения стрелки 18.
132

133.

Схема местного управления стрелкой при
БМРЦ
Для возвращения стрелки №18 на центральное управление
необходимо выключить реле Д и включить реле МИ.
Для этого следует установить стрелку №18 в плюсовое
положение (18ПК), освободить стрелочные путевые участки
(6СП, 16-18СП), вернуть рукоятку восприятия на маневровой
колонке в исходное положение (РВ) и вытянуть кнопку РМК
на себя (РМ).
После выключения реле Д обесточивается реле МУС и
маневровые светофоры перекрываются.
В случае неисправности рельсовых цепей или отсутствия
контроля положения стрелки №18 ДСП имеет возможность
включить реле МИ искусственно – нажатием нормально
133
опломбированной кнопки МИК.

134.

М2 Вытяжка

Н4
IIП
18 МК 16
М4 6
2
М8
2МК
П РМК
6МК 16ПК 18ПК

НИ
16-18З
Д
РМК
МИ
РМ
НКМ
М
ВЛ МСХ
К
РМЛ
МИ
К
Табло
РВ
4П П
МУС
РМ
П
Д
СХ
М
18ПК 6СП 16-18СП
СХМ
РВ
МИ
РМ
РВ
М
РВ
Д
РМ
РВ
С
Д
18СМУ
18ПК
ТР
18СМУ
ОХКС
М
РМ 18СМУ
РВ
МИ
Д
МИ
МИК
П
Пост ЭЦ
М
Д
Схема местного
управления
стрелкой при
БМРЦ
МК
(+)VD1
Стр.р.
VD2
(-)
R
ПХКС
ТР
РВ
МС М 18МК
МС М
М8 МIII
Н4 ВI
18ПК
15
НСО
16
15
ПС117

МИ
16
Л1
Л2
Стрелка 18
РМК
15
МИ
НСО
16
МИ
17
П
З
Ж

РМК
17
Стрелочная
кнопка
МК
ТП ПК
Б
ОХКС
Д
18СМУ
2СП ТМ
К стрелке 2
Стрелочная
кнопка
МК
ТП ПК
К
МИ
Стрелка 2
(аналогично для стрелки 6)
18СМУ
П МУС
ПЯ стрелки 18
18В
15
16-18З МИ 16-18СП М
ПС117
16
Л1
Л2
134

135.

Закрепление состава на станционном пути
Потребность в закреплении состава на станционном
пути возникает, когда он на длительное время оставляется
локомотивом на ускоряющем уклоне.
Обычно в таком случае используются тормозные
башмаки в количестве, зависящем от веса состава и величины
уклона. Работа по укладке и снятию башмаков требует
значительных затрат физического труда и небезопасна для
исполнителей, поэтому в практике наблюдались случаи
установки меньшего количества требуемых башмаков или
пренебрежение их установкой, что приводило к авариям с
тягчайшими последствиями.
Задача автоматизации процесса закрепления составов
на пути решается с помощью тормозного упора типа УТС380, управляемого обычным стрелочным электроприводом.
135

136.

Схема механизма подключения тормозного
упора УТС-380
4
××
ФЭУ
5
9
1

3
1
2
8
7
6
1. Тормозные колодки; 2. Рельс; 3. Рабочая линейка
4. Стрелочный электропривод; 5. Рычажный механизм; 6. Рабочие тяги;
7. Кронштейн; 8. Контрольные тяги; 9. Контрольные линейки
136

137.

Закрепление состава на станционном пути
Система закрепления состава на пути включает:
напольное оборудование
комплект постовой аппаратуры.
К напольному оборудованию отдельного пути, помимо
тормозного упора и электропривода, относятся:
фотоконтрольное устройство (ФЭУ) для обнаружения
колесной пары, состыковавшейся с колодками упора;
колонка управления устройствами (УУ);
рукоятка запроса на управление (РВУ).
В постовой комплект входят:
пусковой блок типа ПС-220;
аппаратура управления, контроля и индикации по схемам,
обеспечивающим безопасность движения при установке и
снятии тормозного упора
137

138.

Схема расположения
напольного оборудования УТС-380
Н4
34
4ЗУ
Пост ЭЦ
П
РЯФЭУ
4ВУ
(ФД)
(ОС)

СТ
ФД
ПХ
ОС
4ФЭУ
4УТС
49
Ч4
4КУУ
ОХ
4ФЭУ
4РВУ
Колонка
4КУУ
М
138

139.

Закрепление состава на станционном пути 4П
1) После остановки локомотива у специального
полевого знака сигналист или другой ответственный
работник поворачивает на колонке рукоятку запроса 4РВУ.
В результате на посту ЭЦ срабатывает реле 4ВУ, включающее
режим мигания белой индикаторной лампочки 4УУ.
2) Приняв запрос, ДСП нажимает кнопку установки упора
4УУК, что ведет к обесточиванию реле отмены управления
4ОУ и включению реле разрешения управления 4РУ. При
этом в цепи реле 4РУ проверяется наличие запроса на
управление (4ВУ) и отсутствие заданий маршрутов на путь
или с пути (по состоянию замыкающих реле стрелок 34З,
49З).
139

140.

Закрепление состава на станционном пути 4П
3) Сработав, реле 4РУ обесточивает исключающее
реле 4УИ и ставит под ток реле управления упором 4УУ.
Правильная работа реле подготовительного периода
контролируется переходом индикаторной лампочки 4УУ в
режим непрерывного горения.
5) ДСП, восприняв состояние индикатора 4УУ, переводит
рукоятку управления упором 4У в позицию « – ».
6) С проверкой получения управления (4УУ) и отсутствия
колесной пары в зоне контроля ФЭУ (4ЗУ) получают питание
пусковые реле НПС и ППС, которые включают рабочую цепь
электропривода.
7) Гаснет зеленая индикаторная лампочка 4СУ (упор снят), а
после установки тормозных колодок на рельс загорается
желтая индикаторная лампочка 4УУ (упор установлен).
140

141.

Закрепление состава на станционном пути 4П
8)
Под
наблюдением
сигналиста
машинист
подтягивает состав до упора. Зона, контролируемая ФЭУ,
оказывается занятая колесной парой, в результате
обесточивается реле 4ЗУ. Своими контактами оно включает
красную индикаторную лампочку 4ЗУ и обрывает
управляющую цепь блока ПС-220. С этого момента
управление упором становится невозможным.
В случае ложного обесточивания реле 4ЗУ установка
тормозных колодок осуществляется в аварийном режиме, для
чего дополнительно нажимается кнопка 4АЗУ.
141

142.

Схема включения приборов
постового комплекта УТС-380
4АЗУ
НПС ППС
П
(+)
4УУ

4ЗУ
М
М
П 4УУК
4ОУ
Л1
(-)
К
Л2
К
П
К
ЭП
4РУ
4ЗУ
4КСУ
4КУУ
З
4УУ
Ж


34З
4ВУ М
4КУУ
П
МС
4КСУ
4РУ
4РУ
П
4ЗУ
К
4СУ
49З
М
ПС-220
СХ
4ЗУ
4УИ М
Управление
Контроль
4КСУ
4ВУ
СХМ
СХ
4ВУ
4ВУ
4РУ
4УИ
4УУ
Б
МС
4УИ
4УУ
М
4УИ
М
4УУ
4ОУ
4РУ
4УИК
П
4УИ
СХМ
142

143.

Раскрепление состава на станционном пути 4П
При рабочем состоянии упора контактами реле 4УИ рвутся
цепи сигнальных реле поездных светофоров. Тем самым
исключается установка поездных маршрутов на путь или с
пути, но сохраняется возможность маневровым порядком
убрать локомотив, а в последующем прицепить его к составу.
НКМ
МС
С
4УИ
4П П
Ч4 ВI
НМ
4УИ
Н
МС
НМ
Н
НС
КМ
Ч4 ВД
М МII
Н ВД
Схема формирования сигнальных цепей
143

144.

Раскрепление состава на станционном пути 4П
1) При подаче локомотива под состав ДСП предупреждает
машиниста об установленном упоре.
2) Под наблюдением сигналиста машинист осаживает состав,
разъединяя колесную пару с тормозными колодками. Зона
контроля ФЭУ оказывается свободной, становится под ток
реле 4ЗУ, гаснет красная лампочка 4ЗУ.
3) Получив
возможность
управления
упором,
ДСП
поворачивает рукоятку 4У в позицию «+», воздействуя на
управляющую цепь блока ПС-220. В результате
обесточивается реле 4КУУ, гаснет желтая лампочка 4УУ,
электропривод работает на снятие колодок упора.
4) После выполнения команды рабочая цепь электропривода
выключается, срабатывает контрольное реле 4КСУ,
загорается зеленая лампочка 4СУ.
144

145.

Раскрепление состава на станционном пути 4П
5) Последующие действия ДСП и сигналиста направлены на
снятие исключений в сигнальных цепях и установку постовой
аппаратуры в исходное положение.
Для этого ДСП вытягивает кнопку 4УУК (выключается реле
4РУ, мигает белая лампочка), а сигналист на колонке
поворачивает в исходное положение рукоятку РВУ
(обесточивается реле 4ВУ).
В результате включается реле 4ОУ с контролем выполнения
действий, направленных на обеспечение безопасности
движения (4ЗУ, 4КСУ, 4ВУ).
Контактом 4ОУ включается реле 4УИ. Последнее гасит
лампочку 4УУ и обесточивает реле 4УУ. Появляется
возможность сформировать сигнальную цепь выходного
светофора.
145

146.

Раскрепление состава на станционном пути 4П
6) В рассматриваемом примере при разомкнутых контактах
реле 4УИ невозможно сформировать цепи поездных
сигнальных реле выходного и входного
светофоров
(соответственно С и НС).
В то же время контактами начального маневрового реле НМ
блока ВI и конечного маневрового реле КМ блока МII можно
сформировать цепь сигнального реле МС для уборки
локомотива с пути в тупик, а контактами реле НМ блока МII и
реле НКМ блока П – цепь сигнального реле МС для подачи
локомотива из тупика на путь.
146

147.

Схема включения приборов
постового комплекта УТС-380
4АЗУ
НПС ППС
П
(+)
4УУ

4ЗУ
М
М
П 4УУК
4ОУ
Л1
(-)
К
Л2
К
П
К
ЭП
4РУ
4ЗУ
4КСУ
4КУУ
З
4УУ
Ж


34З
4ВУ М
4КУУ
П
МС
4КСУ
4РУ
4РУ
П
4ЗУ
К
4СУ
49З
М
ПС-220
СХ
4ЗУ
4УИ М
Управление
Контроль
4КСУ
4ВУ
СХМ
СХ
4ВУ
4ВУ
4РУ
4УИ
4УУ
Б
МС
4УИ
4УУ
М
4УИ
М
4УУ
4ОУ
4РУ
4УИК
П
4УИ
СХМ
147

148.

Схема ограждения состава
С целью недопущения травмирования работников
пункта технического осмотра (ПТО) в период обследования
вагонов
предусматривается
ограждение
составов,
исключающее их подвижку.
В современных системах ЭЦ для этой цели вместо переносных
сигнальных знаков применяются схемные решения, не
позволяющие задание любых маршрутов на путь или с пути.
Рассмотрим пример решения задачи ограждения состава,
прибывшего на путь 5П участковой станции, руководствуясь
альбомом типовых схем МРЦ-13.
148

149.

Схема ограждения состава
Схема ограждения включает в себя:
полукомплект блока ОГх2;
средства управления (кнопки) и контроля (лампочки) пультов
ДСП и оператора ПТО.
Необходимые режимы горения индикаторных ламп пульта
ПТО обеспечиваются трансформатором МУЛТ и реле мигания
МГМ, ОМГ, ОКМГ.
149

150.

Схема ограждения состава
1) При необходимости оператор запрашивает у ДСП
разрешение на ограждение состава, для чего на своем пульте
нажимает кнопку 5ОЗК. В результате обесточивается реле ОЗ,
включающее на посту ЭЦ звонковое реле ОЗВ (кратковременно
звонит звонок) и красные лампочки 5СОГ на табло ДСП и 5П
на пульте ПТО в режиме мигания.
2) Если ДСП согласен выполнить запрос, он нажимает
кнопку 5СОГК. Это ведет к срабатыванию и самоблокированию
реле СОГ, если отсутствуют маршруты на путь как в нечетной
(29З), так и в четной горловине.
3) Контактами реле ОЗ и СОГ выключается питание реле
ограждения состава ОГ, а последнее обесточивает реле ВЗ
стрелки №29 и реле ВЗ стрелки, примыкающей к пути 5П в
четной горловине. С этого момента становится невозможным
формирование контрольно-секционной и сигнальной цепей в
150
любых маршрутах, связанных с путем 5П.

151.

Схема ограждения состава
4) Одновременно реле ОГ переключает на режим
непрерывного горения лампочки 5СОГ и 5П, сигнализирующие
об окончании операции по ограждению.
Инициатором снятия ограждения выступает оператор
ПТО, возвращающий кнопку 5ОЗК в исходное положение. В
результате срабатывают реле ОЗ, ОГ, ВЗ, ОЗВ (кратковременно
звонит звонок, обращающий внимание ДСП на снятие
ограждения); обесточиваются реле СОГ, ОЗВ; гаснут лампочки
5СОГ и 5П.
151

152.

Схема ограждения состава

25

29
М23
23
24
ТП
МС
5СОГК
СОГ
К
ЗВ
П
R
М
ОЗ
СОГ П
ОЗ
ОГ
5СОГ
М C ОЗВ
конт-ты
29ПК реле
четной
горлов.
М
29З
П
СОГ
СОГ СХМ
СХ
КСХ
ОГ
ОГ
ОГ
М
М
ПК
29
ОЗ
МГМ
П
ОМГ
ВЗ
МК
С
П
50ЗКППЛ
ОЗ
ОЗВ
ПХ
МУЛТ
ОКМГ ОМГ
СОГ
ОЗ
50ЗКПМЛ
П
ОЗ
ОГ
СОГ
~220В
ОХ
К 5П
ОКМГ ОМГ
ОЗ
ОГ
ПТО
СОГ
ОГх2
152

153.

Лекция 11
Горочные системы автоматики
153

154.

Сортировочная горка
Неотъемлемой частью перевозочного процесса на
железнодорожном
транспорте
является
переработка
(расформирование) грузовых составов на специальных
станциях, называемых сортировочными, которые могут быть
одно или двухстороннего действия.
154

155.

Односторонняя сортировочная станция
ПП - парк приема грузовых поездов, подлежащих переработке;
СГ - сортировочная горка, на спускной части которой
располагаются разветвительные стрелки;
СП - сортировочный парк, на специализированных
путях которого накапливаются вагонные отцепы одноадресного
назначения;
РФ - район формирования поездов нового назначения
ПО - парк отправления
155

156.

Сортировочная горка
156

157.

Классификация устройств сортировки вагонов
Вид
Переработка
сортировочного вагон/сутки
устройства
Число
Число
путей
путей
надвига спуска
Количество Тормозные
пучков
позиции
СГПМ
>5500
≥3
2–4
5–8
1,2,3,4
СГБМ
3500 – 5500
2
2
4–5
1,2,3, (4)
СГСМ
1500 – 3500
2
1–2
3–4
1,2,3
СГММ
250 – 1500
1
1
1–2
2,3
1
1
-
-
Вытяжной путь ≤ 250
157

158.

Сортировочная горка
158

159.

Горочная автоматика
Горочная автоматика - комплекс автоматизированных
систем и технических средств, обеспечивающих работу
сортировочных горок на железнодорожных станциях при
организации технологического процесса расформирования формирования поездов. В эти системы входят:
Система автоматического регулирования скорости (АРС).
Служит для поддержания необходимых интервалов между
скатывающимися отцепами с целью исключения нагонов
одного отцепа другим на спускной части горки.
• Система автоматического задания скорости роспуска
составов (АЗСР). Вычисляет и задаёт предельно допустимую
скорость надвига состава на горку в момент отделения от
состава очередного отцепа.
159

160.

Горочная автоматика
Система горочной автоматической централизации (ГАЦ).
Обеспечивает автоматический перевод стрелок по маршруту
следования отцепов. Может работать в двух режимах:
программном, при котором маршруты следования отцепов
предварительно записываются на перфокарту и считываются
с неё в процессе роспуска состава, и маршрутном, при
котором маршруты следования отцепов устанавливаются
непосредственно перед их подходом к головной стрелке
горки.
Система телеуправления горочным локомотивом (ТГЛ).
Обеспечивает автоматическое (без участия машиниста)
управление
горочным
локомотивом.
Телеуправление
позволяет привести локомотив в движение в заданном
направлении, осуществляет регулирование его скорости в
соответствии с получаемыми командами или остановку. 160

161.

Система автоматического регулирования
скорости (АРС)
Скорость скатывания отцепов с горки и остановка их в
нужном месте подгорочных путей регулируется вагонными
замедлителями,
автоматическое
управление
ими
осуществляется с помощью системы АРС
• По способу создания тормозного эффекта вагонные
замедлители делятся на зажимающие колесные пары
вагонов и не зажимающие (электромагнитные, плунжерные
гидравлические, башмачные и др.).
• Зажимающие вагонные замедлители доминируют на
сортировочных горках российских железных дорог.
161

162.

Объекты управления на горке
162

163.

Кинематическая схема зажимного замедлителя
Механизм замедлителя включает:
одноплечный рычаг 1 и
двухплечный рычаг 2, насаженные на
общую ось 3;
тормозной цилиндр 4
со штоком 5 и тормозные балки
6, 7.
Замедлитель имеет два положения: расторможенное, когда в
тормозном цилиндре сжатого воздуха нет и тормозные балки
разведены, и заторможенное, при котором под действием
сжатого воздуха в цилиндре тормозные балки сближаются.
163

164.

Система автоматического регулирования
скорости (АРС)
При ручном управлении (РУ) степень торможения
задается соответствующим переключателем на аппарате
управления.
В автоматическом режиме – управляющим реле системы
АРС, в зависимости от характеристики отцепа:
Различают следующие виды отцепов, увязанные с их
средним весом:
очень плохой бегун ОП (22 т),
плохой бегун П (25 т),
хороший бегун Х (70 т),
очень хороший бегун ОХ (85 т).
164

165.

Схема аппаратуры управления
замедлителем
Контактная система переключателя
или управляющего реле ставит под
ток электромагнит Т, клапан 1
открывает доступ сжатого воздуха
на поршень 5, который перемещает
шток 7, воздействуя на клапан 3.
В
результате
сжатый
воздух
поступает в тормозной цилиндр
замедлителя.
Заданная
степень
давления (торможения) фиксируется
РДМ,
который
включает
электрическую цепь электромагнита
Т, и воздухосборник и тормозной
цилиндр разъединяются.
165

166.

Схема аппаратуры управления
замедлителем
После
проследования
отцепа
выключается электрическая цепь
электромагнита ОТ, клапан 2
открывает доступ воздуха к поршню
6 и шток 8 воздействует на клапан 4.
В результате воздух из тормозного
цилиндра замедлителя поступает в
атмосферу,
электромагнит
ОТ
отключается, система возвращается
в исходное состояние.
166

167.

Система автоматического регулирования
скорости (АРС)
• При ручном управлении оператор не всегда может
своевременно и точно определить ходовые свойства отцепа,
поэтому в АРС ручной режим сохраняется как аварийный.
• В автоматическом режиме включение соответствующего
управляющего реле основывается на принципе сравнения
фактической скорости скатывания отцепа Vф с расчетной
скоростью выхода из тормозной позиции Vвых в условиях
интервального или прицельного торможения.
167

168.

Система автоматического регулирования
скорости (АРС)
• В общем случае скорость выхода отцепа из тормозной
позиции определяется по уравнению:
• где К – постоянная величина, определяемая допустимой
скоростью соударения отцепов на подгорочном пути (5 км/ч)
и дополнительной скоростью, которую должен иметь отцеп
для преодоления сил сопротивления от кривых и стрелок по
маршруту следования;
• ax – ускорение движения отцепа в пределах зоны
регулирования;
• lx – расстояние от тормозной позиции до стоящих на пути
вагонов.
168

169.

Система автоматического регулирования
скорости (АРС)
• В системе АРС уравнение моделируется техническими
средствами на базе данных ax, lx.
• Для определения ax на «горбу» горки оборудуется
измерительный участок с электронными средствами
измерения, lx определяется блоком контроля заполнения
путей (КЗП).
169

170.

Структурная схема АРС
• Ускорение ax определяется блоком ИЗУ по временным
засечкам
прохождения
отцепом
двух
участков,
ограниченных педалями П1, П2, П3.
• ВВКД - вычислитель весовой категории и длинны отцепов.
• Н1, Н2 - накопители данных.
• ВСВ – вычислитель скорости выхода
170

171.

Система автоматического задания скорости
роспуска составов (АЗСР).
• Перерабатывающую способность горки можно существенно
увеличить, если роспуск составов вести с переменной
скоростью.
• Рекомендуемая скорость 3,6-5,4 км/ч определяется
неблагоприятными состояниями отцепов по их ходовым
свойствам, что в практике встречается не так часто.
• При благоприятных условиях скорость надвига можно
повышать до 9-10км/ч.
• Автоматизация
процессов,
связанных
с
заданием
переменной скорости роспуска составов, управления огнями
горочного
светофора
и
маршрутных
указателей,
осуществляется системой АЗСР.
171

172.

Система автоматического задания скорости
роспуска составов (АЗСР).
• В основу ее построения положена зависимость максимально
допустимой скорости надвига составов от условий
расхождения двух смежных отцепов на разделительной
стрелке.
• Она описывается уравнением:
l1 и l2 – длины отцепов, b1 и b2 – их колесные базы,
lрц – длина рельсовой цепи разделительной стрелки
Vmin – минимальная скорость П
Δt - разность хода П и Х до разделительной стрелки
172

173.

Система автоматического задания скорости
роспуска составов (АЗСР).
• Вычисление V0
осуществляется всякий раз, когда
происходит отделение от состава очередного отцепа.
• Таким образом, система АЗСР должна содержать источник
информации о маршрутах следования двух смежных
отцепов, чтобы определить разделительную стрелку, и
количество вагонов в них.
173

174.

Структурная схема АЗСР
174

175.

Система автоматического задания скорости
роспуска составов (АЗСР).
• Программа роспуска состава формируется в технической
конторе станции с помощью видео терминального
устройства ВТ-340. Она содержит номер состава, число
вагонов в нем, время его прибытия, сведения о каждом
отцепе: порядковый номер, номер пути, число вагонов,
особый признак или отметку длиннобазного вагона.
• По
запросу
оператора
горки
программа
через
формирователь вызова УФИВ и устройство сопряжения УС
передается на горочный пост и высвечивается на экране
ВТ-340. Оператор горки при необходимости может
скорректировать программу. После нажатия клавиши
«Пуск» устройства АЗСР и ГАЦ подключаются к ее
реализации.
175

176.

Система автоматического задания скорости
роспуска составов (АЗСР).
• Информация о смежных отцепах считывается в
двухступенчатый накопитель НИ. Управление накопителем
осуществляется блоком УУ, поставленным в зависимость от
контрольного блока К0.
• В последнем сравнивается, скорость надвига и свободного
скатывания,
измеренные
радиолокационными
скоростемерами РИС1 и РИС2, и улавливается их разница в
момент отрыва.
• Схема блока К0 приводиться в исходное состояние для
работы в очередном цикле после полного проследования
отцепом места установки фотоэлектрического устройства
ФЭУ.
176

177.

Система автоматического задания скорости
роспуска составов (АЗСР).
• После определения блоком РС разделительной стрелки
информация поступает в блок вычисления скорости
роспуска ВСР.
• Последний
содержит
трансформаторную
схему,
моделирующую управление. Ее выходное напряжение
подается в блок ПСР, где происходит преобразование
аналогового значения скорости роспуска в дискретную
величину. Здесь же происходит ее усреднение, чтобы
исключить резкие перепады в ее значениях, и
корректировка, если требуется учесть особый признак
отцепа.
177

178.

Система автоматического задания скорости
роспуска составов (АЗСР).
• Блок ПСР содержит 15 выходов, соответствующих
градациям скорости от 3 до 9 через каждые 0,5 км/ч.
Вычисленные значения скорости фиксируются блоком ФВС,
который включает соответствующие реле управления
световой индикацией УИ, коммутирующие цепи ламп
горочного светофора и маршрутного указателя скорости
роспуска.
На
отдельных
маршрутных
участках
высвечивается информация о количестве вагонов в соседних
отцепах, поступающая от блоков ВКВ1 и ВКВ2.
• Система АЗСР может быть дополнена устройствами
телеуправления горочным локомотивом (ТГЛ). В этом
случае блок ФВС дополнительно увязывается с шифратором
ТГЛ.
178

179.

Система горочной автоматической
централизации (ГАЦ).
• С помощью ГАЦ осуществляется автоматический перевод
стрелок распределительной зоны для образования маршрутов следования каждому отцепу.
• Все стрелки оборудуют быстродействующими электроприводами СПГ-3, СПГБ-4, СПГБ-4М.
• На всех стрелках предусмотрена пневматическая обдувка, а
в электроприводах - электрообогрев. В пределах
распределительной зоны с централизованными стрелками
пути оборудуют стрелочными и межстрелочными рельсовыми цепями длиной в среднем 12,5 м каждая.
179

180.

Система горочной автоматической
централизации (ГАЦ).
• Применяют нормально разомкнутые рельсовые цепи с питанием переменным током частотой 25 и 50 Гц и во многих
случаях дополняют устройствами контроля потери шунта в
виде индуктивных датчиков, включая магнитные педали
(ПБМ-56, ДМ 88) с блоками ЗС-75, фотоэлектрическими
устройствами
(сняты
с
производства),
а
также
радиотехническими датчиками РТД-С.
• Особенностью ГАЦ является то, что стрелки не замыкаются
в маршрутах; открытый горочный светофор разрешает
роспуск, но не указывает на положение, свободность и
замыкание стрелок в маршруте, так как невозможно
одновременно перевести все стрелки в маршруте
скатывания одного отцепа из-за занятости последующих
секций предыдущими отцепами.
180

181.

Система горочной автоматической
централизации (ГАЦ).
• В
схеме
управления
централизованной
стрелкой
предусмотрен автоматический возврат стрелки в исходное
положение, если за установленное время она не перевелась
в другое положение.
• Управление стрелками, светофорами, горочными замедлителями ведется из одного горочного поста (ГП), где
установлены горочный пульт и аппаратура управления. Пост
размещается как правило у второй тормозной позиции на
расстоянии 40-50 м от крайнего сортировочного пути.
181

182.

Система горочной автоматической
централизации (ГАЦ).
• ГАЦ позволяет осуществлять приготовления маршрутов для
каждого отцепа, спускаемого с горки, в трех режимах:
• ручном - перевод каждой стрелки осуществляется
оператором индивидуально; ручном - перевод каждой
стрелки осуществляется оператором индивидуально.
• полуавтоматическом - для приготовления любого маршрута
надо в процессе роспуска нажать кнопку с номером пути, на
который следует отцеп.
• автоматическом - позволяющем предварительно, до начала
роспуска, набрать маршруты скатывания отцепов по
сортировочному листку.
182

183.

Система горочной автоматической
централизации (ГАЦ).
• ГАЦ освобождает оператора от приготовления маршрута в
процессе роспуска и позволяет сосредоточить внимание на
качестве торможения отцепов, т.е. регулировании скорости
движения отцепов;
• ГАЦ КР (с контролем роспуска) не только переводит
стрелки, но и контролирует и регистрирует маршрут
каждого отцепа и считает физические вагоны в отцепе.
183

184.

Система горочной автоматической
централизации (ГАЦ).
• В настоящее время на ряде горок еще эксплуатируется блочная горочная автоматическая централизация (БГАЦ) и
системы ГАЦ с контролем роспуска - ГАЦ-КР. Однако эти
системы сняты с производства как морально и физически
устаревшие. На смену им приходят микропроцессорные
системы.
• Например система КГМ решает в комплексе задачи,
свойственные системам ГАЦ-КР, АРС, АЗСР, ГПЗУ
184

185.

Микропроцессорные горочные системы
• Начиная с системы КГМ (1983 г.) в микропроцессорных
системах управление тормозными позициями и стрелками
автоматизировано, исключен ручная работа оператора горки,
оператор стал выполнять функцию контролера с
возможностью вмешиваться в процесс роспуска для
исключения ошибок допущенных системой или человеком.
185

186.

Система телеуправления
горочным локомотивом (ТГЛ).
• Система ТГЛ состоит из двух подсистем: подсистемы
передачи рекомендуемой скорости роспуска на локомотив и
подсистемы автоматического управления локомотивом.
• Подсистема передачи сообщения на локомотив строится с
применением индуктивного канала (вдоль путей надвига и
парка приёма прокладывался шлейф, по которому
пропускается сигнал с несущей частотой 39 кГц) или
цифрового радиоканала.
• Всего передаётся 12 значений частоты от 3 до 10 км/ч и
команда «Стоп». На локомотиве устанавливается дисплей,
на котором высвечиваются скорости двух отцепов:
находящегося на горбе горки и следующего за ним.
186

187.

Лекция 12
Усовершенствованные электрические
централизации УЭЦ-М и ЭЦ-И
187

188.

УЭЦ-М
Усовершенствованная электрическая централизация
УЭЦ-М применяется на малых, средних и крупных станциях.
• Система блочная, со штепсельным включением реле в
панельные блоки открытого типа, с использованием единой
элементной базы для наборной и исполнительной групп –
малогабаритных реле типа РЭЛ.
• По
сравнению
с
БМРЦ
имеет
расширенные
функциональные возможности:
• Накопление маршрута враждебного заданному (при ДЦ).
• Защита от преждевременного размыкания секции при
потери шунта.
• Задание маршрута через ложно-занятую секцию.
• Искусственное замыкание секций.
• Регистрация кратковременных отказов РЦ и стрелок в
установленном маршруте.
• Исключение конденсаторов для замедления реле С и ОТ. 188

189.

УЭЦ-М
• Маршрутный набор УЭЦ-М содержит только два типа
блоков:
• НМП – имеет два комплекта аппаратуры для управления
сигнальными блоками ВД и В поездного или блоком М
маневрового светофоров с пути или с бесстрелочного
участка за входным светофором.
• НМ – имеет два комплекта аппаратуры, каждый из которых
используется для управления сигнальным блоком М
одиночного маневрового светофора.
• А так же блоки С, В1 и МТ, которые выполняют функции
наборной и исполнительной групп.
• Кроме того есть общие комплекты: реле направлений, реле
отмены набора и маршрута.
• Как и в БМРЦ имеется 4 цепи маршрутного набора:
КН, АКН, ПУ (МУ), соответствия.
189

190.

УЭЦ-М
• Исполнительная группа УЭЦ-М содержит 10 типов блоков,
которые соединены 15 цепями межблочных связей.
• Большинство реле в УЭЦ-М высокоомные (кроме ПУ(МУ)
из-за чего схемные решения несколько отличаются от
БМРЦ.
190

191.

ЭЦ-И
Электрическая централизация с индустриальной
системой монтажа ЭЦ-И разработана с целью экономии
трудозатрат, капиталовложений и ускорения работ на стадиях
проектирования, изготовления аппаратуры и строительства.
Основными особенностями ЭЦИ являются:
Возможность
накопления
маршрутов,
враждебных
заданному.
Защита от преждевременного размыкания стрелок в
маршрутах в условиях различных нарушений.
Фиксация
кратковременных
отказов
устройств
в
установленном маршруте.
Сокращение органов управления объединение сигнальных
поездной и маневровой кнопки в одну.
Рассмотрим некоторые отличия усовершенствованных
систем от БМРЦ.
191

192.

Внешний вид БМРЦ
192

193.

Внешний вид УЭЦ-М
193

194.

Внешний вид ЭЦ-И
194

195.

Схема кнопочных реле УЭЦ-М
• В системе УЭЦ-М при разработке универсального
сигнального блока решена задача доведения схемного узла
одиночного маневрового светофора до границ с
использованием шести реле вместо семи, как это имеет
место в БМРЦ.
• Решение было найдено в объединении функций реле НКН и
КН в одном с подключением такового в цепь межблочных
соединений
контактами
противоповторного
или
вспомогательного конечного реле в
зависимости
от
очередности нажатия кнопки
195

196.

Схема кнопочных реле ЭЦ-И
1.
Отличительной
особенностью
является
блокирование реле КН на тыловые контакты ПУ, МУ всех
стрелочных блоков по трассе маршрута и, следовательно,
его выключение после срабатывания всех реле ПУ, МУ,
участвующих в задании маршрута.
2. Непрерывность цепи достигается замыканием фронтовых
контактов АКН в сигнальных блоках промежуточных
светофоров.
3. В случае использования блока НМх2-И для набора
вариантного
маршрута
разрыв
непрерывной
цепи
осуществляется раздельным включением обмоток реле КН в
левую и в правую цепи межблочных соединений.
196

197.

Схема кнопочных реле ЭЦ-И
4. Чтобы исключить подпитку реле КН по ненужной
цепи (через контакт ВКМ и по цепи через контакт МП),
вводится тыловой контакт КС. В режиме с накоплением
маршрутов он
шунтируется, так как в накопленном
маршруте реле ПУ, МУ находятся в активном состоянии и
не образуют подпитку реле КН.
197

198.

Схема кнопочных реле ЭЦ-И
М1К
п
м
М1
КС
К
Ч1К
АКН
п
КН
К
ВКМ
КН
КН
МП
м
НМх2-И
м
МУ
К
К
ПУ
ОП
МУ
ВП
ВП
п
М1-И М1
мгн
м
ВКМ
Ч1
3
1
М1
м
мгн КН
ПУ
С-И
3
В
КН
НПМх2-И
п
Ч1
198

199.

Схема реле направлений ЭЦ-И и УЭЦ-М
Схемный узел направлений содержит три группы реле:
1. различающих категорию маршрутов:
П – поездное,
1Б – маневровое при движении по одному белому
огню,
2Б – маневровое при движении по двум белым огням,
М – общий повторитель реле 1Б и 2Б).
2. Различающих направление движения:
Н – нечетное,
Ч – четное.
3. Считывающие число нажатий кнопок в задаваемом
маршруте (1С и 2С).
В каждой группе соблюдается принцип взаимного
исключения
199

200.

Схема реле направлений ЭЦ-И и УЭЦ-М
Ч1
Ч2
1
Н
п
п
ВПМ
Н
п
М1
П
П
П
НГ

ГПС

Н1
Н2
мг
МП
м
п


п 2Б

П

М
впм
Контакты реле
П, М, Н, Ч
п
1C 2СД
Н
Ч
п
м



Н,Н1,Ч,Ч1

К
М
Н
П
Ч
ВПМ
м
П
п
М
п
Н(Н,М1,Н1,Н2)
КН
вн
КН
Н
Ч
Н,НМ
Ч,ЧМ
Н,Ч,НМ
Н,Ч,ЧМ
Н,Ч

Ч
Н
Н
КН
Ч(Ч,М2,Ч1,Ч2)
м
м
КН
К
КН
К
КН
2СД п

м
м
Шины
направления
2ОС1 2С

М
ВПМ

п
Ч
п
впп
П

М2
2
НМх2-И
М

Ч


вч

Ч
Н
Ч
200
НМх2-И

201.

Работа схемы реле направлений ЭЦ-И и ЭЦ-12
1. После нажатия кнопки категории маршрута (П, М или 2Б)
срабатывает
и
самоблокируется
соответствующее
распознавательное реле: П, 1Б (М) или 2Б (М).
2. Через запараллеленные фронтовые контакты П и М
последовательно включаются четыре обратных повторителя
счетчика второго
нажатия маршрутных кнопок 2С с
окончанием работы на реле 2ОС1 (на схеме не показаны). Тем
самым подготавливается включение шин направлений.
3. После нажатия начальной кнопки по шине 1С срабатывает
и самоблокируется счетчик первого нажатия 1С. С этого
момента определяется направление движения: в нечетных
маршрутах по шине ВН включается и самоблокируется реле Н,
в четных по шине ВЧ – реле Ч.
201

202.

Работа схемы реле направлений ЭЦ-И и ЭЦ-12
5. При нажатии конечной кнопки по шине 1С срабатывает
реле 2СД, затем – счетчик 2С. В течение 0,8 с наблюдается
последовательное выключение каскада его обратных
повторителей, заканчивающееся обесточиванием реле 2ОС1.
Посылка питания в шины направления носит импульсный
характер. Длительность импульса достаточна, чтобы по трассе
маршрута сработали и самоблокировались вспомогательные
промежуточные и конечные реле (0,6 с).
202

203.

Схема реле направлений ЭЦ-И и УЭЦ-М
Ч1
Ч2
1
Н
п
п
ВПМ
Н
п
М1
П
П
П
НГ

ГПС

Н1
Н2
мг
МП
м
п


п 2Б

П

М
впм
Контакты реле
П, М, Н, Ч
п
1C 2СД
Н
Ч
п
м



Н,Н1,Ч,Ч1

К
М
Н
П
Ч
ВПМ
м
П
п
М
п
Н(Н,М1,Н1,Н2)
КН
вн
КН
Н
Ч
Н,НМ
Ч,ЧМ
Н,Ч,НМ
Н,Ч,ЧМ
Н,Ч

Ч
Н
Н
КН
Ч(Ч,М2,Ч1,Ч2)
м
м
КН
К
КН
К
КН
2СД п

м
м
Шины
направления
2ОС1 2С

М
ВПМ

п
Ч
п
впп
П

М2
2
НМх2-И
М

Ч


вч

Ч
Н
Ч
203
НМх2-И

204.

Работа схемы реле направлений ЭЦ-И и ЭЦ-12
Включение шин направлений через контакт реле 2С (т.е.
задержка посылки питания), необходима для временного
разграничения работы угловых кнопочных реле УК
(настраивающих трассу маршрута), и вспомогательных
промежуточных и конечных реле. Если, например, реле ВКМ
(ВК) сработает раньше УК, то возможно выполнение
маршрута не по основному варианту.
Кратковременная подача питания в шину направления
необходима для исключения блокировки на эту шину
вспомогательного конечного реле и далее через его контакт
блокировки конечного кнопочного реле на цепь «КН» при
передержке конечной кнопки.
204

205.

Работа схемы реле направлений ЭЦ-И и ЭЦ-12
В УЭЦ предусматриваются 9 шин направлений.
В их формировании участвуют, кроме контактов счетчиков 1С,
2С, контакты реле рода маршрутов П, М, 2Б и направления
движения Н, Ч. Комбинации этих контактов образуют как
шины, принадлежащие строго определенному роду маршрута
(Н, Ч, НМ, ЧМ), так и множественного назначения (Н,НМ;
Ч,ЧМ; Н,Ч; Н,Ч,НМ; Н,Ч,ЧМ). Их принадлежность
определяется
на
стадии
проектирования
схем
противоповторных
и
вспомогательных
конечных
и
промежуточных реле.
205

206.

Работа схемы реле направлений ЭЦ-И и ЭЦ-12
После обесточивания всех кнопочных реле, участвовавших в
задании маршрута, выключаются реле направления, а затем –
рода маршрута, еще ранее после отпускания конечной кнопки
– 2СД и 2С. Принудительное приведение в исходное состояние
реле П, 1Б, 2Б на стадии использования кнопки категории
маршрута осуществляется нажатием групповой кнопки отмены
ОНК (снимается полюс МГ), на стадии нажатия начальной
кнопки – нажатием кнопки "Нормализация" (снимается
полюс МГН) или кнопки ОНК (снимаются полюса МГ, ПГ).
206

207.

Лекция 13
Усовершенствованные электрические
централизации УЭЦ-М и ЭЦ-И
207

208.

Схемы фиксаторов границ элементарных
маршрутов УЭЦ
В усовершенствованных системах применяется один и тот же
принцип включения противоповторных и вспомогательных
реле по алгоритму: должно быть под током соответствующее
реле К или КН и присутствовать питание в соответствующей
шине направления.
Общее вспомогательное конечное реле В имеет неудачное
наименование и по аналогии с реле ОП должно бы называться
ОВК.
В поездных маршрутах дополнительный признак в вносит
реле ПВ. Включение противоповторного и вспомогательных
реле схемного узла, принадлежащего промежуточному на
трассе светофору, осуществляется контактами АКН.
Включение реле ВП при нажатии кнопки как вариантной
осуществляется через контакт КН.
208

209.

Схемы фиксаторов границ элементарных
маршрутов УЭЦ
ВПМ К
МП м
нм(чм) АКН
мгн
МС
К
п-г
нм(чм) ВКМ
п
п
МП
К
ОП
К
ПВ
м
МС
К
п-г
ОП
п
ПВ
п
ПВ м-г
ОП мгн
АКН
м-г
мгн
н,ч КН
м
ВКМ «БЛ»
С1
ВПП
К
н,ч,чм
(н,ч,нм) ВП
н,нм
(ч,чм) КН
м
«БЛ»
МП
м
«БЛ»
МП
м
м
АКН
п
п
В
ВКМ КН
МП
В
м
В
м
209

210.

Схемы фиксаторов границ элементарных
маршрутов УЭЦ
Все перечисленные реле имеют цепи самоблокировки.
Для противоповторных они такие же, как в БМРЦ, и,
следовательно, выключение реле происходит после открытия
светофора.
Для вспомогательных промежуточных и конечных они
одинаковые с БМРЦ только в УЭЦ-М.
210

211.

Схемы фиксаторов границ элементарных
маршрутов УЭЦ
В ЭЦ-И и ЭЦ-12 для самоблокировки этих реле выделяется
специальная цепь "БЛ", заканчивающаяся на фронтовом
контакте противоповторного реле начального сигнального
блока. Сделано это для того, чтобы имелась возможность
накопить маршрут по трассе существующего (блокировка
через контакт реле З по примеру БМРЦ исключает
накопление). Разветвление цепи ″БЛ″ на стрелках
осуществляется с помощью контактов ПУ, МУ. После
открытия светофора и обесточивания противоповторного реле
цепь самоблокировки выключается.
211

212.

Схемы фиксаторов границ элементарных
маршрутов УЭЦ
1
3
М1
1. БМРЦ
нм
М3
ВКМ
КН
Н
ВП
МП
мг
нм
НКН
МС
ВКМ

ВП
п
МП
К
«БЛ»
1МУ
ВП
м
м
мгн

КН
п
ВКМ
ВП н,ч,чм
п
АКН
АКН
МС
К
пг
ВП
п
МП
М1МП 1ПУ
мг
ВП
пг
нм
АКН
п
КН
п
впм
ВКМ
К
НКН
МП
п
2. ЭЦ-12
м
н,ч,чм
мг
НКН
ВКМ
«БЛ»
«БЛ»
212

213.

Схема АКН в УЭЦ-М
Принцип построения схемы включения реле АКН во всех
системах одинаков. При задании маршрута они получают
питание со стороны блока начального светофора (в примере
М1) через контакты противоповторного и начального
кнопочного реле, а со стороны блока конечного светофора (в
примере М7) - через контакты вспомогательного конечного и
конечного кнопочного.
Сработав, реле АКН в БМРЦ самоблокируется с проверкой
включённого состояния кнопочных реле промежуточного
блока. В УЭЦ-М, ЭЦ-И и ЭЦ-12 цепь самоблокировки
отсутствует. С обесточиванием кнопочных реле они
выключаются.
213

214.

Схема АКН
в УЭЦ-М
7
у
НП
Н
9
1
М1
М3
у
М7
5
Стр.7
УК
3
1. БМРЦ
ОП
НКН
Стр.1
КН
КН
м ВКМ
АКН НКН
Стр.9 КН
Стр.5
АКН
МП
п
М7
М3
НМI
НМI
3. Включение реле УК
2. ЭЦ-12
ВП
КН
АКН
м ВКМ
Стр.3
УК
Н,М1 НПМ
АКН
п
КН
АКН
КН
АКН
ВКМ м
п
МП
ПУ
НКН
VD
Н,М1
п
НМ
М3
НКН
п
МУ
1/3
НСС
VD
УК
м
ПУ
п
МУ
5/7
НСС
УК
м
214

215.

Схема ПУ, МУ в ЭЦ-И
В цепи ПУ, МУ ЭЦ-И содержится фронтовой контакт
замыкающего реле блоков С-И. Он введен для того, чтобы
исключить накопление маршрута через замкнутые секции
(режим без накопления).
Если в проекте заказан режим с накоплением, то при монтаже
контакт З шунтируется установкой внешних перемычек.
Шунтирование его контактами ПК, МК объясняется
необходимостью включения цепи при повторном задании и
последующей отмене маршрута через ложно занятую секцию.
В таком маршруте в результате проследования
поезда
размыкание маршрута произойдет только до этой секции, а
далее реле З будут без тока.
Это решение не противоречит предыдущему случаю, так как в
накоплении маршрута без изменения положения стрелки
контакт реле З ничего не решает, и его действие сказывается
215
только в накоплении с изменением положения стрелки.

216.

Схема ПУ, МУ в ЭЦ-И
9
7
М5
5
11
М3
М7
М9
МУ

7ПУ
МУ
5ПУ
З
ПК
п
МП
5-11З
УК
5ПУ
ВП
М3
МУ
З
ПУ
ВКМ
ПУ
ми
ВП
МУ
МК
11 С-И
216

217.

Схема включения реле Н (НМ) и КМ (УЭЦ-М,
ЭЦ-И и ЭЦ-12)
Схема реле Н (НМ) во всех унифицированных системах
занимает в маршрутном наборе четвертую цепь межблочных
соединений. Официально она получила название схемы
соответствия, хотя это не совсем верно. Выделение нужной
части ее при задании маршрута осуществляется со стороны
начала контактом противоповторного реле с проверкой
отсутствия замыкания первой секции за сигналом, со
стороны конца – контактом вспомогательного конечного реле.
217

218.

Схема включения реле Н (НМ) и КМ (УЭЦ-М,
ЭЦ-И и ЭЦ-12)
В системах
УЭЦ-М, ЭЦ-И и ЭЦ-12 в схему
соответствия дополнительно вводится контакт реле взреза ВЗ.
Тем
самым
исключается
преждевременная
работа
исполнительной группы до установки охранных стрелок в
требуемое положение или освобождения негабаритных
участков.
Кроме того, в ЭЦ-И в конце схемы содержится
фронтовой контакт замыкающего реле СЗ блоков М1-И, М2-И,
УП-И или исключающего реле И блока ВДП-И. Это не
позволяет преждевременно поставить под ток реле Н в
накопленном маршруте. Аналогичные решения содержатся в
системе ЭЦ-12. Сработав,
реле
Н самоблокируется и
возвращается в исходное состояние после размыкания первой
секции в маршруте.
218

219.

Схема включения реле Н (НМ) и КМ (УЭЦ-М,
ЭЦ-И и ЭЦ-12)
9
7
М5
5
11
М3
ВУ
М
П
М1
Н
5-11З
МП
5-11З
МП
Н
М
ВЗ
4
4
М1-И
М1 НМх2-И
5
С-И
М7
МУ
МК
ПУ
ПК
М9
11
4
С-И
ВЗ
М7
ПУ
ПК
МУ
МК
4
СЗ
М7
4
ВКМ
П
4
М1-И
НМх2-И
219

220.

Вспомогательное управление
Применяется в случаях, когда схема соответствия по
каким-либо причинам не собирается (например, потерян
электрический контакт в контактной системе реле 3-его класса
надежности или не сработала схема стрелочных управляющих
реле и т.п.).
Алгоритм режима вспомогательного управления:
1. Предварительно, если это требуется, стрелки ставятся в
надлежащее
положение
с
помощью
стрелочных
коммутаторов.
2. После этого нажимаются групповая кнопка ВУК и с
удержанием ее – начальная и конечная кнопки (в ЭЦ-И –
прежде обычным порядком задается маршрут, а затем
нажимаются кнопки ВУК и начальная).
220

221.

Вспомогательное управление
3. В результате работают все необходимые реле
маршрутного набора и специальная схема, формирующая
вспомогательную шину управления: общую для всех
сигнальных блоков ВУ – в УЭЦ-М и ЭЦ-И. Появление ее в
блоке с активным состоянием начального узла ведет к
срабатыванию реле Н (НМ) в обход схемы соответствия.
Кнопка ВУК отпускается.
В системе ЭЦ-12
отсутствует.
режим
вспомогательного
управления
221

222.

Схема фиксации кратковременных отказов
Кратковременные отказы в работе напольных устройств
ЭЦ, ведущие к перекрытиям светофоров, относятся к
категории трудно устанавливаемых.
Данные неисправности тяжело наблюдать по
индикаторным средствам пульта-табло, а безрезультатные
поиски причин повреждений порождают конфликтную
ситуацию между ДСП и электромехаником, обслуживающим
устройства.
Задача определения места отказа получила решение при
разработке усовершенствованных систем ЭЦ, в которых была
выделена специальная унифицированная цепь фиксации
неисправностей «ФН» с ограничением ее использования
только в заданных поездных маршрутах.
222

223.

Схема фиксации кратковременных отказов
В
качестве
элементов
памяти
выступают
двухобмоточные реле. Одна из обмоток реле фиксирует
отказ, а другая включается в цепь самоблокировки.
Нормально
цепь
«ФН»
выключена,
позволяя
осуществлять профилактические работы с напольными
устройствами.
При задании поездного маршрута она
контактом начального реле Н входного или выходного
светофора настораживается на восприятие возможного отказа.
При этом часть реле-фиксаторов воспринимает отказ только в
замкнутом маршруте (З).
Разветвление цепи по плану станции осуществляется
контактами стрелочных контрольных реле ПКП, МКП,
являющихся повторителями состояния поляризованного якоря
общего контрольного реле К. Такое решение сохраняет
целостность цепи при потере контроля положения стрелки. 223

224.

Схема фиксации кратковременных отказов
Попутно срабатывает реле фиксации маршрута ФМ,
решающее дополнительную задачу, связанную со снятием
кодирования рельсовых цепей на момент выключения стрелки
из зависимостей. Для этого электромеханик изъятием дужки Д
на релейном стативе обесточивает реле ФМ.
224

225.

Схема фиксации кратковременных отказов
Схема позволяет зафиксировать следующие отказы:
повреждение рельсовой цепи участка удаления от станции (ЧЖ
→ ЧЖК, возможно введение контакта иного реле,
контролирующего состояние участка удаления);
то же бесстрелочного участка пути (ВП → УПК);
то же стрелочной секции (ВСП → СПК);
то же негабаритной секции (ВЗ → ГК),
то же приемоотправочного пути (1П → 1ПК);
отмену ДСП маршрута перед поездом (Н∙ИП∙ОТ → ОТК);
потерю контроля положения стрелки в замкнутом маршруте
(З∙ПК∙МК → СТК).
225

226.

Схема фиксации кратковременных отказов
Срабатывание реле, фиксирующих отказ, ведет к
включению
индикаторных
лампочек
на
пульте
электромеханика и групповой лампочки на табло ДСП. Сброс
реле-фиксаторов в исходное состояние осуществляется
отключением полюса ПСБ путем изъятия предохранителя или
нажатием специальной кнопки.
Одна из особенностей фиксации кратковременного отказа
рельсовой цепи заключается в недопущении ложного
срабатывания реле УП, СПК в результате проследования
поезда по маршруту. Особенно это относится к первой секции
за светофором.
226

227.

Схема фиксации кратковременных отказов
Светофор «Н»
«НП»
ФМН
КПЛ ЧЖ
М
ФМН
Н
М
Н
«1-5СП»
«Ф Н»
«Ф Н»
З
ЧОКС


ВП
ПСБ ОТК
ПСБ УПК
ЧЖК

М
СХ ОТК
ВСП
ПСБ СПК
УПК
ОТК
М
СХ ЧЖК
З

ИП
ОТ
ЧЖК ПСБ
«Ф Н
М
СХ УПК
СПК
М
СХ СПК
К ЧЖ
К ОТ
К УП
К СП
МС
МС
МС
МС
227

228.

Лекция 13
228
English     Русский Правила