7.21M
Похожие презентации:

160、220、260_320电气与液压图2025.5.5

1.

160电气图

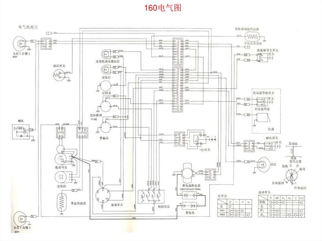
2.

160电气图

3.

220电气图

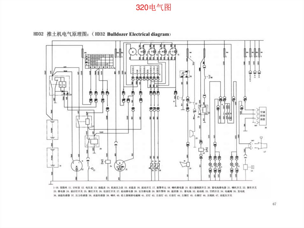
4.

320电气图

5.

160变速液压图

6.

160变速液压图

7.

160转向液压图

8.

160转向液压图

9.

160工作装置液压图

10.

160工作装置液压图

11.

220变速液压图

12.

220变速液压图

13.

220转向变速液压图

14.

220转向变速液压图

15.

220工作装置液压图

16.

220工作装置液压图

17.

220工作装置液压图

18.

320变速液压图

19.

320变速液压图

20.

320转向液压图

21.

320转向液压图

22.

320变速转向液压图

23.

320工作装置液压图

24.

320工作装置液压图

25.

320工作装置液压图
English     Русский Правила