4.90M
Категория: ЭлектроникаЭлектроника

ОЕ Л-2 курсант (1)

1.

ОСНОВИ
ЕЛЕКТРОНІКИ
ТЕМА 1
Пасивні елементи електричних кіл
Passive elements of electric circuits
Лекція № 1/2
ІНДУКТИВНІ ЕЛЕМЕНТИ В ЕЛЕКТРОНІЦІ
INDUCTIVE ELEMENTS IN ELECTRONICS

2.

НАВЧАЛЬНІ ПИТАННЯ:
1. Котушки індуктивності та
дроселі як радіокомпоненти.
2. Трансформатори та їх основні
параметри.

3.

РЕЗУЛЬТАТИ НАВЧАННЯ:
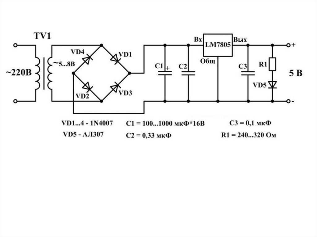
По завершенню заняття курсанти
будуть здатні:
Визначити призначення котушок
індуктивності та трансформаторів.
Пояснити основні параметри та
варіанти застосування котушок індуктивності
і трансформаторів.
Використати на практиці вміння
розраховувати основні параметри котушок
індуктивності та трансформаторів.

4.

Навчальна література:
Л 1. Основи електроніки. Ч 1. Основи аналогової
електроніки: Навч. Посіб. – Житомир: ЖВІ, 2025. – 144 с.
(стор. 25–39).
Л 2.
Комп’ютерна електроніка: Навч. Посіб. –
Житомир: ЖВІ, 2017. – 613 с. (с. 44–59).
Л 3. Шабатура Ю., Ільків І., Цибуляк Б., Дверій О.
Електротехніка, електроніка та автоматика у військовій
техніці. Навчально-методичний
посібник. – Львів:
Національна академія сухопутних військ, 2022. – 203 с.
Л 4. Терещук Р.М. та інші. Довідник радіоаматора. – Київ:
наукова думка. 1987. – 800 с.
Л 5. Torrieri N. Electronic devices elements. – Boston:
SWMA University, 2018. – 324 р.

5.

Глосарій термінів
Котушка індуктивності - Inductance coil
Дросель - Throttle
Трансформатор - Transformer
Реактивний опір - Reactance
Коливальний контур - Oscillating circuit
Фільтр - Filter
Магнітопровід - Magnetic wire
Первинна обмотка - Primary winding
Вторинна обмотка - Secondary winding
Коефіцієнт корисної дії - Efficiency coefficient
Понижувальний - Humiliating
Підвищувальний - Enhancing

6.

1. Котушки індуктивності та
дроселі як радіокомпоненти.

7.

Для більш якісного згладжування випрямленої напруги
застосовують фільтри з RC - або з LC - ланкою
DC-DC понижувальні та підвищувальні перетворювачі

8.

Котушка індуктивності в колі постійного
струму

9.

Котушками
індуктивності
(КІ)
називаються пасивні радіокомпоненти, які в
електричному
колі
змінного
струму
створюють реактивний опір індуктивного
характеру.

10.

Призначення КІ:
робота в коливальних контурах;
робота в якості фільтруючих елементів;
робота в якості елементів зв'язку між
колами та каскадами.

11.

Основний параметр котушок
індуктивності
Індуктивність (L).
Одиниці вимірювання – Генрі (Гн):
1 Гн = 103 мГн = 106 мкГн = 109 нГн
(Генрі Джозеф американський вчений, фізик
1797 – 1878 р.)

12.

Класифікація КІ:
За характером зміни індуктивності:
постійної індуктивності;
з регулюванням індуктивності;
За конструктивними ознаками:
без магнітопроводу;
з магнітопроводом (осердям);
За типом осердя:
з феритовим осердям;
з осердям з магнітодіелектрика;
з діамагнітним осердям.

13.

а)
б)
в)
г)
Умовне графічне зображення КІ:
а – постійна без осердя;
б – змінна підстроювальна з магнітодіелектричним осердям;
в – змінна регулювальна з феритовим
осердям;
г – постійна з діамагнітним осердям.

14.

За типом намотки:
безкаркасні;
каркасні з рядовою одношаровою намоткою;
каркасні з рядовою багатошаровою намоткою;
каркасні одношарові з кроковою намоткою;
каркасні багатошарові з намоткою в навал;
каркасні
багатошарові
з
намоткою
“Універсаль".
Дріт зміщується вздовж
осі вала під час
намотування,
утворюючи зигзаг (не
щільний).
Призначення: Зниженн
я паразитної ємності між
витками, що важливо
для високочастотних
застосувань.

15.

Одношарові циліндричні котушки
Виконуються
на
діелектричних
каркасах або без них.

16.

Індуктивність одношарової котушки
з рядовою (суцільною) намоткою
розраховується за формулою:
L = 0,01·D·w2 /[(ℓ/D) + 0,44],
де: L – індуктивність в мкГн;
D – діаметр котушки в см;
ℓ – довжина намотки в см;
w – число витків. ℓ
D

17.

Дроселі
Дросель - різновид котушок, що має
велику індуктивність та великий
реактивний опір змінній складовій
струму
Багато витків
та
магнітопровід
(осердя)!

18.

У момент комутації котушка
індуктивності чи дросель є
розривом кола (струм не пропускає)!
Часова область
вхідний
сигнал
Частотна
область
Uвих
F

19.

Високі частоти котушка
індуктивності чи дросель пропускає
погано, а постійну складову – добре
Uвих
F

20.

21.

Понижуючий DC-DC
Підвищуючий DC-DC

22.

2. Трансформатори та їх основні
параметри
Трансформатор – пристрій, який
перетворює значення змінних напруг
та струмів.

23.

Обмотка, яка підключена до первинної
мережі живлення (або джерела сигналу)
називається – первинною, а обмотка
до якої підключене коло навантаження
– вторинною обмоткою.

24.

Трансформатор
складається
феромагнітного
магнітопроводу
та
розташованих на ньому обмоток.
з
з
Принцип дії трансформатора полягає:
- в перетворенні енергії електричного поля
первинної обмотки в енергію магнітного
поля,
- та перетворення енергії магнітного поля в
енергію електричного поля вторинної
обмотки.

25.

Понижуючий трансформатор
Підвищуючий трансформатор

26.

Тр. живлення – призначені для
перетворення напруги електричної
мережі в напругу, необхідну для
живлення РЕА.
Сигнальні Тр. – це Тр. малої
потужності, призначені для передачі та
перетворення електричних сигналів.

27.

Магнітопроводи трансформаторів
b
y2
y
y
h
h
y1
броньовані;
b
d
y1
b
стрижневі;
D
тороїдальні.

28.

Основні параметри Тр.
номінальна потужність – це сума
номінальних потужностей вторинних
обмоток трансформатора.
номінальна потужність
вторинних
обмоток
розраховується
як
добуток
струму
при
номінальному
опорі
навантаження на напругу
РНОМ = ІНОМ UНОМ .

29.

Коефіцієнт трансформації (n) –
відношення напруг на зажимах
первинної та вторинної обмоток Тр.
при роботі його в режимі холостого
ходу
U
n
1
U2
( XX )

30.

Коефіцієнт корисної дії Тр.
РНОМ
РНОМ РМП РОБ
де РМП – потужність втрат в магнітопроводі;
РОБ – потужність втрат в обмотках.
Типове значення ККД трансформаторів –
близько 95%

31.

Умовні
графічні
трансформаторів
без осердя
з постійним
зв’язком
підстроювальний
зображення
без осердя зі
змінним зв’язком
магнітодіелектри
чне осердя
кожна з обмоток
підстроюється
феромагнітне
осердя

32.

Методика розрахунку трансформатора
живлення:
1.Розрахувати номінальну
потужність та габаритну потужність
трансформатора
PН = U2 · І2 + U3 · І3 …
PГАБ = PН/ η .
(η=0,8)
2.Визначити площу поперечного
перерізу трансформатора
S =0,8· √ PГАБ (см2.)
Н h
3.Визначити кількість витків для
створення 1В напруги
n = U1 / U2;
n' =n/S (вит./В.)
4.Визначити кількість витків кожної
обмотки
w = n' · U (вит).
У2
У
b
L
У1

33.

Методика розрахунку трансформатора
живлення:
5. Визначити струм первинної
обмотки
І1 = PГАБ / U1 (А.)
6. Визначити діаметри дротів кожної
обмотки
d1= 0,65·√ І (мм.)
7. Вибрати поперечний перетин Н
h
броньованого магнітопроводу
S=у · у1 (мм2.)
8. Вибрати магнітопровід з довідника
Л 4. Терещук Р.М. та інші. Довідник
радіоаматора. с. 112.
У2
У
b
L
У1

34.

35.

Рис. Індуктивні радіокомпоненти

36.

L1 – це котушка індуктивності чи дросель ?

37.

38.

39.

ВИСНОВКИ:
Трансформатор дозволяє збільшити або
зменшити гармонічну напругу (струм).
Основними параметрами
трансформатора є: коефіцієнт
трансформації; номінальна потужність.
Основними параметрами КІ та Др є:
- Індуктивність (мГн, мкГн, нГн);
- активний опір (долі…десятки Ом);
- максимальний струм.
- реактивний опір, пропорційний частоті
гармонічного струму.
English     Русский Правила