4.35M
Категория:
Промышленность
Похожие презентации:
Монтаж комплектных трансформаторных подстанций
Комплектные трансформаторные подстанции 6(10)/ 0,4 кв
Подстанции трансформаторные комплектные производства Хмельницкого завода
Трансформаторные подстанции
Назначение, размещение типы и классификация трансформаторных подстанций. Тема 10
Назначение, размещение, типы и классификация трансформаторных подстанций. Тема 10
ВКР: Реконструкция трансформаторной подстанции
Трансформаторные подстанции
ВКР: Реконструкция трансформаторной подстанции 110/35/6 кВ
Техническое обслуживание и ремонт трансформаторной подстанции
Комплектные трансформаторные подстанции блочного типа (КТПБ)
1.
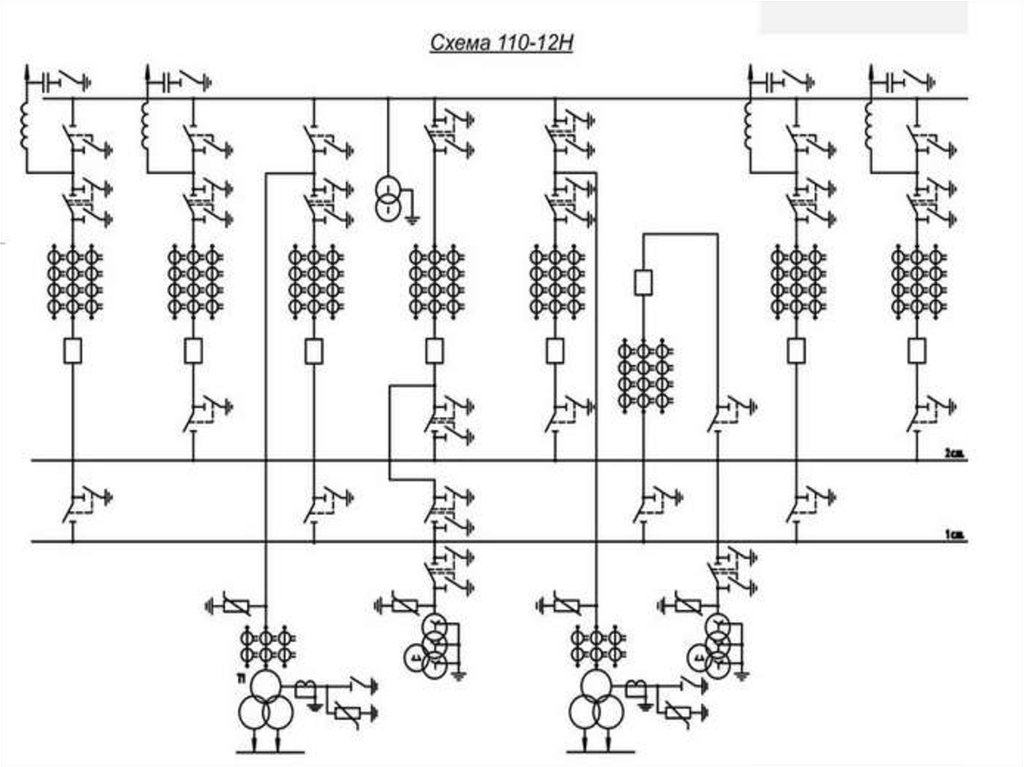
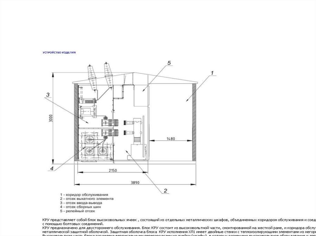
Комплектные трансформаторные подстанции блочного типа (КТПБ)
Лабораторная работа по курсу электрические станции и
подстанции
2.
3.
4.
5.
6.
7.
8.
9.
Элементы конструкции ОРУ 110кВ: Блок приема ВЛ (слева) Блок разъединителей (справа)
10.
Блоки элегазового выключателя ВГТ 110 (слева) и трансформатора тока ТМБО 110 (справа)
11.
Блоки трансформатора напряжения НАМИ110 (слева) и опорных изоляторов (справа)
12.
13.
14.
15.
Блок высокой готовности (УЭТМ)
English
Русский
Правила