В экономическом разделе сделан расчет затрат на разработку проекта и рассчитана экономическая эффективность и срок окупаемости.

Модернизация автоматизированной системы контроля и учета электроэнергии АО «Петровский электромеханический завод «Молот»

1.

Дипломный проект на тему:
Модернизация автоматизированной
системы контроля и учета
электроэнергии
АО «Петровский электромеханический
завод «Молот»
Выполнил: ст. группы 15УА2бзи
Хмельницкий Михаил Андреевич
Руководитель: Э.А. Магомедова

2.

Объектом разработки является
автоматизированная система коммерческого учета
электроэнергии, осуществляющая сбор и обработку
информации об энергопотреблении с
электросчетчиков (ЭС), и последующую передачу
данных на АРМ «ПЭМЗ «Молот», АРМ
«Саратовэнерго».
Цель проектирования – создание
автоматизированной системы коммерческого учета
электроэнергии, соответствующей требованиям,
предъявляемым к современным АСКУЭ (период
обновления информации, скорость передачи данных,
точность измерений и т. д.).
.

3.

Задачи ВКР:
Организовать систему оперативного контроля
сальдо перетоков электрической мощности АО
«ПЭМЗ» Молот», предусматривающей сбор и выдачу
следующей телеметрической информации в режиме
реального времени:
- мощность активная и реактивная суммарная на фидерах 6 кВ с
ПС «Петровск» и отходящих фидерах субабонентов 0,4 кВ, с
задержкой предоставления информации не более 10 сек;
- потребление и перетоки по межсистемным линиям с
интервалом 10 сек.
Для обеспечения обмена информацией АО «ПЭМЗ» с НП
«АТС» необходимо обеспечить организацию цифровых каналов
связи (основного и резервного) с пропускной способностью не
ниже 64 кбит/сек (коэффициент готовности не ниже 99%, время
восстановления не более 60 минут).
Обеспечить передачу оперативных данных с системы АСКУЭ
АО «ПЭМЗ» » в ОАО «Саратовэнерго».

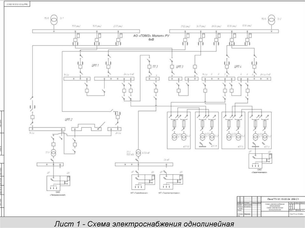
4.

Лист 1 - Схема электроснабжения однолинейная

5.

Лист 2 - Структурная схема АСКУЭ

6.

Лист 3 - Иерархическая схема АСКУЭ

7.

Лист 4 - Схема подключения счетчика через ИТТ и ИТН

8.

Лист 5 - Характеристики надежности ИК АСКУЭ

9.

Заключение:
Сбор данных со счетчиков электроэнергии производится
параллельно по нескольким линиям.
Четырехпортовый асинхронный сервер Nport 5410 и медиаконвертер IMC-101 предназначены для параллельного опроса
счетчиков и синхронной передачи данных на УСПД. Такая схема
подключения обеспечивает передачу данных о потреблении
энергии и межсистемных перетоках в режиме реального времени
с интервалом 10 сек.
Контроллер ЭКОМ-3000М периодически опрашивает
аппаратуру нижнего уровня, анализирует полученную
информацию на достоверность, контролирует исправность
каналов связи и преобразует полученные сигналы в физические
величины, организуя архив и контролируя заданные предельные
значения параметров энергопотребления.
Данные с УСПД в режиме реального времени через сотовый
терминал передаются в НП «АТС». При выходе из строя
основного информационного канала и на период его ремонта,
передача данных АСКУЭ осуществляется через коммутируемое
соединение (резервный канал) на отдельном телефонном
номере.

10. В экономическом разделе сделан расчет затрат на разработку проекта и рассчитана экономическая эффективность и срок окупаемости.

11.

Спасибо за внимание!
English     Русский Правила