4.09M
Категория: ФизикаФизика

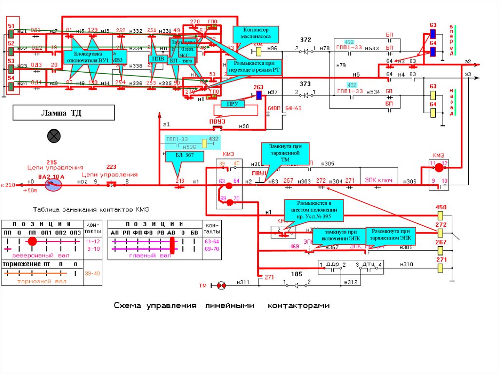
Расположение панелей и описание схемы ВЛ-80с

1.

2.

3.

4.

5.

ФР
В цепи
вкл
МВ
Реле оборотов
В цепи МК и 125 к-ра

6.

Вкл. при
вкл ФР
Вкл. при вкл ФР
РД
7.5-9.0
Вкл. при вкл. ФР
Вкл. при вкл. ФР
Вкл. при вкл. ФР
Вкл. при вкл. ФР
Разглузочный
Вентель
МК

7.

Бокировка
Блокировка
МВ4
ППВ
контактора
отключателя
ВУ1
ВУ2 МВ3
ЗамкнутыН
Замкнуты
а 00поз.
На
поз.
ЭКГ
ППВ БП - тяга
Контактор
маслонасоса
Размыкается
Размыкаетсяпри
при
переходе
переходевврежим
режимРТ
РТ
ПРУ
Лампа ТД
БЛ. 367
Замкнута при
заряженной
ТМ
Размыкается в
шестом положении
кр. Усл.№ 395
замкнута при
включении ЭПК
Разомкнута при
заряженном ЭПК

8.

Блокировка
П.Р.
Блокировки
БлокировкиЭКГ
ЭКГ
(Замкнуты
на промежуточных
позициях)
(Замкнуты
на переходных позициях)
Блокировки линейных контакторов
(замкнуты при отключенных контакторах)

9.

Продолжение следует ! ( mixfalo@mail.ru)
English     Русский Правила