2.63M
Категория: ЭлектроникаЭлектроника

Датчик Холла ДХК-0,5

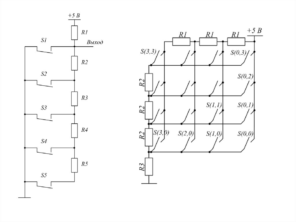
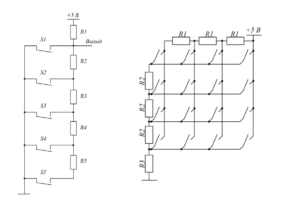
1.

2.

3.

4.

5.

6.

7.

Uвых, В
2,500
3,333
3,750
4,000
4,167
4,286
4,375
4,444
4,500
4,545
АЦП
512
682
767
818
853
877
895
909
921
930
%
75,00
88,89
93,75
96,00
97,22
97,96
98,44
98,77
99,00
99,17
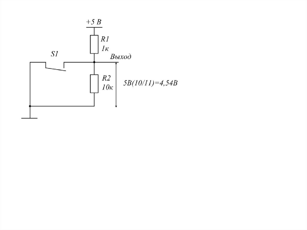
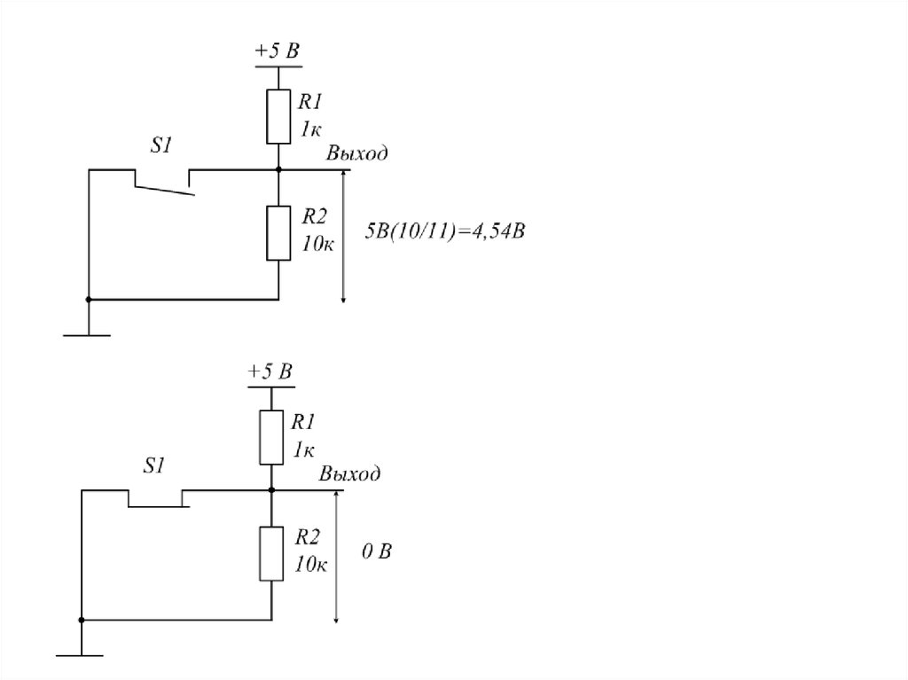
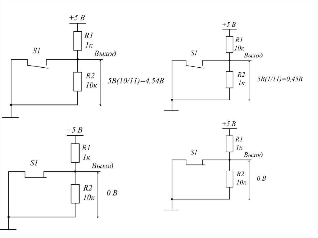
5В/1023=0,0049В
D
0,833
0,417
0,250
0,167
0,119
0,089
0,069
0,056
0,045
0,038

8.

9.

10.

11.

Датчик Холла ДХК-0,5

12.

Датчик Холла ДХК-0,5

13.

Подключение ДХК-0,5 к АЦП МК
+9 В

МК
27к
+Uх
А0
27к
-Iх
+Iх
+
-Uх

14.

Индикатор магнитного поля, на основе аналогового
датчика Холла ДХК-0,5 и МК Arduino
Стабилизированное
Входное
+5В
нестабилизированное
напряжение 7 12 В
Светодиоды – как
индикаторы
Reset
Белый
Красный
Зеленый
Черный
+5В
К датчику Холла

15.

16.

17.

18.

19.

Поддержка памяти DDR3
Поддержка процессоров:
Core i7
Core i5
Core i3
VCC Processor core power supply.
VSS Processor ground.
VTT L3 shared cache, memory
controller, and processor
I/O power rail.
VDDQ DDR3 power rail.
Socket 1156
English     Русский Правила