5.83M
Категория:
Менеджмент
Похожие презентации:
Алгоритм действий на выполнение проектных работ
Моделирование сценариев исполнения бизнес-процессов (IDEF3)
Управление технологическими процессами
Типизация технологических процессов
Нормирование технологических процессов
Автоматизация рутинных процессов
Автоматизация технологических процессов камнеобрабатывающего и ювелирного производств (главы 4-6)
Разработка нормативной документации для выполнения дизайн-проекта
Современные проблемы автоматизации (процессов) управления
Автоматизация группы бизнес процессов подразделения
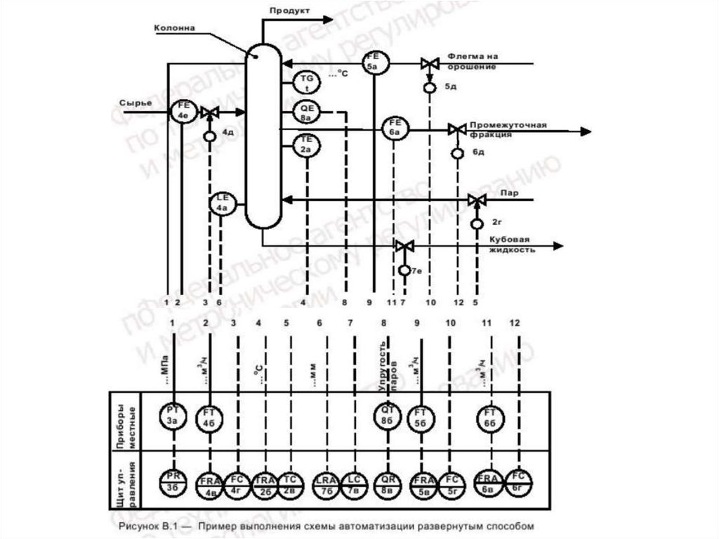
Правила выполнения рабочей документации автоматизации технологических процессов
1.
English
Русский
Правила