2.08M
Категория: СтроительствоСтроительство

Формы несущих конструкций сейсмостойких каркасов

1.

ЭФФЕКТИВНЫЕ КОНСТРУКТИВНЫЕ
ФОРМЫ НЕСУЩИХ КОНСТРУКЦИЙ
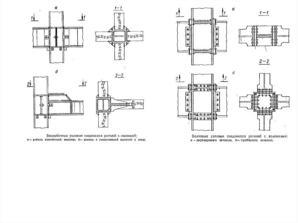
СЕЙСМОСТОЙКИХ КАРКАСОВ
Исмаилов Э.Н. ТПЗС-181

2.

АКТУАЛЬНОСТЬ
• Финансирование экономики и рост городов Республики Крым
приводит к интенсивному строительству на территориях
расположенных в сейсмических районах. Так, активное развитие
туризма ведет к плотной застройке и на южном берегу Крыма.
• Работа над увеличением эффективности строительства на
сейсмоопасных участках нашей станы также актуальна в
регионах Северного Кавказа, юга Сибири и Дальнего Востока, где
интенсивность сейсмических сотрясений достигает 8–9 и 9–10
баллов. Определенная заинтересованность представляется и на
6–7-балльные зонах в густозаселенной Европейской части России.

3.

Усредненные ускорения, на которые
ведется расчет зданий и сооружений
При проектировании стальных сейсмостойких каркасов
важно обеспечение надежности работы конструкций на
возможные перегрузки во время землетрясений.

4.

• Применение пространственных
стальных каркасов помогает
снизить расход металла по
сравнению с традиционными
рамными решениями и
значительно уменьшить
трудоемкость изготовления и
особенно монтажа конструкций.
• Традиционные стальные рамные
каркасы широко применяются в
сейсмостойком строительстве
зданий высотой 10-20 этажей.
Если расчетные схемы таких
каркасов практически не
отличаются от обычных,
строящихся в несейсмических
районах, то конструктивные
решения элементов и узловых
соединений каркасов
повышенной сейсмостойкостью
имеют новые формы.

5.

Гофрирование обеспечивает устойчивость стенки при
минимальной ее толщине , что очень важно при работе ригелей в
пластической стадии .

6.

• Характерной особенностью эффективных конструктивных решений узловых
соединений является значительное уширение поясов ригелей в месте прикрепления
к колонне с плавным переходом к основному сечению.
• Рамные узлы новой конструкции позволили вынести области пластических
деформаций в поясах ригелей из зоны сварных соединений , благодаря чему
повысилась надежность работы каркаса в целом при землетрясениях.

7.

8.

9.

10.

• Связевые и рамно-связевые каркасы, как правило, экономичнее рамных. Для
увеличения энергопоглощающей способности таких каркасов в систему связей
включены специальные элементы, работающие в пластической стадии.
• Применяют энергопоглотители пластичного, кольцевого, трубчатого,
балочного и сдвигового типов

11.

• Энергопоглотитель сдвигового типа

12.

• Энергогоситель балочного типа

13.

• Энергогоситель кольцевого типа

14.

• ПРИНЦИПЫ КОНСТРУИРОВАНИЯ КАРКАСОВ
• Каркас здания должен иметь простую конструктивную схему,
желательно с одинаковым шагом колонн.
• Развитие пластических деформаций допускается в элементах,
работающих на изгиб и сдвиг.
• Элементы, несущая способность которых определяется
устойчивостью - колонны, должны быть защищены от возможных
перегрузок при землетрясении.
• Зоны развития пластических деформаций должны быть вынесены
за пределы сварных и болтовых соединений.
• Области упругопластической работы должны иметь плавные
формы без концентраторов деформаций.
• Каркасы должны иметь упруго работающие ядра, способные
вернуть здание в первоначальное положение.
• Связевые и рамносвязевые каркасы должны быть оснащены
специальными энергопоглотителями.
English     Русский Правила