1.19M
Похожие презентации:

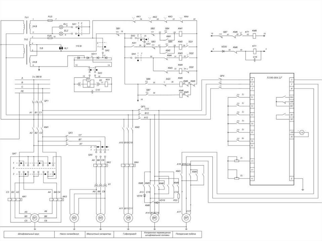
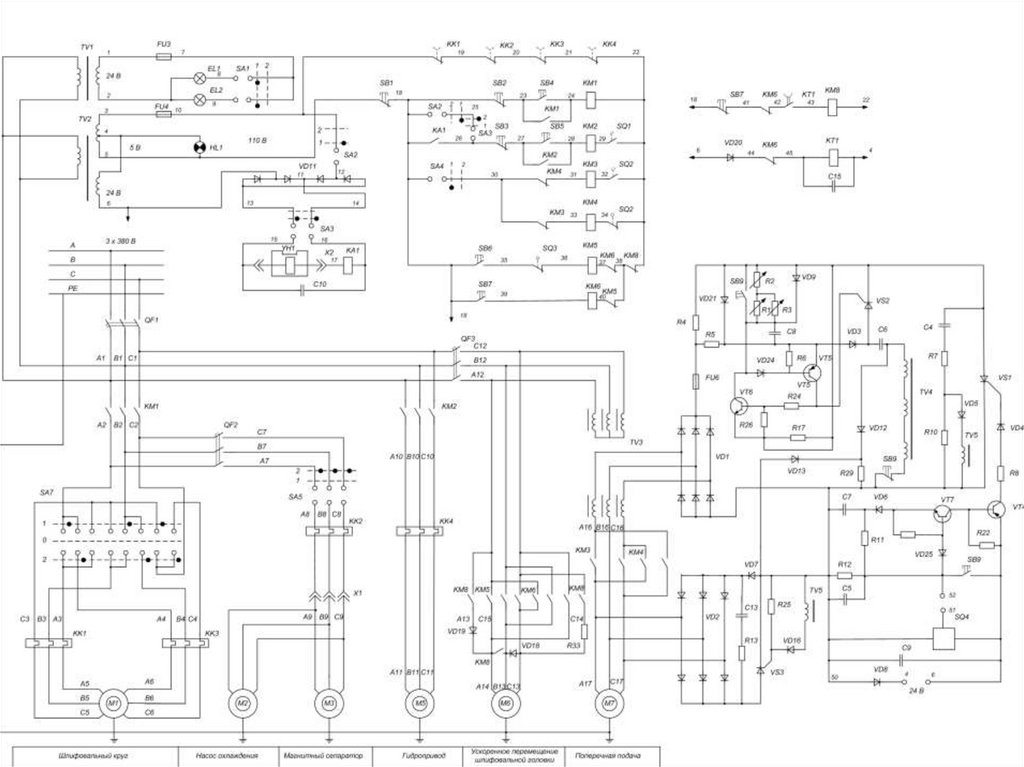
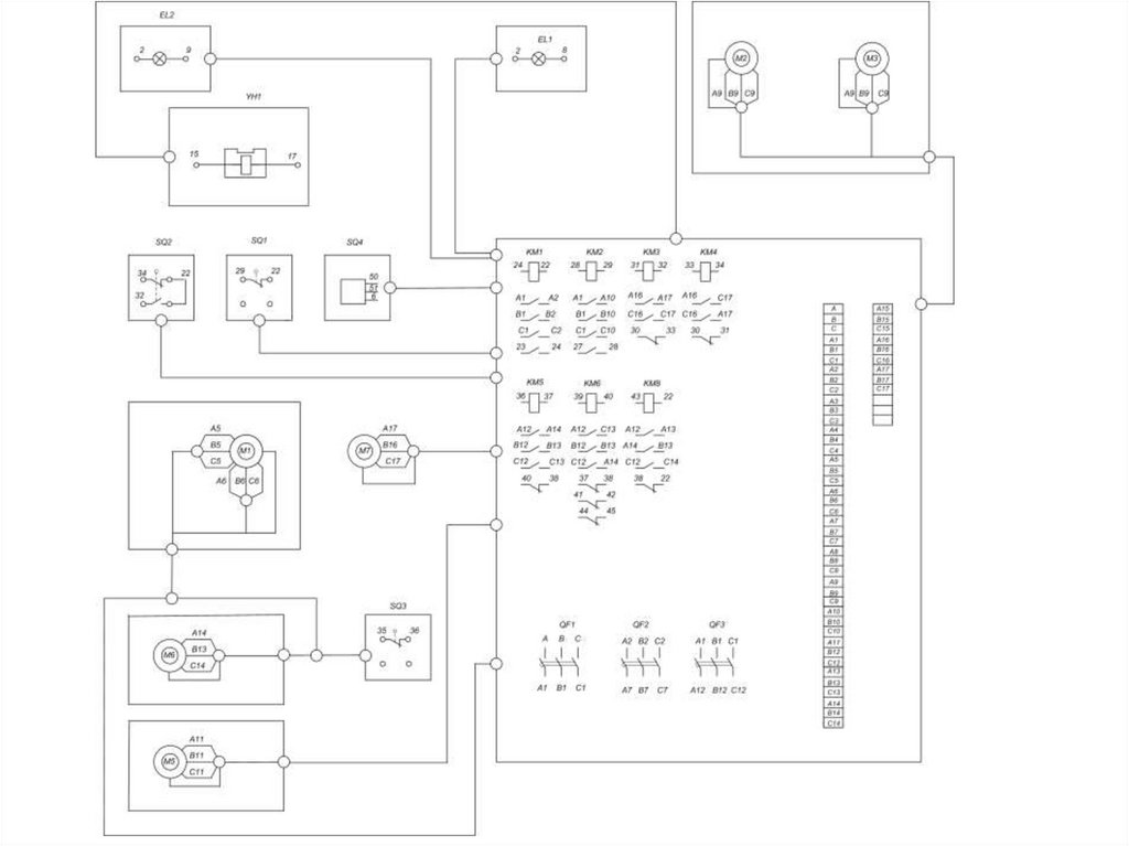
Организация технического обслуживания электрического и электромеханического оборудования плоскошлифовального станка

1.

Выпускная квалификационная работа
Дипломный проект
Организация технического обслуживания
электрического и электромеханического оборудования
плоскошлифовального станка высокой точности модели
3Б70В
Группа Э – 16-1
Студент Ваганов Никита Игоревич
English     Русский Правила