212.15K
Категория: МатематикаМатематика

Дискретная математика. Занятие № 9

1.

ЗАНЯТИЕ № 9
ДИСКРЕТНАЯ МАТЕМАТИКА

2.

ЗАДАНИЯ ДЛЯ ЗАНЯТИЯ № 9
• Учебное пособие Исмагилов Е.И. «Булевы функции и
построение логических схем», Издательство МИРЭА.
• Задание 1.
• Стр. 143: Построить таблицу булевой функции f(x, y, z),
заданной формулой (формулы указаны в таблице:
формулы 12, 14, 29).
• Таким образом в задании 1 – построить три таблицы.

3.

ЗАДАНИЯ ДЛЯ ЗАНЯТИЯ № 9
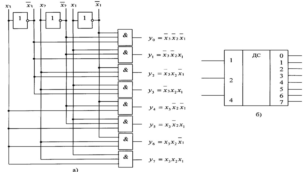
• Задание 2
• В этом же пособии на стр. 140 -142 п.19.2.3 показана схема
построения дешифратора на два входа и четыре выхода.
• Следующий слайд – представлено построение дешифратора на 3
входа и 8 выходов. Представлены уравнения, формирующие
выходы дешифратора.
Выход дешифратора формирует
унитарный (его еще называют унарный) код, т.е. код, который
имеет в одном из своих разрядов «лог.1», а остальные разряды
равны «лог. о».
• 1.Для слайда 5 построить таблицу функционирования
дешифратора (базис И, НЕ)

4.

ЗАДАНИЯ ДЛЯ ЗАНЯТИЯ № 9
• 2. Слайд 6 – представлен неполный дешифратор : 4 входа и 10
выходов. Представить таблицу функционирования этого дешифратора
(базис И-НЕ, НЕ).
• 3. Слайд 7- дано построение дешифратора по макстермам
(противоположно минтермам). На слайде представлены уравнения,
таблица функционирования дешифратора. По уравнениям постройте
схему (базис ИЛИ, НЕ).
• 3. Вам необходимо построить дешифратор на 4 входа и 16 выходов в
базисе ИЛИ-НЕ, НЕ, т. е. уравнения, описывающие дешифратор
(конъюнкции), преобразовать по закону де Моргана. Выпишите
уравнения для дешифратора и таблицу его функционирования.
• И так, 1-ое задание состоит из 3-х упражнений;
• 2-е задание состоит также из 4-х упражнений.

5.


6.


7.


English     Русский Правила