124.34K
Категория: ФизикаФизика

Уравнения электрического состояния

1.

Уравнения электрического
состояния
Анализ электрической цепи может быть произведен
экспериментально или решением уравнений ее
электрического состояния. Уравнения электрического
состояния для ветви, узла и контура составляются на
основе закона Ома, закона сохранения заряда и закона
сохранения энергии.

2.

Уравнение для ветви.
• Рассмотрим неразветвленный участок
электрической цепи. Ток направлен от
высшего потенциала к низшему, т.е. если
предположить, что ϕ1 > ϕ 2, то ток и
напряжение будут направлены от точки 1 к
точке 2.

3.

При составлении уравнения электрического
состояния для ветви слагаемые берут со знаком
«-», если на заданном участке происходит
падение потенциала (э.д.с. направлена
навстречу току, сопротивление) и со знаком
«+», если потенциал увеличивается.
Для данной ветви:
ϕ 2= ϕ 1- I R1+ Е1- I R2-Е 2 - I R3
отсюда
n
I= 1 2 Е1 Е 2 U 12 k 1 E
R1 R2 R3
m
R
p 1

4.

Уравнение электрического состояния
для узла. (Первый закон Кирхгофа).
Первый закон Кирхгофа формулируется:
алгебраическая сумма токов в узле электрической
цепи в любой момент времени равна нулю.
Другая формулировка: сумма токов,
приходящих к узлу электрической цепи, равна
сумме токов, уходящих из этого узла. Причем
приходящие к узлу токи считаются положительными, а уходящие – отрицательными.

5.

Уравнение электрического состояния
для узла. (Первый закон Кирхгофа).
Первый закон Кирхгофа формулируется:
алгебраическая сумма токов в узле электрической
цепи в любой момент времени равна нулю. Причем
приходящие к узлу токи считаются положительными, а уходящие – отрицательными.
Другая формулировка: сумма токов,
приходящих к узлу электрической цепи, равна
сумме токов, уходящих из этого узла.

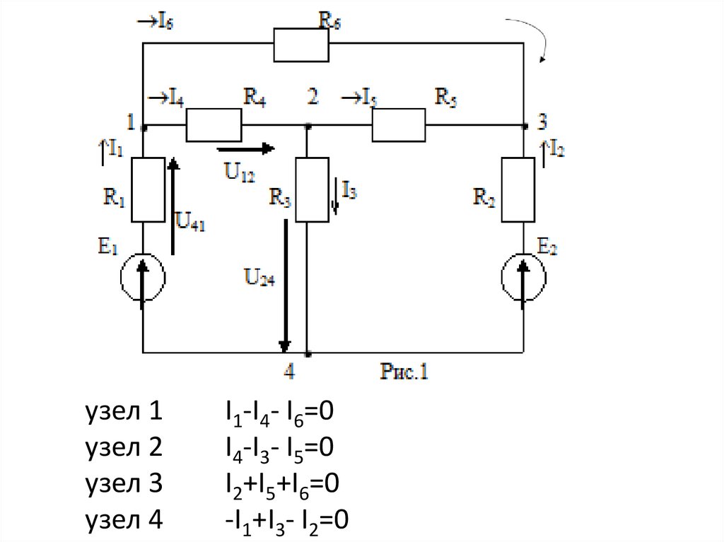
6.

узел 1
узел 2
узел 3
узел 4
I1-I4- I6=0
I4-I3- I5=0
I2+I5+I6=0
-I1+I3- I2=0

7.

Уравнение электрического состояния для
контура (второй закон Кирхгофа).
Формулируется: в замкнутом контуре,
алгебраическая сумма падений напряжения
на участках , равна алгебраической сумме
э.д.с. действующих в этом контуре.
n
m
U E
k 1
k
p 1
p
n- число пассивных элементов (R, C, L), mчисло источников э.д.с.

8.

Если напряжение на каждом участке выразить
через ток и сопротивление по закону Ома, то
уравнение будет иметь вид:
n
m
I R E
k 1
k
k
p 1
p
При составлении уравнений, слагаемые берут
со знаком «+», если напряжение и э.д.с.
совпадают с направлением обхода контура, и со
знаком «-», если их действия противоположны
направлению обхода.
Например: рис.1 уравнение эл. состояния для
контура 1-2-4 имеет вид:
U12+U24+U41= E1
English     Русский Правила