307.62K
Категория: ПрограммированиеПрограммирование

Типы данных и система команд ЭМ ЭВМ

1.

Типы данных
и система команд
ЭМ ЭВМ

2.

3.

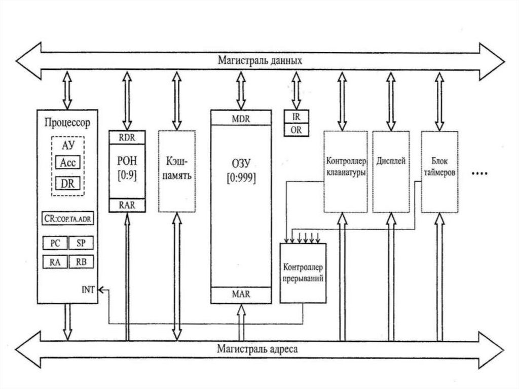
Процессор состоит из
• центрального
устройства управления
(УУ)
• арифметического
устройства (АУ)

4.

• АУ осуществляет выполнение
одной из арифметических
операций, определяемой
кодом операции (СОР), над
содержимым аккумулятора
(Асc) и регистра операнда
(DR). Результат операции
всегда помещается в Асc.

5.

В состав УУ ЭВМ входят:
• PC — счетчик адреса команды,
содержащий адрес следующей команды
• CR — регистр команды, содержащий код
команды
• RB — регистр базового адреса,
содержащий базовый адрес
• SP — указатель стека, содержащий адрес
верхушки стека;
• RA— регистр адреса, содержащий
исполнительный адрес при косвенной
адресации

6.

Регистры
Асc, DR, IR, OR, CR и все
ячейки ОЗУ и РОН имеют
длину 6 десятичных
разрядов,
регистры PC, SP, RA и RB
— 3 разряда.

7.

Представление данных в
модели
• Данные в ЭВМ представляются
в формате, показанном на рис.
• Это целые десятичные числа,
изменяющиеся в диапазоне
"-99 999...+99 999",
содержащие знак и 5 десятичных цифр.

8.

ФОРМАТ ДАННЫХ ЭМ ЭВМ
0
Знак
1
2
3
4
Десятичные цифры
5

9.

• Старший разряд слова
данных используется для
кодирования знака:
• плюс (+) изображается как 0
• минус (-)— как 1.

10.

Форматы команд
• Большинство команд
учебной ЭВМ длиной в
одно машинное слово (6
разрядов).

11.

Форматы команд
В форматах команд выделяется три поля
• два старших разряда [0:1] определяют код
операции СОР
• разряд 2 определяет тип адресации
• разряды [3:5] адресная часть команды

12.

ФОРМАТ КОМАНД ЭМ ЭВМ
0
1
2
3
4
5
СОР
ТА
ADR
Код
Тип Адресная часть
адресации
операции
команды

13.

Способы адресации
Код
ТА
0
Тип
Адресации
Прямая
(регистровая)
Обозначение
Исполни- Пример
тельный команадрес
ды
Adr (R)
ADD 23
Загрузка операнда в регистр DR из
ОЗУ по адресу 23 и выполняется
команда Acc=Acc+DR

14.

Способы адресации
Код
ТА
1
Тип
Обозна- Исполни- Пример
Адресачение
тельный команции
адрес
ды
Непосред#
ADD #23
ственная
Адресная часть команды содержит
операнд 23, который загружается в
регистр DR и выполняется команда
Acc=Acc+DR

15.

Способы адресации
Код
ТА
2
Тип
Адресации
Косвенная
Обозна- Исполни- Пример
чение
тельный команадрес
ды
@
ОЗУ(Adr) ADD @23
[3:5]
Адресная часть команды содержит адрес
адреса операнда, который загружается в
регистр DR и выполняется команда
Acc=Acc+DR
English     Русский Правила