ЛЕКЦИЯ 1
853.06K
Категория: ПромышленностьПромышленность

Электрические схемы распределительных устройств станций и подстанций. Лекция 1

1. ЛЕКЦИЯ 1

ЭЛЕКТРИЧЕСКИЕ СХЕМЫ
РАСПРЕДЕЛИТЕЛЬНЫХ УСТРОЙСТВ
СТАНЦИЙ И ПОДСТАНЦИЙ
Разработчик и лектор: к.т.н., профессор кафедры
Электроэнергетика Леньков Юрий Аркадьевич

2.

1.1 Требования, предъявляемые к распределительным
устройствам, их классификация и область применения
Распределительные устройства служат для приема
электрической энергии от источников питания и распределения
ее между потребителями.
Схемы электрических соединений распределительных
устройств 35−750 кВ должны удовлетворять требованиям по
надежности электро- и теплоснабжения.
- ремонт выключателей 110 кВ и выше должен производиться
без отключения присоединений;
- отключение воздушных линий со стороны электростанции
должно осуществляться, как правило, не более чем двумя
выключателями. Отключение повышающих трансформаторов,

3.

трансформаторов связи, трансформаторов собственных нужд
должно осуществляться, как правило, не более чем двумя
выключателями с каждой стороны;
- отказы выключателей в РУ как в нормальном, так и в
ремонтном состоянии схемы не должны приводить к
одновременному отключению нескольких линий;
- отказы выключателей в РУ не должны приводить к потере
более одного блока в нормальном состоянии и не более двух
блоков в ремонтном состоянии.
НТП рекомендует для распределительных устройств с
числом присоединений не более четырех применять схемы
треугольника, четырехугольника или мостика.
Для распределительных устройств с большим числом
присоединений, согласно НТП, могут применяться схемы,
представленные в таблице 1.

4.

Таблица 1 – Типовые схемы распределительных устройств электрических станций
Распределительное устройство напряжением, кВ
Схема электрических соединений
Блочные
35

110
+
220
+
330
+
500
+
750
+
Мостики
+
+
+
+
+
+
+






+
+



+






+
+



Схема 3/2



+
+
+
Схема 4/3



+
+
+



+
+
+



+
+
+



+
+
+
Одна секционированная система сборных шин
Одна секционированная система сборных шин с обходной
Две системы сборных шин
Две системы сборных шин с обходной
Многоугольники (до шести включительно)
Два связанных многоугольника
Генератор-трансформатор-линия
многоугольником
с
уравнительно-обходным

5.

В распределительных устройствах напряжением 330−750 кВ,
выполненных по схемам 3/2 или 4/3, допускается по условиям
надежности секционирование систем шин при наличии не менее
трех связей между системами шин.
При наличии нескольких вариантов схем, удовлетворяющих
требованиям надежности, предпочтение отдается:
- более простому и экономичному варианту;
- варианту, по которому требуется наименьшее количество
операций с выключателями и разъединителями РУ
повышенного напряжения при оперативных переключениях и
при выводе в ремонт.
Распределительные устройства генераторного напряжения
6−10 кВ выполняются, как правило, с одной системой шин.

6.

1.2 Электрические схемы радиального типа
1.2.1 Общие сведения
К электрическим схемам радиального типа, относятся схемы:
- с одной несекционированной рабочей системой сборных
шин;
- с одной секционированной рабочей системой сборных шин;
- с одной секционированной рабочей и обходной системами
сборных шин;
- с двумя рабочими системами сборных шин;
- с двумя рабочими и обходной системами сборных шин.
1.2.2 Несекционированная рабочая система шин
Несекционированная рабочая система шин представлена на
рисунке 1.

7.

Рисунок 1 - Схема с одной несекционированной системой шин

8.

Достоинства схемы заключаются в крайней простоте,
наглядности и минимальных затратах на сооружение
распределительного устройства (РУ). На одно присоединение
приходится один выключатель.
Наряду с достоинствами данная схема обладает следующими
недостатками:
- для ремонта сборных шин и шинных разъединителей
любого присоединения необходимо снять напряжение со
сборных шин;
- при коротком замыкании на любом из присоединений и
отказе его выключателя отключаются выключатели источников
питания, и сборные шины остаются без напряжения;
- при коротком замыкании на сборных шинах также
отключаются источники питания, и сборные шины остаются без
напряжения;

9.

- при ремонте любого выключателя отключается
соответствующее присоединение.
Указанные недостатки устраняются путем секционирования
сборных шин, число секций соответствует количеству
источников питания, рисунок 2.
1.2.3 Секционированная рабочая система шин
Рисунок 2

10.

Данная схема сохраняет достоинства схемы с одной
несекционированной системой сборных шин: кроме того,
авария на любой из секций сборных шин приводит к
отключению только одного источника питания и половины
потребителей, так как вторая секция и все присоединения,
подключенные к ней, остаются в работе.
Данная схема имеет следующие недостатки:
- при повреждении и последующем ремонте одной секции
ответственные потребители, нормально питающиеся с обеих
секций,
остаются
без
резерва,
а
потребители,
нерезервированные по сети, отключаются на все время ремонта;
- источник питания, подключенный к ремонтируемой секции,
отключается на все время ремонта;
- при ремонте любого выключателя отключается
соответствующее присоединение;

11.

- при КЗ на любой из секций и отказе секционного
выключателя QK теряют питание обе секции.
Для устранения последнего недостатка НТП рекомендуют
устанавливать два последовательно включенных выключателя,
рисунок 3.
Рисунок 3

12.

1.2.4 Одна секционированная система сборных шин с
обходной
На рисунке 4 представлена схема с одной рабочей,
секционированной выключателем и обходной системами шин.
Рисунок
4

Одна
рабочая,
выключателем и обходная системы шин
секционированная

13.

Обходная система шин КВ с обходным выключателем QB
предназначены для вывода в ремонт выключателя любого
присоединения без перерыва питания потребителей.
В нормальном режиме работе обходная система шин КВ
находится без напряжения, обходные выключатели QB
отключены.
Обходная система шин применяется при напряжении 110 и
220 кВ.
Пример вывода выключателя любого присоединения в
ремонт без перерыва питания потребителей представлен на
рисунке 5.

14.

Вывод выключателя в ремонт с использованием обходной
системы шин КВ и обходного выключателя QB
Рисунок 5

15.

1.2.5 Две системы сборных шин
Схема с одним выключателем на цепь и двумя системами
шин представлена на рисунке 6.
Рисунок 6 − Схема с одним выключателем на цепь и двумя
системами шин

16.

В данной схеме каждое присоединение подключается через
развилку двух шинных разъединителей, что позволяет
осуществлять работу как на одной, так и на другой системе шин.
В нормальном режиме работы обе системы шин находятся
под напряжением и все присоединения распределяются между
ними. Для равномерного распределения нагрузки между двумя
системами шин служит шиносоединительный выключатель QK.
Такой режим, называется работой с фиксированным
присоединением цепей. Обычно данная схема применяется на
электрических станциях типа ТЭЦ для РУ напряжением 35 кВ и
подстанциях.
На подстанциях данная схема применяется:
- при пяти и более присоединениях;
- при повышенных требованиях к сохранению в работе

17.

присоединений, но допускающих потерю напряжения при
повреждениях в зоне сборных шин на время оперативных
переключений по переводу присоединений на другую систему
шин;
-при необходимости деления сети.
Схема с одним выключателем на цепь и двумя системами
шин обладает существенным недостатком, так как не дает
возможности
производить
ревизию
выключателя
без
отключения присоединения.
1.2.6 Две системы сборных шин с обходной
На рисунке 7 представлена схема две рабочие и обходная
системы шин.

18.

Рисунок 7 − Схема две рабочие и обходная системы шин

19.

На электрических станциях схема две рабочие и обходная
системы шин применяется при напряжении 110−220 кВ на
стороне высокого и среднего напряжений. В РУ с двумя
основными и третьей обходной системами шин, при числе
присоединений (линий, трансформаторов) 11 и менее системы
шин не секционируются. При числе присоединений 12 и более
секционируется выключателями на две части каждая из двух
основных систем шин, рисунок 8.
Согласно НТП блоки мощностью 500 МВт и выше и
автотрансформаторы связи мощностью 500 МВА и выше
должны присоединяться к РУ 220 кВ выполненного по схеме
две рабочие и обходная системы шин через два выключателя к
разным системам сборных шин РУ, рисунок 9.

20.

Рисунок 8 ‒ Две рабочие, секционированные выключателями и
обходная системы шин с двумя обходными и двумя
шиносоединительными выключателями

21.

Рисунок 9 ‒ Схема две рабочие и обходная системы шин с
автотрансформатором связи 500 МВ·А

22.

Схема две рабочие и обходная системы шин, рисунок 7,
применяется на подстанциях при наличии присоединений, не
допускающих даже кратковременную потерю напряжения при
плановом выводе выключателей из работы, а также при
реконструкции подстанции и наличии других обоснований.
1.2.7 Схемы ТЭЦ на генераторном напряжении
Особенностью схем
ГРУ 6 – 10 кВ ТЭЦ является
секционирование и реактирование сборных шин генераторного
напряжения.
На генераторном напряжении электростанций типа ТЭЦ
могут применятся следующие схемы:
- одна секционированная система шин (с двумя-тремя
секциями) рисунок 10;

23.

- с одной секционированной системой сборных шин
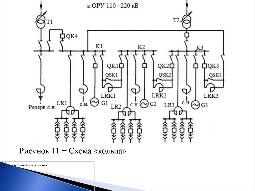
кольцевого типа (схема «кольца» с тремя-четырьмя секциями)
рисунок 11;
- с двумя системами сборных шин (рабочая секционированная
система шин с тремя-четырьмя секциями и резервная система
шин) рисунок 12.
В схеме рисунок 10 для уменьшения потерь в секционных
реакторах и выравнивания напряжения по секциям при
отключении одного генератора необходимо шунтировать
секционные реакторы. Для этой цели предусмотрены
шунтирующие реакторы QSK1 и QSK2.
При отключении генератора G3 включают шунтирующий
разъединитель QSK2. Шунтирующий разъединитель QSK1 не
включается, так как его включение приведет к параллельной

24.

Рисунок 10 − Одна секционированная система шин

25.

Рисунок 11 − Схема «кольца»

26.

Рисунок 12 – Схема двумя системами сборных шин

27.

работе генераторов G1 и G2 без реактора между ними, что
недопустимо по условиям отключения КЗ.
В схеме рисунок 12 рабочая система шин секционирована
выключателем QK и реактором LRK, назначение которых такое
же, как и в схемах рисунок 10 и рисунок 11.
Система шин К2 является резервной и в нормальном режиме
работы напряжение на ней отсутствует. Шиносоединительные
выключатели QK1 и QK2 в нормальном режиме работы
отключены.
Схема рисунок 12 позволяет производить ремонт одной
секции рабочей системы шин, сохраняя в работе все
присоединения, путем перевода всех присоединений с
ремонтируемой секции на резервную систему шин К2.
Схема рисунок 12 может быть применена на расширяемых
ТЭЦ, на которых ранее была выполнена такая схема.
English     Русский Правила