ЛЕКЦИЯ 2
156.93K
Категория: ПромышленностьПромышленность
Похожие презентации:

Электрические схемы распределительных устройств станций и подстанций. Лекция 2

1. ЛЕКЦИЯ 2

ЭЛЕКТРИЧЕСКИЕ СХЕМЫ
РАСПРЕДЕЛИТЕЛЬНЫХ УСТРОЙСТВ
СТАНЦИЙ И ПОДСТАНЦИЙ
Разработчик и лектор: к.т.н., профессор кафедры
Электроэнергетика Леньков Юрий Аркадьевич

2.

Лекция 2
Электрические схемы распределительных устройств
кольцевого типа
2.1 Общие сведения
Согласно
нормам
технологического
проектирования
тепловых электростанций и свода правил по проектированию
тепловых электрических станций при напряжениях 330-750 кВ
рекомендуются
следующие
схемы
распределительных
устройств:
- схемы многоугольников, при числе присоединений не более
четырех (треугольника, четырехугольника);
- с двумя системами шин, с 3 выключателями на 2 цепи
(схема «3/2»);
- с двумя системами шин, с 4 выключателями на 3 цепи
(схема «4/3»).

3.

2. 2 Схемы многоугольников
Рисунок 1− Схема
треугольника

4.

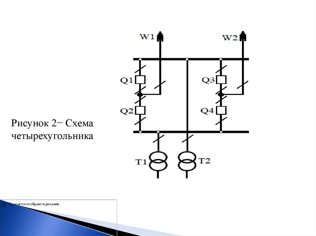
Рисунок 2− Схема
четырехугольника

5.

2.3 Схема с двумя системами
выключателями на два присоединения
Рисунок 3−Схема 3/2
шин
и
тремя

6.

Рисунок 4−Схема
3/2 с чередованием
присоединений

7.

Нормы технологического проектирования при наличии не
менее трех связей между системами шин рекомендуют
секционирование систем шин по условиям надежности, рисунок
5.
Рисунок 5−Схема 3/2 с секционированием систем шин

8.

2.4 Схема с двумя системами шин и с четырьмя
выключателями на три присоединения
Рисунок 6−Схема 4/3
с четырехрядным
Расположением
выключателей

9.

Рисунок 7−Схема 4/3
с двухрядным
Расположением
выключателей

10.

2
English     Русский Правила