Выполнил: Юровских Д.А. ПТ-1510122м Руководитель: Брюхов А.В.
Цель работы – это повышение эффективности строгально-фрезерной обработки деталей на основе мехатронной системы гибкого
Причин низкой производительности труда:
Строгально-фрезерный станок 7216Г
Механическая подсистема
Электронная подсистема
Программная подсистема
Управляющая подсистема:
Спасибо за внимание!
8.33M
Категория: ПромышленностьПромышленность

Разработка мехатронной системы на базе строгальнофрезерного станка 7216Г

1. Выполнил: Юровских Д.А. ПТ-1510122м Руководитель: Брюхов А.В.

Разработка мехатронной
системы на базе строгальнофрезерного станка 7216Г
Выполнил: Юровских Д.А. ПТ-1510122м
Руководитель: Брюхов А.В.

2. Цель работы – это повышение эффективности строгально-фрезерной обработки деталей на основе мехатронной системы гибкого

Цели и задачи НИР
Цель работы – это повышение эффективности строгальнофрезерной обработки деталей на основе мехатронной
системы гибкого производственного модуля (ГПМ).
Для достижения цели диссертации необходимо решить
следующие задачи:
1. Провести обзор исследований по проблемам разработки
мехатронных систем и ГПМ в промышленности.
2. Провести анализ актуальности разработки мехатронных
систем и ГПМ в условиях базового предприятия.
3. Разработать мехатронную систему гибкого
производственного модуля, на примере строгальнофрезерного станка 7216Г.
4. Оценить ожидаемый технико-экономический эффект от
внедрения проектных мероприятий.

3. Причин низкой производительности труда:

- Невысокая стандартизация бизнес-процессов компании (регламенты, инструкции)
- Трудности в подборе персонала
- Необходимость обучения и развития персонала
- Не в полной мере продумана организация рабочего пространства
- Несоответствие мотиваций заказчика и исполнителя

4.

5.

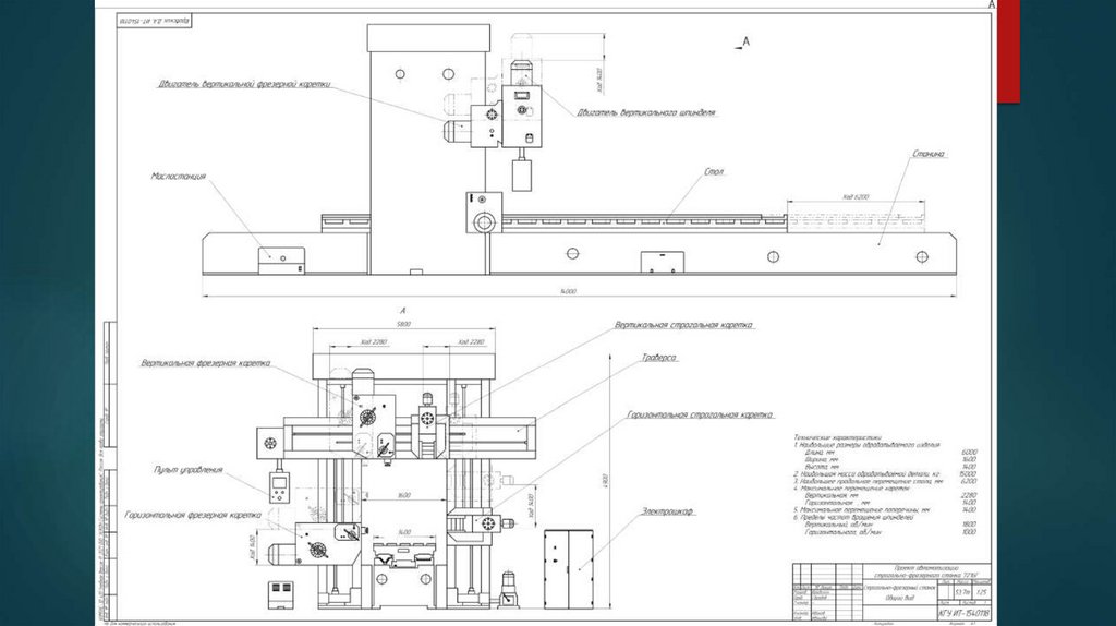
6. Строгально-фрезерный станок 7216Г

Наибольшие размеры
обрабатываемого изделия,
мм:
- ширина 1600
- высота 1400
Размеры рабочей
поверхности стола, мм: 6000
х 1400
Угол поворота суппортов,
град
строгального 60
фрезерного 40
горизонтальных 30
Габариты станка, мм:
- длина 14000
- ширина 5800
- высота 4900

7.

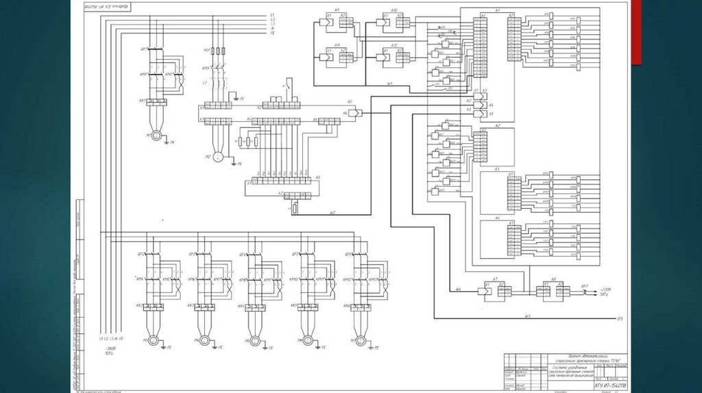
8. Механическая подсистема

9. Электронная подсистема

Индуктивный датчик
E2A-M12KS04-WP-B2 2M
Реле давления РД-2P
Инкрементальный
магнитный линейный
энкодер LM10
Автоматический
выключатель 25А 3полюс. IEK ВА-4729
Преобразователь
частоты Delta Electronics
VFD055C43A-21
Контактор КМИ-46512
65А 380В

10.

11. Программная подсистема

12. Управляющая подсистема:

Панели оператора Delta
Electronics DOP-110CS
Процессорный модуль AS200
AS228P-A
Модуль
расширения
AS32AM10N-A
Модуль
расширения
AS16AN01P-A

13.

В результате автоматизации строгальнофрезерного станка удалось:
1. Повысить производительность станка
2. Повысить точность обрабатываемых деталей
3. Снизить процент брака
4. Обеспечить безопасность системы

14. Спасибо за внимание!

English     Русский Правила