6.84M
Категория: ГеографияГеография

8.ГОНМ Залежи(1)

1.

Ловшка. Залежь.
Ловушка – весь резервуар или часть природного
резервуара в которой может образоваться и
сохраниться залежь. Характеризуется типом
резервуара и коллектора, емкостью, формой,
условиями образования
Залежь – единичное скопление углеводородов.

2.

Строение залежи
• В общий объем включают все породы коллекторы
и неколлекторы продуктивного горизонта выше
газо- или водонефтяного контакта,
• эффективный – только углеводородонасыщенные
коллекторы.
• Залежь ограничена различными поверхностями,
определяющими ее положение в пространстве:
ВНК (водонефтяной контакт), ГВК (газоводяной
контакт), ГНК (газонефтяной контакт), поверхности
раздела коллекторов и неколлекторов,
дизъюнктивные поверхности, структурные
поверхности

3.

Модель пластово-сводовой залежи

4.

Схема залежи нефти и газа: 1— внутренний контур
газоносности; 2 — внешний контур газоносности;
3 — внутренний контур нефтеносности;
4 — внешний контур нефтеносности

5.

Изучение дизъюнктивных нарушений.
• Углеводородная залежь может быть
разрезана тектоническими
нарушениями, которые могут быть
проводящими и экранирующими.
Экранирующие нарушения разделяют
залежь на изолированные участки
(блоки), гидравлически не связанные
между собой.

6.

Границы залежей с литологической
изменчивостью пластов и
стратиграфическим несогласием
Потеря пластом коллекторских свойств
называется замещением коллектора, а
связанная с этим экранирующая
граница – линией фациального
замещения коллекторов.

7.

Границы залежей, связанные с
нефтегазоводонасыщенностью
коллекторов.
• Газ, нефть и вода, находящиеся в продуктивном пласте, располагаются последовательно по высоте, в соответствии с действием гравитационного поля. Однако действие молекулярно-поверхностных сил
пористых сред нарушает строгое соответствие распределения газа, нефти и воды по
плотностям.

8.

Внутреннее строение залежей
Коллектором называют горную породу, по
которой возможна физическая подвижность
флюидов.
Коллекторы, отдающие нефть или газ,
называют продуктивными, не отдающие –
непродуктивными
Границы внутри залежи разделяют залежь
на области достаточно однородные по
определенному (выбранному) параметру:
пористости, проницаемости, литологии,
экранированности, нефте-, водо- и
газонасыщенности, трещиноватости и др.
Граничными поверхностями выделяются
геологические тела.

9.

10.

11.

12.

Наиболее
важными
характеристиками
коллекторов являются: пористость (полная,
открытая,
закрытая,
эффективная,
динамическая); проницаемость (абсолютная,
эффективная
(фазовая),
относительная);
удельная поверхность; трещиноватость и
кавернозность;
нефте-,
газои
водонасыщенность;
состав
флюидов;
глинистость.

13.

Геологическая неоднородность залежи
• - изменение геологических свойств пород за
пределами выбранных величин средних
параметров (базисных).
• Выделяют пять типов неоднородности :
ультра-, микро-, мезо-, макро- и
метанеоднородность.)

14.

• Ультрамикронеоднородность определяется
гранулометрическим составом породы
• Микронеоднородность характеризует
распределение коллекторских свойств в пласте
• Мезонеоднородность определяет структуру пласта, выделение прослоев коллекторов и
неколлекторов
• Макронеоднородность выявляет более общие
закономерности распространения коллекторов и
неколлекторов (разломы, изменение мощности)
• Метанеоднородность определяет крупные
элементы структуры залежи, различающиеся по
свойствам насыщения, литологии, нефтеотдачи.

15.

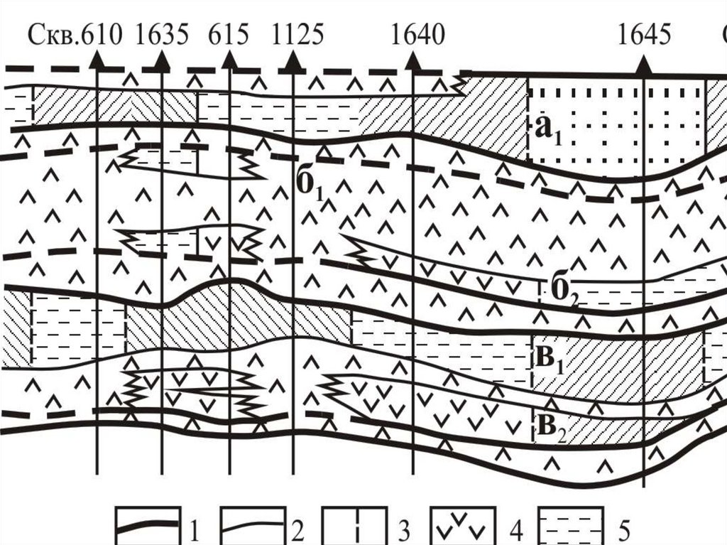
Корреляция разрезов скважин.
• Корреляция заключается в определении одинаковых закономерностей, величин, параметров
геофизических данных по скважинам исследуемой
толщи (пласта). Региональная и детальная:
• Региональная корреляция дает возможность
составить общее представление о геологическом
строении региона: стратиграфии,
последовательности напластования, перерывов в
осадконакоплении, тектонике, мощностях
горизонтов и комплексов
• Детальная корреляция проводится для
продуктивной части разреза. Задачи: построение
модели залежи, горизонта, контроль разработки

16.

Реперные горизонты, границы
• Это достаточно выдержанные по площади
элементы какого-либо горизонта с четко и
повсеместно фиксируемыми параметрами,
отличающимися по величине от параметров
выше- и нижележащих горизонтов. При
интерпретации разреза любой скважины
первоначально выделяют реперные
(опорные) горизонты.

17.

Корреляция разрезов скважин

18.

Региональная корреляция разреза по линии
Тишковская — Дубровская площадь

19.

Корреляция разреза Вишанского
месторождения

20.

Корреляция разреза З-Сургутского
месторождения

21.

Геологический профиль
• Геологический профиль это графическое
изображение строения недр в вертикальной
плоскости. Геологический профиль дает
наглядное представление о строении
месторождения (пласта), помогает строить
структурные карты различных геологических
структур, показывает изменение мощности и
литолого-фациального состава пород,
позволяет уточнить положение залежей
нефти и газа в разрезе.

22.

Построение геологического профиля
• Геологические профили строят вкрест
простирания или по простиранию,
ориентируя по сторонам света (слева — юг
или запад, справа — север или восток).
Масштаб геологического профиля выбирают
в зависимости от масштаба структурной
карты.

23.

Порядок построения профилей
• 1) проводят линию уровня моря и слева вычерчивают
вертикальный масштаб;
• 2) на линии уровня моря точками показывают положение
скважин согласно выбранному масштабу;
• 3) через указанные точки проводят линии стволов скважин
и откладывают на них альтитуды устьев скважин,
соединяют альтитуды, что дает схематическое
представление о рельефе дневной поверхности на участке
составляемого разреза;
• 4) проводят вертикальные линии, параллельные линиям
стволов скважин, и вычерчивают литологические колонки;
• 5) проводят границы между пластами и окончательно
вычерчивают геологический профиль.

24.

Построение геологического профиля

25.

Детальный геологический профиль

26.

Структурные карты
• Структурными называются карты, на
которых с помощью линий одинаковых
высот (изогипс) подземного рельефа
изображается положение в пространстве опорной поверхности (кровли или
подошвы пласта).
• Изогипсы, проведенные по поверхности горизонтов, имеющих определен
ное положение в стратиграфическом
разрезе, называются стратоизогипсами.

27.

Структурные карты
• Структурные карты составляют по
абсолютным отметкам кровли (или
подошвы) пласта, которые отсчитывают
от уровня моря. Пласты, залегающие
выше уровня моря, будут иметь
положительные отметки, а пласты,
залегающие ниже уровня моря, —
отрицательные.
• Сечение изогипс - равные по высоте
промежутки между изогипсами.

28.

Способ треугольников

29.

Способ треугольников
• Составляют план расположения скважин, где
указывают номер и абсолютную отметку
интересующей нас плоскости пласта. В
случае искривленной скважины вычисляют
поправки на отклонение скважины от
вертикальной оси и с их учетом находят
абсолютную отметку.
• Все точки скважин на плане соединяют так,
чтобы по возможности образовались
равносторонние или равнобедренные
треугольники.

30.

Способ треугольников
• Затем выбирают сечение изогипс и
производят интерполяцию отметок
между скважинами так, чтобы отметки
изогипс были кратны выбранному их
сечению. Затем одноименные отметки
соединяют плавными изолиниями
(изогипсами) и получают структурную
карту.

31.

Способ геологических профилей
• Способ применяют для структур, осложненных
разрывными нарушениями, а также для узких
высокоамплитудных складок. Метод треугольников
в этих случаях приводит к существенным погрешностям. В масштабе карты строят ряд поперечных
профилей по направлениям, по которым производят разведку месторождения. Выбирают сечение
изогипс и на расстояниях, равных этому сечению
проводят горизонтальные параллельные линии.
Полученные точки пересечения этих линий с
кровлей (подошвой) сносят на линию профиля с
соответствующими отметками, a затем на план
расположения скважин. Одноименные отметки
соединяют плавными линиями (изогипсами) и
получают структурную карту

32.

Способ геологических профилей

33.

ПОСТРОЕНИЕ КАРТ МОЩНОСТЕЙ
• Карты мощностей имеют большое
практическое значение при подсчете
запасов для определения объема
нефте- или газонасыщенной части
залежи, для гидродинамических
расчетов при составлении
технологических схем и проектов
разработки, для размещения
добывающих и нагнетательных скважин,
для анализа разработки.

34.

Карты мощностей
• Различают карты суммарной, эффективной
и эффективной нефтегазонасыщенной
мощности пласта.
• Суммарная мощность (общая мощность) —
равна разности между глубинами залегания
подошвы и кровли пласта.
• Эффективная мощность — мощность
пласта от кровли до подошвы за вычетом
мощности всех непроницаемых прослоев.
• Эффективная нефте- газонасыщенная
мощность —эффективная мощность пласта

35.

Методика
построения
карт мощностей
• Построение карт мощностей аналогично построению
структурных карт способом треугольников.
Составляют план расположения скважин, номер
вертикальной скважины подписывают около ее устья, а
номер искривленной — в точке пересечения
стволом скважины кровли пласта. Около номера
скважины указывают значение мощности пласта,
определенное в результате обработки промыслово-
геофизических материалов. Точки скважин
соединяют прямыми линиями чтобы получить
равносторонние треугольники, значения
мощностей интерполируют. Точки с одинаковыми значениями мощностей соединяют
плавными линиями, называемыми изопахитами

36.

Классификация ловушек углеводородов
• три основных типа:
• замкнутые,
• полузамкнутые
• незамкнутые
Первые два типа ловушек связаны с
выклиниванием коллекторов. В незамкнутых
ловушках нефть и газ удерживаются
антиклинальными изгибами слоев или
выступов.

37.

По условиям образования (генезиса)
ловушки подразделяются на:
структурные, литологические,
стратиграфические, рифогенные и
смешанные.

38.

Структурные ловушки связаны с антиклиналь-
ными изгибами слоев, тектоническими нарушениями, сочетанием указанных факторов.
(Месторождение Желтыбай)

39.

Структурные залежи. Связаны с
антиклиналями, куполами,
моноклиналями. Среди них выделяют
сводовые, висячие, тектонически
экранированные, блоковые и
приконтактные.

40.

Структурная сводовая ловушка
а

41.

структурная тектонически
экранированная ловушка
б

42.

Литологические залежи.
Литологически экранированные,
образуются в результате
выклинивания или замещения
коллектора и литологически
ограниченные, приуроченные к
песчаным коллекторам ископаемых
русел и дельт палеорек.

43.

литологические ловушки:
Выклинивание коллектора
а

44.

Литологическая ловушка. Замещение
коллектора
б

45.

Стратиграфические залежи.
Залежи данного типа связаны со
стратиграфическим несогласным
залеганием пород, погребенными
останцами палеорельефа или
погребенными выступами
кристаллических пород.

46.

Стратиграфические ловушки связаны с
поверхностями стратиграфического несогласия

47.

Рифогенные ловушки связаны с
рифогенными и биогермными массивами.

48.

Смешанные ловушки - сочетание нескольких
описанных генезисных элементов
• литолого-стратиграфическая ловушка.

49.

Залежи структурного, литологического и
стратиграфического типов месторождения
Зыбза

50.

Форма
залежи
обуславливается
образованием ловушки. Можно выделить
три типа залежей:
•пластовые залежи нефти и газа:
сводовые и экранированные,
•массивные залежи,
•литологически ограниченные залежи.

51.

Месторождения (местоскопления)
Месторождение нефти и газа участок земной
коры с совокупностью залежей в недрах
одной и той же площади и приуроченных к
единому структурному элементу.
В одном и том же месторождении могут
присутствовать залежи различного типа
(массивные и пластовые, пластовые и
литологические).
Месторождения разделяют на два основных
класса: геосинклинальные и платформенные

52.

Геосинклинальные месторождения
• Месторождения складчатых
областей, связанные с
антиклинальными складками
(брахиантиклиналь, диапир, интрузия).
• Месторождения складчатых
областей, связанные с
моноклинальным залеганием слоев
(Зоны выклинивания, несогласия).

53.

Месторождения платформенных
областей
• связаны с куполовидными и
брахиантиклинальными поднятиями
• связаны с эрозионными и рифовыми
массивами
• связанные с гомоклиналями,
приуроченные к моноклинально
падающим пластам
• связаны с синклиналями

54.

Крупнейшие месторождения мира:
Локбатан, (Апшеронский полуостров)

55.

Крупнейшие месторождения мира:
Узеньское, Мангышлак

56.

Крупнейшие месторождения мира:
Самотлорское

57.

Крупнейшие месторождения мира:
Рейнбоу

58.

Геологический разрез Осташковичского и
Ю-сташковичского месторождений :
а — залежи нефти; б— кепрок соляного штока; в — фундамент

59.

Осташковичское месторождение нефти

60.

Геол. разрез Речицкого месторожд. (25х(4-7) км):
1 - нарушения; 2 — соль; 3 — нефть; 4 — поверхность
несогласия; 5—кр.фундамент

61.

Ю-Александровское месторождение

62.

Геологический разрез Малодевицкого
месторождения

63.

Качановское месторождение

64.

Озек-Суатское месторождение

65.

Геологический разрез месторождения
Нефтяные Камни

66.

Геологический разрез МортымьяТетеревского месторождения

67.

Месторождение Хасси-Месауд
(запасы 5 млрд. т)

68.

Анастасиевско-Троицкое
месторождение

69.

Ахтырско-Бугундырское
месторождение

70.

Самотлорское месторождение

71.

Старогрозненское месторождение

72.

Ромненское нефтяное месторождение

73.

Геологический разрез месторождения
Косчагыл, Эмба
English     Русский Правила