Расчет уставок МТЗ в сети с односторонним питанием
Что будем рассчитывать?
МТЗ-третья ступень токовых защит. Какие первые две?
Схема сети
Расчета тока
Ток срабатывания МТЗ в общем случае выбирается по наибольшему значению, определяемому тремя условиями
Второе условие МТЗ
Второе условие МТЗ
Третье условие МТЗ
Рассчитываем токи нагрузки как ?
Проверка чувствительности МТЗ
Расчет уставок и проверка чувствительности МТЗ в сети с односторонним питанием
Будем рассчитывать для 1 и 2 защиты
Определим
Расчет тока срабатывания реле
Коэффициенты схемы
Алгоритм
5.14M
Категория: ЭлектроникаЭлектроника

МТЗ дистант ноябрь 2025

1. Расчет уставок МТЗ в сети с односторонним питанием

«отправить в ТГ ОРЗ расчет уставок МТЗ с вариантами для студентов»
https://t.me/+FmCqc4sXzENlNmJi

2.

3. Что будем рассчитывать?

Дано:
Схема
МТЗ с независимой характеристикой выдержки времени
коэффициент отстройки kотс=1,2
коэффициент возврата kв = 0,9
коэффициент запуска двигательной нагрузки kз=1,5
ступень селективности Δt = 0,5 с
Максимальные рабочие токи нагрузок I-XIV
выдержки времени максимальных токовых защит потребителей I-XIV

4. МТЗ-третья ступень токовых защит. Какие первые две?

• МТЗ-третья ступень токовых защит. Какие первые две?
• Как выбираются выдержки времени МТЗ?

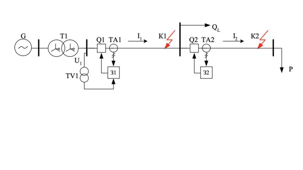
5. Схема сети

6.

7. Расчета тока

• Надежно защищала при
повреждениях, но не
срабатывала при
максимальном рабочем
токе нагрузки и
кратковременных
перегрузках (вызванных
пуском
двигателей..нарушением
нормального режима
эл.сети)

8. Ток срабатывания МТЗ в общем случае выбирается по наибольшему значению, определяемому тремя условиями

1. Ток срабатывания МТЗ Iсз должен быть больше максимального
рабочего тока Iраб.mах в защищаемой линии:
Ток Iраб.mах определяется как сумма максимальных рабочих токов
всех присоединений на смежном участке, т.е.
Рассмотрим на примере на схеме!

9. Второе условие МТЗ

2. Ток срабатывания МТЗ выбирается по условию возврата защиты
после отключения внешнего КЗ (на смежном участке) при
самозапуске оставшихся в работе электродвигателей:

10. Второе условие МТЗ

Защита, пришедшая в действие от КЗ должна надежно
возвращаться в исходное состояние после отключения КЗ при
наличии в защищаемой ЛЭП тока нагрузки
Iвоз>Iн.макс
Iн.макс = Kсзп* Iр.макс
Учитывает
погрешность
Iвоз=Kотс*Iн.макс
токового реле
Iвоз>= Kотс* Kсзп* Iр.макс
Iвоз/ Iсз = Кв
Iсз = (Kотс* Kсзп* Iр.макс)/ Кв
Для РТ-40, РТ-80 – Kотс = 1.1-1.2

11. Третье условие МТЗ

3. Ток срабатывания МТЗ должен быть выбран таким образом, чтобы
каждая последующая защита была не более чувствительна, чем
предыдущая на смежном участке, т.е.:
Невыполнение 3-го условия может привести к неселективному действию
защиты данного участка. Например, при КЗ на смежном участке через
переходное сопротивление при токе КЗ, равном Iсз.см=Iк защита
смежного участка находится на грани срабатывания и может отказать (не
сработать), в то время как защита рассматриваемого участка излишне
сработает.

12. Рассчитываем токи нагрузки как ?

I раб.макс7 =
Icз7=

13.

14. Проверка чувствительности МТЗ

иначе говоря, ток в реле защиты при разных видах КЗ превышает ток срабатывания Iс.р (уставку):
минимальное значение тока в реле при наименее
благоприятных условиях
Коэффициент чувствительности для защищаемой ЛЭП считается
допустимым, если kч ≥ 1,5
при КЗ на резервируемом участке допускается kч ≥ 1,2.

15. Расчет уставок и проверка чувствительности МТЗ в сети с односторонним питанием

16. Будем рассчитывать для 1 и 2 защиты

• Дано:
• коэффициент отстройки kотс=1,2
• коэффициент возврата kв= 0,9
• коэффициент запуска двигателей нагрузки kз = 1,5
• ступень селективности Δt = 0,5 с
• Максимальные рабочие токи нагрузок
• токи трехфазных КЗ и времена срабатывания МТЗ 3-6
• Трансформаторы тока (ТА) выбираются в соответствии со шкалой
первичных номинальных токов Iном и коэффициентов трансформации
КI

17.

18. Определим

• Iраб.макс 2 =
• Iраб.макс1 =
• Iсз2 =
• Iсз1 =
• tсз2 =
• tсз1 =
• K1 1 =
• К1 2 =
Согласно ПУЭ [3] необходимо иметь
kч.осн≥1,5 и kч.рез≥1,2

19. Расчет тока срабатывания реле

• Зависит от схемы соединения вторичных обмоток ТТ

20.

а - неполная звезда (двухфазная с
двумя реле тока КА1 и КА2);
б - неполная звезда (двухфазная с
тремя реле тока, в которой третье реле
тока КАЗ включено на сумму токов
двух фаз);
в - полная звезда (трехфазная с тремя
реле тока);
г - полный треугольник (трехфазная с
тремя реле тока);
д - неполный треугольник (двухфазная
с одним реле тока).

21. Коэффициенты схемы

Схема
Неполный треугольник
Коэффицент
Iр.min
3
English     Русский Правила