13.13M
Категория: СтроительствоСтроительство

Лекции Основы ТГВ От Вент (2)

1.

ОСНОВЫ
ТЕПЛОГАЗОСНАБЖЕНИЯ И
ВЕНТИЛЯЦИИ (ТГВ)
доцент кафедры ТГВ, к.т.н. , доцент
Маликова Ольга Юрьевна

2.

Отопление
Система отопления - это совокупность конструктивных элементов со связями между ними, предназначенных для
получения, переноса и передачи теплоты в обслуживаемые помещения здания в количестве, необходимом для
компенсации ее потерь.
батареи
отопительный прибор
1 - теплоисточник (теплогенератор при местном или теплообменник при централизованном
теплоснабжении) — устройство для получения теплоты;
2 - теплопроводы — элемент для переноса теплоты от теплоисточника к отопительным приборам;
3 - отопительные приборы — устройство для передачи теплоты в помещение.

3.

Теплоисточником системы отопления в жилом многоквартирном здании, как правило, является
теплообменник, установленный в тепловом пункте, узел смешения, реже котёл пристроенной/крышной
котельной. В данных элементах вырабатывается тепловая энергия, необходимая для передачи в отапливаемые
помещения.
Отопительные приборы предназначены для реализации тепловой энергии, сконцентрированной в
теплоносителе, в обслуживаемые помещения. В качестве отопительных приборов в жилых зданиях часто
применяют панельные радиаторы, конвекторы с кожухом и секционные радиаторы.
В качестве теплопроводов выступают трубы, выполненные из различных материалов (сталь, медь,
полипропилен, полиэтилен, металлопласт). Они предназначены для транспортировки теплоносителя
(например, вода) от теплоисточника к отопительным приборам и обратно.
Характерным
элементом
для
водяных
систем
отопления
также
предназначенная для регулирования, ремонта и обслуживания системы.
является
трубная
арматура,

4.

Перенос теплоты по теплопроводам может осуществляться с помощью жидкой (вода, антифриз) или
газообразной (воздух, пар) рабочей среды. Такая среда называется теплоносителем.
Чаще в жилых зданиях применяют специально-подготовленную воду, химический состав которой
строго регламентируется РД 24.031.120-91 МУ «Нормы качества сетевой и подпиточной воды
водогрейных котлов»:
pH воды должен быть около 8,5 (в пределах 7...11);
контролируется содержание кальция, углекислоты и сульфатов;
вода должна быть деаэрирована (содержание растворенного кислорода).
Большинство систем отопления жилых многоквартирных зданий на территории РФ подключены к
центральным тепловым сетям через тепловые пункты, реже к крышным, пристроенным или
встроенным котельным. В индивидуальном строительстве применяются чаще автономные
встроенные котельные, с использованием в качестве энергоносителя природный или сжиженный
газ, древесные топливные гранулы (пеллеты), дизельное топливо (солярку) или, в крайнем случае,
устанавливаются электрические котлы.

5.

В случае присоединения системы отопления к автономному источнику тепловой энергии, система отопления
представляет собой замкнутый гидравлический контур, нагрев воды которого происходит в котле 1 при
сжигании подведенного топлива 2.
Принципиальная схема присоединения системы отопления к автономному источнику
теплоты: 1 - котел; 2 - подвод энергоносителя; 3 - отвод продуктов горения; 4 отопительный прибор; 5 - циркуляционный насос; 6 - расширительный бак; 7 - узел подпитки

6.

Наиболее распространённым способом подключения системы отопления к тепловым сетям в новом
строительстве является присоединение по независимой схеме через теплообменник 1. В тепловой пункт
поступает греющий теплоноситель из точки поступления 2, затем подается в теплообменник системы отопления
1, где, не смешиваясь, передаёт тепловую энергию теплоносителю внутреннего контура системы, а затем,
охлажденный, удаляется обратно в тепловую сеть, для последующего нагрева 3.
Принципиальная схема присоединения системы отопления
тепловой сети по независимой схеме через теплообменник:
1 - теплообменник; 2, 3 - точки подключения к тепловой сети;
4 - отопительный прибор; 5 - циркуляционный насос;
6 - расширительный бак; 7 - подпиточный насос

7.

Пластинчатые теплообменники – пластины,
которые занимают определенную площадь, и
имеют соединение между собой уплотнителями.
Кожухотрубные теплообменники – они имеют вид
труб, которые собраны в одну связку, и она в свою
очередь имеет соединение по виду решетки. Для
соединения такой связки используется сварка, а также
пайка.

8.

Системы отопления с зависимым присоединением к тепловой сети со смешением. Основной принцип работы
такой системы заключается в поступлении теплоносителя из тепловой сети 1 напрямую в систему отопления,
предварительно смешиваясь в определенной пропорции с охлажденной водой tо в точке смешения 3. При смешении
температура теплоносителя, поступающего из тепловой сети t1 снижается до необходимой tг. Для смешения раньше
широко применялись водоструйные элеваторы, не требующие подвода электропитания, однако, для
автоматического регулирования такой вариант не подходит, и со временем произошёл переход к применению
смесительных насосов 5.
Принципиальная схема присоединения системы
отопления тепловой сети по зависимой схеме со
смешением:
1, 2 - точки подключения к тепловой сети;
3 - точка смешения;
4 - отопительный прибор; 5 - смесительный насос

9.

Требования к помещению индивидуального теплового пункта
СП 41-101-95 Проектирование тепловых пунктов
ИТП должны быть встроенными в обслуживаемые ими здание и размещаться в отдельных помещениях на
первом этаже или в подвале у наружных стен здания.
Помещение ИТП следует предусматривать у наружных стен зданий на расстоянии не более 12 м от выхода из
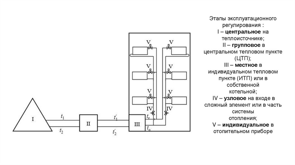
этих зданий. Из помещения ИТП должны предусматриваться выходы:
при длине помещения ИТП 12 м и менее и расположении его на расстоянии менее 12 м от выхода из здания
наружу — один выход наружу через коридор или лестничную клетку;
при длине помещения ИТП 12 м и менее и расположении его на расстоянии более 12 м от выхода из здания —
один самостоятельный выход наружу;
при длине помещения ИТП более 12 м — два выхода, один из которых должен быть непосредственно наружу,
второй — через коридор или лестничную клетку.
Высоту помещений от отметки чистого пола до низа выступающих конструкций перекрытия (в свету)
рекомендуется принимать не менее 2,2 м. При размещении ИТП в подвальных и цокольных помещениях, а
также в технических подпольях зданий допускается принимать высоту помещений и свободных проходов к ним
не менее 1,8 м.

10.

Классификация систем отопления. Водяные системы отопления.
Системы отопления по расположению основных элементов подразделяются на местные и центральные.
В местных системах для отопления одного помещения все три основных элемента конструктивно
объединяются в одной установке, непосредственно в которой происходят получение, перенос и передача теплоты
в помещение.
Центральными называются системы, предназначенные для отопления группы помещений из единого
теплового центра, в котором находится теплоисточник (генератор теплоты или теплообменник). Теплоисточник
может размещаться непосредственно в обогреваемом здании (в котельной или местном тепловом пункте) либо
вне здания — в центральном тепловом пункте (ЦТП), на тепловой станции (отдельно стоящей котельной) или
ТЭЦ.

11.

Схема центральной системы отопления:
1 — теплоисточник; 2 — подающая магистраль;
3 — обратная магистраль; 4 — стояк; 5 — ветвь;
6 — отопительный прибор
Теплопроводы центральных систем подразделяют на:
магистрали (подающие, по которым подается теплоноситель, и обратные, по которым
отводится охладившийся теплоноситель);
стояки (вертикальные трубы или каналы);
ветви (горизонтальные трубы или каналы), связывающие магистрали с подводками к
отопительным приборам.

12.

Системы водяного отопления по способу создания циркуляции воды разделяются на системы с
естественной циркуляцией (гравитационные) и с механическим побуждением циркуляции воды при
помощи насоса (насосные).
В гравитационной системе используется свойство воды изменять свою плотность при изменении
температуры. В замкнутой вертикальной системе с неравномерным распределением плотности под
действием гравитационного поля Земли возникает естественное движение воды.
В насосной системе используется насос с электрическим приводом для создания разности давления,
вызывающей циркуляцию, и в системе создается вынужденное движение воды.
По положению труб, соединяющих отопительные приборы по вертикали или горизонтали, системы
делятся на вертикальные и горизонтальные.
В зависимости от схемы соединения труб с отопительными приборами системы бывают
однотрубные и двухтрубные.

13.

В однотрубной системе в каждом стояке или ветви отопительные приборы соединяются одной трубой, и вода
протекает последовательно через все приборы.
В двухтрубной системе каждый отопительный прибор присоединяется отдельно к двум трубам — подающей и
обратной, и вода протекает через каждый прибор независимо от других приборов.
В последнее десятилетие часто стала использоваться лучевая схема соединения отопительных приборов с
трубами. В этом случае система отопления состоит из нескольких самостоятельных узлов, в которых легче
обеспечить регулирование подачи тепловой энергии, а также осуществить индивидуальный учет ее расходования в
каждом узле.
Варианты конструктивных решений элементов
систем водяного отопления:
а — двухтрубный стояк вертикальной системы;
б — однотрубная ветвь горизонтальной системы;
в — бифилярная ветвь горизонтальной системы;
г — элемент лучевой схемы системы.
1 — отопительный прибор; 2 — стояк; 3 — ветвь;
4 — подводка; 5 — коллектор

14.

Согласно приложению Б СП 60.13330.2020 предъявляются требования к конструкции систем
отопления в проектируемых зданиях.
Например, для жилых зданий допускается применение:
1. Горизонтальная водяная с пластиковыми трубопроводами, радиаторами или конвекторами при
температуре теплоносителя не более 90 °C.
2. Как исключение, водяная стояковая с металлическими трубопроводами, радиаторами, панелями или
конвекторами при температуре теплоносителя для двухтрубных систем – не более 95 °C; для
однотрубных – не более 105 °C.
3. Подогрев пола.
4. Воздушная.
5. Электрическая с температурой на теплоотдающей поверхности приборов не более 90 °C.

15.

В зависимости от расположения магистралей системы, вертикальные системы подразделяются на:
системы с верхней разводкой, когда подающая магистраль прокладывается на чердаке, или под
потолком верхнего этажа, а обратная магистраль в подвале, или по полу первого этажа.
системы с нижней разводкой, когда подающая и обратная магистраль прокладываются в подвале, или
по полу верхнего этажа
с опрокинутой циркуляцией, когда обратная магистраль прокладывается на чердаке, или под потолком
верхнего этажа, а подающая магистраль в подвале, или по полу первого этажа.

16.

Пример вертикальной системы отопления:
1 - главный стояк; 2 - подающая
магистраль; 3 - обратная магистраль;
4 - стояк системы; 5 - отопительный
прибор
Пример системы отопления с нижней разводкой:
1 - подающая магистраль; 2 - обратная магистраль;
3 - стояк системы; 4 - отопительный прибор

17.

Пример системы отопления с
опрокинутой циркуляцией:
1 - главный стояк; 2 - обратная
магистраль; 3 - подающая магистраль;
4 - стояк системы; 5 - отопительный
прибор

18.

В большинстве современных систем применяются
двухтрубное подключение отопительных приборов.
Отличием такой системы является прямой возврат
теплоносителя из каждого прибора, после его
охлаждения в источник теплоты, то есть
охлаждённая вода не будет поступать в остальные
отопительные приборы, до последующего нагрева.
Стояки с двухтрубным подключением
отопительных приборов:
1 - отопительный прибор; 2 регулирующий клапан; 3 - запорный
кран; 4 - кран для выпуска воздуха;
5 - подающая магистраль;
6 - обратная магистраль

19.

При подключении отопительных приборов по однотрубной
схеме теплоноситель последовательно будет охлаждаться в
каждом отопительном приборе, то есть на входе в первый
прибор температура теплоносителя будет составлять tг, а на
выходе из последнего tо. Среди однотрубных стояков
следует отметить их богатую классификацию: однотрубные
проточные, проточно-регулируемые стояки и стояки с
замыкающими участками.
Стояки с однотрубным подключением отопительных
приборов:
1 - отопительный прибор; 2 - регулирующий клапан;
3 - запорный кран; 4 - кран для выпуска воздуха; 5 - кран
регулирующий трехходовой; 6 - подающая магистраль;
7 - обратная магистраль; 8 - смещённый замыкающий
участок; 9 - осевой обводной участок

20.

Пример поквартирной системы отопления: 1 - главный стояк; 2 - распределительный
поэтажный коллектор; 3 - сборный поэтажный коллектор; 4 - отопительный прибор

21.

Согласно требованиям СП 60.13330.2020 у отопительных приборов следует устанавливать регулирующую
арматуру.
В жилых и общественных зданиях у отопительных приборов следует устанавливать автоматические
терморегуляторы.
Применяются термостатические клапаны (ТСК), оборудованные термостатической головкой (ТСГ).
1 - Сильфон
2 - Уплотнение за счет
конусной поверхности
3 - Корпус термоголовки
4 - Сальник
5 - Преднастройка
6 - Кран-букса
7 - Конус клапана
8 - Выравнивающее сопло
9 - Корпус клапана

22.

23.

Термостатические головки
1. Усовершенствованная конструкция термоголовки (газожидкостная) с улучшенным быстродействием.
2. Многоступенчатая система регулировки позволяет добиться высокого уровня комфорта и
значительно снизить затраты на отопление помещения.
3. Режим «Защита от замерзания» +60 0С.
4. Максимальная регулировка на +28 0С.
5. Легкий монтаж на клапан или радиатор.
6. Единая система для термостатических клапанов и радиаторов со встроенным термостатическим
клапаном.
Термостатический клапан
1. Простота эксплуатации
2. Возможность использования термостатического клапана, как в ручном, так и в автоматическом
режиме с применением термостатических головок.

24.

Конструкция клапана часто предусматривает монтажную (наладочную) и эксплуатационную настройку.
Монтажная настройка осуществляется за счёт изменения площади дросселирующего сечения в клапане и
предназначена для увязки циркуляционных колец в системе. Эксплуатационная настройка осуществляется
вручную и автоматически (термостатической головкой) за счёт уменьшения проходного сечения в седле
клапана и предназначена для регулирования потока теплоносителя в отопительный прибор, что вызывает
изменение величины теплового потока в помещение.
Также применяются ТСК конструктивно не предусматривающие монтажную регулировку. Тогда увязка
циркуляционных колец и снижение влияния циркуляционного давления осуществляется клапаном на
обратной подводке к отопительному прибору. Также клапаны могут быть уже предусмотрены в конструкции
отопительного прибора.
По принципу работы термостатическая головка является регулятором прямого действия. Процесс
регулирования основан на изменении объема среды, заполняющей встроенный в термоголовку баллон
(сильфон), при повышении или понижении ее температуры. Изменение объема среды - термореактивного
материала (жидкость, газ, или парафин) непосредственно вызывает перемещение штока клапана в потоке
теплоносителя, тем самым увеличивая, или уменьшая проходное сечение для потока.
При поквартирной системе отопления, когда трубы проходят в стяжке пола, или устроены в плинтусе,
подключение к приборам происходит, как правило, снизу. Тогда используют отопительные приборы со
встроенными термостатическими клапанами, и специальные гарнитуры подключения.

25.

26.

Требования, предъявляемые к системам отопления
СП 60.13330.2020 Отопление, вентиляция и кондиционирование воздуха;
СП 61.13330.2012 Тепловая изоляция оборудования и трубопроводов;
СП 51.13330.2011 Защита от шума;
СП 7.13130.2013 Отопление, вентиляция и кондиционирование. Противопожарные требования;
СП 73.13330.2016 Внутренние санитарно-технические системы зданий;
СП 33.13330.2012 Расчет на прочность стальных трубопроводов;
СП 54.13330.2016 Здания жилые многоквартирные;
СП 56.13330.2011 Производственные здания;
СП 124.13330.2012 Тепловые сети;
ГОСТ Р 21.101-2020 СПДС Основные требования к проектной и рабочей документации;
ГОСТ 21.602-2016 Правила выполнения рабочей документации отопления, вентиляции и кондиционирования;
ГОСТ 21.205-2016 Условные обозначения элементов трубопроводных систем зданий и сооружений;
ГОСТ 12.1.005-88 Общие санитарно-гигиенические требования к воздуху рабочей зоны;
ГОСТ 30494-2011 Здания жилые и общественные. Параметры микроклимата в помещениях;
ГОСТ 31937 Здания и сооружения. Правила обследования и мониторинга технического состояния;
СанПиН 2.2.4.548-96 Гигиенические требования к микроклимату производственных помещений.

27.

Основные требования к системам отопления можно разделить на пять групп:
санитарно-гигиенические: поддержание заданной температуры воздуха и внутренних
поверхностей ограждений помещения во времени, в плане и по высоте при допустимой подвижности
воздуха, ограничение температуры на поверхности отопительных приборов,
экономические: оптимальные капитальные вложения, экономный расход тепловой энергии
при эксплуатации,
архитектурно-строительные: соответствие интерьеру помещения, компактность, увязка со
строительными конструкциями, согласование со сроком строительства здания,
производственно-монтажные: минимальное число унифицированных узлов и деталей,
механизация их изготовления, сокращение трудовых затрат и ручного труда при монтаже,
эксплуатационные: эффективность действия в течение всего периода работы (тепловая и
гидравлическая устойчивость), надежность (безотказность, долговечность, ремонтопригодность) и
техническое совершенство, безопасность и бесшумность действия.

28.

Отопительные приборы систем отопления
В водяных системах отопления используются два основных вида приборов:
с гладкой
и
оребренной поверхностью теплоотдачи.
К отопительным приборам предъявляется ряд требований, главное из которых - гигиеническое.
Наиболее комфортно воспринимается прибор с большой площадью и относительно низкой температурой
- в этом случае возрастает лучистая теплоотдача прибора, что комфортно воспринимается организмом
человека.

29.

В системах отопления применяются различного вида отопительные приборы. В качестве отопительных
приборов в системе водяного отопления многоквартирных зданий, как правило, применяются
секционные биметаллические, или алюминиевые радиаторы, стальные панельные радиаторы,
трубчатые радиаторы или конвекторы.

30.

Радиатор секционный - это конвективно-радиационный отопительный прибор, состоящий из отдельных
секций с каналами. Секции радиаторов изготавливаются из серого чугуна, стали или алюминия (толщина
стенки 2-4 мм) и могут компоноваться в приборы различной площади путем соединения на резьбовых
ниппелях с прокладками из термостойкой резины или паронита. Также в настоящее время, широкое
распространение получили биметаллические радиаторы, конвективная поверхность которых выполнена
из алюминия, а коллекторы и колонки радиатора из углеродистой стали. Соединение их секций может
также осуществляться на ниппелях, либо сваркой.
Преимуществом чугунных радиаторов является их стоимость, а в случае придания фигурной
поверхности - эстетичный классический вид. Коррозия чугуна может протекать интенсивнее, чем у
алюминия и углеродистой стали, однако в силу толстой стенки отливки, срок службы чугунных
радиаторов достаточно высок. Однако, давление жидкости, которое выдерживают данные приборы
находится в пределах 6-10 бар, в зависимости от срока эксплуатации.

31.

Стальной секционный радиатор обладает достаточно гладкой поверхностью и приятным эстетичным
видом. Подвержен коррозии, как и стальные трубы, что позволяет выдерживать одинаковый с ними срок
эксплуатации. Рабочее давление таких приборов составляет от 10 бар.

32.

Секции алюминиевых радиаторов полностью выполнены из одного материала, что значительно
сокращает их вес и упрощает производство. С другой стороны, возможно повреждение секции возле
резьбы (трещины), при избыточной силе закручивания фитинга. Кроме того, в ряде источников
утверждают, что алюминий может активно корродировать, при использовании воды с высоким показателем
pH, однако, при этом не указывается марка сплава алюминия, которых в практике металлургической
промышленности свыше 50. Также, алюминиевые радиаторы выдерживают давление до 10 бар, что
значительно, но меньше, чем у биметаллических радиаторов.

33.

Секции биметаллических радиаторов выполнены из двух материалов: конвективная поверхность
выполнена из алюминия, а коллекторы и колонки радиатора из углеродистой стали. Такая конструкция
снижает риск преждевременной коррозии прибора, увеличивается его рабочее давление (до 16 бар), а
резьбовые соединения выдерживают наибольшее напряжение.
Все секционные радиаторы обладают высокой тепловой инерцией, так как содержат в своем
объеме большое количество теплоносителя. Это может являться как положительным фактором,
с точки зрения перебоев работы источника теплоты, так и отрицательным при регулировании
теплоотдачи прибора.

34.

Стальные панельные радиаторы свариваются из двух штампованных стальных листов (толщина листа
около 1,4-1,5 мм), образуя приборы малой глубины и различной длины, называемые стальными панельными
радиаторами. Профиль радиаторных блоков выполняется с плоскими вертикальными каналами колончатой
формы, и реже с горизонтальными параллельными каналами регистровой формы. Радиаторы обладают
низкой тепловой инерцией, за счет сравнительно малого количества теплоносителя в своем объеме, и также
относятся к конвективо-радиационным приборам.
Внешний вид стальных панельных радиаторов достаточно благоприятный, однако, их использование
часто ограничивается системами с независимым присоединением к тепловым сетям, так как
достаточно тонкий лист стали может интенсивно корродировать на воде низкого качества, что
приводит к разгерметизации приборов. Рабочее давление стальных панельных радиаторов составляет
от 10 бар.

35.

Трубчатые радиаторы появились на рынке сравнительно недавно, и представляют из себя конструктивно
соединенные между собой трубы, круглого, или квадратного сечения, выполненные из стали, либо меди.
Такие приборы обладают гладкой поверхностью и достаточно удобны для очистки от пыли.
Трубчатые радиаторы обладают высокой тепловой инерцией, так как содержат в своем объеме большое
количество теплоносителя. Рабочее давление стальных панельных радиаторов составляет от 16 бар.

36.

Конвектор состоит из двух элементов: трубчато-ребристого нагревателя и кожуха. Кожух декорирует
нагреватель и способствует повышению теплопередачи благодаря увеличению подвижности воздуха у
поверхности нагревателя. Конвекторы изготавливаются из стали, меди, или двух материалов (медноалюминиевые). Обладают очень низкой тепловой инерцией и относятся к конвективным приборам.
Поскольку конвекторы по своей сути являются трубой с оребрением, то они способны
выдерживать значительное давление жидкости - от 20 бар.

37.

В зданиях с фасадным остеклением применяются конвекторы, встраиваемые в пол.

38.

К основным характеристикам отопительных приборов относятся:
Расчетная тепловая мощность (теплоотдача) отопительного прибора. Это количество тепловой энергии,
измеряемое в Вт (или Дж/с), отдаваемое в единицу времени с поверхности отопительного прибора в расчетных
условиях.
Площадь наружной поверхности прибора Aо.п, м2. Данная площадь является одной из важнейших
характеристик, и определяется заводом изготовителем. В прошлом использовалась для выбора отопительных
приборов всех типов. В настоящее время используется для расчета панельного отопления.
Номинальная теплоотдача отопительного прибора Qном, Вт. Это количество тепловой энергии, отдаваемое в
единицу времени с поверхности отопительного прибора в условиях испытания отопительного прибора. Данная
величина используется при определении расчетной тепловой мощности.
Рабочее (максимальное) давление прибора, Pраб, МПа. Это предельное давление, которое может выдерживать
отопительный прибор. Его превышение приведет к разгерметизации и разрушению прибора.
Тепловая инерция прибора, это запаздывание (скорость изменения) теплового потока от прибора в помещении
при его отключении. Имеет как положительные, так и отрицательные стороны.
Расход теплоносителя. Это количество (масса) теплоносителя, протекающего за единицу времени через
отопительный прибор. В проекте определяется расчетом, а в действительности зависит от гидравлического
режима работы системы.

39.

При выборе вида отопительного прибора нужно учитывать ряд факторов: назначение помещения, где прибор будет
устанавливаться, его дизайн, эксплуатационные характеристики и, конечно, стоимость.
В помещениях, предназначенных для кратковременного пребывания людей (менее 2 ч: лестничные клетки,
вестибюли, лифтовые холлы), можно использовать приборы любого типа, но в силу стоимости, отдают
предпочтение конвекторам.
В жилых помещениях, благоприятными с точки зрения теплового комфорта, являются радиаторы, так как
значительную часть тепловой энергии будут передавать излучением.
Согласно требованиям комфорта, а также требованиям нормативных документов, отопительные приборы в жилых
зданиях следует размещать под световыми проемами (окнами или комбинациями окон) или в непосредственной
близости от них, в местах, доступных для осмотра, ремонта и очистки. При таком размещении прибора возрастает
температура внутренней поверхности в нижней части наружной стены и окна, что повышает тепловой комфорт
помещения, уменьшая радиационное охлаждение людей. Поток теплого воздуха при расположении прибора под
окном препятствует образованию ниспадающего потока холодного воздуха, если нет подоконника,
перекрывающего прибора, и движению воздуха с пониженной температурой у пола помещения.
Схема циркуляции воздуха в помещении при различном месте размещения отопительного прибора:
а) под окнами без подоконника; б) под окнами с подоконником; в) у внутренней стены;
Пр - отопительный прибор

40.

Ранее, в нормативных документах в жилых помещениях регламентировалась установка отопительных приборов
шириной не менее 50 % ширины оконного проема, однако, со временем данное требование исключили.
Очевидно, чем ниже и длиннее сам по себе отопительный прибор, тем ровнее температура помещения, и лучше
прогревается его рабочая зона. Высокий и относительно короткий отопительный прибор вызывает активный
подъем струи теплого воздуха, что приводит к перегреванию верхней зоны помещения и опусканию
охлажденного воздуха по обеим сторонам такого прибора в рабочую зону.
Размещение под окном помещения отопительного прибора:
а) низкого и длинного; б) высокого и короткого;
Пр - отопительный прибор

41.

Особое размещение отопительных приборов требуется в лестничных клетках. Естественное движение воздуха в
лестничных клетках в зимний период, способствует теплопереносу в верхнюю их часть и вместе с тем вызывает
переохлаждение нижней части, прилегающей к открывающимся наружным дверям. Частота открывания
наружных дверей и, следовательно, охлаждение прилегающей части лестницы косвенно связаны с размерами
здания, и в многоэтажном здании в большинстве случаев выше, чем в малоэтажном. Очевидно, при
равномерном размещении отопительных приборов по высоте будет происходить перегревание средней и верхней
частей лестничной клетки и переохлаждение нижней части.
Таким образом, в нижней части лестничных клеток, если они граничат с наружными ограждениями,
выполняется установка нескольких отопительных приборов, а затем, по мере увеличения отметок этажей,
площадь приборов снижают.
Кроме того, лестничные клетки в жилых зданиях часто являются путем эвакуации людей, в случае пожара, или
чрезвычайных ситуациях. Поэтому размещение отопительных приборов в нижней части пути эвакуации не
допускается, чтобы исключить возможность повреждения человека при эвакуации.
Отопительные приборы на лестничной клетке следует присоединять к отдельным ветвям или стоякам систем
отопления. Установка отопительного прибора во входном тамбуре с наружной дверью нежелательна во
избежание замерзания воды в нем или в подводках в том случае, если наружная дверь длительное время
остается открытой.

42.

Отопительные приборы могут устанавливаться у глухих стен, под подоконной доской, за декоративными
экранами и в комбинации подоконных досок и декоративных укрытий. При этом их теплоотдача может
значительно изменяться, как увеличиваясь, так и уменьшаясь. Укрытия сокращают лучистый теплообмен,
но могут увеличивать конвективную составляющую. Например, вертикальный щит, помещенный у
поверхности радиатора, превращающий радиатор в конвектор, будет отвечать такому условию. На рисунке
показано несколько приемов установки отопительных приборов в помещениях и процент изменения
теплоотдачи прибора.
В связи с этим, рекомендуется устанавливать декоративные экраны, только в случае необходимости
безопасности, или отсутствия финансирование на установку приборов с благоприятным внешним видом.
Способы размещения отопительных приборов:
а) в декоративном шкафу; б) в глубокой нише; в) в специальном укрытии; г) за щитом

43.

Теплопроводы
Для пропуска теплоносителя в системах водяного используют трубы: металлические (стальные, медные) и
неметаллические (из термостойкой пластмассы).
Из металлических труб в России наиболее часто используют стальные шовные (сварные) и редко стальные
бесшовные (цельнотянутые) трубы. Стальные трубы изготавливают из мягкой углеродистой стали, что
облегчает выполнение изгибов, резьбы на трубах и различных монтажных операций. Неоцинкованные
(«черные») стальные сварные водогазопроводные трубы по ГОСТ 3262 бывают трех типов: легкие,
обыкновенные и усиленные (в зависимости от толщины стенки). Усиленные толстостенные трубы
применяют редко - в долговременных уникальных сооружениях при скрытой прокладке. Легкие тонкостенные
трубы предназначены под сварку или накатку резьбы для их соединения при открытой прокладке в системах
водяного отопления. Обыкновенные трубы используют при скрытой прокладке и в системах парового
отопления.

44.

Размер водо-газопроводной трубы обозначается цифрой условного диаметра в мм (например, DN20). Труба
DN20 имеет наружный диаметр 26,8 мм, а ее внутренний диаметр изменяется в зависимости от толщины
стенки от 20,4 (усиленная труба) до 21,8 мм (легкая труба).
Стальные электросварные трубы (ГОСТ 10704-2001) выпускают со стенками различной толщины. Поэтому в
условном обозначении выбранной трубы указывают наружный диаметр и толщину стенки (если выбрана труба
Ø76 2,8 мм, то это означает, что она имеет наружный диаметр 76 мм, толщину стенки 2,8 мм и, следовательно,
внутренний диаметр 70,4 мм).
Соединение стальных теплопроводов между собой, с отопительными приборами и арматурой может быть
неразборным - сварным и разборным (для ремонта отдельных частей) - резьбовым и болтовым (фланцевым).
Резьбовое разборное соединение предусматривают в основном у отопительных приборов и арматуры для их
демонтажа в случае необходимости. Фланцевая арматура крупного размера соединяется болтами с фланцами,
привариваемыми к концам стальных труб.
Стальные трубы, применяемые в системах центрального отопления, выдерживают, как правило, большее
гидростатическое давление (не менее 1,6 МПа), чем отопительные приборы и арматура. Поэтому предельно
допустимое гидростатическое давление в системе водяного отопления устанавливают по рабочему давлению,
на которое рассчитаны не трубы, а другие менее прочные элементы (например, отопительные приборы).

45.

Среди преимуществ стальных труб следует отметить:
- механическая прочность (мало подвержены деформации при бытовом воздействии),
- сравнительно низкий коэффициент линейного расширения, относительно остальных материалов,
- сварные соединения выдерживают высокое гидростатическое давление, что позволяет применять стальные
трубы при достаточно «высоких» системах отопления.
К недостаткам стальных труб следует отнести:
- подверженность коррозии, при использовании неподготовленной, или водопроводной воды в качестве
теплоносителя,
- сложная технология монтажа (сварные соединения), а также большой вес труб, что затрудняет
перемещение материала по строительной площадке.

46.

Медные трубы изготавливаются из технической меди (М1р, М1ф) по ГОСТ 52318-2005. Трубы
выпускаются в виде прямых отрезков длиной 2-6 м или в бухтах длиной до 50 м. Их соединение в процессе
монтажа осуществляется методом сварки (пайки), или на пресс-соединениях.
Использование мягкой меди позволяет значительно снизить стоимость системы отопления и сократить
сроки монтажа за счет уменьшения количества соединительных элементов (фитингов).
К преимуществам медных труб стоит отнести:
- механическая прочность (подвержены деформации при бытовом воздействии при герметичности),
- высокая коррозионная стойкость,
- долговечность (срок службы от 50 лет).
Единственным недостатком медных труб является их высокая стоимость по сравнению с другими
материалами. Кроме того, медь может вызывать явления электрохимической коррозии с другими
элементами системы отопления из стали и алюминия. Поэтому комбинирование медных труб с другими
металлическими материалами в системах водяного отопления не рекомендуется.

47.

Трубы из термопластов изготавливаются по ГОСТ 32415-2013. В системах отопления в основном используют
полипропиленовые трубы и трубы из сшитого полиэтилена. Реже металлопластиковые трубы.
Полипропиленовые трубы могут иметь в стенке дополнительный слой алюминия или стекловолокна.
Соединяются такие трубы методом сварки (пайки) или склейки, а поставляются отрезками 2-4 м.
Обозначение трубы, например с наружным диаметром 25 мм, толщиной стенки 3,5 мм и рабочим давлением 25
атм., выглядит следующим образом: DN25х3,5 PN25.
Преимущества полипропиленовых труб:
высокая коррозионная стойкость, простота монтажа, при соблюдении основных правил монтажа,
низкая стоимость, относительно труб из других материалов, долговечность, при определенных температурных
параметрах теплоносителя, и рабочем давлении в системе, малая шероховатость стенки,
легкие, что позволяет свободно транспортировать материал по строительной площадке.
Недостатки полипропиленовых труб:
низкая прочность, подвержены разрушению в местах соединений, при ударе и изгибе трубы, высокий
коэффициент линейного расширения (примерно в 4 раза выше, чем у стали, для трубы из полипропилена, и в
1,5 раза выше, чем у стали, для трубы, армированной стекловолокном), при высокой температуре
теплоносителя не выдерживают высокое гидростатическое давление, возможна проницаемость воздуха.

48.

Трубы из сшитого полиэтилена также могут иметь дополнительный алюминиевый слой в стенке, такие
трубы называют металлопластиковыми. Соединения труб из сшитого полиэтилена осуществляется прессфитингами, а сами трубы поставляются в бухтах.
Обозначение трубы следующее, например, для трубы внешним диаметром 16 мм и толщиной стенки 2,2 мм:
PE-X 16х2,2
Преимущества труб из сшитого полиэтилена:
- высокая коррозионная стойкость,
- простота монтажа,
- долговечность,
- малая шероховатость стенки,
- легкие, что позволяет свободно транспортировать материал по строительной площадке.
Недостатки труб из сшитого полиэтилена:
- высокий коэффициент линейного расширения (в среднем в 1,8 раза больше, чем у стали),
- высокая стоимость, относительно стальных и полипропиленовых труб,
- возможна проницаемость воздуха.

49.

Трубы металлопластиковые изготавливаются из специальных термопластов, или сшитого полиэтилена и
дополнительного алюминиевого слоя. Активное распространение данные трубы получили в системах
водоснабжения. В системах отопления также допускается их применение.
Металлопластиковые трубы соединяются обжимными фитингами, а сами трубы поставляются в бухтах.
Обозначение трубы следующее, например, для трубы со слоем алюминию в середине стенки, с наружным
диаметром 16 мм, и толщиной стенки 2,2 мм: PE-X/Al/PE-X 16х2,2
Преимущества металлопластиковых труб:
- высокая коррозионная стойкость,
- простота монтажа,
- долговечность,
- малая шероховатость стенки,
- легкие, что позволяет свободно транспортировать материал по строительной площадке.
Недостатки металлопластиковых труб:
- высокая стоимость, относительно полипропиленовых и стальных труб,
- при низком качестве адгезика (межслойный клей) возможен преждевременный износ труб.
Кроме всего прочего, стоит отметить, что все неметаллические трубы согласно СП 60.13330.2020
допускается применять при температуре теплоносителя не выше 90 °С и при их скрытой прокладке.

50.

Системы вентиляции
Вентиляция - обмен воздуха в помещениях для удаления избытка теплоты, влаги и вредных веществ с целью
обеспечения допустимого микроклимата и качества воздуха в обслуживаемом помещении или рабочей зоне.
[ГОСТ22270-2018, статья 2.12]
Система вентиляции - совокупность устройств, позволяющих поддерживать в помещениях
производственных, гражданских и жилых зданий состояние воздушной среды благоприятное для пребывания
человека и выполнения производственных процессов.
Поддержание требуемых параметров воздушной среды осуществляется организацией в помещении
воздухообмена путём удаления загрязнённого воздуха из объёма помещения и подачи в него чистого воздуха.
Системы вентиляции предназначены для подачи в помещение свежего (наружного) воздуха и удаления
загрязненного, то есть для создания воздухообмена.

51.

Задачи вентиляции
Основной задачей вентиляции является поддержание состояния воздушной среды, благоприятной для
пребывания в помещении человека и выполнения технологического процесса.
Основная задача, решаемая системами вентиляции - это ассимиляция и разбавление вредных примесей и
выделений во внутреннем воздухе до предельных и, в ряде случаев, оптимальных значений и
обеспечение оптимального по объему и способу организации воздухообмена.
В гражданских зданиях требуется поддержание параметров воздушной среды, благоприятной для
пребывания человека. Параметры микроклимата при отоплении и вентиляции помещений гражданских
зданий принимаются по ГОСТ 30494-2011 «Здания жилые и общественные. Параметры микроклимата в
помещениях».
В помещениях производственных зданий необходимо обеспечение оптимальных условий для проведения
технологического процесса. Параметры воздуха в помещениях производственных зданий определяет
«ГОСТ 12.1.005-88. Общие санитарно-гигиенические требования к воздуху рабочей зоны».

52.

Второй задачей вентиляции является борьба с профессиональными заболеваниями путем обеспечения
требуемых нормами условий на рабочих местах. Пыль, углекислый газ, неприятные запахи способны
наносить вред здоровью человека. Повышенная концентрация пыли в воздухе - причина заболевания
человеком силикозом. Тепловыделения и водяные пары становятся вредностями в избыточном количестве,
когда они становятся теплоизбытками и влагоизбытками, способными повышать температуру и
относительную влажность воздуха в помещении.
Из профессиональных заболеваний наиболее распространены пневмокониозы - следствие отложения и
накопления пыли в легких (различаются по видам вдыхаемой пыли). Силикоз возникает при вдыхании в
течение длительного времени пыли, содержащей диоксид кремния. Асбестоз - следствие вдыхания
волокнистой асбестовой пыли. Существуют также пневмокониозы от вдыхания цементной и пыли
стекловаты.
В помещениях зданий выделяются несколько видов вредностей, поэтому в вентиляции различают вредности
значимые, по величинам которых вычисляется воздухообмен, и незначимые, по которым воздухообмен не
вычисляется вследствие малости их выделения. Предполагается, что незначимые вредности удаляются
полностью воздухообменом, определённым по величине значимых вредностей.

53.

Третья задача вентиляции - защита атмосферного воздуха от загрязнения вредными веществами,
содержащимися в вентиляционных выбросах.
Меры по защите атмосферного воздуха от загрязнения вредными веществами, содержащимися в
вентиляционных выбросах:
Внедрение экологически чистых технологий.
Очистка вентиляционных выбросов от вредных веществ перед выбросом в атмосферу. На предприятиях
используются различные пылеуловители, например, циклоны для грубой и средней очистки воздуха от сухой
неслипающейся пыли.
Рассеивание вентиляционных выбросов, содержащих некоторое остаточной количество вредных примесей
таким способом, чтобы концентрация вредных веществ в приземном слое воздуха не превышала допустимых
норм.

54.

Виды систем вентиляции и элементы вентиляционных систем
Вентиляционной системой называют совокупность устройств для обработки, транспортирования,
подачи или удаления воздуха из помещения.
По способу перемещения воздуха системы вентиляции делятся на гравитационные (работающие за счет
разности плотностей наружного и внутреннего воздуха) и с механическим побуждением.
В связи с небольшой величиной располагаемого давления радиус действия гравитационных систем
невелик. Гравитационные системы сравнительно просты в устройстве, но их работа определяется
неустойчивыми факторами: температурой воздуха, направлением и скоростью ветра.
Вентиляционные системы по направленности действия делятся на приточные и вытяжные. Приточные
системы подают обработанный, обычно, наружный воздух в помещение. Вытяжные системы удаляют
загрязнённый воздух из помещения. Одновременная работа приточной и вытяжной систем создают в
помещении расчётный воздухообмен. В совокупности, обе системы создают приточно-вытяжную
систему вентиляции помещения.

55.

Элементами вентиляционной системы являются вентиляционная установка, состоящая из устройств по
обработке перемещаемого воздуха и побудителя тяги (вентилятора); воздуховоды и каналы, по которым
транспортируется воздух; устройства для подачи (воздухораспределители) и удаления воздуха (вытяжные
решетки, местные отсосы).

56.

По назначению системы вентиляции могут быть общеобменными, местными, локализующими,
аварийными и со смешанным действием.
Местная вытяжная вентиляция удаляет загрязнённый воздух непосредственно от мест выделения
вредностей, обычно через местные отсосы. Местная приточная подает непосредственно на рабочее место.
В гражданских зданиях местная вентиляция применяется наиболее часто в горячих цехах предприятий
общественного питания, если в них установлено модульное технологическое оборудование.

57.

Аварийные системы вентиляции устраиваются в помещениях с технологическим оборудованием, которое при
внезапной разгерметизации (аварии) способно «вбросить» в помещение большое количество вредных или
взрывоопасных газов и паров. Имеют задачу не допускать возникновения опасных для жизни или
возникновения взрыва концентраций.
Противодымная вентиляция направлена на подачу наружного воздуха в зону эвакуации людей и удаление
дымовых газов, например, из лифтовых шахт. При этом приток создает подпор воздуха в зоне эвакуации людей.

58.

Системы вентиляции могут существенно отличаться по способам воздухораспределения. Т.о. системы
вентиляции классифицируются на канальные и бесканальные (с непосредственным впуском и выпуском
воздуха). Бесканальные в свою очередь могут быть с непосредственным пропуском воздуха и с
механическими устройствами.

59.

Конструкции систем вентиляции:
а - приточная механическая вентиляция;
б - вытяжная механическая вентиляция;
в - приточная и вытяжная механическая
бесканальная вентиляция;
г - естественная бесканальная вентиляция
(аэрация);
д - местная вытяжная механическая с
общим сборным коллектором;
е - местная вытяжная механическая с
раздельным сбором;
ж - местная приточная (воздушное
душирование);
ПУ - приточная установка;
ВУ - вытяжная установка

60.

Системы
кондиционирования
воздуха
(СКВ)
предназначены для создания и поддержания заданного
микроклимата
в
помещениях,
включая
контроль
температуры, влажности и чистоты воздуха. Они бывают
разных типов, включая бытовые (сплит-системы, оконные,
мобильные), промышленные (чиллеры, VRF, крышные) и
центральные, которые распределяют подготовленный воздух
по зданиям через систему воздуховодов. Основные функции
СКВ — создание комфортных условий для людей и
обеспечение технологических процессов.
кондиционирование воздуха: Автоматическое поддержание в
обслуживаемых помещениях всех или отдельных параметров
воздуха (температуры, относительной влажности, чистоты и
подвижности) с целью обеспечения заданных параметров
микроклимата, как правило, оптимальных метеорологических
условий, наиболее благоприятных для самочувствия людей,
ведения технологического процесса, обеспечения сохранности
ценностей. [ГОСТ 22270-2018, статья 2.59]

61.

62.

Канальные могут различаться по трассировке и материалу каналов.
Трассировка каналов возможна как вертикальная (регулярная, с перепуском и с отдельными каналами), так и
горизонтальная (регулярная и с отдельными каналами).
Как правило, воздуховоды выполняются из оцинкованной
стали

63.

Воздухораспределение
Воздухораспределители, как правило, размещаются в верхней зоне помещения, реже - в рабочей зоне.
Приток может подаваться:
непосредственно в рабочую зону;
сосредоточенно, в верхнюю зону помещения;
настилающимися на потолок струями
свободными струями из верхней зоны;
из верхней зоны в рабочую наклонными струями;
из верхней зоны в рабочую в направлении «сверху - вниз».

64.

Нормированные схемы воздухораспределения:
а) - Подача воздуха сверху вниз
настилающимися на потолок струями,
б) – Сверху – вниз наклонными струями,
в) – горизонтальными стесненными струями
выше рабочей зоны при формировании
обратного потока в обслуживаемой зоне,
г) – сверху – вниз коническими, компактными и
неполными веерными струями,
д) – сверху – вниз настилающимися веерными
струями,
е) – в обслуживаемую зону низкоскоростными
струями

65.

66.

Основным требованием, предъявляемым к системам вентиляции жилых зданий, является обеспечение
нормируемого воздухообмена в помещениях здания, независимо от принятой системы вентиляции.
Воздухообмен квартиры следует организовывать следующим образом: приточный воздух подается в жилые
помещения квартиры; удаляется воздух из кухни, санузла (туалета и ванной) и подсобных помещений.
Для обеспечения притока воздуха под дверями кухонь и санузлов следует оставлять щель высотой 0,03 м или
устанавливать у пола переточную решетку живым сечением не менее 0,03 м2.
Для проветривания квартир в теплый период года должны быть предусмотрены открывающиеся окна (створки
окон), форточки или фрамуги.
Приток воздуха в квартиры осуществляется через регулируемые приточные клапаны, устанавливаемые в
переплете окна или в наружной стене. Для систем естественной вентиляции для притока воздуха допускается
использовать форточки, фрамуги или открывающиеся створки окон, оборудованные фиксаторами положения, если
уровень уличного шума не превышает допустимый.
Приточные устройства следует размещать в жилых помещениях квартир и кухнях-столовых, в верхней части окна
или наружной стены, или над отопительным прибором, установленным под окном.
В системе естественной вентиляции с естественным притоком воздуха температура и скорость приточного воздуха
при входе приточных струй в обслуживаемую зону помещений не должны превышать допустимых величин
согласно СП 60.13330.2020 (приложение Б) при расчетных для проектирования отопления значениях температуры
наружного воздуха.

67.

В квартирах жилых зданий для организации воздухообмена применяют следующие схемы систем
вентиляции:
естественной вентиляции с естественным притоком и естественным удалением воздуха;
с механическим удалением и с естественным притоком воздуха;
с механическим притоком и с естественным удалением воздуха;
механической приточно-вытяжной вентиляции;
гибридной (естественно-механической) вентиляции.

68.

Удаление воздуха из помещений квартиры осуществляют через вытяжные устройства.
Для удаления загрязненного воздуха из помещений следует предусматривать вытяжные вентиляционные
каналы (воздуховоды) по схеме спутники - сборный короб, располагаемые в выделенных шахтах, или
отдельно стоящие вентиляционные блоки, располагаемые в санузлах, кухнях и кладовых, а также подсобных
помещениях.
Систему вентиляции с естественным удалением воздуха выполняют с удалением воздуха через теплый чердак
с единой шахтой на кровле или через раздельные каналы, выводимые на кровлю.
Вытяжные устройства и решетки в зданиях выше 6 этажей следует присоединять к вертикальному сборному
каналу через спутник высотой не менее 2 м. Аэродинамическое сопротивление спутника при расчетном
расходе воздуха в нем должно составлять не менее 6 Па.
Вертикальные сборные каналы допускается предусматривать как общими, так и раздельными для кухонь и
санузлов, расположенных друг под другом на этажах здания.
В случае использования общего вертикального сборного канала вытяжные устройства из
кухонь и санузлов следует присоединять к нему через отдельные спутники.

69.

Расчёт систем вентиляции с естественным побуждением
Расчётной для гравитационных вытяжных систем является температура наружного воздуха (+ 5) 0С По
СП60.13330.2020.
Расчётным давлением для гравитационных вытяжных систем является внутренним избыточным давлением и
равно разности давлений столбов воздуха снаружи и внутри помещения на плоскости, проходящие через
центры вытяжных решёток каждого из этажей. Высоты столбов – от отметки устья вытяжной шахты до
отметки центра вытяжной решётки в помещении.
К определению расчётного давления в системах вытяжной вентиляции с
гравитационным побуждением
№ этажа
Давление наружного воздуха
на расчётную плоскость
Давление удаляемого
воздуха на расчётную
плоскость
Расчётное
гравитационное
давление
1 эт.
g·ρнh1
g·ρвh1
g·h1·(ρн-ρв)
2 эт.
g·ρнh2
g·ρвh2
g·h2·(ρн-ρв)

70.

Из таблицы следует, что гравитационное давление в многоэтажных зданиях различно для различных этажей.
Наименьшую величину гравитационного давления имеет последний этаж.
Из этого обстоятельства следует:
1. при выборе трассировке вытяжной системы со сборным коробом каналы помещений последнего этажа
следует размещать как можно более ближе к вытяжной шахте, что позволяет уменьшить поперечное сечение
сборных коробов;
2. главное расчётное направление проходит через наиболее удалённый от вытяжной шахты канал помещения
последнего этажа.
Большие величины гравитационного давления присущи помещениям нижележащих этажей. Это
обстоятельство учитывается при аэродинамической увязке воздуховодов.
Расчётная величина гравитационного давления невелика, поэтому скорости воздуха, м/с, в вертикальных
каналах, сборном коробе и вытяжной шахте обычно не превышают следующих величин, м/с:
воздухоприёмные решётки 0,5 – 0,8
вертикальные каналы
0,5 – 1,0
вытяжные шахты 1,0 – 1,5.

71.

Последовательность проектирования естественных вытяжных систем с вертикальным сборным
каналом:
1. В соответствии с конструктивными особенностями конструируется сеть каналов. Помещения последних
этажей рекомендуется вентилировать индивидуальными каналами с самостоятельным выпуском
воздуха в атмосферу.
2. Проводят нумерацию участков с указанием расходов в них. Подсчитывать расходы воздуха на участках
сборного вертикального воздуховода удобно, начав с 1 – го этажа.
3. Расчёт начинают с последнего этажа. Вентилируется помещение каналом с индивидуальным выпуском
воздуха под общий для вентиляционной системы зонт. Обычно расчёт этого участка определяет высоту
вытяжной шахты для всей вентиляционной системы.
4. Рассчитывают все прочие индивидуальные каналы (верхние этажи).
5. Приступают к аэродинамическому расчёту каналов, объединённых сборным вертикальным каналом –
это каналы, обслуживающие помещения с 1 – го этажа здания.
6. Расчётное гравитационное давление равно:
Δр = gH (ρ+5 - ρв )
7. Основной принцип подбора диаметров и поперечных сечений – большая часть располагаемого давления
должна расходоваться в ответвлении. Аналогично рассчитываются каналы прочих нижележащих этажей.

72.

Расчёт вытяжных и приточных систем вентиляции с механическим побуждением:
Аэродинамический расчёт сетей воздуховодов и каналов приточных и вытяжных систем с механическим
побуждением имеет целью:
определение диаметров или размеров поперечного сечения воздуховодов или каналов, обеспечивающих
аэродинамическую увязку ответвлений; вычисление потерь давления на каждом из участков и потерь
давления в сети; определение расчётных расхода и потерь давления, на который следует подбирать
вентилятор.
Аэродинамическая увязка систем с механическим побуждением рассматривается на примере схемы
воздуховодов.
1. Главное расчётное направление соединяет по сети воздуховодов с вентилятором наиболее удалённую по
сети воздуховодов всасывающую вытяжную решетку. Оно состоит из участков 1, 2, 3, 4, 5, 6, 7 на схеме.
Прочие участки являются ответвлениями.

73.

Расчёт вытяжных и приточных систем вентиляции с механическим побуждением:
2. Подбор диаметров или размеров поперечного сечения осуществляется с помощью рекомендуемых
скоростей движения воздуха в воздуховодах. Для гражданских зданий этот диапазон составляет 4÷7 м/с.
Скорость в воздуховодах должна возрастать в направлении от вытяжной решетки или
воздухораспределителя к вентилятору. Для каналов, выполненных из строительных материалов, скорости
перемещения воздуха принимают не более 5÷6 м/с.
3. Размеры прочих участков должны подбираться с учётом аэродинамической увязки. Расчёт ответвлений
следует начинать с начала главного расчётного направления.
Ответвление 12 и участок 1 главного расчётного направления соединены друг с другом параллельно и
имеют общую точку А, давление в которой Ра равно для участков 1 и 12.
Правило аэродинамической увязки. Если имеются два участка воздуховодов, соединённые параллельно,
и потери давления в одном из них известны, то размеры поперечного сечения другого параллельного
участка должны обеспечивать равные с первым участком потери давления при расчётном расходе воздуха в
нём.
Примечание: в аэродинамическом расчёте систем с механическим побуждением гравитационное давление
не учитывается.
Расчётные потери давления для подбора вентилятора равны:
у вытяжных вентиляционных систем – потери давления сети воздуховодов, включая и вытяжную шахту;
у приточных систем – потери сети воздуховодов плюс потери давления в воздухоприёмном тракте от
воздухозаборной решетки до утеплённого клапана плюс потери давления в фильтре, калорифере и
воздухораспределителе.

74.

Схема системы естественной вентиляции с естественным
притоком и естественным удалением воздуха с
поэтажными ответвлениями-спутниками
и общими сборными вытяжными каналами в здании с
теплым чердаком:
1 ‒ приточный клапан; 2 ‒ вытяжное устройство; 3 ‒
отопительный прибор;
4 ‒ спутник; 5 ‒ сборный вытяжной канал; 6 ‒ вытяжная
шахта; 7 ‒ вытяжной вентилятор (индивидуальный); 8 ‒
поддон
Для обеспечения ограничения сопротивления общих участков
системы вентиляции до 1 Па и с целью повышения
устойчивости работы системы вентиляции скорость воздуха в
шахте не должна превышать 1 м/с. Для сбора атмосферных
осадков на полу чердака под шахтой следует размещать
поддон глубиной 0,25 м. В расчетных условиях температура
воздуха на чердаке должна быть не ниже 14 ºС.
Систему естественной вентиляции с естественным удалением
воздуха через теплый чердак не следует применять в зданиях
ниже 7 этажей.

75.

Схема системы естественной вентиляции с естественным
притоком и естественным удалением воздуха с
поэтажными ответвлениями ‒ спутниками и сборными
вытяжными каналами:
1 ‒ приточный клапан; 2 ‒ вытяжное устройство; 3 ‒
отопительный прибор; 4 ‒ спутник;
5 ‒ сборный вытяжной канал; 6 ‒ вытяжная шахта;
7 ‒ вытяжной вентилятор (индивидуальный); 8 ‒
дефлектор

76.

Схема системы вентиляции с механическим удалением (с
индивидуальными вентиляторами) и с естественным
притоком воздуха:
1 ‒ приточный клапан; 2 ‒ вытяжной вентилятор; 3 ‒
отопительный прибор;
4 ‒ вытяжной канал; 5 ‒ вытяжная шахта с зонтом
В зданиях высотой 5-6 этажей и менее воздух следует
удалять вертикальными каналами с самостоятельным
выпуском его в атмосферу.

77.

Схема системы естественной вентиляции с
естественным притоком и естественным удалением
воздуха с общим сборным вытяжным каналом:
1 ‒ приточное устройство; 2 ‒ вытяжное устройство;
3 ‒ отопительный прибор;
4 ‒ спутник; 5 ‒ сборный вытяжной канал; 6 ‒ вытяжная
шахта с дефлектором;
7 ‒ вытяжной вентилятор (индивидуальный);
8 – дефлектор
В зданиях без теплого чердака вытяжные шахты на кровле
следует оборудовать дефлекторами. Допускается
объединение шахт от разных систем вентиляции (сборных
воздуховодов санузлов и кухонь) под одним зонтом или
дефлектором.

78.

Схема гибридной (естественно-механической)
вентиляции:
1 ‒ приточное устройство; 2 ‒ вытяжное устройство; 3
‒ отопительный прибор;
4 ‒ спутник; 5 ‒ сборный вытяжной канал; 6 ‒ вытяжная
шахта; 7 ‒ вытяжной вентилятор (индивидуальный); 8 ‒
вытяжной вентилятор; 9 ‒ клапан воздушный с
приводом; 10 ‒ поддон
В
системе
гибридной
(естественно-механической)
вентиляции проектируют механические устройства для
побуждения движения вытяжного воздуха в теплый период
года.
Для уже существующих зданий с системой естественной
вентиляции с естественным притоком и удалением воздуха
возможен переход к системе гибридной (естественномеханической)
вентиляции
с
целью
повышения
комфортности параметров внутреннего микроклимата.

79.

Схема системы вентиляции с механическим удалением
(централизованным) и с естественным притоком
воздуха:
1 ‒ приточный клапан; 2 ‒ вытяжное устройство;
3 ‒ отопительный прибор;
4 ‒ спутник; 5 ‒ сборный вытяжной канал; 6 ‒ вытяжной
вентилятор;
7 ‒ вытяжная шахта с зонтом; 8 ‒ противопожарный
клапан

80.

Схема системы механической приточно-вытяжной
вентиляции (централизованной) с утилизацией теплоты
удаляемого воздуха (утилизация с промежуточным
теплоносителем):
1 ‒ воздухораспределитель; 2 ‒ вытяжное устройство; 3
‒ отопительный прибор; 4 ‒ спутник;
5 ‒ приточный канал (вне квартиры); 6 ‒ приточная
установка с утилизатором теплоты с промежуточным
теплоносителем; 7 ‒ вытяжная установка с
утилизатором теплоты с промежуточным
теплоносителем; 8 ‒ трубопровод промежуточного
теплоносителя;
9 ‒ циркуляционный насос; 10 ‒ надплитный зонт с
индивидуальным вентилятором;
11 ‒ вытяжная шахта; 12 ‒ противопожарный клапан
Система механической приточно-вытяжной вентиляции
должна иметь устройства утилизации теплоты удаляемого
воздуха для подогрева приточного воздуха, а также
устройства
для
охлаждения
и
увлажнения
(кондиционирования) воздуха исходя из климатических
условий района строительства.

81.

Вентиляцию с механическим побуждением, в том числе с частичным использованием систем
естественной вентиляции для притока или удаления воздуха (смешанная вентиляция) следует
предусматривать:
если параметры микроклимата и качество воздуха не обеспечиваются вентиляцией с
естественным побуждением в течение года;
для помещений и зон без естественного проветривания.

82.

Приточные и вытяжные установки
Приточная вентиляционная установка состоит из воздухозаборного устройства, воздушного клапана, фильтра
для очистки воздуха от пыли, нагревателя и вентиляционного агрегата.
Виды обработки наружного воздуха в
приточной установке:
очистка приточного воздуха от пыли;
подогрев воздуха в холодный период
года.

83.

Вытяжная вентиляционная установка может состоять из устройства для очистки вентиляционных выбросов
от загрязняющих его веществ и вентиляционного агрегата. В гражданских зданиях очистка удаляемого в
атмосферу воздуха не требуется, поэтому вентиляционная установка состоит только из вентиляционного
агрегата.
Приточные и вытяжные установки допускают их совмещение, создавая приточно-вытяжные вентиляционные
установки.
К преимуществам применения приточно-вытяжных вентиляционных установок можно отнести:
простоту монтажа и компактность;
применение рекуператоров;
возможность организации рециркуляции теплоты путем подмешивания вытяжного воздуха к
приточному, соблюдая санитарно-гигиеническую норму для жизнедеятельности человека.

84.

Сократить расходы энергоресурсов, не в ущерб воздухообмену, позволяет утилизация тепла в системах вентиляции
централизованного и локального типа. Используются разные виды теплообменников – широко распространены
рекуператоры. Устройство предусматривает наличие теплообменного элемента и вентиляторов для продвижения
разнонаправленных потоков воздуха. Конструкция разработана так, чтобы приточные и удаляемые потоки
находились в отдельных отсеках и не смешивались – теплоутилизация осуществляется через стенки
теплообменника.
Схема приточно-вытяжной установки с
рекуператором

85.

Основные требования нормативно-технической документации к системам вентиляции
Основными нормативными документами, предъявляющими требования к системам вентиляции, а также их
разработке, являются:
СП 50.13330.2012 «Тепловая защита зданий» с Изменениями №1, №2;
СП 60.13330.2020 «Отопление, вентиляция и кондиционирование воздуха»;
СП 61.13330.2012 «Тепловая изоляция оборудования и трубопроводов»;
СП 131.13330.2020 «Строительная климатология»;
СП 51.13330.2011 «Защита от шума»;
СП 7.13130.2013 «Отопление, вентиляция и кондиционирование. Противопожарные требования»;
СП 73.13330.2016 «Внутренние санитарно-технические системы зданий»;
СП 54.13330.2016 «Здания жилые многоквартирные»;
СП 56.13330.2011 «Производственные здания»;
ГОСТ Р 21.101-2020 «СПДС Основные требования к проектной и рабочей документации»;
ГОСТ 21.602-2016 «Правила выполнения рабочей документации отопления, вентиляции и кондиционирования»;
ГОСТ 21.205-2016 «Условные обозначения элементов трубопроводных систем зданий и сооружений»;
ГОСТ 12.1.005-88 «Общие санитарно-гигиенические требования к воздуху рабочей зоны»;
ГОСТ 30494-2011 «Здания жилые и общественные. Параметры микроклимата в помещениях»;
ГОСТ 31937 «Здания и сооружения. Правила обследования и мониторинга технического состояния»;
СанПиН 2.2.4.548-96 «Гигиенические требования к микроклимату производственных помещений».

86.

Теплоснабжение
Система городского теплоснабжения включает в себя источник тепловой энергии, тепловые сети и пункты ввода в
здания. В качестве источника тепла обычно служит ТЭЦ - теплоэлектроцентраль, предназначенная для выработки
электрической и тепловой энергии. Тепловая сеть располагается между источником энергии и центральными
тепловыми пунктами (ЦТП) или индивидуальными тепловыми пунктами (ИТП).
Системы теплоснабжения классифицируются по следующим признакам:
типу источника, производящего энергоноситель,
виду энергоносителя,
способу подачи воды на горячее водоснабжение,
количеству трубопроводов тепловой сети,
способу обеспечения потребителей тепловой энергией.

87.

По способу обеспечения потребителей тепловой энергией системы теплоснабжения разделяют на
централизованные и децентрализованные.
Централизованное теплоснабжение потребителей осуществляется по протяженным и разветвленным
тепловым сетям от теплоэлектроцентралей на базе комбинированной выработки тепловой и электрической
энергии (теплофикация), а также от крупных районных и других теплогенерирующих установок
мощностью более 50 МВт.
Для децентрализованных систем теплоснабжения характерна малая протяженность или даже полное
отсутствие тепловых сетей от теплогенерирующей установки к потребителям тепловой энергии.
Децентрализованное теплоснабжение осуществляется от теплогенерирующих установок малой мощности,
автономных квартирных теплогенераторов и печей.

88.

По источнику приготовления тепла различают три вида систем теплоснабжения:
высокоорганизованное централизованное теплоснабжение на базе комбинированной выработки
тепла и электроэнергии на ТЭЦ - теплофикация;
централизованное теплоснабжение от районных отопительных и промышленно-отопительных
котельных;
децентрализованное теплоснабжение от мелких котельных, индивидуальных отопительных печей.

89.

По виду энергоносителя системы теплоснабжения делятся на водяные и паровые.
Водяные системы используются для обеспечения тепловой энергией объектов жилищно-коммунального
назначения (отопление, вентиляция, кондиционирование воздуха, горячее водоснабжение), а также с целью
снабжения промышленных предприятий горячей водой на технологические нужды.
Паровые системы теплоснабжения распространены на промышленных предприятиях, где пар используется в
качестве энергоносителя в технологических процессах, а также для нужд санитарно-технических систем в
пределах этих предприятий.

90.

По способу подачи воды на горячее водоснабжение водяные системы теплоснабжения разделяются на закрытые
и открытые.
В закрытых системах воду из тепловых сетей используют только в качестве энергоносителя в теплообменниках
для подогрева холодной водопроводной воды, поступающей в местную систему горячего водоснабжения.
В открытых системах вода непосредственно из тепловой сети забирается для приготовления и подачи ее в систему горячего
водоснабжения потребителя.

91.

Наибольшее распространение получили двух- и четырехтрубные тепловые сети, однако, возможно применение
одно - и трехтрубных тепловых сетей. Системы теплоснабжения большой и средней мощности экономически
целесообразно выполнять двухтрубными - с общим подающим трубопроводом горячей воды для отопления,
вентиляции и горячего водоснабжения и общим обратным трубопроводом.
Использование четырехтрубных тепловых сетей упрощает процессы подготовки теплоносителя для потребителей
теплоты, так как сети включают два подающих трубопровода для подачи горячей воды на нужды отопления,
вентиляции и горячего водоснабжения и два обратных трубопровода от потребителей.
Двухтрубная закрытая система теплоснабжения:
1 - источник теплоты; 2, 8 - соответственно подающая и обратная магистрали тепловой сети;
3 - тепловой ввод в здание; 4 - теплообменник системы отопления;
5 - теплоснабжение системы вентиляции; 6 - подача горячей воды на питьевые нужды;
7 - теплообменник горячего водоснабжения;
ИТП - индивидуальный тепловой пункт; ОП - отопительные приборы; ХВС - холодное водоснабжение

92.

Тепловые потребители могут присоединяться непосредственно к тепловым сетям через центральные
тепловые пункты (ЦТП) или индивидуальные тепловые пункты (ИТП, абонентские вводы), в которых
осуществляются приготовление и подача горячей воды нужных параметров для целей отопления,
вентиляции и горячего водоснабжения потребителей. ЦТП, ИТП в общем случае включают
подогреватели, элеваторы, насосы, запорно-регулирующую арматуру и средства автоматического
регулирования расхода и параметров теплоносителей и т.д.
По режиму потребления тепла в течение года различают две группы потребителей теплоснабжения:
сезонные потребители, нуждающиеся в тепле только в холодный период года, с зависимостью
расхода тепла в основном от температуры наружного воздуха, к этой группе относятся системы отопления,
вентиляции и кондиционирования воздуха;
круглогодовые потребители, нуждающиеся в тепле весь год, со слабо выраженной в большинстве
случаев зависимостью расхода тепла от температуры наружного воздуха, к этой группе относятся системы
горячего водоснабжения и технологические установки.

93.

Присоединение систем отопления к системам теплоснабжения
Одним из основных нормативно-технических документов в области теплоснабжения является СП
124.13330.2012 «Тепловые сети. Актуализированная редакция СНиП 41-02-2003». В данном СП приведена
классификация потребителей теплоты по надежности теплоснабжения. Следует отметить, что надежность
теплоснабжения - это характеристика состояния системы теплоснабжения, при котором обеспечиваются
качество и безопасность теплоснабжения.
В соответствие с классификацией, представленной в СП, потребители делятся на три категории:
Первая категория - потребители, не допускающие перерывов в подаче расчетного количества теплоты и
снижения температуры воздуха в помещениях ниже предусмотренных ГОСТ 30494-2011 «Здания жилые и
общественные. Параметры микроклимата в помещениях». Например, больницы, родильные дома, детские
дошкольные учреждения с круглосуточным пребыванием детей, картинные галереи, химические и
специальные производства, шахты и т.п.
Вторая категория - потребители, допускающие снижение температуры в отапливаемых помещениях на
период ликвидации аварии, но не более 54 ч. К таким потребителям относятся жилые и общественные
здания, где допускается снижение температуры внутреннего воздуха до 12 °С, а также промышленные
здания со снижением температуры в отапливаемых помещениях до 8 °С.
К третьей категории относят остальных потребителей, таких как, склады.

94.

Схемы присоединения систем отопления к тепловым сетям:
а) зависимая; б) зависимая со смешением с помощью элеватора;
в) зависимая со смешением с помощью насоса; г) независимая
1 – отопительные приборы; 2 – элеватор; 3 – насос; 4 – регулирующий клапан системы отопления;
5 – водонагреватель; 6 – расширительный бак

95.

Схема местного теплового пункта при зависимом
прямоточном присоединении системы водяного отопления к
наружным теплопроводам:
1 - задвижка; 2 - грязевик; 3 - термометр; 4 - манометр; 5 регулятор расхода;
6 - обратный клапан; 7 - тепломер; 8 - регулятор давления
«до себя»

96.

Принципиальные схемы смесительной установки с насосом
на перемычке между магистралями систем отопления (а), на
обратной магистрали (б), на подающей магистрали (в)
1 – смесительный насос; 2 – регулятор температуры; 3 –
регулятор расхода воды в системе отопления.

97.

Принципиальная схема двухтрубной закрытой системы теплоснабжения здания с независимым
присоединением системы отопления и зависимым теплоснабжением вентиляции

98.

В настоящее время применяют так
называемые
скоростные
(кожухотрубные)
и
пластинчатые
теплообменники.
Кожухотрубные
теплообменники
больше
характерны
для
ЦТП
(центральных
тепловых
пунктов),
обслуживающих группу потребителей
(группу
зданий,
промышленных
объектов).
В
ИТП
чаще
устанавливаются
пластинчатые теплообменники, за счет
их
компактности,
высокой
эффективности, ремонтопригодности,
простоты
эксплуатации
и,
при
необходимости, полной замены.
Водоподогреватели: а - пластинчатый; б - кожухотрубный

99.

Для обеспечения циркуляции воды в системе отопления применяются бесшумные насосы с мокрым ротором,
закрепляемые непосредственно на трубах без фундамента. Конструктивные особенности насосов с мокрым
ротором обеспечивают постоянное движение воды вперед, что способствует стабильности температуры на
всех участках системы отопления. За счет отсутствия пробок исключается возникновение гидроударов.
К преимуществам насоса с мокрым ротором относится высокая надежность, такие насосы практически
бесшумны и обладают большим сроком службы.
К недостаткам таких насосов следует отнести невысокий КПД, в среднем до 50%, который падает вследствие
большого количества перегородок между ротором и статором. Небольшой КПД приводит к повышенному
расходу электроэнергии.

100.

Наряду с насосами с мокрым ротором, в системе отопления применяются одноступенчатые центробежные
насосы (насосы с «сухим ротором»), устанавливаемые на фундамент, или опоры. К преимуществам насоса
с сухим ротором относится высокий КПД, до 80%, а, следовательно, сравнительно небольшие затраты
энергии. К недостаткам насоса с сухим ротором относится высокий уровень шума, поэтому такие насосы
устанавливают в отдельных звукоизолированных помещениях.

101.

Конструкция двигателей циркуляционных насосов разделяется в соответствии с принципом работы их
роторов. Один вариант, с сухим ротором, эксплуатируется в сухой среде, а другой, с мокрым ротором,
постоянно находится с теплоносителем в контакте.
Какой вариант следует выбрать, определяется назначением насоса, напором, который он должен
обеспечивать, и требованиям к шумности его работы.

102.

Внутреннее пространство всех элементов системы отопления (труб, отопительных приборов, арматуры,
оборудования) заполнено водой. Получающийся при заполнении объем воды в процессе эксплуатации
системы претерпевает изменения: при повышении температуры воды он увеличивается, при понижении
температуры - уменьшается. Соответственно изменяется внутреннее гидравлическое давление. Однако эти
изменения не должны отражаться на работоспособности системы отопления и, прежде всего, не должны
приводить к превышению предела прочности любых ее элементов. Поэтому в систему водяного отопления
вводится дополнительный элемент - расширительный бак

103.

Системы теплоснабжения представляют собой совокупность взаимосвязанных потребителей тепла, которые
могут отличаться как характером, так и величиной теплопотребления. Режимы расходов тепла
многочисленными потребителями неодинаковы. Сезонные нагрузки, к которым относится нагрузка на
отопление, вентиляцию и кондиционирование воздуха изменяются пропорционально изменению температуры
наружного воздуха, но остаются практически стабильными в течение суток. Тепловая нагрузка на горячее
водоснабжение не зависит от температуры наружного воздуха, но изменяется как по часам суток, так и по дням
недели.
В данном положении возникает резкая необходимость регулирования параметров и расхода теплоносителя в
соответствии с действительной потребностью в тепле. Регулирование повышает качество теплоснабжения,
сокращает перерасход тепловой энергии и топлива.
Основной целью регулирования отпуска теплоты на сезонные нагрузки является поддержание комфортных
условий микроклимата в помещениях при изменении на протяжении всего отопительного периода
температуры наружного воздуха. При этом необходимо учитывать, что в систему горячего водоснабжения
поступает переменный на протяжении суток расход воды с постоянной температурой.
В зависимости от места осуществления регулирования различают центральное, групповое, местное и
индивидуальное регулирование.

104.

Этапы эксплуатационного
регулирования :
I – центральное на
теплоисточнике;
II – групповое в
центральном тепловом пункте
(ЦТП);
III – местное в
индивидуальном тепловом
пункте (ИТП) или в
собственной
котельной;
IV – узловое на входе в
сложный элемент или в часть
системы
отопления;
V – индивидуальное в
отопительном приборе

105.

Центральное регулирование осуществляется на ТЭЦ и в котельных по преобладающей тепловой
нагрузке, характерной для большинства абонентов.
Групповое регулирование осуществляется в центральных тепловых пунктах (ЦТП) для групп
потребителей с однородной нагрузкой. В ЦТП поддерживается требуемый расход и температура
теплоносителя, поступающего в распределительные или внутриквартальные сети.
Местное регулирование предусматривается на абонентском вводе (в ИТП) для дополнительного
изменения параметров теплоносителя с учетом местных факторов.
Индивидуальное регулирование осуществляется непосредственно у теплопотребляющих приборов и
дополняет другие виды регулирования.

106.

Тепловые сети
Тепловая энергия посредством горячей воды или пара транспортируется от ТЭЦ или котельной к потребителям
по специальным трубопроводам, называемым тепловыми сетями.
Тепловые сети подразделяются на магистральные, распределительные, квартальные и ответвления от
магистральных и распределительных тепловых сетей к отдельным зданиям и сооружениям. Разделение
тепловых сетей устанавливается проектом или эксплуатационной организацией.
Магистральные тепловые сети - это тепловые сети (со всеми сопутствующими конструкциями и
сооружениями), транспортирующие горячую воду, пар, конденсат водяного пара, от выходной запорной
арматуры источника теплоты (исключая ее) до первой запорной арматуры в тепловых пунктах (включая ее).
Распределительные тепловые сети: это наружные тепловые сети от тепловых пунктов до зданий,
сооружений, в том числе от центрального теплового пункта до индивидуального теплового пункта.
К квартальным тепловым сетям относят распределительные тепловые сети внутри кварталов городской
застройки.
Ответвление - это участок тепловой сети, непосредственно присоединяющий тепловой пункт к
магистральным тепловым сетям или отдельное здание и сооружение к распределительным тепловым сетям.
Радиус действия водяных тепловых сетей в крупных городах может достигать 15-20 км.

107.

В зависимости от размещения источников тепла и потребителей тепловые сети могут быть лучевыми
(радиальными), тупиковыми и кольцевыми. При лучевых или радиальных теплосетях тупиковые
магистрали прокладываются к тепловым районам. Лучевая схема более дешевая по начальным затратам,
требует меньше металла и проста в эксплуатации. Недостаток схемы - в необеспеченности потребителей,
присоединенных за местом аварии на магистрали. С целью резервирования соседние магистрали иногда
соединяют перемычкой, которая рассчитывается на пропуск аварийного расхода воды не менее 50 % от
расчетного для резервируемого участка. Для предприятий, у которых не допускаются перерывы в подаче
теплоты (таких как больницы, детские учреждения, картинные галереи и тому подобные), следует
предусматривать резервирование со 100 %-й подачей теплоты. Для этого следует использовать местные
резервные источники теплоты или передвижные котельные.
б
Схема тепловой сети: а) лучевая (радиальная); б) тупикова

108.

В крупных городах теплосети закольцовывают.
Кольцевая схема тепловой сети более надежна и применяется в крупных системах теплоснабжения от
нескольких источников. В кольцевых сетях диаметры отдельных колец на всем их протяжении постоянные,
независимо от величины их тепловой нагрузки. Несомненно, кольцевые сети дороже радиальных,
удлиняются сроки ликвидации аварий из-за трудностей установления места, однако в случае аварии
потребители могут получать расчетное количество теплоты от другого теплоисточника.
При проектировании тепловых сетей выбор схемы является сложной технико-экономической задачей.
Схема тепловой сети определяется не только размещением источников тепла по отношению к
потребителям, но и видом теплоносителя, характером тепловых нагрузок и их расчетной величиной.

109.

По наличию водоразбора на хозяйственно-питьевые нужды: открытые и
закрытые

110.

По способу прокладки: тепловые сети бывают надземными и подземными.

111.

При надземной прокладке трубопроводы могут быть расположены на открытом воздухе либо в
помещениях, включая чердаки и подвалы зданий.
Надземные тепловые сети прокладываются преимущественно в промзонах и в районах высокого
стояния грунтовых вод, а также в районах со сложным рельефом. Располагаются на опорах или
высоких мачтах. В качестве теплоизоляционного слоя в конструкциях тепловой изоляции
трубопроводов надземной прокладки наибольшее применение в практике находят прошивные и
рулонированные теплоизоляционные маты на основе каменной ваты и стекловолокна, выпускаемые
различными предприятиями. Для ограничения увлажнения волокнистой теплоизоляции при
надземной прокладке по теплоизоляционному слою устанавливается защитное покрытие из
гидроизоляционных материалов. В отечественной практике при надземной прокладке в конструкциях
с минераловатными утеплителями в качестве покровного слоя используются металлические покрытия
из оцинкованной стали и алюминиевых сплавов.

112.

Подземные тепловые сети прокладываются в проходных, полупроходных, непроходных
каналах и с бесканальной прокладкой.
Самый совершенный и самый дорогой способ - это прокладка в проходных каналах. Как
правило осуществляется совместно с прокладкой других городских сетей: таких как
электричество, связь, водопровод. Проходные каналы снабжаются вытяжной, а иногда и
приточной механической вентиляцией (приблизительно 1 шахта на 100 м длины). Согласно
правилам техники безопасности, каждые 300 метров предусматриваются смотровые люки и
низковольтное освещение.

113.

Полупроходные каналы применяют в стесненных условиях местности, когда невозможно возведение
проходных каналов. Их используют в основном для прокладки сетей на коротких участках под крупными
инженерными узлами, не допускающими вскрытия каналов для ремонта трубопроводов. Высота
полупроходных каналов принимается не менее 1,4 м, свободный проход – не менее 0,6 м; при этих габаритах
возможно проведение мелкого ремонта труб. Материалы для изготовления полупроходных каналов и принцип
размещения в них коммуникаций аналогичны проходным каналам.
Наиболее распространенный способ прокладки трубопроводов диаметром до 700 мм - прокладка в
непроходных каналах. Этот способ можно применять для любых грунтов и любого числа труб. Подвижные
опоры устанавливаются на расстояниях, определяемых из условия допустимого прогиба трубопровода. Они
могут смещаться вдоль его оси. До и после поворотов, в местах ответвлений и в некоторых других случаях
устанавливаются неподвижные опоры. Расстояние между неподвижными опорами на прямом участке
трубопровода определяется, исходя из компенсации температурного расширения труб. В местах установки
неподвижных опор, в том числе на ответвлениях, устанавливаются тепловые камеры для ремонта и
обслуживания.
Конструкция непроходного канала:
1 - бетонная подушка;
2 - корпус (стакан); 3 - крышка;
4 - трубопровод;
5 - слой теплоизоляции;
6 - подвижная опора

114.

Бесканальная прокладка теплопровода находит оправданное применение в том случае, когда по
надежности и долговечности не уступает теплопроводам в непроходных каналах и даже превосходят их,
являясь более экономичными по сравнению с последними по начальной стоимости и трудозатратам на
сооружение и эксплуатацию. В бесканальных прокладках теплоизолированный трубопровод из-за
непосредственного контакта с грунтом находится в условиях более активных физико-механических
воздействий, чем в канальных прокладках (таких как влажность грунта, давление грунта и внешних нагрузок).
Бесканальная прокладка возможна при использовании механически прочной теплогидроизоляционной
оболочки, способной защитить трубопроводы от потерь теплоты и выдерживать нагрузки, передаваемые
грунтом, а также обладающей высоким и устойчивым в эксплуатационных условиях тепло-, влаго-, воздухо- и
электросопротивлением. Бесканальные теплопроводы в засыпных порошках находят применение главным
образом при трубопроводах малого диаметра - до 300 мм.
Применение бесканальных теплопроводов в монолитных оболочках - один из основных путей
индустриализации строительства тепловых сетей.
Схема бесканальной прокладки
теплосетей:
1 – песчаная подушка;
2 – противокоррозионный слой;
3 – теплоизоляционный материал;
4 – грунт

115.

В качестве основного теплоизоляционного слоя в конструкциях теплоизолированных трубопроводов
бесканальной прокладки по СП 124.13330.2012 «Тепловые сети» и СП 61.13330.2012 «Тепловая изоляция
оборудования и трубопроводов» в отечественной практике применяются пенополиуретан (ППУ),
пенополимерминерал (ППМ) и армопенобетон (АПБ).
Наибольшее распространение в современной отечественной и мировой практике получили предварительно
изолированные в заводских условиях трубы с тепловой изоляцией на основе пенополиуретана и защитным
покрытием из полиэтилена высокой плотности по ГОСТ Р 30732–2006 «Трубы и фасонные изделия стальные с
тепловой изоляцией из пенополиуретана с защитной оболочкой». Эти изделия применяются для тепловых
сетей подземной бесканальной прокладки с температурой теплоносителя до 140°С. Теплопроводы
оборудованы системой оперативного дистанционного контроля технического состояния теплоизоляции
(СОДК), позволяющей своевременно обнаруживать и устранять возникающие дефекты.
К преимуществам теплопроводов с ППУ-изоляцией относят низкий коэффициент теплопроводности (не более
0,033 Вт/(м·°С)), технологичность при изготовлении и при монтаже теплопроводов, долговечность (при
соблюдении требований монтажа и эксплуатации). Ограничения в применении ППУ-изоляции в тепловых
сетях бесканальной прокладки связаны с допустимой температурой применения (140°С), а при канальной и
надземной прокладке - с горючестью и токсичностью выделяемых при горении компонентов.

116.

Источники теплоснабжения
Источниками тепловой энергии часто именуются теплогенерирующими установками (ТГУ). Различают два
способа выработки тепловой энергии: от отопительных котельных и от ТЭЦ.
Теплогенерирующие установки - это комплекс технических устройств и агрегатов, предназначенных для
выработки энергоносителя заданных параметров (водяного пара или горячей воды) за счет сжигания топлива,
подготовки энергоносителя с параметрами, соответствующими требованиям потребителя, а также подачи его
в систему теплоснабжения.
Централизация теплоснабжения обеспечивает: снижение расхода топлива за счет автоматизации и
повышения КПД ТГУ, возможность рационально сжигать низкосортное топливо, газовое топливо, более
рационально использовать экологические ресурсы местности (сокращение и очистка выбросов, вынос ТГУ за
пределы населенного пункта), снижение пожаро- и взрывоопасности в городах; повышение качества и
надежности теплоснабжения.
Но имеются и отрицательные моменты: сооружение и эксплуатация протяженных тепловых сетей;
значительные капитальные вложения в котельные или ТЭЦ.

117.

Технологическую структуру теплогенерирующих установок можно представить, как несколько условно
замкнутых циклов, отражающих основные технологические процессы и функциональные группы
оборудования.
Электростанции, вырабатывающие электроэнергию, обладают КПД не более 35%; на ТЭЦ при совместной
выработке электроэнергии и тепла обеспечивается КПД более 80%, а затраты топлива за счет
теплофикационного цикла в 2-3 раза меньше, чем при использовании котельных.
Схема ТЭЦ:
1 - котел; 2 - пароперегреватель; 3 - турбина первой ступени;
4 - турбина второй ступени (низкого давления); 5 - генератор;
6 - охладитель-редуктор; 7 - пиковый нагреватель;
8 - основной нагреватель; 9 - устройства химводоподготовки

118.

В практике теплоэлектрофикации начинают получать распространение МиниТЭЦ, работающие по
аналогичной схеме, но на меньшей мощности.

119.

Котельные установки подразделяются на районные, квартальные, групповые и установки предприятий.
Районные теплогенерирующие установки (районные тепловые станции) используются
теплоснабжения всех потребителей района жилой застройки или промышленной зоны.
для
Квартальные и групповые теплогенерирующие установки предназначены для теплоснабжения одного или
нескольких кварталов, группы жилых домов, общественных зданий.
Котельные установки классифицируются также по технологическим признакам:
по типу котельных агрегатов, которые являются основным оборудованием теплогенерирующих установок
(паровые, водогрейные, пароводогрейные);
по виду энергоносителя и схеме его подачи потребителю (отпускающие пар с возвратом или без возврата
конденсата, горячую воду по закрытой или открытой схеме теплоснабжения, пар и горячую воду по
перечисленным схемам в различных сочетаниях);
по виду сжигаемого топлива (на твердом топливе, газе, жидком топливе).

120.

По конструкции и месту размещения котельные могут быть блочно-модульными, крышными и
индивидуальными (встроенными).
Котельная блочно-модульная – отдельно стоящая котельная, состоящая из блоков
технологического оборудования, размещенных в строительном модуле.
Котельная крышная - автономный источник теплоснабжения, размещаемый на кровле
основного здания.
Встроенная котельная – автономный источник теплоснабжения, размещаемый внутри
ограждающих конструкций основного здания, независимо от этажа

121.

Особое распространение, при развитии новых районов, или ранее не заселенных территорий получили
модульные котельные. Такие котельные, как правило, разрабатываются на базе стандартного проекта,
устанавливаются в каркасный модуль с габаритами, удобными для транспортировки наземным
транспортом и монтируются на заранее подготовленный фундамент. Все это уменьшает срок
производства котельной, а также упрощает ее монтаж.
На рисунке приведена принципиальна схема модульной котельной в состав которой, помимо самих
котлов и горелок, входит узел учета отдаваемой тепловой энергии 1, узел регулирования 2, группа
повысительных насосов системы холодного водоснабжения 3, узел теплообменников отопления 4, узел
подготовки воды на нужды горячего водоснабжения 5, узлы химводоподготовки 7 и 8, узел учета
потребления газа 9, газорегуляторная установка ГРУ 10, узел подачи жидкого (резервного) топлива 11, а
также ёмкости для его хранения 12.

122.

Основными характеристиками для выбора модульных котельных являются:
Категория надежности отпуска тепла (первая/вторая/третья);
Режим работы котельной (ОиВ + ГВС или ОиВ);
Номинальная/рабочая и минимальная мощность), МВт;
Схема подключения потребителей (зависимая и независимая);
Параметры теплоносителя (температура, °С и давление, МПа);
Вид топлива;
Давление природного газа (минимальное и максимальное);
Давление холодной воды, МПа;
Общая жесткость воды, получаемой из ХВС, мг-экв/литр;
Габаритные размеры, масса.

123.

Если говорить о самом распространенном типе - газовом котле, то по принципу действия различают
конвекционные и конденсационные котлы. Первые это традиционные модели, представленные на
современном рынке бытовой техники в большом ассортименте. Вторые - усовершенствованные приборы.
Конвекционные котлы имеют простую конструкцию, доступную стоимость и широкий модельный ряд.
Нагревают теплоноситель за счет тепла, выделяемого при сжигании газа. При этом часть теплоты остается
не задействована и уходит вместе с дымом, что обуславливает низкий КПД приборов - до 92%.
Конденсационные газовые котлы в отличие от конвекционных используют не только теплоту, выделяемую
при сгорании топлива, но и энергию водяного пара, образующуюся при его охлаждении. Обеспечивается
это дополнительным теплообменником, установленным в оборудовании. На нем оседает конденсат из
отходящих дымовых газов, при этом процесс сопровождается выделением дополнительного тепла. В
результате КПД устройств достигает 110%, с одной оговоркой, что за 100% принимается количество
теплоты, вырабатываемой при полном сгорании топлива.
Однако конденсационные котлы имеют один значительный недостаток - они максимально
энергоэффективны при соотношении температур подающей и обратной - 50 °C/30 °C. Такой режим
возможно использовать только в европейской части России или в домах, где отопление включает в себя
систему «теплый пол». Во всех остальных случаях лучше отдать предпочтение традиционным
конвекционным котлам.

124.

Монтируется на заранее подготовленный фундамент.
Могут быть отдельностоящими, пристроенными и встроенными.

125.

По характеру тепловых
подразделяются на:
нагрузок
потребителей
производственные,
потребителей предприятий;
предназначенные
для
теплогенерирующие
теплоснабжения
установки
технологических
производственно-отопительные, служащие для теплоснабжения технологических
потребителей предприятий, а также обеспечивающие тепловые нагрузки отопления,
вентиляции и горячего водоснабжения промышленных, общественных и жилых зданий и
сооружений;
отопительные, предназначенные только для обеспечения отопления, вентиляции и
горячего водоснабжения коммунально-бытовых потребителей.

126.

Топливо для систем теплоснабжения.
По своему физическому состоянию топливо делится на твердое, жидкое и газообразное.
По происхождению на естественное и искусственное.
Топливо для систем теплоснабжения и генерации теплоты
Топливо
Твердое
Естественного
происхождения
Древесина, торф, бурый
уголь, каменный уголь,
антрацит, сланцы
Жидкое
Нефть
Газообразное
Природный газ, попутный
нефтяной газ
Искусственное
Древесный уголь, кокс, полукокс,
термоантрацит и др.
Мазут, бензин, лигроин, керосин,
соляровое масло и др.
Доменный газ, генераторный
коксовый газ, газ подземной
газификации твердого топлива и
др.

127.

Основной теплотехнической характеристикой топлива является теплота сгорания, которая указывает,
какое количество тепла в кДж выделяется при сжигании 1 кг твердого или жидкого топлива, или 1 куб.
метра газообразного топлива. Различают высшую и низшую теплоту сгорания топлива.
Высшая теплота сгорания топлива QРВ – количество тепла, выделяемое топливом при полном его
сгорании, с учетом тепла, выделившегося при конденсации водяных паров, которые образуются при
горении.
Низшая теплота сгорания топлива QРН – отличается от высшей тем, что не учитывает тепло,
затрачиваемое на образование водяных паров, которые находятся в продуктах сгорания.
Разница между ними — это теплота, которая теряется при образовании водяного пара в продуктах
сгорания, так как она не учитывается при определении низшей теплоты, но учитывается при
определении высшей. Взаимосвязь высшей и низшей теплоты сгорания определяется уравнением:
QНР QВР 25 (9 Н Р W P )
W- процентное содержание воды в топливе, H - процентное содержание водорода,
k- коэффициент, равный примерно 25 кДж/кг

128.

Ввиду того, что топлива различных месторождений имеют различные свойства для сравнения различных
их видов, планирования в больших масштабах, экономических расчетов введено понятие «условное
топливо».
Принято, что теплота сгорания 1 кг твердого (жидкого) условного топлива (или 1 куб. м газообразного)
равна 29,3 МДж (7 000 ккал), это приблизительно 8,14 кВт-ч. Для пересчета натурального топлива в
условное применяется калорийный эквивалент Эк, величина которого определяется отношением низшей
теплоты сгорания конкретного рабочего топлива. Перевод натурального топлива в условное производится
умножением количества натурального топлива на калорийный эквивалент.
Т.о. эквивалент каждого топлива может быть определен по следующей формуле:
Р
т
Н
Э Q / 29300.
English     Русский Правила