2.12M
Категория:
Электроника
Похожие презентации:
Телекоммуникации. Схема передачи информации
Сумматоры. Схемы сдвига. Схемы свертки
Блок-схема персонального компьютера
Функциональная схема ЭВМ. Лекция 3
Последовательностные схемы или схемы без элементов памяти
К1810ВМ2. Схема К1801ВМ2
Процессор. Логическая схема процессора
Структурная схема компьютера
Схемотехника цифровых устройств. Последовательные схемы
Структурная схема компьютера
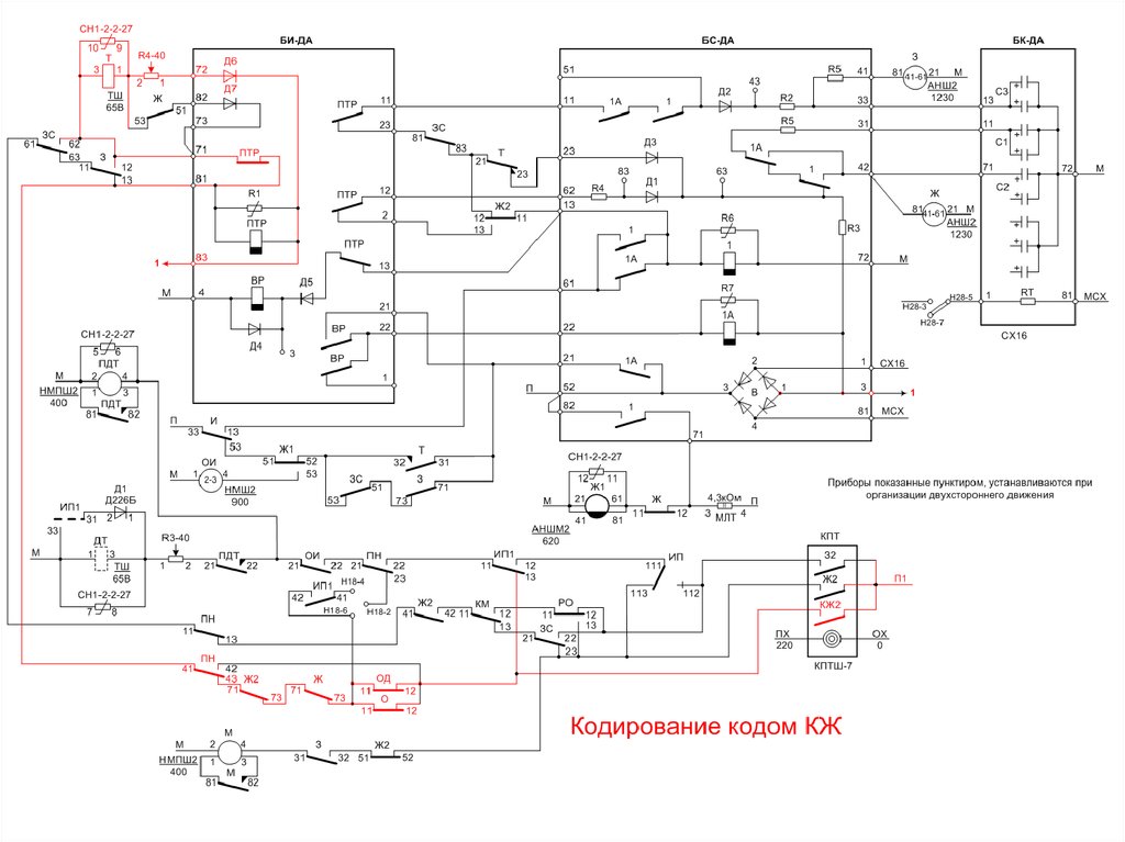
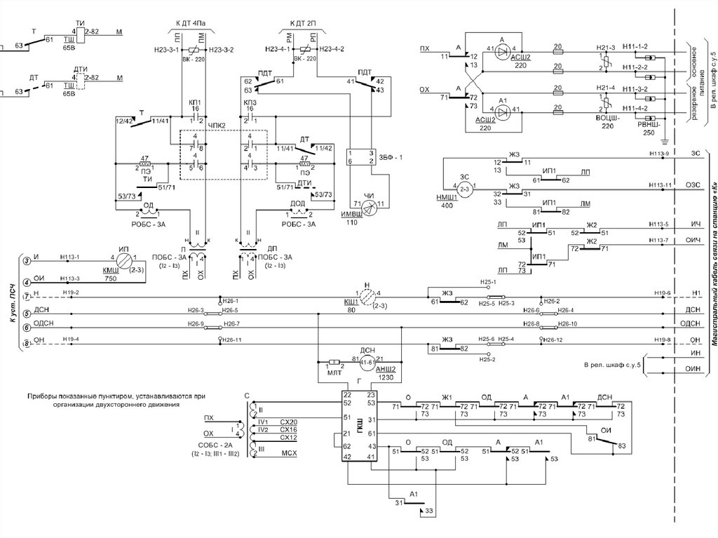
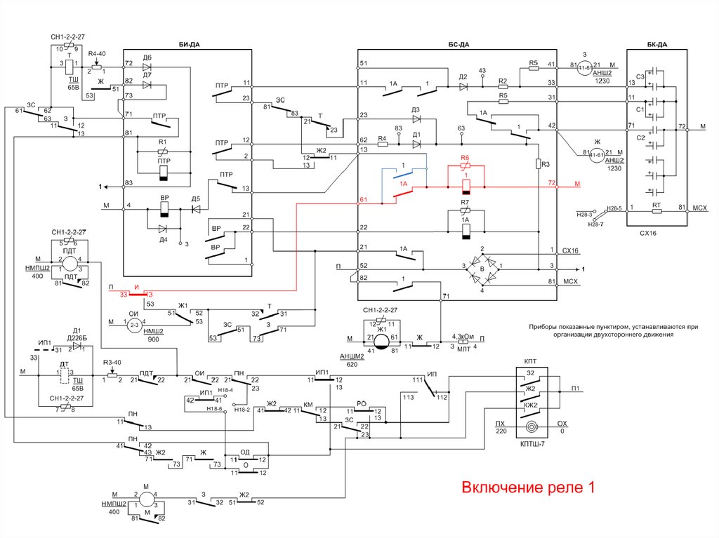
Схемы КАБ
1.
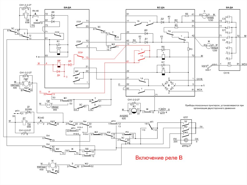
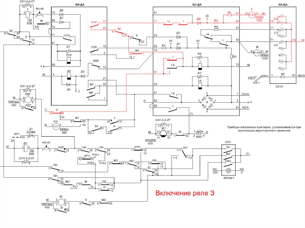
Схемы КАБ
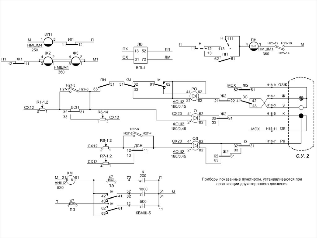
2.
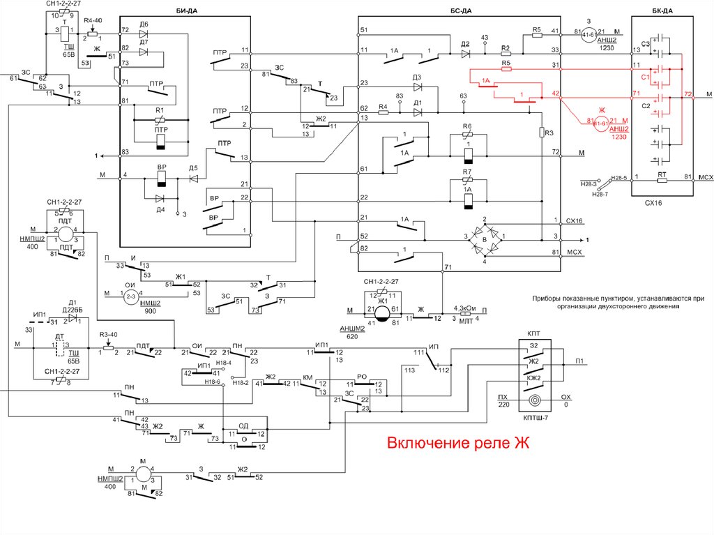
3.
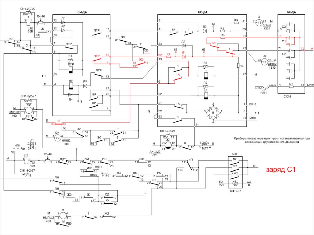
4.
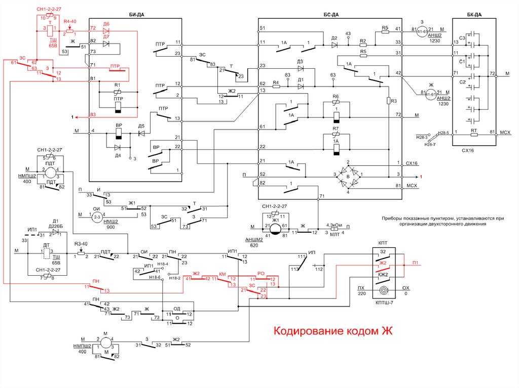
5.
6.
7.
8.
9.
10.
Прием кода КЖ
11.
12.
Прием кода Ж
English
Русский
Правила