Как чертить схемы
Базис Основная Функционально-Полная Система двоичных функций ОФПС = И, ИЛИ, НЕ
Базисы И-НЕ и ИЛИ-НЕ представляют собой только ОДНУ микросхему НЕ ДВЕ
Эти функции входят в другие базисы
Схема в базисе 16 функций
Шина
Шина используется так
Схема в базисе ОФПС
Чертёж д.б. выполнен карандашом, под линейку и только под углом 90о
Схема в базисе И-НЕ (количество входов не ограничено)
Схема в базисе ИЛИ-НЕ (количество входов не ограничено)
Схемы с памятью или со схемами задержки
Введем D-триггер вместо схем задержки
Схемы в базисах ЛА3, ЛЕ4 и ЛН1, ЛР4
Схема в базисе ЛА3, ЛЕ4
1.12M
Категория: ИнформатикаИнформатика

Как чертить схемы

1. Как чертить схемы

2.

3. Базис Основная Функционально-Полная Система двоичных функций ОФПС = И, ИЛИ, НЕ

Базис Основная ФункциональноПолная Система двоичных
функций
ОФПС = И, ИЛИ, НЕ

4. Базисы И-НЕ и ИЛИ-НЕ представляют собой только ОДНУ микросхему НЕ ДВЕ

5. Эти функции входят в другие базисы

6. Схема в базисе 16 функций

7.

f
x
1
x3 x1 x2 x1 x2 x3

8. Шина

• объединение нескольких проводников,
которые могут быть поданы на шину в
любом месте или взяты из неё.
• Использование шины позволяет
избавиться от пересечения
проводников и таким образом упростить
чтение чертежа.
• Шина д.б. 1-3мм толщиной.

9.

f
x
1
x3 x1 x2 x1 x2 x3

10. Шина используется так

Верный
Шина используется так
x1
&
&
x2
x1 x2
Неверный чертёж
&
ошибка
&
x1
x2
Не переворачивайте
блоки МС
Проводники проводить в угол
блока нельзя
&

11.

f
x
1
x3 x1 x2 x1 x2 x3

12.

f
x
1
x3 x1 x2 x1 x2 x3

13.

f
x
1
x3 x1 x2 x1 x2 x3

14.

f
x
1
x3 x1 x2 x1 x2 x3

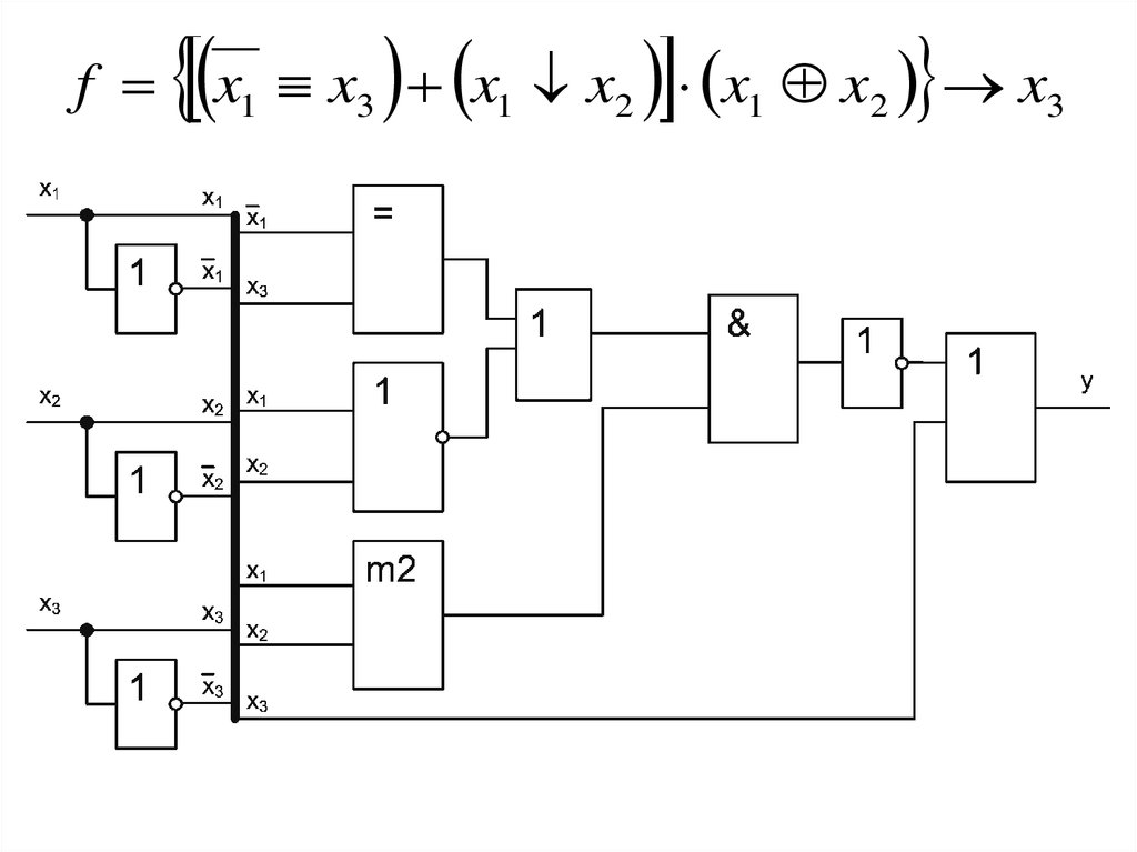
15. Схема в базисе ОФПС

16. Чертёж д.б. выполнен карандашом, под линейку и только под углом 90о

Базис И, ИЛИ, НЕ предполагает использование только 3х микросхем:
& И логич. AND ^
1 ИЛИ логич. OR V
&
1
1
1 вход
Кол-во входов
неограниченно

17.

f
x x
1 3
x1 x3 x1 x 2 x1 x 2 x1 x 2 x3

18. Схема в базисе И-НЕ (количество входов не ограничено)

19.

20. Схема в базисе ИЛИ-НЕ (количество входов не ограничено)

21.

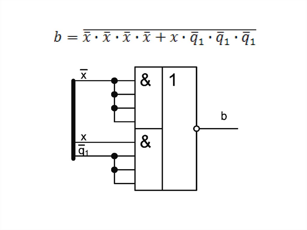
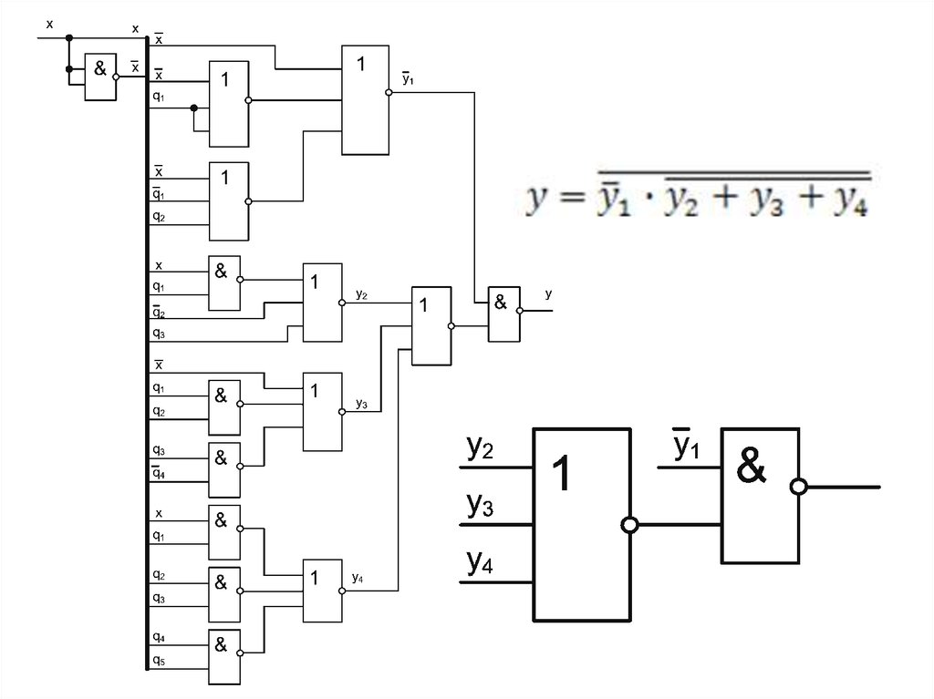
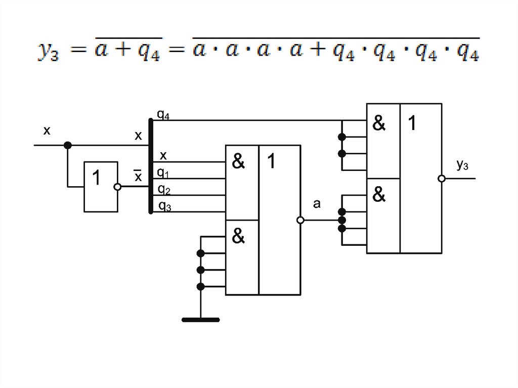
22. Схемы с памятью или со схемами задержки

23.

Схемы с памятью

24.

Далее
рассмотрим
каждый
блок в
отдельности

25.

26.

27.

28.

29.

ВНИМАНИЕ!
q00-q11
из предидущей
каскадной
схемы
НЕ
ИСПОЛЬЗУЕМ

30.

Для
детального
анализа
рисунка
смотрите
файл *.png

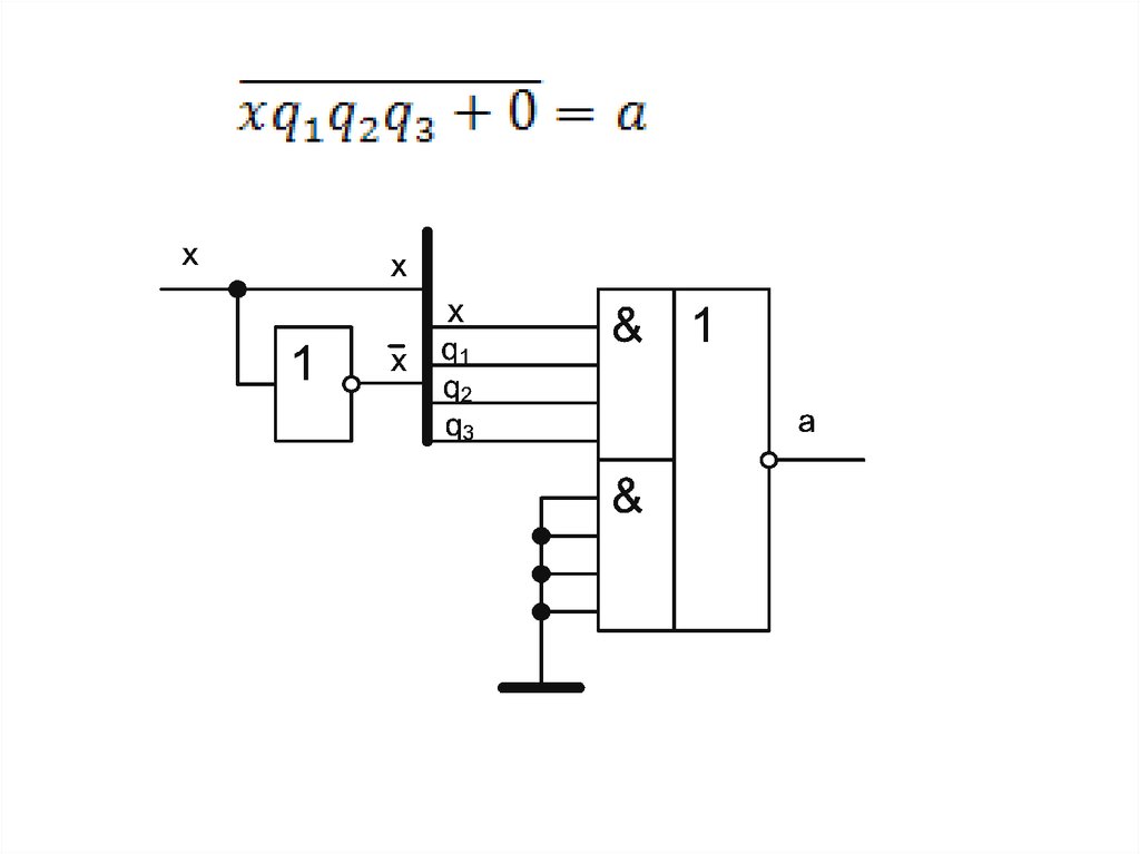
31. Введем D-триггер вместо схем задержки

аналогично

32.

Пример
схемы
из ДЗ №3

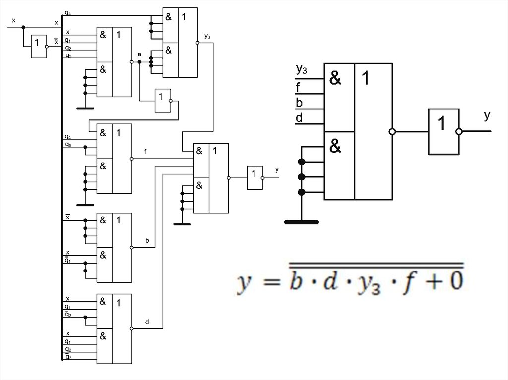
33. Схемы в базисах ЛА3, ЛЕ4 и ЛН1, ЛР4

34.

Информация из файла: Справочник_ИМС 533 серии.jpg

35.

Для упрощения
моделирования
разбиваем на четыре
подфункции:

36. Схема в базисе ЛА3, ЛЕ4

37.

Далее
рассмотрим
каждый
блок в
отдельности

38.

39.

40.

41.

42.

43.

Схема в базисе
ЛН1, ЛР4

44.

Схема в базисе
ЛН1, ЛР4

45.

Далее
рассмотрим
каждый
блок в
отдельности
English     Русский Правила