274.84K
Категория: ЭлектроникаЭлектроника

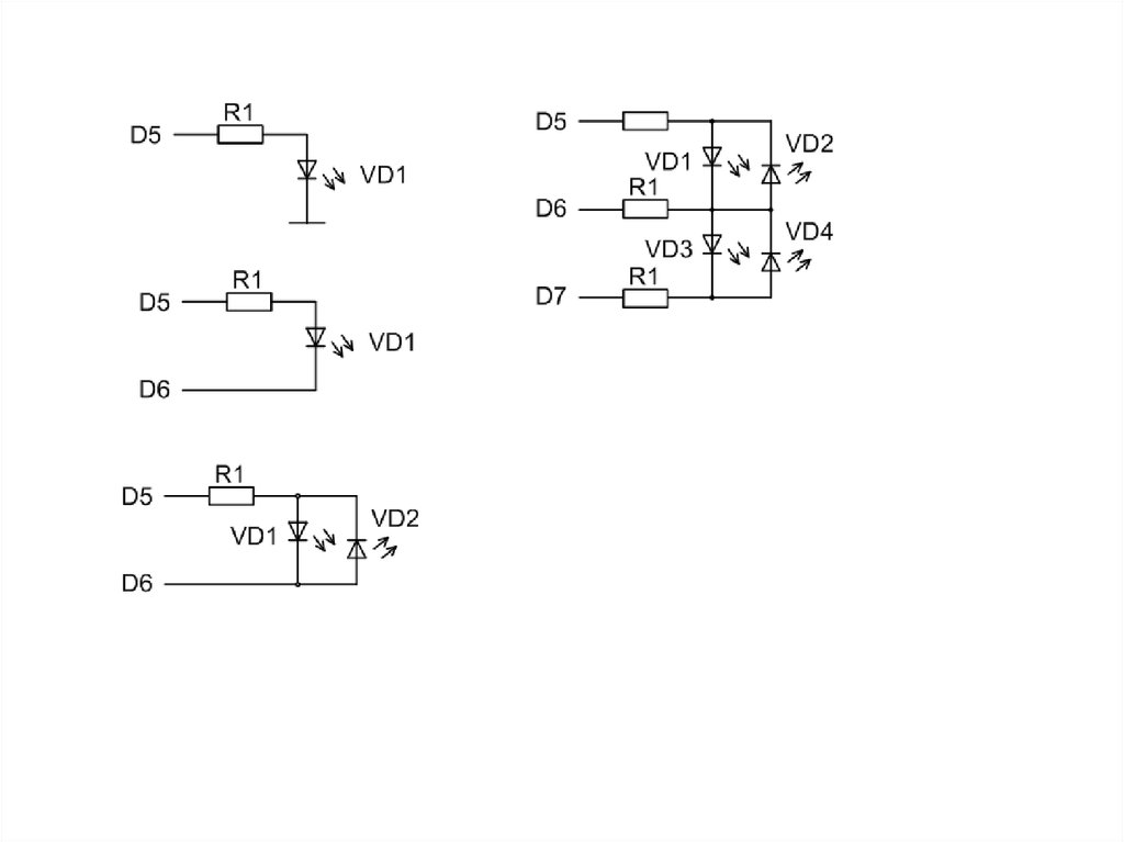
Подключение аналогового датчика холла. Структура процессора 8080

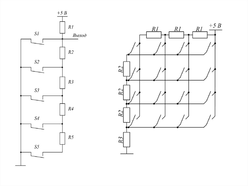
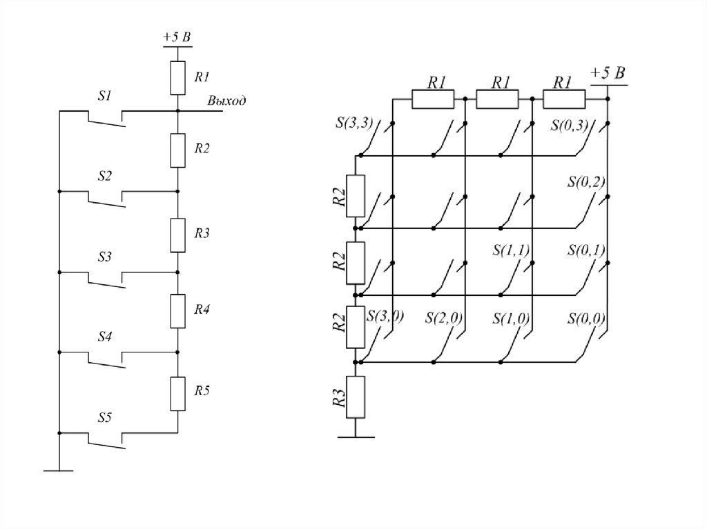
1.

Подключение аналогового датчика холла
Структура процессора 8080

2.

3.

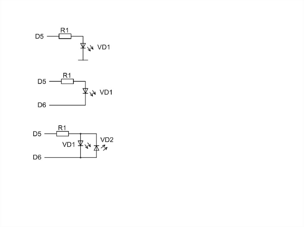
4.

5.

6.

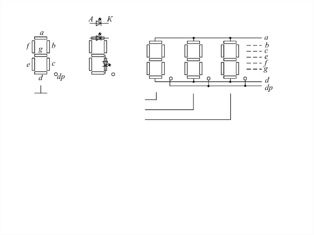
7.

8.

9.

10.

Индикатор
0
1
2
3
4
5
6
7
8
9
dp
g
f
e
d
c
b
a

11.

Индикатор
0
1
2
3
4
5
6
7
8
9
dp
0
g
0
f
1
e
1
d
1
c
1
b
1
a
1

12.

Индикатор
0
1
2
3
4
5
6
7
8
9
dp
0
0
g
0
0
f
1
0
e
1
0
d
1
0
c
1
1
b
1
1
a
1
0

13.

Индикатор
0
1
2
3
4
5
6
7
8
9
dp
0
0
0
g
0
0
1
f
1
0
0
e
1
0
1
d
1
0
1
c
1
1
0
b
1
1
1
a
1
0
1

14.

Индикатор
0
1
2
3
4
5
6
7
8
9
dp
0
0
0
0
0
0
0
0
0
0
g
0
0
1
1
1
1
1
0
1
1
f
1
0
0
0
1
1
1
0
1
1
e
1
0
1
0
0
1
1
0
1
0
d
1
0
1
1
0
1
1
0
1
1
c
1
1
0
1
1
1
1
1
1
1
b
1
1
1
1
1
0
0
1
1
1
a
1
0
1
1
0
1
1
1
1
1

15.

Индикатор
0
1
2
3
4
5
6
7
8
9
128
dp
0
0
0
0
0
0
0
0
0
0
64
g
0
0
1
1
1
1
1
0
1
1
32
f
1
0
0
0
1
1
1
0
1
1
16
e
1
0
1
0
0
1
1
0
1
0
8
d
1
0
1
1
0
1
1
0
1
1
4
c
1
1
0
1
1
1
1
1
1
1
2
b
1
1
1
1
1
0
0
1
1
1
1
a
1
0
1
1
0
1
1
1
1
1

16.

Индикатор
0
1
2
3
4
5
6
7
8
9
128
dp
0
0
0
0
0
0
0
0
0
0
64
g
0
0
1
1
1
1
1
0
1
1
32
f
1
0
0
0
1
1
1
0
1
1
16
e
1
0
1
0
0
1
1
0
1
0
8
d
1
0
1
1
0
1
1
0
1
1
4
c
1
1
0
1
1
1
1
1
1
1
2
b
1
1
1
1
1
0
0
1
1
1
1
a
1
0
1
1
0
1
1
1
1
1
-
63
6

17.

Индикатор
0
1
2
3
4
5
6
7
8
9
128
dp
0
0
0
0
0
0
0
0
0
0
64
g
0
0
1
1
1
1
1
0
1
1
32
f
1
0
0
0
1
1
1
0
1
1
16
e
1
0
1
0
0
1
1
0
1
0
8
d
1
0
1
1
0
1
1
0
1
1
4
c
1
1
0
1
1
1
1
1
1
1
2
b
1
1
1
1
1
0
0
1
1
1
1
a
1
0
1
1
0
1
1
1
1
1
-
63
6
91
79
102
109
125
7
127
95
English     Русский Правила