Тобы: жм-015 Орындаған: Байбақова Гүлзат Қабылдаған: Жұмабекова Раушан
Жүре және туа пайда болған липидоздар
Майлы паренхималық дистрофия немесе липидоз дегеніміз жасуша цитоплазмасын-да майдың көбейіп кетуін, кейде майдың қалыпты
Жүре пайда болған липидоздар Бауырдың майлы дистрофиясы Гепатоциттерде майдың мөлшері көбейіп,бауыр клеткаларында алдымен
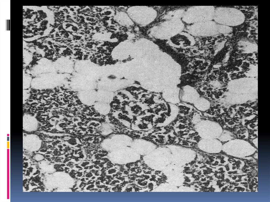
Бауырдағы липидоз
Бауырдың майлы дистрофиясы улы заттар әсерінде, алкоголизмде,қантты диабетте,семіздікте,белоктық заттардың жетіспеушілігінде
Себебі,инсулин осы үрдіске қарсы әрекет етуші гормондар қатарына кіреді.Сонымен қатар фосфолипидтердің синтезі және май
Бауырдың майлы дистрофиясы
Жүректің майлы дистрофиясы Миокрадтың майлы дистрофиясы бұлшықет клеткаларында өте ұсақ май тамшыларының түзілуінен пайда
Жүректің эндокард жақ беткейінен,әсіресе қарыншалардың бүртік тәріздес бұлшықеттері мен трабекулалары тарғылданып,сарғыш-ақшыл
Бүйректің майлы дистрофиясы
Бүйректерде май тамшылары проксимальдық және дистальдық өзекшелердің эпителиіне жиналады. Әдетте нейтральды
Туа пайда болған липидоз Гоше ауруында глюкоцереброзидаза ферменті жетіспеушілігіне байланыс глюкоцереброзидтер көп мөлшерде
Тей-Сакс ауруында мидың,жұлынның ганглиоздық жасушаларында,көздің торлы қабатында,шеттік нервтік ганглилерде
Ниманн-Пик ауруы мидың ганлиоздық жасушаларында, мезенхималық және эпителиалдық жасушаларда сфингомиелиннің жиналып қалуымен
Мезенхималық липидоздар Мезенхималық липидоздарда бейтарап майлар алмасуы бұзылады,осыған байланысты май «май қоймаларында»,
Майдың қай жерде жиналып қалғанына байланысты: тепе-тең семіру және семірудің жоғарғы,ортаңғы және төменгі түрлерін ажыратады.
Семірудің екінші түрі:нейро-эндокриндік семіру- нерв жүйесі және эндокрин бездері қызметінің бұзылуына байланысты. Гипоталамус
Пайдаланылған әдебиеттер:
772.15K
Категория: МедицинаМедицина

Жүре және туа пайда болған липидоздар

1. Тобы: жм-015 Орындаған: Байбақова Гүлзат Қабылдаған: Жұмабекова Раушан

2. Жүре және туа пайда болған липидоздар

3. Майлы паренхималық дистрофия немесе липидоз дегеніміз жасуша цитоплазмасын-да майдың көбейіп кетуін, кейде майдың қалыпты

4. Жүре пайда болған липидоздар Бауырдың майлы дистрофиясы Гепатоциттерде майдың мөлшері көбейіп,бауыр клеткаларында алдымен

5. Бауырдағы липидоз

6. Бауырдың майлы дистрофиясы улы заттар әсерінде, алкоголизмде,қантты диабетте,семіздікте,белоктық заттардың жетіспеушілігінде

7.

8. Себебі,инсулин осы үрдіске қарсы әрекет етуші гормондар қатарына кіреді.Сонымен қатар фосфолипидтердің синтезі және май

9. Бауырдың майлы дистрофиясы

10. Жүректің майлы дистрофиясы Миокрадтың майлы дистрофиясы бұлшықет клеткаларында өте ұсақ май тамшыларының түзілуінен пайда

11. Жүректің эндокард жақ беткейінен,әсіресе қарыншалардың бүртік тәріздес бұлшықеттері мен трабекулалары тарғылданып,сарғыш-ақшыл

12. Бүйректің майлы дистрофиясы

English     Русский Правила