2.70M
Категории:
Промышленность
Инженерная графика
Похожие презентации:
Эскизный проект плавильного отделения сталелитейного цеха
ВКР: Разработка эскизного проекта и расчёт показателей деятельности плавильного отделения чугунолитейного цеха
ВКР: Разработка эскизного проекта и расчёт основных показателей деятельности плавильного отделения чугунолитейного цеха
Разработка эскизного проекта и расчёт основных показателей деятельности формовочного отделения сталелитейного цеха
ВКР: Проект мини-цеха производства колбасных изделий и полуфабрикатов мощностью 1,5 т/смену
Обдирочно-зачистное отделение цеха. Проект электроснабжения
ВКР: Разработка эскизного проекта и расчёт основных показателей деятельности стержневого отделения сталелитейного цеха
Проект установки для нанесения металлических покрытий на детали машин
Проект строительства колбасного цеха мощностью 6.6 тонн мясопродуктов в смену
Реконструкция цеха ковкого чугуна Минского завода отопительного оборудования и разработка технологии литья типовой отливки
ВКР: Проект плавильного и формовочного отделений цеха чугунного литья мощностью
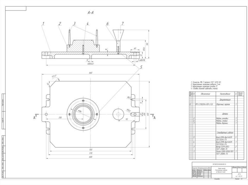
1.
Презентация к выпускной
квалификационной работе
на тему: «Проект плавильного и
формовочного отделений цеха
чугунного литья мощностью
20 000 тонн в год»
2.
3.
4.
5.
6.
7.
8.
Спасибо
за внимание!
English
Русский
Правила