962.00K
Категория: ФизикаФизика

Активные электросвойства биологических тканей

1.

Активные электросвойства биологических тканей
Моделируются «внутренними» токовыми генераторами
( )
pI
( )

2.

Пассивные электросвойства биологических тканей
Моделируются электрическими схемами с пассивными
элементами
Пассивные элементы электрических цепей:
i
– идеальный резистор
1.
u
i и u – мгновенные ток и напряжение

3.

Закон Ома:
u
i
R
u U 0 cosωt U 0 cos(2πf )t

4.

u U0
i
cosωt I 0 cos(2πf )t
R R
u (t )
i (t )
t
I0
U0

5.

R
R ψ( f )
f

6.

Мгновенная мощность, выделяемая в резисторе:
pR i 2 R 0
i (t )
p R (t )
0
t

7.

Вывод:
резистор – частотно-независимый элемент,
в котором происходит необратимое преобразование
электрической энергии в тепловую;
колебания переменных напряжения и тока
происходят в одной фазе

8.

q
q
– идеальный конденсатор
2.
u
q и u – мгновенные заряд конденсатора и напряжение
на конденсаторе
q Cu
u U 0 cosωt U 0 cos(2πf )t
q CU 0 cosωt q0 cos(2πf )t

9.

dq
π
i
ωCU 0 sin ωt I 0 cos 2πft
dt
2
u (t )
q (t )
i (t )
0
t

10.

u (t )
q (t )
i (t )
I0
0
π
2
U0
q0
t

11.

dq
π
i
ωCU 0 sin ωt I 0 cos 2πft
dt
2
Формально закон Ома для амплитудных значений:
U0
1
1
xC
I 0 ωC 2πfC
Емкостное сопротивление конденсатора

12.

1
xC
2πfC
f 0 xC
xC
Для постоянного установившегося
тока конденсатор – разрыв цепи
f
f
xC 0
Для высокочастотного
переменного
тока конденсатор –
короткое замыкание

13.

Мгновенная мощность, выделяемая в конденсаторе:
i (t )
pC (t )
0
t

14.

Вывод:
конденсатор – частотно-зависимый элемент,
который периодически обменивается
электрической энергией с источником;
колебания переменных тока и напряжения
происходят со сдвигом фаз π/2 (90°)

15.

3. Идеальный дроссель (катушка индуктивности)
Индуктивные свойства биологических тканей
на сегодняшний день не обнаружены
Действие стационарного магнитного поля?

16.

Эквивалентная электрическая схема
биологической ткани
Цитоплазма
RCIT
МКЖ
CM
RM
Мембрана
Rliq

17.

Оценка С:
S
1
нФ
12
3 Ф
C 0 8,85 10
10
1 2
9
2
d
10 10
м
мм

18.

Клетка в целом:
CM
RCIT
RM
МКЖ
Rliq

19.

RM
RM
CM
RCIT
Rliq
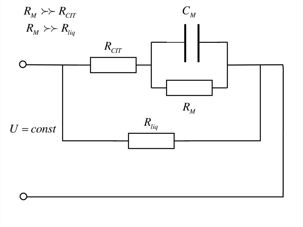
RCIT
RM
U const
Rliq

20.

t 0
I (t )
I10 I1max
RCIT
I 2 const
U const
CM
RM
Rl
U
I2
R2

21.

I
I (0)
I (0) I10 I 2 I max
0
t

22.

t
I (t )
0
I1
RCIT
I 2 const
U const
CM
RM
Rl
U
I2
R2
Поляризация
мембраны

23.

I
I (0)
I (0) I10 I 2 I max
0
t

24.

t
I (t ) I min
I1 I1min
RCIT
I 2 const
U const
CM
RM
Rl
U
I2
R2
Максимальная
поляризация
мембраны

25.

I (0) I10 I 2 I max
I
I (0)
I ( )
U
I ( )
I 2 I min I 2
RCIT RM
0
t

26.

Воздействие постоянным током:
гальванизация: 60 – 80 В, jmax = 0,1 мА/см2
электрофорез лекарственной ионной формы
Электрод 1
Электрод 2'
ИТР или
раствор ЛИФ
Электрод 2

27.

RM
RM
CM
RCIT
Rl
i1 (t )
RCIT
i2 (t )
RM
Rl
u (t ) U 0 cosωt
i (t ) i1 (t ) i2 (t ) I 0 cos(ωt φ)

28.

I0
I 0max
I 0 min
0
ω 0
1
xC
ωC
i1 (t ) 0
i (t ) i2 (t ) min
ω
ω
1
xC
0
ωC
i1 (t ) max
i (t ) i1 (t ) i2 (t ) max

29.

Полное сопротивление участка (импеданс):
U0
z
z (ω)
I0
z
zmax
zmin
0
ω

30.

Диагностика:
z (ω) z (ω) N
z (ω ) z (ω ) N
Связь z(ωФ) с деятельностью органа – реография
(импеданс-плетизмография)

31.

Реокардиография – измерение изменения импеданса
грудной клетки, связанного с динамикой
кровенаполнения сердца и крупных сосудов в
течение сердечного цикла.
Реоэнцефалография – исследование сосудистой
системы головного мозга.
English     Русский Правила