ДИПЛОМНИЙ ПРОЕКТ З ТЕМИ: « ОРГАНІЗАЦІЯ ТЕХНІЧНОГО ОБСЛУГОВУВАННЯ ТА РЕМОНТУ ОБЛАДНАННЯ ЦЕХУ ПІДГОТОВКИ СИРОВИНИ В УМОВАХ ТОВ “ГЛАСКОМЕРЦ
3.66M

ДИПЛОМНЫЙ ПРОЕКТ КИСЛЯК

1. ДИПЛОМНИЙ ПРОЕКТ З ТЕМИ: « ОРГАНІЗАЦІЯ ТЕХНІЧНОГО ОБСЛУГОВУВАННЯ ТА РЕМОНТУ ОБЛАДНАННЯ ЦЕХУ ПІДГОТОВКИ СИРОВИНИ В УМОВАХ ТОВ “ГЛАСКОМЕРЦ

ДИПЛОМНИЙ ПРОЕКТ З ТЕМИ:
« ОРГАНІЗАЦІЯ ТЕХНІЧНОГО
ОБСЛУГОВУВАННЯ ТА РЕМОНТУ
ОБЛАДНАННЯ ЦЕХУ ПІДГОТОВКИ СИРОВИНИ
В УМОВАХ ТОВ “ГЛАСКОМЕРЦ”
ПО СИСТЕМІ ТОіР
СПЕЦЧАСТИНА:ОРГАНІЗАЦІЯ
КАПІТАЛЬНОГО РЕМОНТУ
КРАН-БАЛКИ Q=2т
СТУДЕНТ гр.М4-1
КИСЛЯК В.І.

2.

3.

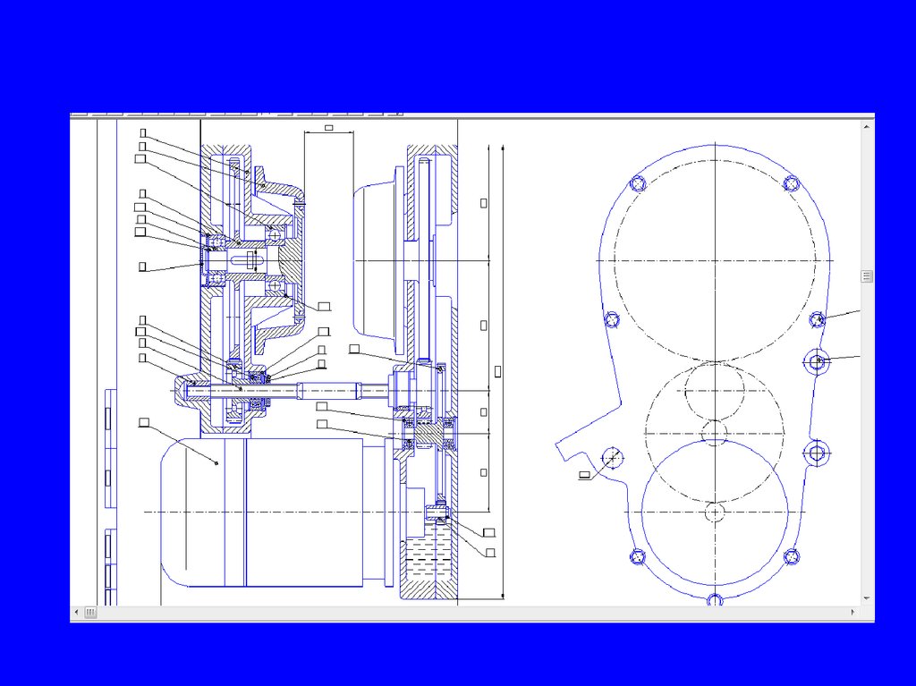
ТЕХНІЧНА ХАРАКТЕРИСТИКА МЕХАНІЗМІВ
КРАН-БАЛКИ

4.

ЕЛЕКТРИЧНА ТАЛЬ

5.

6.

ГАКОВА
ПІДВІСКА.

7.

МЕХАНІЗМ ПЕРЕМІЩЕННЯ КРАН-БАЛКИ.

8.

9.

10.

11.

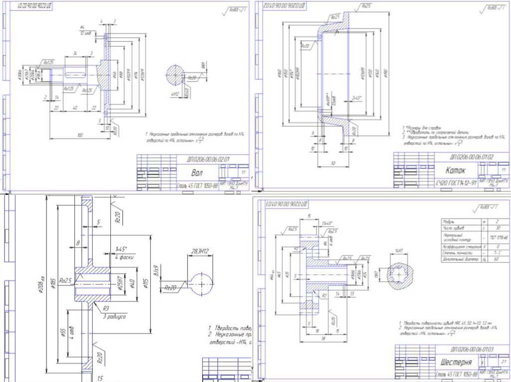
РЕМОНТНА ДОКУМЕНТАЦІЯ НА КРАН-БАЛКУ

12.

13.

14.

15.

ВИСНОВОК.
Капітальний ремонт кран-балки є
економічно доцільним, тому що загальна
сума витрат на ремонт та ліквідаційної
вартості менша, ніж первісна його
вартість.
English     Русский Правила