1.59M
Категория: МатематикаМатематика

Развёртывание поверхностей

1.

Лекция 11
РАЗВЁРТЫВАНИЕ
ПОВЕРХНОСТЕЙ
Красовская Н.И.

2.

Общие понятия
и определения
Красовская Н.И.

3.

Развёрткой поверхности
называют плоскую фигуру, полученную при
совмещении развёртываемой поверхности с
плоскостью
При этом поверхность рассматривают как
гибкую, нерастяжимую пленку
Красовская Н.И.

4.

Развёртыванием
называют такое преобразование поверхности,
в результате которого она совмещается с
плоскостью
Красовская Н.И.

5.

Поверхность развёртываемая,
если между точками поверхности и развёртки
можно установить взаимно-однозначное
соответствие, при котором сохраняются
длины линий, расположенных на
поверхности, величины углов между линиями
и площади фигур, ограниченных этими
линиями
Красовская Н.И.

6.

Поверхность неразвёртываемая,
если между точками поверхности и развёртки
нельзя установить взаимно-однозначное
соответствие
Красовская Н.И.

7.

Условные развертки неразвертываемой
поверхности - развертка развертываемой
поверхности, которой приближенно, но практически
допустимо, можно заменить (аппроксимировать)
данную неразвертываемую поверхность
Красовская Н.И.

8.

Условные развертки строятся
способом вспомогательных цилиндров или конусов
Фi
Красовская Н.И.
Фi

9.

Основные свойства
развёрток
поверхностей
Красовская Н.И.

10.

1. Каждой точке поверхности соответствует
единственная точка на её развёртке и наоборот
2. Каждой линии на поверхности соответствует
линия на развёртке поверхности
Длины линий на поверхности и развёртке равны
между собой
Красовская Н.И.

11.

C
D
Ф
M
A
B
B0
Красовская Н.И.
Ф0
A0 M0 C0
D0

12.

3.Параллельным линиям на поверхности
соответствуют параллельные линии на
развёртке
4.Замкнутая линия на поверхности и
соответствующая ей линия на развёртке
ограничивают одинаковые площади
5.Угол между линиями на поверхности
равен углу между соответствующими линиями
на развёртке
(угол между кривыми линиями находится как угол между касательными к кривым
линиям в точке их пересечения)
Красовская Н.И.

13.

Ф
α
F
n
m
n0
m0 α 0
F0
Красовская Н.И.
Ф0

14.

Развёртки прямых круговых
конусов
и цилиндров
Красовская Н.И.

15.

Развёртка боковой поверхности конуса вращения
представляет собой
круговой сектор,
радиус которого равен длине образующей конуса l, а
центральный угол φ0 определяется по формуле
180d
0
l
Красовская Н.И.

16.

h
S2
S0
0
d
9
10
0
6
1
5
2
3
10
3
S1
Красовская Н.И.
2
7
12= 0
11
1
8
11
12
4
9
4
5
6
7
8

17.

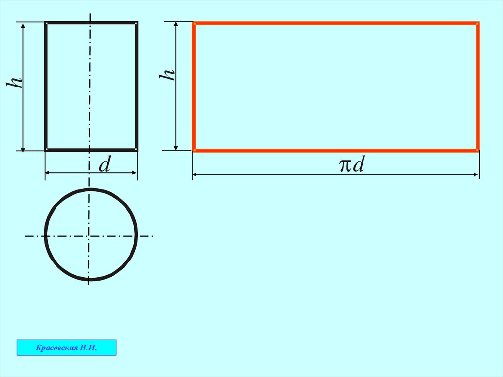
Развёртка боковой поверхности прямого кругового
цилиндра представляет собой прямоугольник,
одна из сторон которого равна длине окружности
основания Πd,
а другая − высоте цилиндра h
Красовская Н.И.

18.

h
h
d
Красовская Н.И.
pd

19.

Способы построения
развёрток
Красовская Н.И.

20.

При построении развёрток используют
следующие способы:
─ способ триангуляции
(треугольников);
─ способ нормального сечения
и др.
Красовская Н.И.

21.

Способ
триангуляции
Красовская Н.И.

22.

Алгоритм
решения задачи
на построение развёртки
конической поверхности
Красовская Н.И.

23.

Алгоритм включает в себя этап
аппроксимации
конической поверхности пирамидальной
Красовская Н.И.

24.

1. В данную поверхность вписывается
пирамидальная поверхность

25.

S2
Красовская Н.И.
Ф2
x
А2
D2
B2
C2
D1
C1
B1
А1
Ф1
S1

26.

2. Определяются натуральные величины всех ребер
пирамидальной поверхности
3. На свободном поле чертежа с помощью циркуля
строятся примыкающие друг к другу треугольники с
общей вершиной S0 , стороны которых являются
ребрами пирамиды в натуральную величину
4. Точки основания соединяются плавной кривой линией
Красовская Н.И.

27.

i2
S2
Н.В.
Н.В.
S0
x
А2
B2
C2
D2
D1
D2 C2
B2
C1 Н.В.
Н.В.
B1
Н.В.
А1
D0
S1 = i1
C0
D1 C1 B1
А0
B0

28.

i2
S2
К2
x
А2
C2 12
B2
11
C1
S0
К'2
D2
D1
D2 1'2 C2 B2
К1
К0
D0
B1
А1
S1 = i1
C0
D1 1' C1 B1
1
А0
B0

29.

Способ
нормального
сечения
Красовская Н.И.

30.

Алгоритм
решения задачи
на построение развёртки
призматической поверхности
Красовская Н.И.

31.

1. Задается секущая плоскость перпендикулярно образующим (ребрам)
призматической поверхности
2. Строится фигура сечения
3. Определяется натуральная величина фигуры, полученной в сечении
4. Натуральная величина линии нормального сечения разворачивается в
прямую линию
5.Через опорные точки перпендикулярно к развернутой линии строятся
образующие (рёбра) поверхности в натуральную величину
Концы образующих соединяются отрезками прямых
Красовская Н.И.

32.

x1
П2
S2
D2
Н.В.
П
4
Н.В.
14
24
34
E
2
12
F2
F
0
22
D0
32
П
E0
D0
2
xП A
1
B 2 C2
2
11
A1
D1
31
C1
B
1
21
10
F1
0
3
0
10
E1
A
Красовская Н.И.
2
B0
0
C0
A0

33.

x1
П2
S2
D2
Н.В.
12
П
4
Н.В.
14 К4 24
34
E
2
F2
К2
F
22
D0
32
П
0
E0
D0
2
xП A
1
B 2 C2
2
11
A1
31
C1
B
1
К0
D1
21
10
F1
К1
0
3
0
10
E1
A
Красовская Н.И.
2
B0
0
C0
A0

34.

Условные развёртки
неразвёртываемых
поверхностей
Красовская Н.И.

35.

1. Исходя из требуемой точности развёртки, данную поверхность
Ф разрезают на несколько равных или примерно равных отсеков –
Фi
2. Выполняют приближенные развёртки отсеков поверхностей
Фi0, аппроксимируя их отсеками развёртываемых поверхностей
Совокупность развёрток отсеков принимается
за условную развёртку данной поверхности
Красовская Н.И.

36.

Фi
Красовская Н.И.

37.

Фi
Красовская Н.И.

38.

Построение
условной развертки сферы
способом вспомогательных
цилиндров
Красовская Н.И.

39.

1.С помощью вертикальных плоскостей, проходящих через центр
сферы, разбивают ее поверхность на восемь равных отсеков
2.Попарно противоположные отсеки аппроксимируют
цилиндрической поверхностью
(цилиндр, описанный вокруг сферы)
3.Строят развертку отсека, заключенного между смежными
меридиональными сечениями
Красовская Н.И.

40.

Алгоритм
построения развертки отсека
цилиндрической поверхности
Красовская Н.И.

41.

1.Проводят в пределах отсека несколько переменных образующих−
горизонтальных отрезков
Эти образующие проецируются на горизонтальную плоскость проекций в
натуральную величину, а расстояния между ними проецируются
в натуральную величину на фронтальную плоскость проекций в виде
соответствующих дуг окружностей
2. На вертикальной прямой откладывают отрезки, равные расстояниям
между образующими отсека.
Полученный отрезок равен длине полумеридиана
3.Через соответствующие точки делений проводят горизонтальные
отрезки, равные длинам образующих отсека цилиндрической поверхности
4.Соединив плавной кривой концы образующих, получают развертку
одного отсека
Восемь подобных разверток и составят условную развертку сферы
Красовская Н.И.

42.

7=8
2 2
S2
5=6
2 2
S0
3=4
2 2
2
8
7
2
O2
S2
21
61
41
1
Красовская Н.И.
31 51
5
60
40
3
20
1
81
71
O1 = S1 =S 1
S

43.

Способ
вспомогательных
конусов
Красовская Н.И.

44.

Построение развертки верхней полусферы
1. Полусфера разбивается на три сферических пояса
2. Каждый пояс заменяется коническими поверхностями
3. Строится развертка каждого конуса
Совокупность разверток усеченных конусов и будет
представлять условную развертку сферы
Красовская Н.И.

45.

S2
S0
S2
S2
S0
O2
S0
O=S=S=S
1
1
1
1
Красовская Н.И.

46.

Выводы
- развертки могут быть точными,
приближенными и условными
- между точками поверхности и развертки
существует взаимно-однозначное соответствие
Красовская Н.И.

47.

Задача
А2
В2
Красовская Н.И.
Построить развертку
конуса диаметром 40 мм и
длиной образующей 60мм и
найти на развертке точки А
иВ
English     Русский Правила