5.09M
Категория: ЭлектроникаЭлектроника

Навигационные системы

1.

Лекция
Навигационные системы
Москва
2021

2.

Спутниковые системы навигации
• Спутниковая система навигации — система, предназначенная для
определения местоположения (географических координат)
наземных, водных и воздушных объектов. Спутниковые системы
навигации также позволяют получить скорости и направления
движения приёмника сигнала. Кроме того могут использоваться
для получения точного времени. Такие системы состоят из
космического оборудования и наземного сегмента (систем
управления). В настоящее время только две спутниковых системы
обеспечивают полное и бесперебойное покрытие земного
шара — GPS и ГЛОНАСС.

3.

Основные элементы
Основные элементы спутниковой системы навигации:
• Орбитальная группировка спутников, излучающих специальные
радиосигналы;
• Наземная система управления и контроля (наземный сегмент), включающая
блоки измерения текущего положения спутников и передачи на них
полученной информации для корректировки информации об орбитах;
• Аппаратура потребителя спутниковых навигационных систем («спутниковые
навигаторы»), используемое для определения координат;
• Опционально: наземная система радиомаяков, позволяющая значительно
повысить точность определения координат.
• Опционально: информационная радиосистема для передачи пользователям
поправок, позволяющих значительно повысить точность определения
координат.

4.

Принцип работы
• Принцип работы спутниковых систем навигации основан на измерении расстояния от антенны на
объекте (координаты которого необходимо получить) до спутников, положение которых известно с
большой точностью. Таблица положений всех спутников называется альманахом, которым должен
располагать любой спутниковый приёмник до начала измерений. Обычно приёмник сохраняет
альманах в памяти со времени последнего выключения и если он не устарел — мгновенно использует
его. Каждый спутник передаёт в своём сигнале весь альманах. Таким образом, зная расстояния до
нескольких спутников системы, с помощью обычных геометрических построений, на основе
альманаха, можно вычислить положение объекта в пространстве.
• Метод измерения расстояния от спутника до антенны приёмника основан на определённости
скорости распространения радиоволн. Для осуществления возможности измерения времени
распространяемого радиосигнала каждый спутник навигационной системы излучает сигналы точного
времени, используя точно синхронизированные с системным временем атомные часы. При работе
спутникового приёмника его часы синхронизируются с системным временем, и при дальнейшем
приёме сигналов вычисляется задержка между временем излучения, содержащимся в самом сигнале,
и временем приёма сигнала. Располагая этой информацией, навигационный приёмник вычисляет
координаты антенны. Все остальные параметры движения (скорость, курс, пройденное расстояние)
вычисляются на основе измерения времени, которое объект затратил на перемещение между двумя
или более точками с определёнными координатами

5.

Действующие спутниковые системы
• GPS — принадлежит министерству обороны США. Этот факт, по
мнению некоторых государств, является её главным недостатком.
Устройства, поддерживающие навигацию по GPS, являются самыми
распространёнными в мире. Также известна под более ранним
названием NAAAVSTAR.
• ГЛОНАСС — принадлежит министерству обороны РФ. Разработка
системы официально началась в 1976 г, полное развёртывание
системы завершилось в 1995 г. После 1996 года спутниковая
группировка сокращалась и к 2002 году пришла в упадок. Была
восстановлена к концу 2011 года. В настоящее время на орбите
находится 27 спутников, из которых 22 используется по назначению. К
2025 году предполагается глубокая модернизация системы.

6.

7.

8.

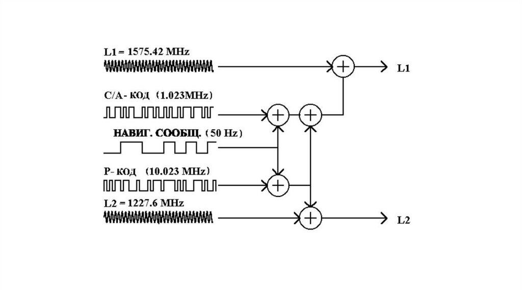
Спутниковая система GPS
• GPS (англ. Global Positioning System) — спутниковая система навигации,
обеспечивающая измерение расстояния, времени и определяющая
местоположение во всемирной системе координат WGS 84. Позволяет
в любом месте Земли (исключая приполярные области), почти при
любой погоде, а также в околоземном космическом пространстве
определять местоположение и скорость объектов. Система
разработана, реализована и эксплуатируется Министерством обороны
США, при этом в настоящее время доступна для использования для
гражданских целей — нужен только навигатор или другой аппарат
(например, смартфон) с GPS-приёмником. Основной принцип
использования системы — определение местоположения путём
измерения моментов времени приёма синхронизированного сигнала
от навигационных спутников антенной потребителя.

9.

Спутниковая система GPS
• Идея создания спутниковой навигации родилась ещё в 1950-е годы. В тот момент,
когда в СССР был запущен первый искусственный спутник Земли, американские
учёные во главе с Ричардом Кершнером наблюдали сигнал, исходящий от
советского спутника и обнаружили, что благодаря эффекту Доплера частота
принимаемого сигнала увеличивается при приближении спутника и уменьшается
при его отдалении. Суть открытия заключалась в том, что если точно знать свои
координаты на Земле, то становится возможным измерить положение и скорость
спутника, и наоборот, точно зная положение спутника, можно определить
собственную скорость и координаты. Первый тестовый спутник выведен на орбиту
14 июля 1974 г. В 1983 году начались интенсивные работы по созданию GPS, а
последний из всех 24 спутников, необходимых для полного покрытия земной
поверхности, был выведен на орбиту в 1993 г., и GPS встала на вооружение. Стало
возможным использовать GPS для точного наведения ракет на неподвижные, а
затем и на подвижные объекты в воздухе и на земле. Первоначально глобальная
система позиционирования разрабатывалась как чисто военный проект.

10.

Спутник GPS

11.

Спутниковая система ГЛОНАСС
• Российская спутниковая система навигации. Система ГЛОНАСС,
имевшая изначально военное предназначение, была запущенна в
1982 году - для военных целей.
• Основой системы являются 24 спутника, движущихся над
поверхностью Земли в трёх орбитальных плоскостях. Принцип
измерения аналогичен американской системе навигации NAVSTAR GPS.
Основное отличие от системы GPS в том, что спутники ГЛОНАСС в
своём орбитальном движении не имеют резонанса (синхронности) с
вращением Земли, что обеспечивает им бо́ льшую стабильность. Таким
образом, ГЛОНАСС не требует дополнительных корректировок в
течение всего срока активного существования. Тем не менее, срок
службы спутников ГЛОНАСС заметно короче.

12.

Спутниковая система ГЛОНАСС
• С 2007 года разрешено применение ГЛОНАСС для гражданских нужд. Сейчас система работает на всей территории России,
внедряется и успешно применяется на транспорте, в том числе и пассажирском, для мониторинга и оптимизации графика
движения автотранспорта и повышения эффективности грузоперевозок диспетчером автохозяйства. Системами навигации
оснащается транспорт оперативных служб - полиции, МЧС, скорой помощи. С персонального маячка слежения вместе с
данными о местоположении, в реальном времени, получается и дополнительная информация (с помощью датчиков
контроля расхода топлива и его уровня в баках, факта включения двигателя и частоты оборотов, значения напряжения
бортовой сети, высоты над уровнем моря и т.д.), передается по GSM где сохраняется для передачи пользователю. На
сервере, с помощью специальной компьютерной программы, фиксируется и обрабатывается вся получаемая информация
(местоположение транспортного средства, маршрут и скорость его движения, со всеми остановками и стоянками, данные с
датчиков параметров), с возможностью наблюдения на карте, в онлайн-режиме, просмотра истории с архива по другим
дням, статистики треков движения и другими функциями.
• В России создаётся проект ЭРА-ГЛОНАСС (система Экстренного Реагирования при Авариях, ДТП, основанная на применении
средств спутникового мониторинга транспорта), подразумевающий, что к 2020 году, весь автотранспорт (и грузовые
автомобили и легковые авто) в обязательном порядке оборудуют навигационно-связными терминалами ГЛОНАС/GPS,
автоматически передающими, в случае тяжёлой аварии (к примеру, сопровождающейся срабатыванием подушек
безопасности), свои координаты по каналам мобильной связи в дежурно-диспетчерскую службу. Оператор голосом
уточняет, у водителя, детали происшествия и в случае подтверждения информации или при отсутствии ответа - направляет
соответствующие службы на место ДТП, например, спасателей МЧС, Скорую помощь, ГИБДД. Водитель или пассажиры могут и вручную передать данные диспетчеру.

13.

Спутник ГЛОНАСС

14.

Недостатки спутниковых систем
• Общим недостатком использования любой радионавигационной системы является то, что
при определённых условиях сигнал может не доходить до приёмника, или приходить со
значительными искажениями или задержками. Например, практически невозможно
определить своё точное местонахождение в глубине квартиры внутри железобетонного
здания, в подвале или в тоннеле даже профессиональными геодезическими приёмниками.
Так как рабочая частота GPS лежит в дециметровом диапазоне радиоволн, уровень приёма
сигнала от спутников может серьёзно ухудшиться под плотной листвой деревьев или из-за
очень большой облачности. Нормальному приёму сигналов GPS могут повредить помехи от
многих наземных радиоисточников, а также (в редких случаях) от магнитных бурь, либо
преднамеренно создаваемые «глушилками» (данный способ борьбы со спутниковыми
автосигнализациями часто используется автоугонщиками).
• Невысокое наклонение орбит GPS (примерно 55) серьёзно ухудшает точность в
приполярных районах Земли, так как спутники GPS невысоко поднимаются над горизонтом.
• GPS реализована и эксплуатируется министерством обороны США и поэтому есть полная
зависимость от этого органа в получении другими пользователями точного сигнала GPS

15.

16.

17.

18.

19.

20.

21.

22.

Принципы решения навигационной задачи в
аппаратуре потребителей
Для определения трех пространственных координат (x, y, z)
и трех составляющих вектора скорости (Vх , Vy , Vz) применяется
дальномерно-доплеровский метод.
Измеренное значение дальности до НС в геоцентрической
системе координат определяется выражением
Dнс
xнс x yнс y zнс z c tионосф c tсинхр
2
2
2
где xнс , yнс , zнс – известные координаты спутника (эфемеридная информация);
x, y, z - искомые (неизвестные) координаты потребителя;
Δtионосф - неизвестная дополнительная задержка сигнала при распространении в
ионосфере;
сΔtсинхр - неизвестная величина, обусловленная ошибкой синхронизации шкал
времени приемника и спутника.

23.

В уравнение для дальности входят 5 неизвестных: координаты
потребителя x, y, z; дополнительная задержка сигнала Δtионосф и
ошибка синхронизации Δtсинхр.
Влияние слагаемого сΔtионосф, которое различно для различных
спутников, автоматически компенсируется в приемниках военного
назначения, работающих в двухчастотном режиме.
Дальность, измеренная с ошибкой сΔtсинхр, вызванной ошибкой
синхронизации ЭВЧ, называется псевдодальностью.
Dнс
xнс x yнс y zнс z c tсинхр
2
2
2
Таким образом, в уравнение для псевдодальности входят четыре
неизвестные (координаты потребителя и ошибка синхронизации).
Уравнение с четырьмя неизвестными не имеет единственного
решения, т.е. измерив одну псевдодальность мы не сможем найти
значения x, y, z и Δtсинхр.

24.

Для нахождения этих неизвестных нужно получить четыре линейно
независимых уравнения (систему уравнений) и найти из них неизвестные, т.е.
необходимо одновременно измерять псевдодальности до четырех НС.
Dнс1
xнс1 x yнс1 y zнс 1 z c tсинхр
Dнс 2
xнс 2 x yнс 2 y zнс 2 z c tсинхр
Dнс 3
xнс 3 x yнс 3 y zнс 3 z с tсинхр
Dнс 4
xнс 4 x yнс 4 y zнс 4 z c tсинхр
2
2
2
2
2
2
2
2
2
2
2
2
Поэтому
минимально
необходимое
для
решения
навигационной задачи количество НС, находящихся в зоне
видимости, равно четырем.
Состав и размещение НС орбитальных группировок GPS и ГЛОНАСС
выбраны таким образом, чтобы в любой точке на земной поверхности в
любое время суток наблюдалось не менее четырех НС.

25.

Уравнение для радиальной скорости (скорости изменения дальности) между
НС и потребителем имеет вид
1
Vrнс
xнс x Vxнс Vx yнс y Vyнс Vy zнс z Vzнс Vz Vr синхр
Dнс
В него входят известные (из эфемеридной информации) координаты и
составляющие скорости спутника и неизвестные координаты (x, y, z),
составляющие скорости (Vx, Vy, Vz) потребителя и слагаемое Vrсинхр,
обусловленное скоростью изменения ошибки синхронизации.
Координаты потребителя находят на предыдущем шаге. Поэтому остаются
неизвестными только составляющие скорости потребителя и скорость изменения
ошибки синхронизации. Для их нахождения нужно также получить четыре
линейно независимых уравнения, т.е. измерить радиальные скорости до четырех
НС.
Радиальная скорость измеряется путем измерения доплеровского сдвига
частоты ΔFд принимаемых от спутников сигналов.
Vr нс = λ ΔFд нс /2
λ – длина волны колебаний
English     Русский Правила