Конструктивные схемы ТНА
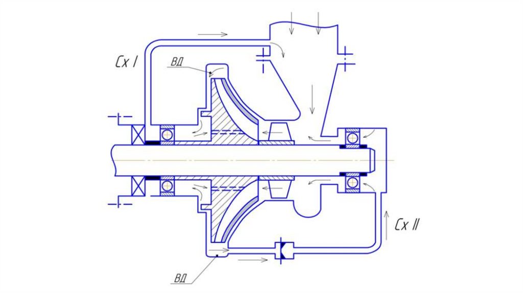
Схемы с консольной турбиной
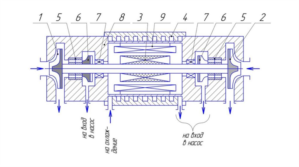
Трехопорные ТНА
Редукторные ТНА
Выбор схемы ТНА
Допустимая скорость вращения насосов
Отношение максимально допустимых скоростей вращения
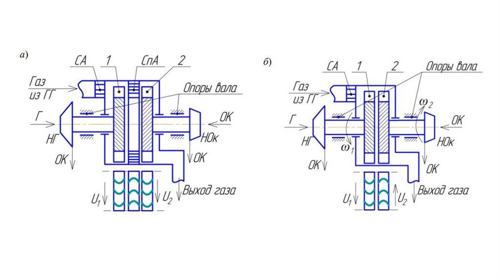
Параметры компонентов
3.10M
Категория: ЭлектроникаЭлектроника

Конструктивные схемы ТНА

1. Конструктивные схемы ТНА

2.

Схемы с межопорной турбиной

3.

4.

5. Схемы с консольной турбиной

6. Трехопорные ТНА

7. Редукторные ТНА

8.

9.

10.

11.

12. Выбор схемы ТНА

13. Допустимая скорость вращения насосов

14. Отношение максимально допустимых скоростей вращения

15. Параметры компонентов

English     Русский Правила