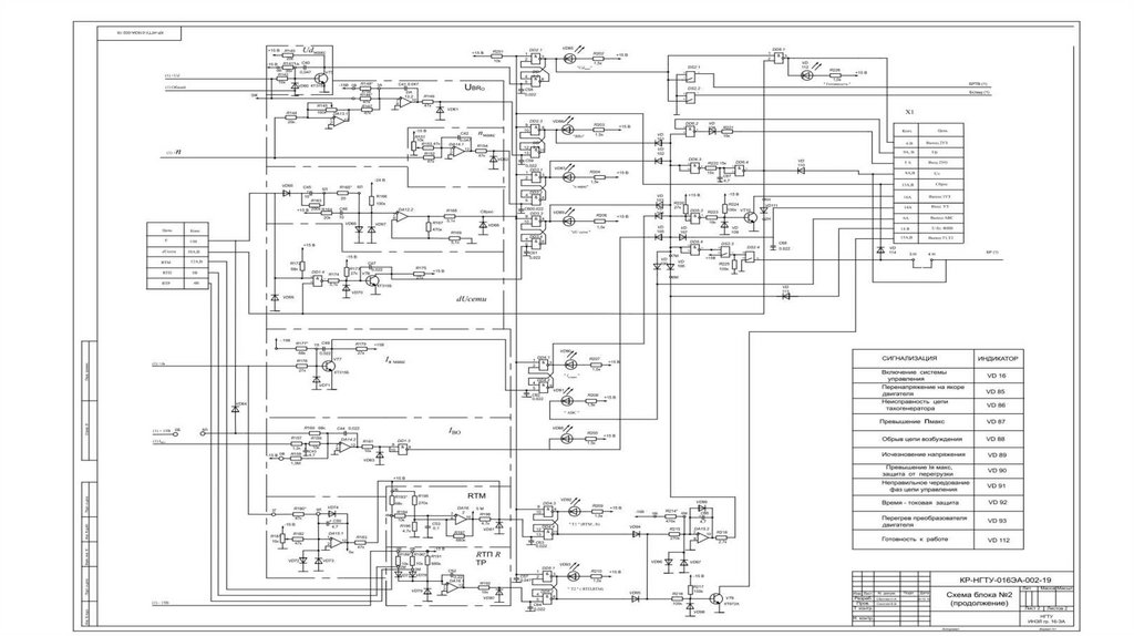
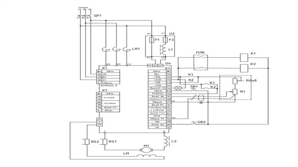
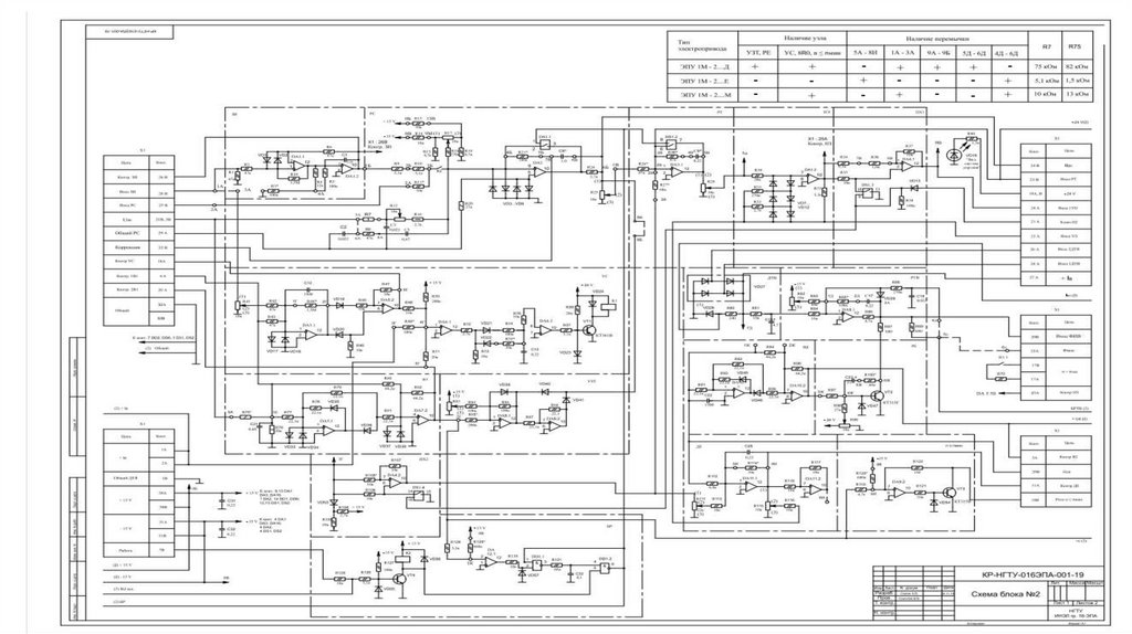
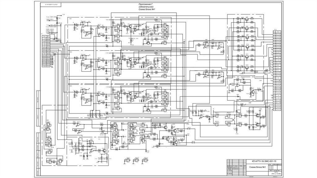
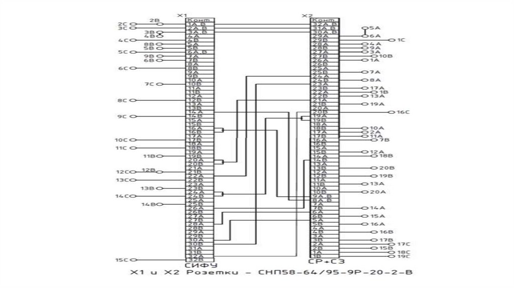
СХЕМЫ ЭПУ
1.30M

Схемы-КР

1. СХЕМЫ ЭПУ

English     Русский Правила