430.62K

Prizentatsia_Pankin

1.

Государственное автономное профессиональное
образовательное учреждение
«Оренбургский государственный колледж»
«Организация технологического процесса стабилизации
нестабильного углеводородного конденсата»
Студент группы 313к
Панькин Б.А.
Руководитель
Кисманова Г.К.
г.Оренбург 2025

2.

Цель курсовой работы:
организовать технологический процесс
стабилизации нестабильного углеводородного
конденсата
Объект:
установка стабилизации нестабильного
углеводородного конденсата
Предмет:
технология стабилизации нестабильного
углеводородного конденсата

3.

задачами являются:
- дать характеристику технологии процесса стабилизации нестабильного
углеводородного конденсата.
-подобрать и обосновать оборудование для технологического процесса
стабилизации нестабильного углеводородного конденсата.
- рассчитать материальный баланс установки стабилизации нестабильного
углеводородного конденсата.
-рассчитать центробежный насос и подобрать по напору и мощности;
-применить полученные знания для организации процесса стабилизации
нестабильного углеводородного конденсата.

4.

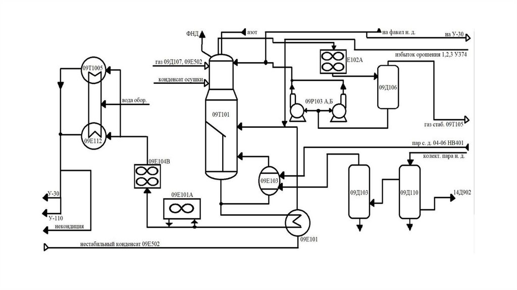
Установка стабилизации нестабильного углеводородного конденсата
Сырьем на установке стабилизации нестабильного углеводородного
конденсата является нестабильный конденсат
Продуктом на установке является стабильный конденсат
Выбранное оборудование: колонна стабилизации конденсата, сепаратор
газа стабилизации питания компрессоров, газосепаратор, баллон
расширения конденсата, емкость, воздушный холодильник,
аэрохолодильник газа стабилизации, ребойлер колонны стабилизации,
теплообменник

5.

6.

7.

Данные по резульататам расчета центробежного насоса
Согласно четвёртой задаче был рассчитан центробежный насос
марки X90/85, для которого при оптимальных условиях работы
производительность Q =2,5∙10-2 м³/с, напор H = 85 м, К.П.Д. насоса
ηн= 0,65. Насос снабжен двигателем АО2-91-2 нормальной
мощностью 75 кВт (ηд= 0,89, частота вращения вала n = 48,3 об/с).
Был выбран диаметр трубопровода 0,106 м; потери на трение и
местные сопротивления составляют 2,171 м; полный напор насоса
56,85 м; предельная высота всасывания 4,5 м. Таким образом,
расположение насоса на высоте 1,5 м над уровнем водоема
недопустимо.
English     Русский Правила