З'єднання заклепками
З'єднання пайкою та склеюванням
З'єднання шпонкою
Шліцеві з'єднання
Фланцеві з'єднання
ПОЗНАЧЕННЯ РІЗЬБИ НА КРЕСЛЕННЯХ
Для всіх різьблень, крім конічної та трубної циліндричної, позначення відносяться до зовнішнього діаметра і проставляються над
Позначення допусків размерів на кресленні
Система посадок: рухлива, нерухлива
Позначення шорсткості
Прклад
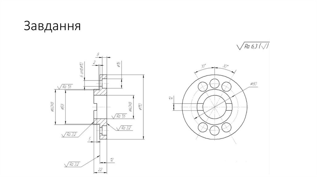
Завдання
5.96M

2 задание НГ та ИГ

1.

1

2.

3.

3

4.

Буквенно- цифрове позначення з’єднання за стандартом. Стикові з’єднання позначаються - С; таврові-Т;
внакладку- Н; кутові – У; нестандартні з’єднання – О ( особливе). Цифри біля букв, наприклад С25, Т3, вказують
порядковий номер даного з’єднання у ГОСТі (ДСТУ) на спосіб зварювання.
Умовне позначення способу зварювання за стандартом. Спосіб виконання зварювання позначається буквами: Р
– ручне, А – автоматичне, М – механізоване, які пишуться перед умовним позначенням способу зварювання. Дугове
зварювання позначається Є; електрошлакове - Ш; в інертних газах неплавким електродом без присадкового металу –
ИН; в інертних газах неплавким електродом з присадковим металом – ИНп; в інертних газах і їх сумішах з вуглекислим
газом та киснем плавким електродом – ИП; в вуглецевому газі і його суміші з киснем плавким електродом УП, ультразвукове – Уз; тертям – Тр; холодне – Х; дифузійне – Дф; контактне точкове – Кт; контактне шовне – Кр;
контактне стикове – Кс; контактне стикове опором – Ксс; контактне стикове оплавленням – Ксо; електронно-променеве
– Єл; лазерне – Лз; вибухом – Вз; плазмове – Пз. Крім того, для автоматичного зварювання прийняті такі позначання:
автоматичне зварювання під флюсом без застосування підкладок і підварочного шва – А; автоматичне зварювання під
флюсом на флюсовій подушці –Аф; автоматичне зварювання під флюсом на сталевій підкладці – Ас; автоматичне.
зварювання під флюсом на мідній підкладці – Ам;: автоматичне зварювання під флюсом з попереднім накладання
підварочного шва – Апш; автоматичне зварювання під флюсом з попередньою підваркою кореня шва – Апк. Такі ж самі
індекси використовуються і для механізованого зварювання ( Мс, Мпк ).

5.

6.

7.

8. З'єднання заклепками

9. З'єднання пайкою та склеюванням

10. З'єднання шпонкою

11.

12.

13. Шліцеві з'єднання

14. Фланцеві з'єднання

15.

Різьбове з'єднання

16.

Детали резьбового
соединения

17.

Зовнішнє різьблення зображують суцільними основними лініями по
зовнішньому діаметру і суцільними тонкими по внутрішньому

18.

Внутрішнє різьблення є суцільними основними лініями
внутрішньому діаметру і суцільними тонкими по зовнішньому.
по

19. ПОЗНАЧЕННЯ РІЗЬБИ НА КРЕСЛЕННЯХ

1) буквене позначення, що визначає тип різьблення:
М – метрична;
МК – метрична конічна;
Тr – трапецеїдальна;
S - завзята;
Rd – кругла;
G – трубна циліндрична;
R - трубна зовнішня конічна;
Rс - трубна конічна внутрішня;
К – конічна дюймова.
2) номінальний зовнішній діаметр різьблення (крім дюймових різьблень);
3) крок різьблення, виключаючи метричні різьблення з великим кроком та дюймові різьблення;
4) умовне позначення поля допуску;
5) для лівого різьблення після умовного позначення ставлять літери LH.

20. Для всіх різьблень, крім конічної та трубної циліндричної, позначення відносяться до зовнішнього діаметра і проставляються над

розмірною лінією, на її продовженні або на полиці
лінії - виноски. Позначення конічних різьблень і трубного циліндричного різьблення наносять
тільки на полиці лінії - виноски

21.

Умовне позначення метричної різьби. Воно складається з літери М (символу метричного
різьблення), номінального діаметра різьблення, кроку та напряму різьблення (якщо воно ліве).
Багатозахідні метричні різьблення позначають (після номінального діаметра) літерамиРh,
значенням ходу різьблення, буквоюРі і числовим значенням кроку. Приклад позначення
тризахідного лівого метричного різьблення з номінальним діаметром 24 мм, з кроком 1 мм і
значенням ходу 3 мм: М24 Рh3Р1-LH.

22.

Умовне позначення трубного конічного різьблення складається з буквеного
позначення R (зовнішнє різьблення) і R с (внутрішнє різьблення), діаметра
різьблення в основній площині в дюймах

23. Позначення допусків размерів на кресленні

Номінальный діметр 12 мм, верхнє відхилення – «-0,15»
мм, нижнє – «-0,26», допуск разміру складає 11 мм
Номінальный розмір 19 мм, верхнє
відхилення – «+0,26» мм,
нижнє – «-0,26», допуск разміру складає
52 мм
Номінальный розмір 65 мм, верхнє
відхилення – «0» мм,
Нижнє – «-0,74», допуск розміру складає
74 мм

24.

Номінальний
діаметр отвіру 8
мм, верхнє
відхилення
«+0,015» мм
Нижнє – «0»
Номінальний діаметр
отвіру та валу 20 мм,
отвір:
верхнє відхилення
«+0,021» мм
Нижнє – «0»
Вал:
верхнє відхилення
«+0,015» мм
Нижнє – «+0,002» мм

25. Система посадок: рухлива, нерухлива

26. Позначення шорсткості

27.

28.

Точність геометричних параметрів деталей позначається
«Допуск форми и растощування поверхні»

29.

30. Прклад

Деталь типу: вал
Номінальний размер 75,5 мм(допуск 0,046 мм)
Номінальний размер 85,5 мм (допуск 0,22 мм)
Номінальний диаметр 14 мм (допуск 0,18 мм)
Номінальный диаметр 9,8 мм (допуск 0,02 мм)
Шорсткість поверхні по параметру Ra :
мінімальна 0,8 мм, максимальна 3,2 мм
Відхилення геометриї форми поверхні деталі –
допуск повного радіального біття

31. Завдання

English     Русский Правила