1.08M
Категория:
Математика
Похожие презентации:
Теория матриц в работах Уильяма Гамильтона и Артура Кэли
Теория матриц в работах Уильяма Гамильтона и Артура Кэли
История комплексных чисел от Кардано до Гамильтона
Гамильтоновы графы. Пути и циклы Гамильтона
Метод Гамильтона в задачах пропорционального распределения
Уравнения и неравенства с параметрами. 11 класс
Условия касания прямой и окружности при решении задач с параметрами (11 класс)
Использование свойств и графиков функций при решении уравнений и неравенств (11 класс)
Симметрия. 11 класс
Задачи с параметрами
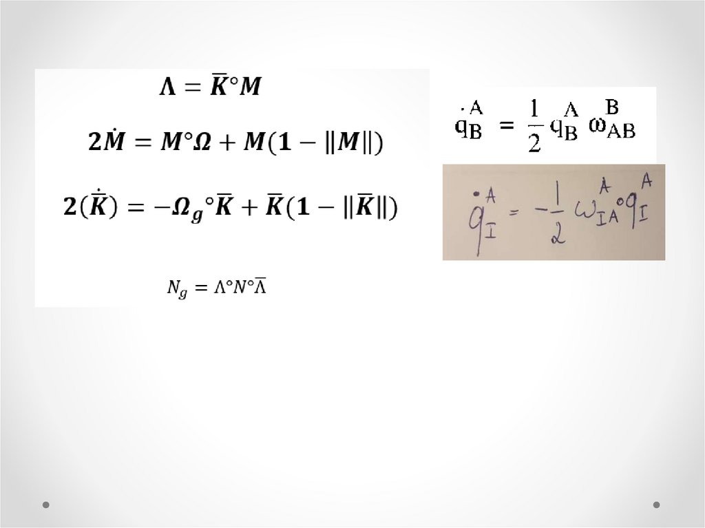
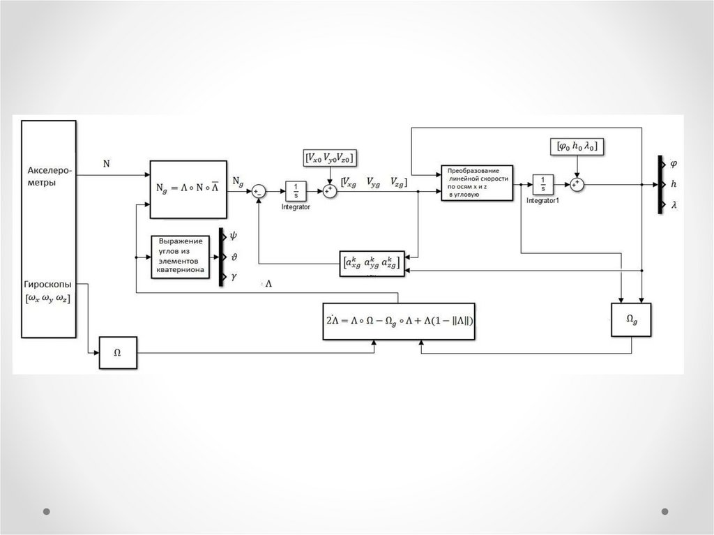
БИНС с параметрами Родрига-Гамильтона. Лекция 11
1.
Лекция 11
БИНС с параметрами РодригаГамильтона
2.
3.
Собственный кватернион
4.
5.
6.
+
-
7.
Кватернионные матрицы
8.
9.
10.
Вектор
Кватернион
English
Русский
Правила