Цель курсового проекта: Система управления тиристорного электропривода токарно-карусельного станка. Модели 1А512МФ3
Внешний вид токарно карусельного станка МОД 1А512МФ3
Электродвигатель постоянного тока
Тиристорный преобразователь MDC - 2
В выбранном типовом тиристорном возбудителе применяется трехфазная нулевая выпрямительная схема.
Силовой тиристор Т-117-200
Трансформатор типа ТСП-100/0,7-УХЛ4
Реактор модели - СРОС-100/0,5УХЛ4Э
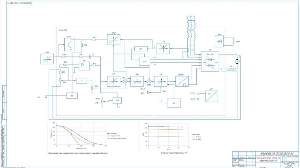
Построенные регулировочные характеристики
Построенные внешние характеристики тиристорного преобразователя
Защитное заземление
Защитное заземление
СПАСИБО ЗА ВНИМАНИЕ!
4.08M
Категория: ЭлектроникаЭлектроника

Система управления тиристорного электропривода токарно-карусельного станка. Модели 1А512МФ3

1. Цель курсового проекта: Система управления тиристорного электропривода токарно-карусельного станка. Модели 1А512МФ3

Выполнил студент группы ,,2ЭБ”
Бобин Г.В.

2. Внешний вид токарно карусельного станка МОД 1А512МФ3

3. Электродвигатель постоянного тока

Характеристики и условное
обозначение:
4ПН250S
Pном = 60кВт
n = 1500 об\мин
U = 220В
I =237А
4П – модель серии;
Н –защищённый двигатель с
естественной воздушной
вентиляцией IC01 и степенью
защиты IP44;
250 – значение высоты
вращающей оси (мм);
S – первый вид; М – второй
вид

4. Тиристорный преобразователь MDC - 2

Технические данные преобразователя:
P = 100кВт
U = 220В

5. В выбранном типовом тиристорном возбудителе применяется трехфазная нулевая выпрямительная схема.

6. Силовой тиристор Т-117-200

ТИП
Номиналь
ный ток
Iн, А
Действите
льное
значение
тока
Iв, А
Повторяю
щее
напряжен
ие
Uповт, В
Т-117-200
314
200
1000
Ток
Падение
обратный
максимал напряже
ьный
ние на
Iобр, А
вентиле
6
1

7.

Расчет и выбор основных электрических аппаратов управления и защиты
Выбираем автоматический выключатель ВА44-37 3Р 315А 35кА.
Для защиты от токов короткого замыкания
необходимо установить автоматический
выключатель по следующим условиям:
Количе
ство
полюсо
в
3
Номин.
Встроенн
Степень
Номин.
продолжи расцепите отключаю ая защита
защиты
напряжен
(IP)
ие
IP30
400 В
тельный
ток Iu
315 А
С
лем
Номин.
щая
от
минималь способнос замыкани
ного
ть Icu при
й на
напряжен
400 В, 50
землю
ия
Гц
Да
35 кА
Нет

8. Трансформатор типа ТСП-100/0,7-УХЛ4

Преобраз
ователь
Вентиль
ная
обмотка
Pном,кВ
А
93
Uном,В
380
Iном,А
320
Uном,В
210
Iном,А
262

9. Реактор модели - СРОС-100/0,5УХЛ4Э

Технические данные реактора

L

m
320А
0,03мГн
0,77мОм
420кг

10. Построенные регулировочные характеристики

250
200
Название оси
150
активная
100
индуктивная
активно-индуктивная
50
0
0
20
40
60
80
100
Название оси
120
140
160
180
200

11. Построенные внешние характеристики тиристорного преобразователя

250
200
Ud, B
150
0 град
30 град
100
60 град
50
0
0
10
20
30
40
Id, A
50
60
70
80

12.

Контактор Metasol MC-265a AC/DC100-200V 50/60Hz.
Серия
Metasol
Номинальный ток, А
265
Напряжение катушки
100-200
управления, В
Напряжение, В
690
Количество силовых НО
3
контактов
Количество силовых НЗ
0
контактов
Количество НО контактов
3
Количество НЗ контактов
0
Способ монтажа
DIN-рейка
Степень защиты
IP20

13.

Реле защиты от перегрузки Metasol MT-400 265А 200~330.
U
690А

265 А
Количество НЗ контактов
1
Количество НО контактов
1
Количество силовых полюсов
3

14.

Питающий кабель
Выбираем кабель марки
English     Русский Правила