Liquefied Gas Tanker Operations
Liquefied Gas Tanker Operations
Introduction
Basic principles
Products
Products
Products: LNG
Production of LNG
LNG characteristics
Products: LPG
LPG production
LPG from fractional distillation
LPG products characteristics
LPG products characteristics
Products: chemical gasses
Products: chemical gasses
Products: Anhydrous Ammonia
Products: Butadiene
Products: Propylene
Products: Ethylene
Products: VCM
Products
Carriage of cargoes
Vessel types
Cargo containment: definitions
Cargo containment
Cargo containment definitions: Integral tanks
Cargo containment definitions: independent tanks
Cargo containment definitions: Membrane tanks
Types of vessels and cargo containment
Types of vessels and cargo containment
Types of vessels and cargo containment
Pressurized ships
Pressurized ships
Pressurized ships
Fully pressu- rised Gas carrier
Fully pressurised Gas carrier
Semi-refrigerated / semi-pressurized ships
Semi-refrigerated / semi-pressurized ships
Semi-refrigerated / semi-pressurized ships
Semi-refrigerated / semi-pressurized ships
Semi-refrigerated vessel
Independent tanks Type C
Independent tanks Type C
Independent tanks
Fully-refrigerated ships
Fully-refrigerated ships
Fully-refrigerated ships
Fully-refrigerated ships
Fully-refrigerated ships
Fully-ref Gas carrier
Independent tanks Type A
Independent tanks Type A
Independent tanks Type A
Independent tanks Type A
Independent tanks Type A
Ethylene carriers
Ethylene carriers
Methane/LNG Carriers
Methane/LNG Carriers
Methane/LNG Carriers
Methane/LNG Carriers Independent tanks Type A
Independent tanks Type B
Independent tanks Type B
Methane/LNG Carriers
Methane/LNG Carriers
Methane/LNG Carriers
Methane/LNG Carriers
Methane/LNG Carriers
Methane/LNG Carriers
Membrane tanks Gaz transport
Membrane tanks Gaz transport
Methane/LNG Carriers
Membrane tanks Technigaz
Membrane tanks Technigaz
Semi-membrane tanks
Secondary barrier requirements: summary
Legislation
Legislation
Legislation
Legislation
Legislation
Ship types
Ship types
Ship types
Type 1G, location of cargo tanks
Type 2G/2PG and 3G, location of cargo tanks
Ship design and cargo containment
Ship design and cargo containment
Ship arrangements
Ship arrangements
Ship arrangements
Ship arrangements
Ship arrangements
Ship arrangements
Ship arrangements
Ship arrangements
Basic thermodynamic theory
Basic thermodynamic theory
Basic thermodynamic theory
Basic thermodynamic theory
Basic thermodynamic theory
Basic thermodynamic theory
Basic thermodynamic theory
Basic thermodynamic theory
Basic thermodynamic theory
Basic thermodynamic theory
Basic thermodynamic theory
Basic thermodynamic theory
Basic thermodynamic theory
Basic thermodynamic theory
Basic thermodynamic theory
Cargo handling systems
Cargo piping
Cargo piping
Cargo tank piping
Cargo piping
Cargo piping
Cargo piping
Cargo valves
Cargo valves
ESD valves
Types of valves
Types of valves
Cargo hoses
Cargo hoses
Cargo hoses handling
Cargo hoses handling
Cargo hoses handling
Pressure relief system / ventilation
Pressure relief system
Pressure relief system / ventilation
Pressure relief valves
Pressure relief valves
Pressure relief valves, pilot op.
Pressure relief valves, pilot op.
Pressure relief valves, pilot op.
Pressure relief system
Vacuum protection
Rollover
Cargo pumps: pump types
Cargo pumps
Cargo pumps
Deep-well pumps
Deep-well pumps
Deep-well pumps
Submerged pumps
Submerged pumps
Booster pumps
Booster pumps
Booster pumps
Automatic control and protection
Ice prevention
Eductors
Eductors
Eductors
Heat exchangers
Cargo heaters
Cargo heaters
Cargo heaters
Vaporisers
Vaporisers
Air dryers
Air dryers
Glycol systems
Glycol systems
Glycol systems
Inert Gas
Gauging systems
Float gauge
Nitrogen bubbler gauges
Differential pressure gauges
Capacitance gauges
Ultrasonic gauges
Ultrasonic gauges
Slip tubes
Pressure monitoring
Pressure monitoring
Temperature monitoring
Temperature monitoring
Level alarms
Gas detection system
Gas detection system
Gas detection system
Gas detection system
Gas detection system
Gas detection system
Water spray system
Water spray system
Water spray system
Emergency Shut Down system
Emergency Shut Down system
Cargo handling operations
Preparation for loading
Drying
Inerting
Purging
Purging
Purging using vapour from shore
Cooldown
Cooldown
Cooling down, using liquid from shore
Cooldown
Cooldown
Cooldown
Cooldown
Preparation for loading
Preparation for loading
Preparation for loading
Loading with vapour return
Loading without vapour return
Receiving warm cargo
Loading rate vs. Reliquefaction plant
Loading rate vs. Reliquefaction plant
Loading rate vs. Reliquefaction plant
Cargo tank filling limits
Cargo tank filling limits
Cargo tank filling limits
Cargo quantities
Cargo quantities
Cargo quantities
Cargo quantities
Cargo quantities
Corrections
Corrections
Corrections
Cargo calculation sheet
Cargo calculation sheet
Cargo condition maintenance
Cargo condition maintenance
Reliquefaction system
Cargo conditioning (loaded)
Preparation for unloading and unloading
Unloading
Discharge precautions
Discharge precautions
Pressure discharge
Centrifugal cargo pump discharge
Centrifugal cargo pump discharge
Discharging without vapour return
Centrifugal cargo pump discharge
Booster pump discharge
Changing cargoes
Removal of liquid residue by pressurisation
Removal of liquid residue by hot gas
Warming up
Inerting
Inerting
Aerating
Summary
Reliquefaction and boil-off control
LNG Boil-off control
LNG Boil-off control
LPG/Chem Gas Reliquefaction
Reliquefaction plant
Reliquefaction plant
Reliquefaction plant
Reliquefaction plant
Reliquefaction plant
Reliquefaction plant
Simple reliquefaction cycle
Simple reliquefaction cycle
Direct system: single stage compression
Direct system: single stage compression
Direct system: single stage compression
Direct system: single stage compression
Direct system: two-stage compression
Direct system: two-stage compression
Direct system: two-stage compression
Direct system: two-stage compression
Direct system: purge gas condensor
Direct system – cascade
Direct system – cascade
Compressors
Reciprocating compressor
Direct system: example
Direct system: example
Screw compressor
Screw compressor
Indirect system
Indirect system
Reliquefaction plant operations precautions
Reliquefaction plant operations precautions
Reliquefaction plant precautions
Venting boil-off to atmosphere
Ship/shore interface
Ship/shore interface
Ship/shore interface
Ship/shore interface
Ship/shore interface
24.30M
Категория: ПромышленностьПромышленность

Liquefied Gas Tanker Operations - Advanced training program

1. Liquefied Gas Tanker Operations

Advanced training
programme
1

2. Liquefied Gas Tanker Operations

In this session we will study:
The products carried
The ships
Basic thermodynamic theory
The legislation
Cargo handling systems
Protective equipment
Cargo handling, change of grades and
measurement
Emergency procedures
2

3. Introduction

The behaviour of water when heated is
familiar. Similar principles apply to liquefied
gas.
3

4. Basic principles

Gas cargoes are carried in a liquefied
state
A gas can be liquefied by either
increasing pressure, reducing its
temperature, or a combination of both
The cargo tank must be able to
withstand the pressure of the cargo
4

5. Products

The products most carried are:
-
LNG
LPG
Anhydrous Ammonia
VCM, Butadiene, Propylene
Ethylene
5

6. Products

Each product has
its own data
sheet, describing
chemical and
physical
properties,
health data,
emergency
procedures, ...
6

7. Products: LNG

Liquefied Natural
Gas (main
element:
methane)
Boiling
temperature:
minus 163°C
7

8. Production of LNG

First removal of
pentanes, then acid
gasses (CO2 and
SO2), which saturates
the gas steam with
water vapour. Then
dehydration, followed
by fractioning
8

9. LNG characteristics

LNG / Methane CH4
Boiling point: -163°C
Mol. Weight: 16.04 kg/kmole
Colourless, nearly odourless
Toxicity: asphyxiant, TLV 1000ppm,
odour threshold 200ppm
Main hazard: FLAMMABLE
9

10. Products: LPG

LPG (liquefied petroleum gas) is a
general expression for propane, butane
or a mixture of both
Produced either from crude oil
processing or as a by-product of
chemical plants
10

11. LPG production

Shown is a simple
flow diagram of
LPG production
11

12. LPG from fractional distillation

12

13. LPG products characteristics

Iso-butane
C4H10
Boiling point: -12°C
S.g. 0.58 @ 20°C
N-butane C4H10
Boiling point: -0.5°C
S.g. 0.58 @ 20°C
Mol. Weight: 58.12 kg/kmole
Both products:
Colourless, odourless, usually stenched for
detection (mercaptane)
Toxicity: TLV 600ppm, asphyxiant
Main hazard: FLAMMABLE
13

14. LPG products characteristics

Propane C3H8
Boiling point: -42°C
S.g.: 0.58 @ -42°C
Molecular weight: 44.1 kg/kmole
Colourless, odourless, usually stenched for
detection (mercaptane)
Main hazard: FLAMMABLE
14

15. Products: chemical gasses

Most chemical gasses can be produced
indirectly from propane
15

16. Products: chemical gasses

Under chemical gasses, or pure gasses,
we understand:
Anhydrous Ammonia
Butadiene
Propylene
Ethylene
VCM – Vinyl Chloride Monomer
16

17. Products: Anhydrous Ammonia

Formula: NH3
Boiling point: -33°C
S.g. @ -33°C: 0.68
Mol. Weight: 17.03kg/kmole
Main hazard: TOXIC
Colourless, pungent, suffocating odour
Toxicity: TLV 25ppm, Odour threshold 20ppm
Dissolves rapidly in water
17

18. Products: Butadiene

Formula: C H
4
6
Boiling point: -5°C
S.g.: 0.65
Mol. Weight: 54.1 kg/kmole
Main hazard: FLAMMABLE and TOXIC
Colourless, mild aromatic, gasoline like
Toxicity: TLV 10ppm, Odour threshold: 1000 ppm,
carcinogenic agent
Need of inhibitor to prevent polymerisation during
transport
18

19. Products: Propylene

Formula:C3H6
Boiling point: -47°C
S.g.: 0.609
Mol. Weight: 42.08 kg/kmole
Main hazard: FLAMMABLE
Colourless, faint, gassy, peculiar odour
Toxicity: TLV 1000ppm, odour threshold
unknown
19

20. Products: Ethylene

Formula: C2H4
Boiling point: -104°C
S.g.: 0.569
Mol. Weight: 28.05 kg/kmole
Main hazard: FLAMMABLE
Colourless, faintly sweet odour
Toxicity: asphyxiant, TLV 1000ppm, odour
threshold unknown
20

21. Products: VCM

Vinyl Chloride (Monomer) C2H3Cl
Boiling point: -14°C
S.g.: 0.97
Mol. Weight: 62.5 kg/kmole
Main hazard: HIGHLY TOXIC, FLAMMABLE
Colourless, pleasant, sweet odour
Toxicity: TLV 1ppm, odour threshold 250ppm
Carcinogenic agent
21

22. Products

Most important products in terms of
tonnage are:
LNG
LPG products
Anhydrous Ammonia
Other chemical gasses amount only to
small tonnage
22

23. Carriage of cargoes

Pressurized carriage, usually 17 Barg at
ambient temp.
Refrigerated carriage, at atmospheric
pressure, and at boiling temp.
Semi-refrigerated carriage, at a higher
pressure than atmo, but colder temp.
than ambient
23

24. Vessel types

Fully-pressurized ships
Semi-refrigerated or
semi-pressurized
Fully-refrigerated ships
Ethylene carriers
LNG carriers
24

25. Cargo containment: definitions

Primary barrier is the inner element designed
to contain the cargo when cargo containment
system contains two boundaries
Secondary barrier is the liquid resisting outer
element designed to afford temporary
containment of any leakage of cargo from the
primary barrier to prevent the lowering of the
temperature of the ship’s structure to unsafe
level.
25

26. Cargo containment

Five main categories of cargo
containment sytems:
Integral tanks
Membrane tanks
Semi-membrane tanks
Independent tanks
Internal insulation tanks
26

27. Cargo containment definitions: Integral tanks

They form a structural part of the ship’s hull
and are influenced in the same manner by
loads, forces and moments
Design vapour pressure normally not above
0.250 barg; if hull scantlings are increased
accordingly, could be increased but not
above 0.7 barg
Can be used for products with boiling point
not below –10°C. (lower temp. On special
27
consideration of the Administration

28. Cargo containment definitions: independent tanks

Independent
tanks are completely self
supporting and do not form part of the
ship’s hull
They do not contribute to the ship’s
strength
Depending on the design pressure,
there are three types of independent
tanks: Types A, B and C
28

29. Cargo containment definitions: Membrane tanks

Concept based on very thin primary barriers
or membranes supported through the
insulation by the adjacent hull structure.
Must therefore be provided with a complete
secondary barrier to ensure integrity
Design vapour pressure normally not above
0.250 barg; if hull scantlings are increased
accordingly, could be increased but not above
0.7 barg
29

30. Types of vessels and cargo containment

In this section we will detail the types
of vessels, and their association with
different types of cargo containment
30

31. Types of vessels and cargo containment

Pressurized ships, as well as semi-
pressurized/semi refrigerated vessels,
always have Type C independent tanks
as cargo containment
Fully refrigerated ships (non LNG)
usually have Type A independent tanks,
but could also carry Type B
independent tanks, or integral tanks
31

32. Types of vessels and cargo containment

LNG tankers can have Membrane
tanks,Type B independent tanks, semimembrane tanks or in some cases
independent tanks Type A
32

33. Pressurized ships

The cargo is carried in mild steel pressure vessels
designed to withstand about 17 bar g
33

34. Pressurized ships

No means of cargo temperature or
pressure control is needed
The ships tend to be small, with a cargo
capacity of up to about 3,000 m³
34

35. Pressurized ships

The tanks are normally
Type C horizontal
cylinders or spheres, and
no secondary barrier is
required
Double bottom tanks are
normally arranged for
fuel oil and segregated
ballast.
35

36. Fully pressu- rised Gas carrier

Fully pressurised Gas carrier
Example of
fully
pressurised
Gas carrier
36

37. Fully pressurised Gas carrier

37

38. Semi-refrigerated / semi-pressurized ships

Semi-refrigerated / semipressurized ships
These ships are larger than the fully pressurised
ships, mostly between 2-15,000 m³, although some
ships are up to 30,000 m³
38

39. Semi-refrigerated / semi-pressurized ships

Semi-refrigerated / semipressurized ships
Tanks are bi or tri-lobe tanks, and they
have a MARVS of 5 to 8 barg
39

40. Semi-refrigerated / semi-pressurized ships

Semi-refrigerated / semipressurized ships
Provide a fully-refrigerated capability whilst still
having a design pressure, albeit below that
required for fully pressurised carriage
The number of tanks varies from two for the
smallest, up to six
No secondary barrier is required. The hold
space is normally ventilated with fresh or dry
air
This type of ship often has a reliquefaction
system with a very high capacity
40

41. Semi-refrigerated / semi-pressurized ships

Semi-refrigerated / semipressurized ships
While early ships were designed for
temperatures between –10°C and –
33°C, newer semi-pressurised ships are
almost without exception designed for –
48°C to allow fully refrigerated carriage
Use the hull volume more efficiently
(e.g. tapered cylinders, bi-lobed tanks,
transverse tanks)
41

42. Semi-refrigerated vessel

42

43. Independent tanks Type C

Type C tanks (also referred as pressure
tanks) are normally soherical or
cylindrical and have a vapour pressure
capability of not less than 2 barg
Always used in semi-ref and pressurised
gas carriers
Tanks are subjected to accurate stress
analysis by design
43

44. Independent tanks Type C

Examples of design
44

45. Independent tanks

45

46. Fully-refrigerated ships

Ships of the
fully refrigerated
type generally
have capacities
above
15,000m³, up to
about 85100,000m3
46

47. Fully-refrigerated ships

Normally equipped with between three and six
cargo tanks, extending almost the full beam of
the ship
These ships are designed to carry fully
refrigerated cargoes at near atmospheric
pressure at temperatures down to –50 °C
47

48. Fully-refrigerated ships

Centre bulkhead necessary to prevent
sloshing
48

49. Fully-refrigerated ships

Prismatic free-standing
tanks (Type A) are the
most common
They are supported on
wooden chocks
Tanks are keyed to the
hull to permit expansion
and contraction
49

50. Fully-refrigerated ships

Tanks have an internal centreline bulkhead
to improve stability and reduce sloshing
Hold is inerted when flammable cargoes are
carried or filled with dry air for nonflammable cargoes
50

51. Fully-ref Gas carrier

Example of fully ref
gas carriers
51

52. Independent tanks Type A

Constructed primarily
of plane surfaces
Design vapour
pressure should be
less than 0.7 barg,
this means cargoes
must be carried in a
fully-ref condition
near atmospheric
pressure
52

53. Independent tanks Type A

Self-supporting tank
which requires
conventional stiffening
To ensure safety in case
of leakage a secondary
containment sytem is
required to protect the
ship’s hull from low
temperatures
Here shown: “conch
design”
53

54. Independent tanks Type A

Example of design
54

55. Independent tanks Type A

For a typical fully-ref LPG carrier, the
secondary barrier must be a complete
barrier capable of containing the whole
tank volume at a defined angle of heel
and may form part of the ship’s
structure, if the ship’s hull structure
where cargo may come in contact is
made of special low temperature steel
55

56. Independent tanks Type A

Any secondary barrier must be able to contain
tank leakage for a period of 15 days
The space between the primary tank and the
secondary barrier is known as the HOLD SPACE
When flammable cargoes are carried these
spaces must be filled with IG to prevent a
flammable atmosphere in the event of tank
leakage
56

57. Ethylene carriers

In appearance this type of ship is very
similar to the semi-pressurised ship,
and competes for the same cargoes
when the ethylene market is less
profitable
The main difference is the design
temperature of –104°C for the cargo
containment system
57

58. Ethylene carriers

Typically between 2 and 12,000m3
Cargo tanks are independent pressure vessel
Type C tanks made from nickel-steel or
stainless steel
No secondary barrier is required
Ships are normally fitted with a double
bottom
cargo tanks normally have a thicker
insulation than on fully refrigerated LPG ships
58

59. Methane/LNG Carriers

Methane/LNG is carried at atmospheric
pressure at –163°C in cargo tanks made
from aluminium, nickel-steel or stainless
(austenitic) steel
Insulation is fitted and most LNG ships
are more correctly described as fully
insulated since they usually have no
reliquefaction plant
59

60. Methane/LNG Carriers

Boil-off gas is normally burnt in the
main propulsion machinery
Ships are large, mainly from 40,000 to
135,000m3, with four to six cargo tanks
of Type A, B or membrane
60

61. Methane/LNG Carriers

A full double bottom and side ballast
tanks are fitted
The space between the primary and
secondary barriers is inerted
61

62. Methane/LNG Carriers Independent tanks Type A

the 'Conch' system aluminium Type A
tanks with a treated plywood secondary
barrier and a balsawood/ polyurethane
foam insulation system fitted to the inner
hull
The tanks have centreline bulkheads, with
a common vapour space
62

63. Independent tanks Type B

Type B tanks are designed using model
tests, refined analytical tools and other
methods to determine stress levels,
fatigue life and crack propagation
characteristics
Because of more accurate stress
analysis, only a partial secondary barrier
is required. The cost for R&D is
compensated by the reduced secondary
barrier
63

64. Independent tanks Type B

Most
frequently we
find type B
tanks of
spherical
construction,
almost
exclusively on
LNG carriers
(MossRosenberg
design)
64

65. Methane/LNG Carriers

Example of Moss
Rosenberg Type
B system
65

66. Methane/LNG Carriers

The Effi Type B (known
as SPB) system selfsupporting prismatic
tanks have a stiffened
plate structure of
aluminium and require
a partial secondary
barrier
66

67. Methane/LNG Carriers

Tanks rest on
reinforced plywood
supports which allows
them to expand or
contract freely.
Sloshing is controlled
by a centreline
bulkhead in common
with a transverse
swash bulkhead
67

68. Methane/LNG Carriers

Spherical Type B free-standing low pressure
tanks, requiring only a partial secondary
barrier
Moss-Rosenberg system comprises spherical
tanks of aluminium alloy or 9% nickel-steel
with external insulation, supported by
cylinders (or shocks)
68

69. Methane/LNG Carriers

Membrane
systems:
“Gaztransport”
or
“Technigaz”
69

70. Methane/LNG Carriers

Gaz-Transport membranes have
identical primary and secondary barriers
of 36% nickel- steel (or Invar)
Tanks are made from long strakes with
turned-up edges acting as flanges for
welding to the adjacent strake flange
The insulation is perlite in plywood
boxes
70

71. Membrane tanks Gaz transport

0.5mm thick Invar
primary barrier
attached to the inner
cold surface of 200mm
thick perlite-filled
plywood boxes as
primary insulation
71

72. Membrane tanks Gaz transport

Identical
secondary
barrier with
200mm
perlite filled
boxes for
secondary
insulation
72

73. Methane/LNG Carriers

'Technigaz' membrane systems have a
primary barrier of austenitic stainless steel in
small plates welded together and having
specially shaped orthogonal pressed edges
(or waffles) to allow for expansion and
contraction
Glass fibre aluminium foil (Triplex) membrane
and polyurethane foam insulation
Pronounced chamfer to reduce free surface
and sloshing loads
73

74. Membrane tanks Technigaz

Technigaz features a primary barrier of
1.2mm thick stainless steel with rised
corrugations or waffles to allow for
expansion and contraction.
The insulation consists of laminated
balsa wood panels between two
plywood panels
74

75. Membrane tanks Technigaz

75

76. Semi-membrane tanks

This is a variation of membrane system
Primary barrier is much thicker, with a
flat surface and large radius corners
Self-supported empty, but not when
loaded, in that the liquid and vapour
pressure acting on the primary barrier
are transmitted through the insulation
to the inner hull structure.
Rounded parts are designed to
accomodate expansion and contraction 76

77. Secondary barrier requirements: summary

77

78. Legislation

Three IMO Codes applicable to gas
carriers:
1. 'Code for Existing Ships Carrying
Liquefied Gases in Bulk’ (The
Existing Ships Code). This code
generally applies to ships delivered
before 31st December 1976.
78

79. Legislation

2. 'Code for the Construction and
Equipment of Ships Carrying
Liquefied Gases in Bulk (the GC
Code). This code generally applies to
ships built on or after 31st December
1976 but prior to 1st July 1986.
79

80. Legislation

3. 'International Code for the
Construction and Equipment of
Ships Carrying Liquefied Gases in
Bulk' (IGC Code). This code is
mandatory under the provisions of
Chapter VII of the 1974 SOLAS
Convention. It applies to ships the keels
of which are laid on or after 1 st July
1986.
80

81. Legislation

The IMO Codes are intended to produce
a common set of regulations, allowing a
ship to be issued with a Certificate of
Fitness indicating compliance with the
Code
As with other certificates, the Codes
require periodic re-inspection during its
lifetime to maintain validity.
81

82. Legislation

The Gas carrier codes amplify the
provisions of Chapter VII of the SOLAS
convention as well as Annex II of
Marpol
Other conventions and regulations
(international, flag state and class) are
of course applicable to Gas carriers, i.a.
SOLAS, MARPOL, STCW, ...
82

83. Ship types

Following types of ship acc. to survival
capability:
Type 1G, intended to carry products which
require maximum preventive measures to
preclude the escape of the cargo
Type 2G, for products, which require
significant preventive measures (...)
Type 3G, for products which require
moderate preventive measures (...)
83

84. Ship types

Also, type 2PG, which is a gas carrier of
max. 150m, with independent type C
tanks, for a MARVS of at least 7 barg
and a system design temp of –55°C or
above
84

85. Ship types

As a summary:
Type 1G gas carriers are intented for
products with the greatest overall
hazard and types 2G/2PG and 3G for
products with progressively less hazard
Type 1G should survive the most severe
standard of damage
85

86. Type 1G, location of cargo tanks

86

87. Type 2G/2PG and 3G, location of cargo tanks

87

88. Ship design and cargo containment

The Gas codes establish a standard for
the contruction, and equipement of gas
tankers
Chapter 19 of the Codes gives a
summary of the requirements per
product
88

89. Ship design and cargo containment

89

90. Ship arrangements

Gas dangerous spaces:
Cargo pump and compressor rooms
Hold spaces
Cargo containment system and piping
Spaces in cargo area, which are not equipped
to ensure that their atmo is safe at all times
Enclosed spaces outside of cargo area,
through which piping passes,...
90

91. Ship arrangements

Gas dangerous zones:
Open deck zone within 3 m of any cargo tank,
piping,...
Open deck over cargo areas up to 2.4m
above weather deck
Compartment for cargo hoses
Enclosed or semi-enclosed space having a
direct opening to any gas dangerous zone or
space.
91

92. Ship arrangements

92

93. Ship arrangements

A gas safe space is a space other than a
gas dangerous space
Windows facing the cargo area (and the
sides on 3m) should be of the fixed
type
All air intakes should be equipped with
closing devices
93

94. Ship arrangements

Access from a
gas dangerous
zone to a gas
safe place
should happen
through an air
lock
94

95. Ship arrangements

Airlocks:
ventilation should be of the positive-pressure
type
upon lost of over pressure in the space, the
non-certified safe type electrical equipment
should be de-energised
doors should be self closing and without
arrangements that they could be held open
Doors fitted with an alarm audible and visual,
to warn both sides if a door is opened
95

96. Ship arrangements

Gas-safe spaces in the cargo area should be
fitted with a positive pressure ventilation
system
Gas dangerous spaces should be fitted with
a negative pressure ventilation system
Ventilation exhaust ducts from gas
dangerous spaces should discharge upwards
at least 10m horizontally from intakes to gas
safe spaces
96

97. Ship arrangements

Ventilation arrangement of a deck-house
97

98. Basic thermodynamic theory

Pressure:
Pressure gauges normally read pressure
above or below atmospheric pressure, i.e.
relative pressure or gauge pressure (unit:
N/m² or barg)
Absolute pressure: the sum of gauge and
atmospheric, i.e. The zero is equivalent to the
pressure of any substance at absolute zero
temperature
98

99. Basic thermodynamic theory

Ideal gas laws
An ideal gas is one which would obey
the gas laws exactly by virtue of its
molecules being so far apart that they
exert no force on one another
No such gas exist, but most gasses
approach the ideal closely enough for
most purposes
99

100. Basic thermodynamic theory

Boyle’s Law
At constant
temp., the
volume of
a given
mass
varies
inversely to
its absolute
pressure
100

101. Basic thermodynamic theory

Charles’ law
The volume
of a given
mass of gas
at constant
pressure
varies in
proportion
to its
absolute
temp.
101

102. Basic thermodynamic theory

The pressure
law
At constant
volume the
pressure of
a given
mass of gas
varies
directly with
its Kelvin
temp.
102

103. Basic thermodynamic theory

If we combine the three gas laws we
find the general gas equation
103

104. Basic thermodynamic theory

General Gas equation:
pV=nRT
Where: P (Pa), V (m³), T (°K)
And n= M/m,
M being the mass of gas (kg) and m, the molecular
weight
R is the universal gas constant
= 8.314 J/kg mole °K
104

105. Basic thermodynamic theory

Dalton’s Law
The total pressure of a mixture of
different gasses in a space is the sum of
the pressure each gas would exert if it
occupied the space alone at the
temperature of the mixture
105

106. Basic thermodynamic theory

Jules’ law
The internal energy of an ideal gas
depends only on its temperature and is
independent of changes in pressure and
volume
Therefore, if P and V change, the
energy of the gas remains constant
unless its temperature changes
106

107. Basic thermodynamic theory

The total heat content of a substance
depends on its temperature (or internal
energy), its volume and its pressure: this
quantity is known as the enthalpy of the
substance
When heat is applied to or removed from a
substance, the heat involved divided by the
temperature of the substance is called its
entropy
107

108. Basic thermodynamic theory

The enthalpy is equal to the sum of internal energy of
a liquid/vapour system plus the external work
performed i.e. The product of the pressure-volume
work done on the system:
H = U + pV
Where H - enthalpy (kJ/kg) and U – internal energy
(kJ/kg)
The pV term represents the energy available within the
system due to its pressure and volume
108

109. Basic thermodynamic theory

Absolute value of enthalpy is of no practical
interest
The changes of enthalpy are important in the
thermodynamical analysis of a process
The most widely used presentation of
enthalpy changes is that of the Mollier
diagram
Mollier diagrams are available for many
substances and are available on board of gas
carriers for the usual gasses
109

110. Basic thermodynamic theory

110

111. Basic thermodynamic theory

Let us again summarize the behaviour of
water
When ice is heated, its enthalpy (H) and
temperature (T) increase until it melts.
The initial temperature rise involves the
absorption of sensible heat and melting
absorbs the latent heat of fusion.
111

112. Basic thermodynamic theory

When water is heated, absorbing
sensible heat, its saturated vapour
pressure (P) increases until, at
saturation temperature, it reaches the
pressure on the liquid surface. The
water then absorbs the latent heat of
vaporisation and boils.
The saturated vapour absorbs more
heat and becomes superheated
112

113. Cargo handling systems

In this chapter we will study:
Cargo piping
Cargo valves
Cargo hoses
Cargo venting system
Cargo pumps
Heat exchangers
Reliquefaction systems and control of boil-off
Instrumentation and auxilliary systems
113

114. Cargo piping

Piping systems for cargo vapour and liquid to fulfill
the following requirements:
1. segregated from other piping systems, except
where temporary interconnections may be
required, i.a. for purging, inerting,...
2. Should not pass through a not-cargo-related
space, i.e. accomodation, machinery space other
than cargo compressor room etc...
114

115. Cargo piping

3. Connected to the cargo containment
system directly on open deck
4. Located in the cargo area above deck
5. Located inboard of the transverse
tank location
115

116. Cargo tank piping

116

117. Cargo piping

117

118. Cargo piping

118

119. Cargo piping

Strainers ( filters ) are commonly
installed in the system to protect the
cargo handling equipment from
damaging by foreign objects i.e. at
manifold connections and before
entering cargo tanks
119

120. Cargo valves

For cargo tanks with a MARVS not
exceeding 0.7 barg, all liquid and
vapour connections should have shutoff
valves located as close to the tank as
possible.
Valves may be remotely controlled but
must always be provided with local
manual shutoff
120

121. Cargo valves

One or more ESD valve, remotely controlled should
be provided for shutting down cargo transfer
between ship and shore
Tanks with MARVS > 0.7 barg, should have manual
stop valve and remotely controlled shutdown valve
in series, as close to the tank as possible
Review of port and terminal regulations
Ship regulations and emergency procedures
All other elevant info
Safety checklists should be completed following
guidelines
121

122. ESD valves

ESD valves are to close in a time
between 20 and 30 seconds in order to
avoid pressure surges in the piping
system
122

123. Types of valves

Normally on gas
carriers, we find
ball, globe, gate
or butterfly valves,
though most
valves relating to
cargo will be of
the ball or
butterfly type.
Example of ball
valve:
123

124. Types of valves

124

125. Cargo hoses

Cargo transfer may be done into
loading arms or through the use of
cargo hoses or both.
Hoses should be tested yearly at 2.5
times the max. Working pressure and
should be designed to withstand 5
times that pressure
125

126. Cargo hoses

Usually stainless steel hoses reinforced
with woven stainless steel braid are
used
Proper handling of the hoses is critical
in order to avoid premature failure.
126

127. Cargo hoses handling

127

128. Cargo hoses handling

128

129. Cargo hoses handling

129

130. Pressure relief system / ventilation

Pressure relief system should be connected to a
vent piping system, i.e. Vent masts, as to
minimise the possibility of cargo vapour
accumulating on the decks or entering
accomodation spaces, etc...
Each cargo tank should have at least 2 pressure
relief valves of equal capacity
Setting of safety valves should not be higher
than the max. design pressure of the cargo
tank (= MARVS)
130

131.

131

132.

132

133.

133

134. Pressure relief system

Schematic
diagram of a
pressure
relief
system
134

135. Pressure relief system / ventilation

Safety valves should be fit for cold service
Height of vents not less than 6 m above deck
and at least 25m from the nearest air intake
Separate pressure relief systems for separate
cargoes
Vent masts should be fitted with means of
liquid draining
Flame screens on vent outlets
135

136. Pressure relief valves

Spring loaded type
136

137. Pressure relief valves

A cargo tank
safety relief
valve, pilot
operated
137

138. Pressure relief valves, pilot op.

Operational
principles:
1. Position
closed
138

139. Pressure relief valves, pilot op.

Operational
principles:
2. Position pilot
open
139

140. Pressure relief valves, pilot op.

Operational
principles:
3. Position
open and
flowing
140

141. Pressure relief system

Type C tanks and/or hold spaces may
be fitted with bursting disks
All pipelines which may be isolated
when full of liquid must be provided
with safety relief valves
141

142.

Pressure relief system
Some relief valves have different settings.
A proper record must be kept of any changes
in the pilot valve spring (e.g. for harbour or
sea condition or for different cargoes) and
posted in the CCR
on Type `C‘ tanks, they can be adjusted to
permit a means of reducing the MARVS to
comply with United States Coast Guard
(USCG) regulations . These regulations
impose more stringent safety factors for
pressure vessel design than do the Gas Code
requirements.
142

143. Vacuum protection

Required for most tanks
Two independant pressures switches to
stop cargo pumps and reliquefaction
units
Vacuum relief valves are permitted and
should admit IG, cargo vapour or air to
the tanks
143

144. Rollover

Temperature related problem
Especially in LNG shore tanks
Sudden evaporation, eventually over
capacity of relief valves
Dangerous when at anchor for longer
periods
Same problem when mixing propane
and butane together in ships cargo tank
144

145. Cargo pumps: pump types

145

146. Cargo pumps

The unloading of liquefied gas is done by one,
or a combination of the following methods:
Submerged centrifugal pump
Submerged centrifugal pump and a booster
pump on deck
Submerged eductor
Pressurizing and a deck mounted cargo pump
pressurizing
146

147. Cargo pumps

Deepwell
pump
arrangement
147

148. Deep-well pumps

Shaft sealing
consists of a
double mechanical
seal with an oil
flush
148

149. Deep-well pumps

Pump
performance
curves for a
typical
deepwell
pump
149

150.

Deep-well pumps
NPSH : gas is always at its boiling point.
if cavitation is allowed to occur the
impeller and the shaft bearings will
damage quickly.
Possible solution : increase tankpressure
150

151. Deep-well pumps

Pump
characteristics for
different s.g.
of liquid
NH3 - VCM
151

152. Submerged pumps

This type of pumps is
used on LNG carriers
and on many large
LPG carriers
152

153. Submerged pumps

Pumps and motors
are cooled and
lubricated by the
pumped cargo and
are thus susceptible
to flow rate
damage
153

154. Booster pumps

Pumps mounted on deck to work in
line with the regular cargo pump in
order to discharge the cargo
against high back pressure and/or,
for ref. cargo, through a cargo
heater at higher than boiling temp.
into pressurized tanks
154

155. Booster pumps

System characteristics of parallel pumps
working in series with a booster pump
155

156. Booster pumps

156

157. Automatic control and protection

For safety and to protect the cargo pumps,
they are equipped by one or all following
shutoff devices
Differential pressure gauge
Ammeter
Float gauges
Flow switche
ESD
Low tank pressure
157

158. Ice prevention

enter cargo pumps, block lubricating
passages, unbalance impellers and seize
bearings.
a small quantity of freezing-point
depressant
When deepwell pumps are not in
operation, manual rotation of the shafts be
carried out during cool-down and loading
to prevent freezing of the impellers.
158

159. Eductors

159

160. Eductors

Mostly used as an emergency system or
for hold-space bilge system
160

161. Eductors

Hold space bilge
system
161

162. Heat exchangers

Heat exchangers may be used for a
number of purposes:
Heaters of liquid cargo
Vaporizers of liquid cargo
Dryer of air and inert gas
Coolers for lube oil and glycol
Condensers and intercoolers in a
reliquefaction plant
162

163. Cargo heaters

Used to discharge fully or part
refrigerated cargoes into pressurised
shore tanks (in conjuction with booster
pumps if necessary)
163

164.

164

165. Cargo heaters

165

166. Cargo heaters

to avoid low-temperature embrittlement
of the shore tanks and pipelines .
Fitted with temp and press control
equipment to prevent freezing
Normally designed to raise temperature
from –45°C to –5°C
166

167. Vaporisers

Used as a means of providing cargo
vapour from available liquid, i.e. during
gassing-in operations, or during
discharge operations in order to
maintain tank pressure
Usually steam vaporisers, horizontal or
vertical but often cargo heaters or
condensers can be used as vaporisers
as well (sea water)
167

168. Vaporisers

168

169. Air dryers

Air dryers are used to reduce the dew
point of the atmosphere in the cargo
tank (dry air) during change-over
operations (from one cargo to
another cargo) by passing ambient air
through freon condensors or through
cooling tower filled with silica-gel
169

170. Air dryers

170

171. Glycol systems

A glycol system is installed on gas carriers. It
is used:
As a cooling system for cargo compressor bearings
As a cargo compressor suction gas superheating
unit in order to prevent pre compression
condensation
As compressor lube oil heating to vaporize
refrigerant which may contaminate the oil
(...)
171

172. Glycol systems

(...)
For cargo compressor cylinder head cooling
For cooling at two stage compression
intercoolers
The use of glycol prevent freezing of
the medium due to the very low
working temperatures it may be in
contact with
172

173. Glycol systems

173

174. Inert Gas

Composition of IG produced by an IG
generator:
Approx. 84% Nitrogen
Approx. 0.5% Oxygen
Approx. 15% Carbon Dioxide
Approx. 0.5% Carbon Monoxide, Oxides of
Nitrogen and Sulphur Dioxide
174

175. Gauging systems

IMO requires every cargo tank to be fitted by
at least one liquid level gauge
Most common type is closed and restricted
system, with float, Nitrogen bubble gauges,
differential pressure gauges, ultrasonic
gauges or slip tubes
Gauging on a gas carrier shows innage, unlike
for other tankers where ullage is measured
175

176. Float gauge

Widely used in all tanker work
Consists of a float attached by a tape to
an indicating device
Float must be lifted from the liquid
when not in use
176

177.

177

178.

Nitrogen bubbler gauges
178

179. Nitrogen bubbler gauges

Measures the pressure necessary to displace
the liquid inside a small bore tube mounted
vertically in the tank
Enough nitrogen is introduced into the tube
to displace the liquid and just begin to bubble
at the bottom
The pressure necessary to do this is
measured and is a function of the liquid level
and the density
179

180.

Differential pressure gauges
180

181. Differential pressure gauges

Generally only found ashore or decktanks
Operates on differential pressure between
liquid and vapour phase
Signal lines for the instrument are purged
with IG or Nitrogen
181

182.

Capacitance gauges
182

183. Capacitance gauges

Measures the change in electrical
capacitance between two probes as
cargo liquid rather than vapour takes up
the space between them
Electrical circuit are of course made
intrinsically safe
183

184. Ultrasonic gauges

184

185. Ultrasonic gauges

Operates like an echosounder
Measures the liquid depth by reflecting sound
waves from the liquid/vapour interface
Ultrasonic gauges fitted on gas carriers can
be unreliable due to boiling of the liquid
Advantage
no influence by the gas atmosphere
you do not need openings in the containment
185

186.

Slip tubes
186

187. Slip tubes

Restricted type since a small amount of cargo
is released during measurement
Operates on basis of a sliding tube
penetrating the tank top
Tube is glanded at the top and can be
lowered or raised
Liquid or vapour issuing from the orifice gives
an indication of the liquid/vapour interface
Only type C tanks
187

188. Pressure monitoring

IMO requires a pressure monitoring
system throughout the cargo system,
incl. Cargo tanks, pump discharge lines,
liquid and vapour crossovers, etc...
Pressure switches are fitted to various
components to operate alarms and
shutdown systems
188

189. Pressure monitoring

Vapour space of each cargo tank should
be provided with a pressure gauge
Max and min allowable pressure should
be marked on the gauges
Alarms should be activated before set
pressures are reached (pre-alarms)
189

190. Temperature monitoring

IMO requires each cargo tank to be
fitted with at least two devices for
indicating cargo temperature, placed
one at the bottom of the tank the other
at the top
Should be marked for lowest admissible
temp.
190

191. Temperature monitoring

Usually in cargo tanks, thermometers
placed as follows:
Cargo tank hull temperature at sump
Bottom
mid (50% of level)
Top (98% of level)
Tank dome (vapour space)
191

192. Level alarms

Each cargo tank should be fitted with a
high level alarm operating independently
of liquid level indicators (High level –
around 97%) and giving audible and
visual warning
Another independent sensor should
automatically activate shutoff to prevent
the tank from overfilling - ESD (Very high
level –98.5%)
192

193. Gas detection system

Every gas carrier should be fitted with a
fixed gas detection system
Audible and visual alarms located on the
bridge, in the cargo control room and at
the gas detector readout location
193

194. Gas detection system

Detection of gas should be fitted in:
Cargo compressor rooms
Motor rooms for cargo machinery
CCR
Enclosed spaces within the cargo area, including
hold spaces
Ventilation hoods and gas to E.R. Supply ducts
(LNG)
Air locks
194

195. Gas detection system

195

196. Gas detection system

Sampling and analysing from each
detector head is done continuously and
sequentially.
Time between two scans of the same
zone not to exceed 30 minutes
Vent hoods and gas ducts of LNG
carriers to be scanned continuously
196

197. Gas detection system

For all spaces, alarms should be
activated for flammable products when
vapour concentration reach 30% of the
LEL
Hold spaces and interbarrier spaces
should be provided with sampling points
(top and bottom) by means of portable
equipment (toxic gasses)
197

198. Gas detection system

Every ship should be provided with at
least TWO portable sets of gas
detection equipment suitable for the
products carried
Fixed gas detection equipment should
be calibrated before each arrival in port
and/or before each cargo operation
198

199. Water spray system

A water spray system should be
installed to cover:
Exposed cargo tank domes
Exposed on deck storage vessels for
flammable or toxic gasses
Liquid and vapour manifolds and the area
of their control valves
Boundaries of superstructures, of
compressor room, motor room
199

200. Water spray system

At least 10 l/m² per minute for
horizontal surfaces and at least 4 l/m²
per minute for vertical surfaces
200

201. Water spray system

201

202. Emergency Shut Down system

202

203. Emergency Shut Down system

Manually operated (pneumatic or electric) and
automatically for some functions (eg very high level
in cargo tank)
Also required to be automatic upon loss of electric
control or valve actuator power.
at tank domes or cargo manifolds (where fusible
elements are situated)
All valves should be ‘fail-safe’ type
Shuts down cargo pumps, compressors, ventilation
of compressor room and closes Esd valves
(manifold and tanktop)
203

204. Cargo handling operations

We will study:
Preparation for loading and loading
Cargo measurement and calculations
Cargo condition maintenance on passage
and in port
Preparation for unloading and unloading
Changing cargoes
204

205. Preparation for loading

Let’s assume a cargo tank is clean and
contains air and we need to proceed for
loading
Sequence of operations:
Drying
Inerting (if necessary)
Purging (or gassing-up)
Cool-down
Loading
205

206. Drying

Removing moisture from cargo tank
and pipe work
Reducing dew point of tank atmosphere
Minimising potential ice formation
process
Usually dew point of up to –50°C
206

207. Inerting

Reduce oxygen content in the cargo
system
Prevent flammable atmospheres to be
created
Not to be done with NH3
207

208. Purging

To replace inert gas in cargo tanks with
vapours of the cargo to be loaded
Prepare tanks for loading cargo
Cargo vapour may be taken from a
shipboard tank via a vaporiser or from
shore
Purging is done by displacement so care
should be taken to create a good buffer
208

209. Purging

Displacement method is used for
drying, inerting or purging
Buffer is critical
Inert / vapour interface should be
rather homogene and progress of the
buffer can be followed in the tanks by
regular sampling
209

210. Purging using vapour from shore

210

211. Cooldown

Before loading a refrigerated cargo,
tanks must be cooled down in order to:
prevent thermal stresses
Prevent excessive tank pressure during
loading
211

212. Cooldown

Rates at which cargo tank can be
cooled down depend on design but
typically we find a max of 10°C per
hour (check company’s instructions and
loading manual)
Cooling down can be done with liquid
from shore, from deck tank or by using
reliquefaction plant, or a combination
212

213. Cooling down, using liquid from shore

213

214. Cooldown

Liquid is sent to top spray of line of the
cargo tank
Droplets evaporate and take away
energy from the tank atmosphere thus
cooling down
Pressure rises in tank, so the use of the
reliquefaction plant is necessary unless
we are using a vapour return to shore
214

215. Cooldown

Cooldown should continue until liquid
collects at the bottom of the tank and
bottom temp is max.:
LNG:
- 160°C
Ethylene: - 103°C
Ethane: - 87°C
Propane: - 41°C
NH3:- 31.5°C
215

216. Cooldown

During cooldown, valves should be
operated frequently to ensure that they
are free
Pump shafts should be turned manually
at regular intervals
216

217. Cooldown

The thermal contraction of the cargo
tank may cause a pressure reduction in
the hold spaces
Dry air or inert gas or dry nitrogen
(LNG) should be introduced as
necessary
217

218. Preparation for loading

In port following notice should always be
posted, shore side by the accomodation
ladder, sea side amidships
218

219. Preparation for loading

When the liquefied gases being handled
present a health hazard, further notices
in appropriate languages should be
prominently displayed stating:
219

220. Preparation for loading

ESD should be tested before each
operation
Ventilation of accomodation spaces
shall be set in recirculation mode
Drip tray at manifold shall be prepared
and filled with sea water , if applicable
220

221. Loading with vapour return

221

222. Loading without vapour return

222

223. Receiving warm cargo

When loading a cargo at a temp
resulting in a vapour pressure
exceeding MARVS of cargo tanks,
loading rate will depend on:
The capacity of the reliquefaction plant and
compressors (kcal/hour)
Capacity of terminal’s compressors and
R.P. in case a vapour return is being used
223

224. Loading rate vs. Reliquefaction plant

Loading rate for a warmer than boiling
point cargo can be calculated:
Example: How many tons NH3 can we
accept per hour if loading temp is –20°C, 3
compressors available and SW temperature
is 20°C?
1. MARVS 440mBar, for safety we take
max. Tank pressure 350 mBar
224

225. Loading rate vs. Reliquefaction plant

2. Liquid density tables: NH3
350mBar corresponds to –27.5°C (max temp we can
allow in the cargo tanks)
3. We must bring cargo from –20°C to –27.5°C
via R.P. and condensors
4. Properties of NH3:
-20°C corresponds to 78 kcal/kg
-27.5°C corresponds to 70 kcal/kg
We must take 8kcal/kg with our R.P.
225

226. Loading rate vs. Reliquefaction plant

5. From loading manual, we find that
for NH3 and SW 20°C 1 condensor
capacity is 184,000 kcal/hour
3 x 184,000 / 8 = 69,000 kg/h
Our max loading rate is 69 mT/h
226

227. Cargo tank filling limits

IMO Gas code specifies maximum filling limits
as follows:
Vl = 0.98 V dr/dt
V is the max volume to which the tank can be
l
loaded at ref temperature
V is the total volume of the tank
D is the density of the cargo at ref temperature
r
D is the density of the cargo at the loading
t
temperature
227

228. Cargo tank filling limits

Example:
Fully ref vessel loading propane at –42°C Relief
valves set at 0.25bar
Absolute pressure: 0.25+1.0=1.25 bar
Ref temperature (corresponding to SVP 1.25 bar for
propane) = -37°5C
Density of liquid propane d = 0.5765 @ -37°5C
r
Density of liquid propane d = 0.582 @ -42°C
t
V =0.98 V 0.5765 / 0.582 = 0.97 V
l
Thus tanks can be filled to 97%
228

229. Cargo tank filling limits

Membrane tanks have special loading
conditions in order to minimize sloshing
forces in heavy weather
Filling limit usually 99% of tank volume
229

230. Cargo quantities

Liquefied gas cargoes are carried as:
boiling liquids in equilibrium
with their vapour in closed containment
systems
The vapour phase above the liquid
cargo must be calculated and included
in the total cargo quantity
230

231. Cargo quantities

On discharge one normally retains
sufficient cargo on board to keep the
tanks cooled before the next loading
One always calculates cargo quantities
both before and after loading and
discharge operations in order to
ascertain the quantity loaded or
discharged
231

232. Cargo quantities

Innage or
sounding is
measured as
opposed to
ullage on
other tankers
232

233. Cargo quantities

A calibration table is provided for each cargo
tank
They are calculated for
ambient temperature
the vessel being in upright position
for no trim
Therefore certain corrections must be applied,
together with others, for temperature variation
233

234. Cargo quantities

Corrections:
Trim correction
List correction
Tape correction
Float correction
Shrinkage of tank shell
234

235. Corrections

Tape correction:
The float gauge tape passes through the
cold vapour space
Depending on the temperature it will
contract
It will therefore indicate a lower liquid level
then actually present
Tape correction should be added to the
liquid level read
235

236. Corrections

Float correction:
The zero of the float gauge is determined
by the manufacturer but is normally at
50% of float immersion
Cargo temp and density is different from
that assumed by the manufacturer’s zero
determination
A small correction for float immersion is
required
236

237. Corrections

Shrinkage factor:
The cargo tank is calibrated at ambient
temperature
If cold cargo is loaded the tank will have a
smaller volume
Different corrections are applied to liquid
and vapour phases because of different
temperatures
237

238. Cargo calculation sheet

238

239. Cargo calculation sheet

239

240. Cargo condition maintenance

Refers to:
The cargo quantity is maintained without
undue losses during sea passage (halfpercent loss clause in c/p)
The cargo tanks pressures are maintained
within design limits
The cargo temperature is maintained or
changed as required (c/p)
240

241. Cargo condition maintenance

Boiloff must be removed to maintain
equilibrium
Three methods:
For LNG, it is supplied to the boilers and burned as
fuel (or possibly used directly in dual-fuel diesel
engines)
For LPG ships, it is reliquefied and then returned
to cargo tanks via condensate lines
Excess gas can be vented to the atmosphere
(substantial loss of cargo)
241

242. Reliquefaction system

Should be able to keep the liquid either
at loading temperature or cool it down
to boiling temperature
Cooling down rate depends on the
capacity of the plant. usually a ship is
able to bring the temperature of her
cargo down 1°C in between 12 and 48
hours.
242

243. Cargo conditioning (loaded)

243

244. Preparation for unloading and unloading

Several methods of discharging
depending on ship type and terminal
type:
Pressure discharge
Pressure and booster pump discharge
Centrifugal cargo-pump discharge
Centrifugal cargo-pump and booster pump
discharge (in line)
244

245. Unloading

Unloading can happen:
with vapour return, or
without vapour return in which case liquid
cargo must be evaporated and sent to the
cargo tanks in order to:
keep tank (over)-pressure and
replace the liquid volume being discharged
245

246. Discharge precautions

Function test of pumps and valves
Function tests of instruments for
measuring pressure, temp and cargo
level
Function test of fixed gas detection
equipment
Cargo calculation and sampling if
requested
Line up inspection for discharging
246

247. Discharge precautions

If needed pre-cool ship’s cargo lines
Start discharging slowly and carefully to
avoid thermal stresses on board and
ashore
Check for leakage in cargo system
Control tank pressure during discharging
Control ship’s stability regularly
247

248. Pressure discharge

Alternative or additional to use of cargo
pumps
Inefficent method, slow and restricted
to small type C tanks
Liquid is transferred ashore by
increasing pressure in cargo tank
(above liquid)
248

249. Centrifugal cargo pump discharge

Discharge rate should not be reduced to
accomodate terminal needs, by
throttling manifaold valve (in order to
avoid heating the cargo)
Pump throttling valve or partial
recirculation of cargo should be used
249

250. Centrifugal cargo pump discharge

If cargo is to be discharged fully ref,
pumps will be used in parallel in order
to increase rate to shore’s request
Pressure in cargo tank will fall and
should be kept above minimum by
sending cargo vapour to tanks, either
from a vapour return or by evaporating
liquid cargo
250

251. Discharging without vapour return

251

252. Centrifugal cargo pump discharge

If discharge is to happen into a
pressurized/ambient temp tank ashore,
the cargo should be unloaded via a
booster pump in serie with cargo pumps
and via a cargo heater
252

253. Booster pump discharge

253

254. Changing cargoes

Before changing cargo grades:
Important to remove all liquid residues
from the cargo system
Depending on design of ships, liquids
can be removed by pressurising, normal
stripping or by heating the tanks with
Hot Gas from the compressor
254

255. Removal of liquid residue by pressurisation

255

256. Removal of liquid residue by hot gas

256

257. Warming up

Warm up progressively in view of ventilating
tanks with fresh air for inspection, dry dock
or cleaning
Warm up to prevent condensation and to
remove possibility of reliquifying cargo
Warming up by using hot gas
Essential operation for LNG vessels (very
progressive and slow warm up)
257

258. Inerting

Reducing the oxygen content to prevent
creation of explosive mixtures in tanks
Dewpoint of IG very low
No inerting after NH3
Usually by displacement, but on
pressure ships, can be done by dillution,
dillution and pressurising or dillution
and vacuum
258

259. Inerting

259

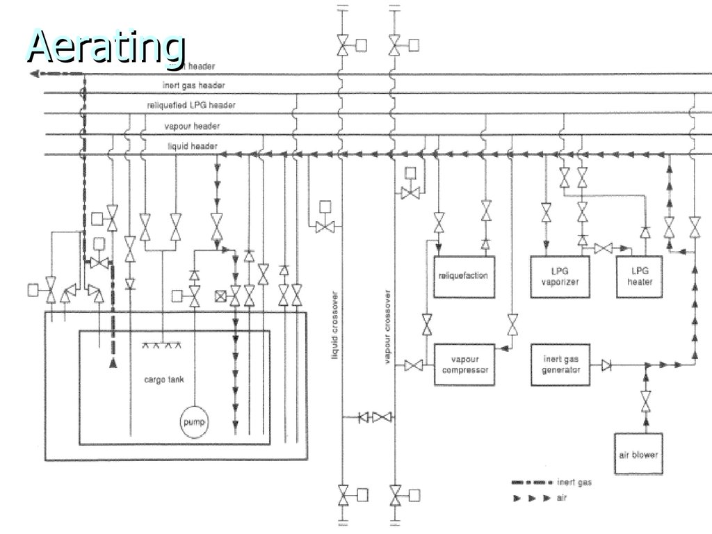
260. Aerating

260

261. Summary

1.
2.
3.
4.
5.
Remove any cargo liquid residue
Warm up the tank
Purge the cargo vapour with inert gas
Ventilate the tanks until 21% oxygen
reading is obtained
As discussed, the procedure is
different with Ammonia due to the
inherent properties of the product
261

262. Reliquefaction and boil-off control

Boil-off generated during the voyage would give
rise to excessive cargo tank pressure if allowed to
accumulate.
Three alternative methods of dealing with boil-off:
LNG, the cargo can be supplied to boilers and burned
as fuel
LPG can be reliquefied by the reliquefaction plant on
board and then the condensate returned to the cargo
tanks
Venting, but this is not economically viable (loss of
cargo)
262

263. LNG Boil-off control

In the case of LNG carriers boil-off is
used as fuel in the ship’s boilers or gas
turbines
263

264. LNG Boil-off control

264

265. LPG/Chem Gas Reliquefaction

In this case, boil off vapours are compressed
then cooled in condensers, where they
become liquid. Expanding this liquid provides
the drop in temperature to allow boil off to
be returned to the tank at required
temperature
265

266. Reliquefaction plant

The plant is designed to perform following operations:
Cool down the cargo tanks and associated piping before
loading
Reliquefy the cargo vapour
Maintain or reduce cargo temperature
The plant capacity is designed to maintain the cargo
temperature at a level such that the pressure does
not exceed the relief valve setting under the most
extreme service conditions, usually taken as 45°C air
and 32°C sea temperatures
266

267. Reliquefaction plant

Spare capacity at least equal to the largest single
unit has to be provided.
In most cases the stand-by capacity is a complete
unit including compressors with their driving
motors, heat exchangers, control systems and
piping, though this is in excess of the minimum
requirement of the IMO Codes.
If additional capacity is provided in the form of an
independent unit, this can be used to increase the
rate of cool down, or to reliquefy boil-off during
loading.
267

268. Reliquefaction plant

On semi-pressurised ships, the cargo
compressors can raise the tank
pressure enough to prime deckmounted discharge pumps prior to
discharge
Cargo vapour is drawn off and
compressed, and the hot gas
discharged is returned to the cargo tank
268

269. Reliquefaction plant

Similarly the cargo compressor can be used to
boil off cargo residues left in pump sumps at
the end of discharge
The cargo compressors draw vapour from the
cargo tanks and compress it
The hot vapour is returned to the cargo tank
sump through an open ended pipe immersed
in the remaining liquid, or a perforated
heating coil which is sometimes provided
269

270. Reliquefaction plant

There are two main types of
reliquefaction plants:
Direct cycle – where the cargo vapour is
compressed condensed and returned to the
tank. Most commonly used system
Indirect cycle – where an external
refrigeration system is employed to
condense the cargo vapour without it being
compressed
270

271. Reliquefaction plant

The heat removed during reliquefaction
process is the latent heat of
vaporisation of the cargo plus any extra
heat it may have absorbed.
The heat leaks into the cargo through
the insulation from the air, sea and sun.
The reliquefaction plant removes the
heat and returns it to the sea.
271

272. Simple reliquefaction cycle

272

273. Simple reliquefaction cycle

273

274. Direct system: single stage compression

Suitable when suction pressure is
relatively high, eg semi-ref. Cargoes
The compressor is used to increase the
temperature of the vapour so that a
sea-water condenser can be used
274

275. Direct system: single stage compression

275

276. Direct system: single stage compression

The superheated vapour from the
compressor (3) is condensed to an
ambient temperature liquid in a seawater cooled condenser
and is collected in a collecting vessel,
known as a condensate receiver, before
being passed through an expansion
valve (5)
276

277. Direct system: single stage compression

The flow through the expansion valve is
controlled by a level switch in the
collecting vessel
The throttling (expansion) valve is
designed to ensure that there is
sufficient pressure to press the liquid
into the cargo tank
277

278. Direct system: two-stage compression

If the compressor discharge-to-suction
pressure ratio in a single stage system
exceeds about 6:1 the efficiency of the
machine is reduced and two stage
compression is necessary
This system can be used for semipressurised and fully refrigerated LPG
ships.
278

279. Direct system: two-stage compression

Direct
system:
two-stage
compressio
n
279

280. Direct system: two-stage compression

Boil-off (1) is taken from the tank via a
liquid separator to the first-stage
compressor (2) where it is superheated
(3).
The vapour can then be cooled in an
interstage cooler (or "Intercooler") (4)
before passing to the second stage
compressor.
280

281. Direct system: two-stage compression

The second compression further superheats
the vapour (5) which is then cooled and
condensed in a sea-water cooled condenser
(6).
Before the expansion valve, the condensed
liquid can be used as the intercooler coolant
(7).
The ambient temperature liquid is then
collected and passed through the expansion
281
valve (8) as in the single stage cycle.

282. Direct system: purge gas condensor

282

283. Direct system – cascade

This system is virtually identical to the
single-stage direct system, except that
the cargo condenser is cooled by liquid
refrigerant gas such as R22.
The system can be used for fully
refrigerated cargoes.
283

284. Direct system – cascade

Major advantages:
the capacity of the system is not affected
by sea-water temperatures as much as
other systems.
The cycle is also more efficient, as the R22
temperature in the LPG condenser can be
below 0°C.
284

285.

285

286. Compressors

Compressors are usually reciprocating
oil-free piston type, or screw-type
compressors
286

287. Reciprocating compressor

Often a two stage
reciprocating
compressor is used
in the reliquefaction
plant
Click icon to view
287

288. Direct system: example

288

289. Direct system: example

289

290. Screw compressor

290

291. Screw compressor

Dry oil-free :
no physical contact between the screw rotors
leakage through the clearance
high speeds for good efficiency (12000 rpm)
4 and 6 lobes, 3 chambers
oil-flooded :
oil injection into the rotors
oil is lubricant and coolant
less gas leakage, lower speed (3000 rpm)
an oil separator on the discharge side removes oil from
the compressed gas
291

292. Indirect system

292

293. Indirect system

Indirect cooling is used for cargoes
which cannot be compressed for
chemical reasons
The cycle has to use a very cold
refrigerant in the condenser for
efficiency; the common refrigerants are
hydrogen, helium and propane
293

294. Reliquefaction plant operations precautions

1. Gas detection equipment should be
tested and activated before operation
begins
2. All Reliquefaction plant space vent
system should be activated at least 10
min before beginning
3. Compressors suction filters to be
checked and cleaned regularly
294

295. Reliquefaction plant operations precautions

4. Precautions for ice formation should be
observed
5. All pipelines and valves should be lined up
before starting
6. Cooling water supply should run and if
fitted coolant compressor started
7. Incondensible gases will affect the
Reliquefaction plant (ethane, methane or IG)
295

296. Reliquefaction plant precautions

Before starting the plant:
Check that ventilation is up and running
Check and level of oil in carter
Check that compressor turns freely
Check that drains are closed and all valves
lined up
296

297. Venting boil-off to atmosphere

In case the gas burning system or the
reliquefaction plant is out of order
Usually prohibited within harbour limits
297

298. Ship/shore interface

In this last part, we will discuss the ship
to shore interface
The area where the activities of
shipboard and shore personnel overlap
during cargo handling operations
298

299. Ship/shore interface

Direct contact should be established
between ship and shore as soon as
possible
Plans of mooring facilities and discharge
operations should be exchanged
299

300. Ship/shore interface

Before commencing any cargo
operations a meeting should take place
between the responsible personnel from
ship and terminal
Following points to be discussed:
Names and roles of responsible personnel
Cargo and vessel equipment conform to
requirements
.../...
300

301. Ship/shore interface

.../...
Terminal equipment conform and inspected
Condition of cargo and/or cargo tanks
Cargo quantities
Planning of the cargo ops re. temp., rates, startup,
sequences, pressures, use of vapour return, ballast
ops, ...
Previous three cargoes
Appropriate cargo hazard sheets available and
posted
.../...
301

302. Ship/shore interface

.../...
Review of port and terminal regulations
Ship regulations and emergency
procedures
All other elevant info
Safety checklists should be completed
following guidelines
302
English     Русский Правила