333.18K
Категория: ФизикаФизика

Элементы замкнутых систем АЭП

1.

ЭЛЕМЕНТЫ ЗАМКНУТЫХ
СИСТЕМ АЭП

2.

ДПТ как элемент замкнутой САР
di
U п U я e i R a L a dt ;
M M J d ;
c
dt
M C m Ф н i;
e C Ф .
e
н

3.

i
1
d
M c ;
J
С м Ф н dt
dMc
di
J
d2
1
;
dt С м Ф н dt2 С м Ф н dt
La J d 2
La
dMc
J R a d
Мс

2
R а Cе Фн ;
См Фн dt
См Фн dt
См Фн dt См Фн
La J
La
dM c
Мс

d2
J Ra
d
R а ;
2
2
Се Ф н См Се Ф н 2 dt 2 См Се Ф н 2 dt
dt
См Се Ф н
См Се Ф н
La J
Ra
Tэ Tм;
2 Ra
См Се Фн
Тм Тэ
d2
dt2
Тм
J Ra
Се См Фн 2
Тм
La

Ra
d

La
dMc
Ra
Мс
2
2
dt
Се Фн Се См Фн
dt
Се См Фн

4.

Тм Тэ р 2 (р) Тм р (р) (р)
(р) (Тм Тэ р2 Тм р 1)

La
Ra
р
Мс(р)
Мс(р).
2
Се Фн Се См Фн 2
Се См Фн
1
Uя(р);
Се Фн
1
( р)
Се Фн
Wд(р)
Uя(р) Тэ Тм р 2 Тм р 1
Uя(р)
1
Се Фн
Тэ Тм р 2 Тм р 1
(р)

5.

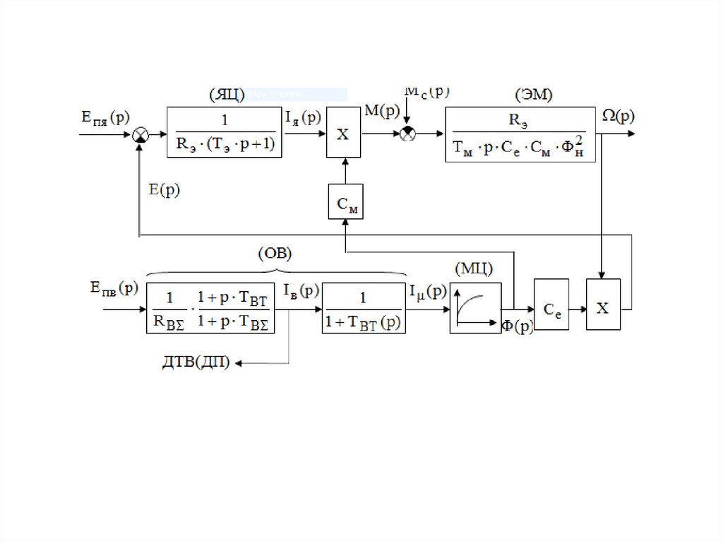
РАЗВЕРНУТАЯ СХЕМА ДПТ

6.

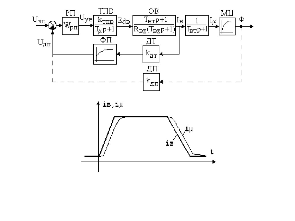
ДВУХЗОННЫЙ ПРИВОД
Z(p) (R ПВ R В ) р (L ПВ Ls)
p L В R ВТ
;
p L В R ВТ
R ПВ R В R В ;
p
(
L
Ls
)
p
L
R
ПВ
В
ВТ
,
Z(p) R В 1
L
R В
R В R ВТ (1 p В )
R ВТ

7.

8.

9.

СИЛОВЫЕ ПРЕОБРАЗОВАТЕЛИ
ШИРОТНО-ИМПУЛЬСНЫЙ ПРЕОБРАЗОВАТЕЛЬ
WШИП (р)
Е d ( р)
k ШИП е р
U у ( р)
k
WШИП (р) ШИП .
1 р

10.

УПРАВЛЯЕМЫЕ ВЫПРЯМИТЕЛИ

11.

СИФУ С ПИЛООБРАЗНЫМ ОПОРНЫМ НАПРЯЖЕНИЕМ
k ТП
U0 U у
dE d
E d 0 cos
var
dU у
U ОП U ОП
k ТП max
Edo
U ОП

12.

СИФУ С СИНУСОИДАЛЬНЫМ ОПОРНЫМ НАПРЯЖЕНИЕМ
dE d 2 E d 0
k ТП
const
dU у
U ОП
WТП (р)
k ТП
1 Т ТП р

13.

РАЗДЕЛЬНОЕ УПРАВЛЕНИЕ

14.

СОВМЕСТНОЕ УПРАВЛЕНИЕ
English     Русский Правила